- 您的位置:
- 标准下载网 >>
- 标准分类 >>
- 轻工行业标准(QB) >>
- QB/T 1454-1992 书皮纸
标准号:
QB/T 1454-1992
标准名称:
书皮纸
标准类别:
轻工行业标准(QB)
英文名称:
Book cover paper标准状态:
现行-
发布日期:
1992-04-14 -
实施日期:
1992-12-01 出版语种:
简体中文下载格式:
.rar.pdf下载大小:
88.57 KB
中标分类号:
轻工、文化与生活用品>>造纸>>Y32纸
替代情况:
QB 27-1973采标情况:
ГОСТ 20283 NEQ
点击下载
标准简介:
标准下载解压密码:www.bzxz.net
本标准规定了书皮纸的产品分类、技术要求、试验方法、检验规则和标志、包装、运输、贮存。本标准适用于作书籍、杂志、簿册等封面用纸。 QB/T 1454-1992 书皮纸 QB/T1454-1992
部分标准内容:
中华人民共和国轻工行业标准
书皮纸
主题内容与适用范围
QB/T 1454—1992
本标准规定了书皮纸的产品分类、技术要求、试验方法、检验规则和标志、包装、运输、贮存。本标准适用于作书籍、杂志、簿册等封面用纸。2引用标准
GB/T450纸和纸板试样的采取
GB/T 451.1
纸和纸板尺寸及偏斜度的测定法纸和纸板定量的测定法
GB/T 451.2
GB/T 453
GB/T 456
GB/T 457
GB/T460www.bzxz.net
GB/T 462
GB/T 1541
纸和纸板抗张强度的测定法(恒速加荷法)纸和纸板平滑度的测定法(别克法)纸耐折度的测定法
纸和纸板施胶度的测定法(墨水划线法)纸和纸板水分的测定法
纸和纸板尘埃度的测定法
GB/T 2828
逐批检查计数抽样程序及抽样表(适用于连续批的检查)GB/T 8940. 1
纸和纸板白度测定法45/0定向反射法纸张的包装和标志
GB/T 10342
GB/T10739纸浆、纸和纸板试样处理和试验的标准大气3产品分类
3.1书皮纸分为A、B、C三等。
3.2书皮纸为平板纸,按合同规定可以生产卷简纸。3.2.1平板纸尺寸为880mm×1230mm,787mm×1092mm,或按合同规定,尺寸误差不许超过±3mm,偏斜度不许超过3mm。
3.2.2卷简宽度按定货合同规定,卷简宽度误差不超过士3mm。3.3根据订货合同规定可以生产各种颜色和压纹的书皮纸,颜色纸不考核白度,压纹纸不考核平滑度。3.4根据订货合同规定可以生产其他定量的书皮纸,强度指标小于80g/m2按80g/m2标准考核,大于80g/m2按100g/m2标准考核。
4技术要求
4.1书皮纸的技术指标必须符合表1规定。中华人民共和国轻工业部1992-04-14批准1992-12-01实施
施胶度
指标名称
裂断长(纵横平均)
80g/m2
100、120g/m2
耐折度(横向)
80g/m2
100.120g/m2
平滑度(正面)普压
正反差
尘埃度
0.2~~1.5mm2
其中0.5~1.0mm2黑色尘埃
大于1.0mm2黑色尘埃
1. 5~2. 0mm2尘埃
大于2.0mm2尘埃
交货水分
QB/T1454--1992
不低于
不小于
不低于
不低于
不小于
不大于
不多于
个/m2
不许有
不许有
不许有
不许有
不许有
不许有
不许有
不许有
圆网机生产的C等书皮纸,平滑度正面和反面平均不小于20s,正反差不大于40%。4.2
4.3纸张纤维组织应均勾,同批纸色调不许有明显差别。勾度、色调均应符合订货合同规定的标样。纸的切边应整齐、洁净。
4.4纸面应平整,不许有砂子、硬质块、褶子、皱纹、裂口、洞眼及明显毛布痕等影响使用的外观纸病。4.5纸张在印刷时,不许有明显的掉毛、掉粉现象。卷简端面应平整,每断头不超过4个,断头要接牢,断头处须放置明显标志。4.6
有下列情况者为二等品,但不得同时超过二项。a
定量超过规定的士2%以内者;
裂断长低于规定20%以内者,
尘埃度超过规定20%以内者;
施胶度低于规定0.25mm以内者;白度低于规定3%(绝对值)以内者。5试验方法
定量按GB/T451.2进行测定。
5.2裂断长按GB/T453进行测定。5.3平滑度按GB/T456进行测定。5.4耐折度按GB/T457进行测定。5.5施胶度按GB/T460进行测定。256
5.6水分按GB/T462进行测定。
5.7尘埃度按GB/T1541进行测定。5.8白度按GB/T8940.1进行测定。6检验规则
6.1以--次交货为-~批,但不多于30t。QB/T1454—1992
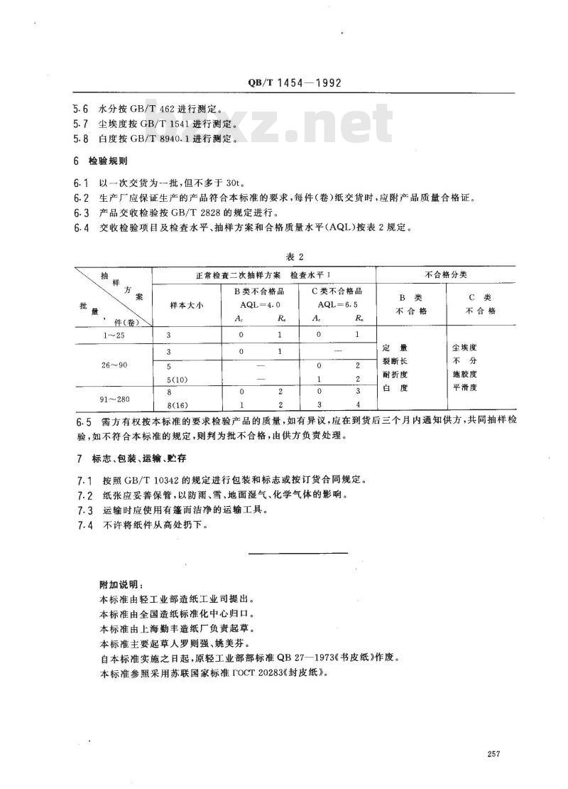
6.2生产厂应保证生产的产品符合本标准的要求,每件(卷)纸交货时,应附产品质量合格证。6.3产品交收检验按GB/T2828的规定进行。6.4交收检验项目及检查水平、抽样方案和合格质量水平(AQL)按表2规定。表2
件(卷)
1~25
26~90
91~280
正常检查二次抽样方案检查水平 1B类不合格品
样本大小
C类不合格品
不合格分类
不合格
毅断长
耐折度
不合格
尘埃度
施胶度
平滑度
6.5需方有权按本标准的要求检验产品的质量,如有异议,应在到货后三个月内通知供方,共同抽样检验,如不符合本标准的规定,则判为批不合格,由供方负责处理。7标志、包装、运输、贮存
7.1按照GB/T10342的规定进行包装和标志或按订货合同规定。7.2纸张应妥善保管,以防雨、雪、地面湿气、化学气体的影响。7.3运输时应使用有篷而洁净的运输工具。7.4不许将纸件从高处扔下。
附加说明:
本标准由轻工业部造纸工业司提出。本标准由全国造纸标准化中心归口。本标准由上海勤丰造纸厂负责起草。本标准主要起草人罗则强、姚美芬。自本标准实施之日起,原轻工业部部标准QB27—1973《书皮纸》作废。本标准参照采用苏联国家标准TOCT20283《封皮纸》。257
小提示:此标准内容仅展示完整标准里的部分截取内容,若需要完整标准请到上方自行免费下载完整标准文档。
书皮纸
主题内容与适用范围
QB/T 1454—1992
本标准规定了书皮纸的产品分类、技术要求、试验方法、检验规则和标志、包装、运输、贮存。本标准适用于作书籍、杂志、簿册等封面用纸。2引用标准
GB/T450纸和纸板试样的采取
GB/T 451.1
纸和纸板尺寸及偏斜度的测定法纸和纸板定量的测定法
GB/T 451.2
GB/T 453
GB/T 456
GB/T 457
GB/T460www.bzxz.net
GB/T 462
GB/T 1541
纸和纸板抗张强度的测定法(恒速加荷法)纸和纸板平滑度的测定法(别克法)纸耐折度的测定法
纸和纸板施胶度的测定法(墨水划线法)纸和纸板水分的测定法
纸和纸板尘埃度的测定法
GB/T 2828
逐批检查计数抽样程序及抽样表(适用于连续批的检查)GB/T 8940. 1
纸和纸板白度测定法45/0定向反射法纸张的包装和标志
GB/T 10342
GB/T10739纸浆、纸和纸板试样处理和试验的标准大气3产品分类
3.1书皮纸分为A、B、C三等。
3.2书皮纸为平板纸,按合同规定可以生产卷简纸。3.2.1平板纸尺寸为880mm×1230mm,787mm×1092mm,或按合同规定,尺寸误差不许超过±3mm,偏斜度不许超过3mm。
3.2.2卷简宽度按定货合同规定,卷简宽度误差不超过士3mm。3.3根据订货合同规定可以生产各种颜色和压纹的书皮纸,颜色纸不考核白度,压纹纸不考核平滑度。3.4根据订货合同规定可以生产其他定量的书皮纸,强度指标小于80g/m2按80g/m2标准考核,大于80g/m2按100g/m2标准考核。
4技术要求
4.1书皮纸的技术指标必须符合表1规定。中华人民共和国轻工业部1992-04-14批准1992-12-01实施
施胶度
指标名称
裂断长(纵横平均)
80g/m2
100、120g/m2
耐折度(横向)
80g/m2
100.120g/m2
平滑度(正面)普压
正反差
尘埃度
0.2~~1.5mm2
其中0.5~1.0mm2黑色尘埃
大于1.0mm2黑色尘埃
1. 5~2. 0mm2尘埃
大于2.0mm2尘埃
交货水分
QB/T1454--1992
不低于
不小于
不低于
不低于
不小于
不大于
不多于
个/m2
不许有
不许有
不许有
不许有
不许有
不许有
不许有
不许有
圆网机生产的C等书皮纸,平滑度正面和反面平均不小于20s,正反差不大于40%。4.2
4.3纸张纤维组织应均勾,同批纸色调不许有明显差别。勾度、色调均应符合订货合同规定的标样。纸的切边应整齐、洁净。
4.4纸面应平整,不许有砂子、硬质块、褶子、皱纹、裂口、洞眼及明显毛布痕等影响使用的外观纸病。4.5纸张在印刷时,不许有明显的掉毛、掉粉现象。卷简端面应平整,每断头不超过4个,断头要接牢,断头处须放置明显标志。4.6
有下列情况者为二等品,但不得同时超过二项。a
定量超过规定的士2%以内者;
裂断长低于规定20%以内者,
尘埃度超过规定20%以内者;
施胶度低于规定0.25mm以内者;白度低于规定3%(绝对值)以内者。5试验方法
定量按GB/T451.2进行测定。
5.2裂断长按GB/T453进行测定。5.3平滑度按GB/T456进行测定。5.4耐折度按GB/T457进行测定。5.5施胶度按GB/T460进行测定。256
5.6水分按GB/T462进行测定。
5.7尘埃度按GB/T1541进行测定。5.8白度按GB/T8940.1进行测定。6检验规则
6.1以--次交货为-~批,但不多于30t。QB/T1454—1992
6.2生产厂应保证生产的产品符合本标准的要求,每件(卷)纸交货时,应附产品质量合格证。6.3产品交收检验按GB/T2828的规定进行。6.4交收检验项目及检查水平、抽样方案和合格质量水平(AQL)按表2规定。表2
件(卷)
1~25
26~90
91~280
正常检查二次抽样方案检查水平 1B类不合格品
样本大小
C类不合格品
不合格分类
不合格
毅断长
耐折度
不合格
尘埃度
施胶度
平滑度
6.5需方有权按本标准的要求检验产品的质量,如有异议,应在到货后三个月内通知供方,共同抽样检验,如不符合本标准的规定,则判为批不合格,由供方负责处理。7标志、包装、运输、贮存
7.1按照GB/T10342的规定进行包装和标志或按订货合同规定。7.2纸张应妥善保管,以防雨、雪、地面湿气、化学气体的影响。7.3运输时应使用有篷而洁净的运输工具。7.4不许将纸件从高处扔下。
附加说明:
本标准由轻工业部造纸工业司提出。本标准由全国造纸标准化中心归口。本标准由上海勤丰造纸厂负责起草。本标准主要起草人罗则强、姚美芬。自本标准实施之日起,原轻工业部部标准QB27—1973《书皮纸》作废。本标准参照采用苏联国家标准TOCT20283《封皮纸》。257
小提示:此标准内容仅展示完整标准里的部分截取内容,若需要完整标准请到上方自行免费下载完整标准文档。
标准图片预览:



- 其它标准
- 上一篇: QB/T 1452-1992 火柴刷磷、包封、套箱机
- 下一篇: QB/T 1455-1992 邮票纸
- 热门标准
- 轻工行业标准(QB)
- QB∕T2919-2018 箱包 拉杆耐疲劳试验方法
- QB/T1949-2004 扬琴
- QB6005-1992 麦芽厂设计规范
- QB/T3737.1-1999 民用、建筑灯具玻璃罩口径尺寸
- QB/T2059-1994 照相放大灯泡
- QB/T1639-1992 陶瓷模用石膏粉
- QB/T1857-1993 雪花膏
- QB/T2174-2006 不锈钢厨具
- QB1920-1993 磁性卡片门锁技术条件
- QB/T4969-2016 表面活性剂原材料和按配方制造产品中阳离子表面活性剂含量的测定电位滴定法
- QB/T3653-1999 羽毛球拍
- QB/T1616-1992 运动手套
- QB/T5302-2018 生活用干纸巾流延聚乙烯(CPE) 包装膜
- QB/T3876-1999 抽芯型合页
- QB/T4214-2011 棒糖扭结包装机
- 行业新闻
请牢记:“bzxz.net”即是“标准下载”四个汉字汉语拼音首字母与国际顶级域名“.net”的组合。 ©2025 标准下载网 www.bzxz.net 本站邮件:bzxznet@163.com
网站备案号:湘ICP备2025141790号-2
网站备案号:湘ICP备2025141790号-2