- 您的位置:
- 标准下载网 >>
- 标准分类 >>
- 有色金属行业标准(YS) >>
- YS/T 1001-2014 钛及钛合金薄板超声波检测方法
标准号:
YS/T 1001-2014
标准名称:
钛及钛合金薄板超声波检测方法
标准类别:
有色金属行业标准(YS)
标准状态:
现行出版语种:
简体中文下载格式:
.rar .pdf下载大小:
部分标准内容:
ICS 77.120.50
中华人民共和国有色金属行业标准YS/T1001—2014
钛及钛合金薄板超声波检测方法Method of ultrasonic inspection for sheet titanium and titanium alloy2014-10-14发布
中华人民共和国工业和信息化部2015-04-01实施
中华人民共和国有色会属
行业标准
钛及钛合金薄板超声波检测方法YS/T 1001—2014
中国标准出版社出版发行
北京市朝阳区和平里西街甲2号(100029)北京市西城区三里河北街16号(100015)网址spc.net.cn
总编室:(010)64275323
发行中心:(010)51780235
读者服务部:(010)68523946
中国标准出版社秦皇岛印刷厂印刷各地新华书店经销
开本880×12301/16
2015年2月第一版
字数 18 丁学
2015 年 2 月第一次印刷
+号:55066228276
由本社发行中心调换
如有印装差错
侵权必究
版权专有
举报电话:(010)68510107
本标推按照GB/T1.1—2009给出的规则起草本标准由全国有色金属标推化技术委员会(SAC/TC243)归口。YS/T 1001—2014
本标准起草单位:宝钛集团有限公司、西部金属材料股份有限公司、宝钢特钢有限公司、宝鸡钛业股份有限公司。
本标准主要起草人:马小怀、郭永清、冯军宁、辛大宁,码忠贤、胡志杰、张延生、李献军、杨军红、张捷频。
1范围
钛及钛合金薄板超声波检测方法YS/T1001—2014
本标准规定了钛及钛合金薄板的超声波检测方法,内容包括疗法原理、一般要求、检测设备、对比试块、检测模式的选择、检测、评定和检测记录及报告。本标准适用于采用兰姆波法对厚度为 0.3 mm~6 mm 的钛及钛合金薄板的超声波检测。2规范性引用文件
下列文件对于本文件的应用是必不可少的。凡是注日期的引用文件,仅注山期的版本适用于本文件。凡是不注日期的引用文件,其最新版本(包括所有的修改单)适用于本文件。JB/T10061A型脉冲反射式超声波检测仪通用技术条件3方法原理
兰姆波是在其有两个平行表面的结构中由横波和纵波相五耦合而成,并在整个厚度内传播的一种应力波。主要用于探测钛及钛合金薄板内部分层、裂纹等缺陷及其他暴露或未暴露到表面的组织上的不连续性。
4一般要求
4.1从事钛及钛介金薄板超声波检验的操作人员应达到部级或与此相当的学会级」级放以上无检测人员资格水平,签发及解释检验报告人员应达到部级或与此相当的学会级Ⅱ级及以无损检测人员资格水平。
4.2超声波检验应在钛及钛合金薄板成品状态下进行。被检板材四周剪切面应整齐一致,表面平直,不应有油污、液滴、麻坑、腐蚀等影响检测结果的情况。5检测设备
5.1检测仪
兰姆波检验所用的仪器应具有足够高的发射功率和较宽的发射脉冲宽疫。对于A型脉冲反射式超声波检测仪,还应满足JB/110061的要求,5.2探头
5.2.1采用可变角探头或固定角度探头,品片尺寸20mm×30mm或30mm×40mm,也可采用品片面积不小于600mm的其他兰姆波探头。探头频率应在1.25MHz~5MHz范围内,工作频率与其标称频率的差值应不超过标称频率的士10%。5.2.2探头前沿言区应较小,板材端面检验言区-股不大于50mm1
YS/T 1001—2014
3耦合剂
可采用清洁的白来水作耦合剂,也可采用机油等作耦合剂。6对比试块
6.1对比试块应选择与被检板材声特性相同或相近且标称厚度相同的板材制作。6.2对比试块应在被检板材的非边角部位截取,其长边方向应乘直于板材轧制方向。6.3对比试快厚度应均勾,其厚度差(各测量点厚度与板材平均厚度之差)应不大于板材标称厚度的±2%。
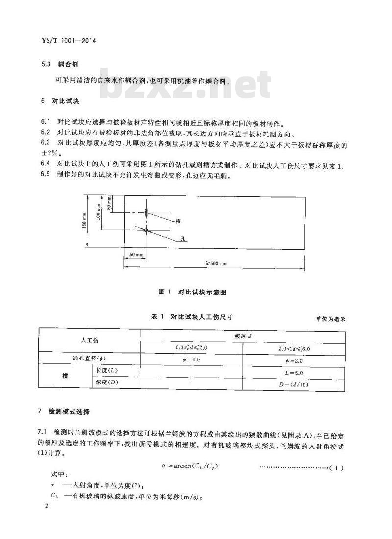
6.4对比试块[的人「伤可采用图1所示的钻孔或刻槽方式制作。对比试块人工伤尺寸要求见表1。6.5制作好的对比试映不充许发生弯曲或变形,孔边应无毛刺。5
LTLELOOT
人工伤
通孔直径()
长度(L)
深度(D)
检测模式选择
2500mm
图1对比试块示意图
表1对比试块人工伤尺寸
D=(d/10)
单位为毫米
7.1检测时兰姆波模式的选择方法可根据兰姆波的方程或由其绘出的赖散曲线(见附录A),在已给定的板厚放选定的工作频率下,找山所需模式的相速度。对有机玻璃楔块式探头,兰姆波的入射角按式(1)计算。
一入射角度,单位为度(\);
α=aresin(C./,)
C.一有机玻璃的纵波度,单位为米每秒(m/s);2
YS/T1001-2014
C——所激发兰姒波模式的相速度,单位为米每秒(m/s)。7.2选择的兰姆波模式,应保证供需双方检测灵敏度的-致性,并保证各种缺陷不漏检,必要时可采用两种或更多的兰姆波模式进行检测。7.3为减少出频散引起的信号显示上的混杂现象,在选择兰姆波模式和频率时,应使群速度对频率和厚度乘积的变化率尽可能小。
8检测
8.1灵敏度调整
8.1.1将选定的探头放在对比试块上对准人工缺陷,移动探头至人.1伤反射波后沿与对比试块端面反射波前沿刚好相交或尚未相交,操净对比试块上探头至人工伤间的耦合剂,调整器灵敏度,使人工伤反射波高在达到荧光屏满刻度80必条件下,检测仪应具有一定的灵敏度余量,并以该条件下检测仪的灵敏度作为检测基准灵敏度。
8.1.2在满足由被检板材引起的噪声信号不大于荧光屏满刻度10%条件的前提下,尽量提高检测扫仓灵敏度,并以此作为检测扫查灵敏度。8.2扫查行距确定
8.2.1将选定的探头放在对比试快上对准人工缺陷,调整检测仪达到检测仪扫查灵敏度,然后将探头向人工伤移近,以人工伤反射波前沿与始波后沿刚好相交时探头至人工伤的距离作为探头前沿盲区。8.2.2以满足8.1.1和8.1.2要求时探头前沿至人工伤的距离作为最大扫查行距。8.2.3按8.2.2所确定的最大扫查行距逊行检验时,板材边沿检验言区应不大于50mm。8.2.4以最大扫查行距减去探头前沿检验盲区距离作为行扫套的有效检验范围。8.2.5应根据板材受检方间的尺小和选用探头的最大扫查行距合理地确定扫查行距。8.3被检板材扫查
8.3.1在任一板面按8.1、8.2所确定的扫查灵敏度和扫查行距使兰姆波沿垂直于板材轧制方间对板材进行扫。
8.3.2每行查过程中,由探头前沿百区造成的未检区域应在下一行扫套中予以覆盖。8.3.3扫查过程中,检测人员应时刻观察检测仪炭光屏的信号显示,保证扫查速度不大于100mm/s。8.3.4整张板材扫查完成后,应调转探头,使声束人射方向改变180,并按8.3.1~8.3.3要求对板材再扫食-遍。
9评定
9.1对于检测仪荧光屏上始波之后或始波与板材端面回波之间出现的明显高于杂波的回波信号,在排除不属于油污等引起的于扰间波后,可视为不连续性(包括缺陷)指示信号。9.2若端面反射幅度发生明显下降或位置前移或后移时,在排除合不良、声束不垂直于板材端面或扫查距离有变化等原因后,应考虑板材中存在缺陷的可能性。9.3对丁出现回波信号的部位,应移动探头使声束从不尚方向入射,以进一步确定缺陷存在的可能性及缺陷向波的最大幅值。
9.4可用液滴法在声束传播方间的板1按压或试块比较法确定不连续性的位置。3
YS/T 1001—2014免费标准bzxz.net
检测记录和报告
检测记录
-般应包括以下主要内容:
a)板材牌号、规格、数量及炉批号;b)检测仪型及编号;
探头频率、入射角度及编号:
兰姆波检测选用的模式;
对比试块类型;
f)检测基准灵敏度和扫查灵敏度;g)扫行距及扫查方向;
检验结果、不连续性(包括缺陷)位置范围标识(必要时应绘图加以说明)、检验人员及检验日期。
10.2检验报告
检验报告成包括检测记录中的适当内容及签发报告人签字。检验报告中应明确给出所检验板材是否满是“验收/哲收\要求检验结果至少应说明不连续性(包括缺陷)的指示数量、位置、大小和回波幅度.并应报告不连10.2.3
续性(包括缺陷)回波的测量方法和探测方向。4
附录A
(资料性附录)
典型钛材料的相速度曲线和群速度曲缓TA2材料相速度和群速度曲线如图A.1所示。12000
YS/1 100 i-—2014
材料:TA2
r=6 240 m/x C,=3 150 m/s
频率×厚度/(MIz*mm)
a)相速度曲线
频率×厚度/(MII2-mmm)
bh)群速度曲线
材料:1A2
(=6240m/s(s=3150m/s
图 A.1TA2 材料相速度和群速度曲线12
YS/T1001—2014
TA7材料相速度和群速度曲线如图A.2所示。12000
(s/)/)(
频率×厚度/(MHzmm)
相速度曲线
率×原度/(M.-mm)
b)群速度曲线
材料:TA7
(;=6 640 m/s (,=3370 m/s
材料:TA7
Cj=6 640 m/s (,=3 370 m/s
图A.2TA7材料相速度和群速度曲线10
TC2材料相速度和群速度曲线如图A.3所示,12000
频率×厚度/ (ME[*mm)
a)相速度曲线
数本×厚度/ (>M1Hz -mm)
b)群速度曲线
材料:TC2
YS/T 1001—2014
(j-65[0m/s(=3280m/s
材料:TC2
Cj=6 510 m/s C=3280 m/s
图A.3TC2材料相速度和群速度曲线10
YS/T 1001—2014
TC4材料相速度和群速度曲线如图A,4所示。12000
频本×厚度/(MiIz * mrm)
相速避曲线
材料:TC4
:=6520m/s(=3150m/s
材料:TC4
(i=6520 m/s (:=3150 m/s
频率×原度/(MHz.mm)
b)群速度曲线
图A.4TC4材料相速度和群速度曲线YS/T\1001-2014
打印日期:201:年3H26HF009A
版权专有侵权必究
书号:155066-2-28276
定价:
小提示:此标准内容仅展示完整标准里的部分截取内容,若需要完整标准请到上方自行免费下载完整标准文档。
中华人民共和国有色金属行业标准YS/T1001—2014
钛及钛合金薄板超声波检测方法Method of ultrasonic inspection for sheet titanium and titanium alloy2014-10-14发布
中华人民共和国工业和信息化部2015-04-01实施
中华人民共和国有色会属
行业标准
钛及钛合金薄板超声波检测方法YS/T 1001—2014
中国标准出版社出版发行
北京市朝阳区和平里西街甲2号(100029)北京市西城区三里河北街16号(100015)网址spc.net.cn
总编室:(010)64275323
发行中心:(010)51780235
读者服务部:(010)68523946
中国标准出版社秦皇岛印刷厂印刷各地新华书店经销
开本880×12301/16
2015年2月第一版
字数 18 丁学
2015 年 2 月第一次印刷
+号:55066228276
由本社发行中心调换
如有印装差错
侵权必究
版权专有
举报电话:(010)68510107
本标推按照GB/T1.1—2009给出的规则起草本标准由全国有色金属标推化技术委员会(SAC/TC243)归口。YS/T 1001—2014
本标准起草单位:宝钛集团有限公司、西部金属材料股份有限公司、宝钢特钢有限公司、宝鸡钛业股份有限公司。
本标准主要起草人:马小怀、郭永清、冯军宁、辛大宁,码忠贤、胡志杰、张延生、李献军、杨军红、张捷频。
1范围
钛及钛合金薄板超声波检测方法YS/T1001—2014
本标准规定了钛及钛合金薄板的超声波检测方法,内容包括疗法原理、一般要求、检测设备、对比试块、检测模式的选择、检测、评定和检测记录及报告。本标准适用于采用兰姆波法对厚度为 0.3 mm~6 mm 的钛及钛合金薄板的超声波检测。2规范性引用文件
下列文件对于本文件的应用是必不可少的。凡是注日期的引用文件,仅注山期的版本适用于本文件。凡是不注日期的引用文件,其最新版本(包括所有的修改单)适用于本文件。JB/T10061A型脉冲反射式超声波检测仪通用技术条件3方法原理
兰姆波是在其有两个平行表面的结构中由横波和纵波相五耦合而成,并在整个厚度内传播的一种应力波。主要用于探测钛及钛合金薄板内部分层、裂纹等缺陷及其他暴露或未暴露到表面的组织上的不连续性。
4一般要求
4.1从事钛及钛介金薄板超声波检验的操作人员应达到部级或与此相当的学会级」级放以上无检测人员资格水平,签发及解释检验报告人员应达到部级或与此相当的学会级Ⅱ级及以无损检测人员资格水平。
4.2超声波检验应在钛及钛合金薄板成品状态下进行。被检板材四周剪切面应整齐一致,表面平直,不应有油污、液滴、麻坑、腐蚀等影响检测结果的情况。5检测设备
5.1检测仪
兰姆波检验所用的仪器应具有足够高的发射功率和较宽的发射脉冲宽疫。对于A型脉冲反射式超声波检测仪,还应满足JB/110061的要求,5.2探头
5.2.1采用可变角探头或固定角度探头,品片尺寸20mm×30mm或30mm×40mm,也可采用品片面积不小于600mm的其他兰姆波探头。探头频率应在1.25MHz~5MHz范围内,工作频率与其标称频率的差值应不超过标称频率的士10%。5.2.2探头前沿言区应较小,板材端面检验言区-股不大于50mm1
YS/T 1001—2014
3耦合剂
可采用清洁的白来水作耦合剂,也可采用机油等作耦合剂。6对比试块
6.1对比试块应选择与被检板材声特性相同或相近且标称厚度相同的板材制作。6.2对比试块应在被检板材的非边角部位截取,其长边方向应乘直于板材轧制方向。6.3对比试快厚度应均勾,其厚度差(各测量点厚度与板材平均厚度之差)应不大于板材标称厚度的±2%。
6.4对比试块[的人「伤可采用图1所示的钻孔或刻槽方式制作。对比试块人工伤尺寸要求见表1。6.5制作好的对比试映不充许发生弯曲或变形,孔边应无毛刺。5
LTLELOOT
人工伤
通孔直径()
长度(L)
深度(D)
检测模式选择
2500mm
图1对比试块示意图
表1对比试块人工伤尺寸
D=(d/10)
单位为毫米
7.1检测时兰姆波模式的选择方法可根据兰姆波的方程或由其绘出的赖散曲线(见附录A),在已给定的板厚放选定的工作频率下,找山所需模式的相速度。对有机玻璃楔块式探头,兰姆波的入射角按式(1)计算。
一入射角度,单位为度(\);
α=aresin(C./,)
C.一有机玻璃的纵波度,单位为米每秒(m/s);2
YS/T1001-2014
C——所激发兰姒波模式的相速度,单位为米每秒(m/s)。7.2选择的兰姆波模式,应保证供需双方检测灵敏度的-致性,并保证各种缺陷不漏检,必要时可采用两种或更多的兰姆波模式进行检测。7.3为减少出频散引起的信号显示上的混杂现象,在选择兰姆波模式和频率时,应使群速度对频率和厚度乘积的变化率尽可能小。
8检测
8.1灵敏度调整
8.1.1将选定的探头放在对比试块上对准人工缺陷,移动探头至人.1伤反射波后沿与对比试块端面反射波前沿刚好相交或尚未相交,操净对比试块上探头至人工伤间的耦合剂,调整器灵敏度,使人工伤反射波高在达到荧光屏满刻度80必条件下,检测仪应具有一定的灵敏度余量,并以该条件下检测仪的灵敏度作为检测基准灵敏度。
8.1.2在满足由被检板材引起的噪声信号不大于荧光屏满刻度10%条件的前提下,尽量提高检测扫仓灵敏度,并以此作为检测扫查灵敏度。8.2扫查行距确定
8.2.1将选定的探头放在对比试快上对准人工缺陷,调整检测仪达到检测仪扫查灵敏度,然后将探头向人工伤移近,以人工伤反射波前沿与始波后沿刚好相交时探头至人工伤的距离作为探头前沿盲区。8.2.2以满足8.1.1和8.1.2要求时探头前沿至人工伤的距离作为最大扫查行距。8.2.3按8.2.2所确定的最大扫查行距逊行检验时,板材边沿检验言区应不大于50mm。8.2.4以最大扫查行距减去探头前沿检验盲区距离作为行扫套的有效检验范围。8.2.5应根据板材受检方间的尺小和选用探头的最大扫查行距合理地确定扫查行距。8.3被检板材扫查
8.3.1在任一板面按8.1、8.2所确定的扫查灵敏度和扫查行距使兰姆波沿垂直于板材轧制方间对板材进行扫。
8.3.2每行查过程中,由探头前沿百区造成的未检区域应在下一行扫套中予以覆盖。8.3.3扫查过程中,检测人员应时刻观察检测仪炭光屏的信号显示,保证扫查速度不大于100mm/s。8.3.4整张板材扫查完成后,应调转探头,使声束人射方向改变180,并按8.3.1~8.3.3要求对板材再扫食-遍。
9评定
9.1对于检测仪荧光屏上始波之后或始波与板材端面回波之间出现的明显高于杂波的回波信号,在排除不属于油污等引起的于扰间波后,可视为不连续性(包括缺陷)指示信号。9.2若端面反射幅度发生明显下降或位置前移或后移时,在排除合不良、声束不垂直于板材端面或扫查距离有变化等原因后,应考虑板材中存在缺陷的可能性。9.3对丁出现回波信号的部位,应移动探头使声束从不尚方向入射,以进一步确定缺陷存在的可能性及缺陷向波的最大幅值。
9.4可用液滴法在声束传播方间的板1按压或试块比较法确定不连续性的位置。3
YS/T 1001—2014免费标准bzxz.net
检测记录和报告
检测记录
-般应包括以下主要内容:
a)板材牌号、规格、数量及炉批号;b)检测仪型及编号;
探头频率、入射角度及编号:
兰姆波检测选用的模式;
对比试块类型;
f)检测基准灵敏度和扫查灵敏度;g)扫行距及扫查方向;
检验结果、不连续性(包括缺陷)位置范围标识(必要时应绘图加以说明)、检验人员及检验日期。
10.2检验报告
检验报告成包括检测记录中的适当内容及签发报告人签字。检验报告中应明确给出所检验板材是否满是“验收/哲收\要求检验结果至少应说明不连续性(包括缺陷)的指示数量、位置、大小和回波幅度.并应报告不连10.2.3
续性(包括缺陷)回波的测量方法和探测方向。4
附录A
(资料性附录)
典型钛材料的相速度曲线和群速度曲缓TA2材料相速度和群速度曲线如图A.1所示。12000
YS/1 100 i-—2014
材料:TA2
r=6 240 m/x C,=3 150 m/s
频率×厚度/(MIz*mm)
a)相速度曲线
频率×厚度/(MII2-mmm)
bh)群速度曲线
材料:1A2
(=6240m/s(s=3150m/s
图 A.1TA2 材料相速度和群速度曲线12
YS/T1001—2014
TA7材料相速度和群速度曲线如图A.2所示。12000
(s/)/)(
频率×厚度/(MHzmm)
相速度曲线
率×原度/(M.-mm)
b)群速度曲线
材料:TA7
(;=6 640 m/s (,=3370 m/s
材料:TA7
Cj=6 640 m/s (,=3 370 m/s
图A.2TA7材料相速度和群速度曲线10
TC2材料相速度和群速度曲线如图A.3所示,12000
频率×厚度/ (ME[*mm)
a)相速度曲线
数本×厚度/ (>M1Hz -mm)
b)群速度曲线
材料:TC2
YS/T 1001—2014
(j-65[0m/s(=3280m/s
材料:TC2
Cj=6 510 m/s C=3280 m/s
图A.3TC2材料相速度和群速度曲线10
YS/T 1001—2014
TC4材料相速度和群速度曲线如图A,4所示。12000
频本×厚度/(MiIz * mrm)
相速避曲线
材料:TC4
:=6520m/s(=3150m/s
材料:TC4
(i=6520 m/s (:=3150 m/s
频率×原度/(MHz.mm)
b)群速度曲线
图A.4TC4材料相速度和群速度曲线YS/T\1001-2014
打印日期:201:年3H26HF009A
版权专有侵权必究
书号:155066-2-28276
定价:
小提示:此标准内容仅展示完整标准里的部分截取内容,若需要完整标准请到上方自行免费下载完整标准文档。
标准图片预览:





- 其它标准
- 热门标准
- 行业标准
- YS/T833-2012 铼酸铵化学分析方法 铼酸铵中铍、镁、铝、钾、钙、钛、铬、锰、铁、钴、铜、锌和钼量的测定 电感耦合等离子体原子发射光谱法
- YS/T509.1-2008 锂辉石、锂云母精矿化学分析方法氧化锂、氧化钠、氧化钾量的测定火焰原子吸收光谱法
- YS/T539.4-2006 镍基合金粉化学分析方法过硫酸铵氧化的滴定法测定铬量
- YS/T26-1992 硅片边缘轮郭检验方法
- YS/T667.2-2009 化学品氧化铝化学分析方法 第2部分 填料用氢氧化铝及拟薄水铝石中砷、汞、铅含量的测定 氢化物发生-电感耦合等离子体发射光谱法
- YS/T555.9-2006 钼精矿化学分析方法 铋量的测定
- YS/T543-2006 半导体键合铝-1%硅细丝
- YS/T555.12-2006 钼精矿化学分析方法 油和水分总含量的测定
- YS/T72-2005 镉锭
- YS/T41-2005 铍片
- YS/T616-2006 陶瓷过滤机
- YS/T240.3-1994 铋精矿化学分析方法 钼蓝光度法测定二氧化硅
- YS/T630-2007 氧化铝化学分析方法 氧化铝杂质含量的测定 电感耦合等离子体原子发射光谱法
- YS/T641-2007 半导体器件键合用铝丝
- YS/T416-1999 氢气净化用钯合金管材
- 行业新闻
请牢记:“bzxz.net”即是“标准下载”四个汉字汉语拼音首字母与国际顶级域名“.net”的组合。 ©2025 标准下载网 www.bzxz.net 本站邮件:bzxznet@163.com
网站备案号:湘ICP备2025141790号-2
网站备案号:湘ICP备2025141790号-2