- 您的位置:
- 标准下载网 >>
- 标准分类 >>
- 电子行业标准(SJ) >>
- SJ 51520.2-1998 CA410型模压固体电解质钽电容器详细规范
标准号:
SJ 51520.2-1998
标准名称:
CA410型模压固体电解质钽电容器详细规范
标准类别:
电子行业标准(SJ)
标准状态:
现行出版语种:
简体中文下载格式:
.rar .pdf下载大小:
174.93 KB
部分标准内容:
中华人民共和国电子行业军用标准FL5910
SJ51520/2—1998
CA410型模压固体电解质
钼电容器详细规范
Capgcitors, fixed. electrobytic (solid electrolyte).tantalum, polar, molded, ronhermetically sealed,type CA410, detail specification for1998-03-11发布
1998 - 05 - 01 实施
中华人民共和国电子工业部批准中华人民共和国电子行业军用标准CA410型模压固体电解质银电容器详细规范
Capacitors, fixed. ekectrolytic (sotid electrodyte)tantalum, polar, moded, nonhermetically seaked,type CA410, detail specification forSI51520/2—1998
本规范规定的电容器,其全要求史本规范和总规范GJB1520-92《非气密封型固体电解质钮电容器总规范》作出规定。1范围
1.1主题内容
本规范规定了CA4IO型模压固体电解质钽电容器的工作温度范围、外形尺寸、额定电压、标称电容量及其允许偏差,以及对总规范G报1520的补充规定。1.2适用范
本规范适用于CA410型模压封装、非气密封、极性烧结阳极固体电解质钼电容器。2引用文件
GJB1520一92非气密封固体电解质电容器总规范3要求bzxz.net
3.1设计和结构
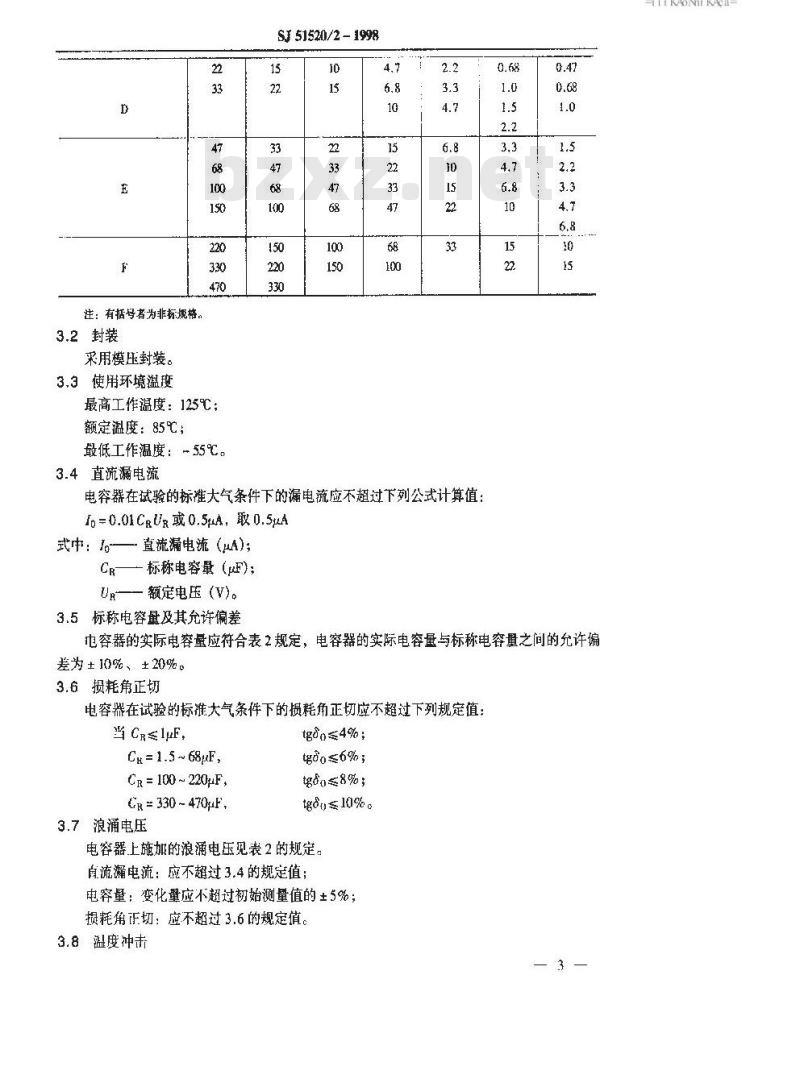
3.1.1电容器的结构、外形尺寸和最大重量应符合图1和表1的规定:3.1.2、电容器的额定电压、标称电容量、降额电压、浪涌电压见表2规定。中华人民共和国电子工业部1998-03-11发布1998-05-01实施
TYKAONKAca-
外壳代号
SJ51520/2-1998
外形尺业
标称电容量、降额电压、浪涌电压表电容器的额定电压,
额定电压
降额电压
浪涌电压
尺寸代号
最大重量
注:有括号者为非标规格。
3.2封装
采用模压封装。
3.3使用环境温度
最高工作温度:125℃;
额定温度:85℃;
最低工作温度:55%℃
3.4直流漏电流
SJ 51520/2 - 1998
电容器在试验的标准大气条件下的漏电流应不超过下列公式计算值:fg=0.01CgUg或0.5μA,取0.5uA式中:Io—直流漏电流(μA);
CR标称电容量(pF);
Un—额定电压(V)。
3.5标称电容量及其充许偏差
电容器的实际电容量应符合表2规定,电容器的实际电容量与标称电容量之间的允许偏差为±10%、±20%。
3.6损耗角正切
电容器在试验的标谁大气条件下的损耗角正切应不超过下列规定值:当CRμF,
Ch = 1.5 ~ 68μF,
GR = 100 ~ 220μF,
Gx = 330 - 470μF.
3.7浪涌电压
tgoom4%;
tg80s6%
tgo8%;
tgous10%。
电容器上施加的浪涌电压见表2的规定,自流漏电流:应不超过3.4的规定值;电穿量:变化量应不超过初始测量值的±5%;损耗角正切:应不超过3.6的规定值。3.8温度冲击
TTKAONKAa-
SJ 51520/2. - 1998
直流漏电流:应不超过3.4条的规定值;电容量:变化量应不超过初始测量值的士10%;损耗角正切:应不超过3.6的规定值。3.9耐凝
直流漏电流:应不超过3.4的规定值;电容量:变化量应不超过初始测量值的±10%;耗角正切:应不超过3.6的规定值。3.10高、低温稳定性
第1步(25℃):
直流漏电流:应不超过3.4的规定值:电容量:在标称电容量的允许偏差范围内:损耗角正切:应不超过3.6的规定值。第2步(-55℃):
电容量:变化量应不超过第1步测量值的±10%:损耗角正切:应不超过3,6的规定值的1.2倍第3步(25):
直流漏电流:应不超过3.4的规定值;电容量:变化量应不超过第1步测值的±5%;损耗角正切:应不超过3.6的规定值。第4步(85℃):
直流满电流:应不超过3.4的规定值的10倍:电容量:变化量应不超过第1步测最±10%;损耗角正切:应不超过3.6规定值。第5步(125℃)(施加降额电压):漏电压;应不超过3.4规定值的12.5倍;电容量:变化量应不超过第1步测量值的±12%;损耗角正切:应不超过3.6的规定值。第6步(25℃):
漏电流:应不超过3.4的规定值;电容量:变化量应不超过第1步测量值±5%;损耗角正切:应不超过3.6的规定值。3.11耐溶剂
满电流:应不超过3.4的规定值;电容量:变化量不超过初始测量值的±2%;损耗角正切:应不超过3.6的规定值。3.12寿命(鉴定检验)
3.12.185℃寿命1000h
在25℃ 下:
直流漏电流,应不超过3.4的规定值的2倍;4
SJ 51520/2 1998
电容量:变化量应不超过试验前测量值的±10%:损耗角正切:应不超过3.6的规定值。3.12.2125°℃1000h(施加降额电压)抽样数:24支;
允许失效数:「支。
在25℃下:
漏电流:应不超过3.4的规定值的2倍;电容量:变化量不超过初始测量值的±10%;损耗角正切:应不超过3.6的规定值。试验方法:除试验溢度与误差按125t*℃外,其余按GJB1520中第4.7.15条规定。3.13寿命(C组检验)1000h
3.13.185℃寿命
在25下:
漏电流:应不超过3.4规定值的2倍;电容量:变化量应不超过初始测量值的+10%;损耗角正切:应不超过3.6的规定值。3.13.2125℃寿命
抽样数:24支:
允许失效数:1支。
在25℃ 下:
漏电流:应不超过3.4规定值的2.5倍:电容量:变化量应不超过初始测量值的±20%;损耗角正切:应不超过3.6的规定值。试验方法:同3.12.2规定,试验温度为125+4℃。附加说明:
本规范由中国电子技术标准化研究所归口。本规范由国营第四三二六」起草。本规范主要起草人:袁其兴,方鸣,李黎。计划项目代号:B52018。
TTTKAON KAca
小提示:此标准内容仅展示完整标准里的部分截取内容,若需要完整标准请到上方自行免费下载完整标准文档。
SJ51520/2—1998
CA410型模压固体电解质
钼电容器详细规范
Capgcitors, fixed. electrobytic (solid electrolyte).tantalum, polar, molded, ronhermetically sealed,type CA410, detail specification for1998-03-11发布
1998 - 05 - 01 实施
中华人民共和国电子工业部批准中华人民共和国电子行业军用标准CA410型模压固体电解质银电容器详细规范
Capacitors, fixed. ekectrolytic (sotid electrodyte)tantalum, polar, moded, nonhermetically seaked,type CA410, detail specification forSI51520/2—1998
本规范规定的电容器,其全要求史本规范和总规范GJB1520-92《非气密封型固体电解质钮电容器总规范》作出规定。1范围
1.1主题内容
本规范规定了CA4IO型模压固体电解质钽电容器的工作温度范围、外形尺寸、额定电压、标称电容量及其允许偏差,以及对总规范G报1520的补充规定。1.2适用范
本规范适用于CA410型模压封装、非气密封、极性烧结阳极固体电解质钼电容器。2引用文件
GJB1520一92非气密封固体电解质电容器总规范3要求bzxz.net
3.1设计和结构
3.1.1电容器的结构、外形尺寸和最大重量应符合图1和表1的规定:3.1.2、电容器的额定电压、标称电容量、降额电压、浪涌电压见表2规定。中华人民共和国电子工业部1998-03-11发布1998-05-01实施
TYKAONKAca-
外壳代号
SJ51520/2-1998
外形尺业
标称电容量、降额电压、浪涌电压表电容器的额定电压,
额定电压
降额电压
浪涌电压
尺寸代号
最大重量
注:有括号者为非标规格。
3.2封装
采用模压封装。
3.3使用环境温度
最高工作温度:125℃;
额定温度:85℃;
最低工作温度:55%℃
3.4直流漏电流
SJ 51520/2 - 1998
电容器在试验的标准大气条件下的漏电流应不超过下列公式计算值:fg=0.01CgUg或0.5μA,取0.5uA式中:Io—直流漏电流(μA);
CR标称电容量(pF);
Un—额定电压(V)。
3.5标称电容量及其充许偏差
电容器的实际电容量应符合表2规定,电容器的实际电容量与标称电容量之间的允许偏差为±10%、±20%。
3.6损耗角正切
电容器在试验的标谁大气条件下的损耗角正切应不超过下列规定值:当CRμF,
Ch = 1.5 ~ 68μF,
GR = 100 ~ 220μF,
Gx = 330 - 470μF.
3.7浪涌电压
tgoom4%;
tg80s6%
tgo8%;
tgous10%。
电容器上施加的浪涌电压见表2的规定,自流漏电流:应不超过3.4的规定值;电穿量:变化量应不超过初始测量值的±5%;损耗角正切:应不超过3.6的规定值。3.8温度冲击
TTKAONKAa-
SJ 51520/2. - 1998
直流漏电流:应不超过3.4条的规定值;电容量:变化量应不超过初始测量值的士10%;损耗角正切:应不超过3.6的规定值。3.9耐凝
直流漏电流:应不超过3.4的规定值;电容量:变化量应不超过初始测量值的±10%;耗角正切:应不超过3.6的规定值。3.10高、低温稳定性
第1步(25℃):
直流漏电流:应不超过3.4的规定值:电容量:在标称电容量的允许偏差范围内:损耗角正切:应不超过3.6的规定值。第2步(-55℃):
电容量:变化量应不超过第1步测量值的±10%:损耗角正切:应不超过3,6的规定值的1.2倍第3步(25):
直流漏电流:应不超过3.4的规定值;电容量:变化量应不超过第1步测值的±5%;损耗角正切:应不超过3.6的规定值。第4步(85℃):
直流满电流:应不超过3.4的规定值的10倍:电容量:变化量应不超过第1步测最±10%;损耗角正切:应不超过3.6规定值。第5步(125℃)(施加降额电压):漏电压;应不超过3.4规定值的12.5倍;电容量:变化量应不超过第1步测量值的±12%;损耗角正切:应不超过3.6的规定值。第6步(25℃):
漏电流:应不超过3.4的规定值;电容量:变化量应不超过第1步测量值±5%;损耗角正切:应不超过3.6的规定值。3.11耐溶剂
满电流:应不超过3.4的规定值;电容量:变化量不超过初始测量值的±2%;损耗角正切:应不超过3.6的规定值。3.12寿命(鉴定检验)
3.12.185℃寿命1000h
在25℃ 下:
直流漏电流,应不超过3.4的规定值的2倍;4
SJ 51520/2 1998
电容量:变化量应不超过试验前测量值的±10%:损耗角正切:应不超过3.6的规定值。3.12.2125°℃1000h(施加降额电压)抽样数:24支;
允许失效数:「支。
在25℃下:
漏电流:应不超过3.4的规定值的2倍;电容量:变化量不超过初始测量值的±10%;损耗角正切:应不超过3.6的规定值。试验方法:除试验溢度与误差按125t*℃外,其余按GJB1520中第4.7.15条规定。3.13寿命(C组检验)1000h
3.13.185℃寿命
在25下:
漏电流:应不超过3.4规定值的2倍;电容量:变化量应不超过初始测量值的+10%;损耗角正切:应不超过3.6的规定值。3.13.2125℃寿命
抽样数:24支:
允许失效数:1支。
在25℃ 下:
漏电流:应不超过3.4规定值的2.5倍:电容量:变化量应不超过初始测量值的±20%;损耗角正切:应不超过3.6的规定值。试验方法:同3.12.2规定,试验温度为125+4℃。附加说明:
本规范由中国电子技术标准化研究所归口。本规范由国营第四三二六」起草。本规范主要起草人:袁其兴,方鸣,李黎。计划项目代号:B52018。
TTTKAON KAca
小提示:此标准内容仅展示完整标准里的部分截取内容,若需要完整标准请到上方自行免费下载完整标准文档。
标准图片预览:





- 热门标准
- 行业标准
- SJ50681.65-1994 TNC系列(接半硬电缆)插孔接触件法兰安装2级射频同轴插座连接器详细规范
- SJ995-75 双动冲床引伸模 落料凹模 引伸凹模
- SJ50599/10-2006 系列Ⅰ JY27466卡口连接压接式接触件墙式法兰安装固定电连接器(T类)详细规范
- SJ20792-2000 微通道板光电倍增管测试方法
- SJ/T11247-2001 永磁铁氧体瓦形磁体公差及外形缺陷
- SJ1807-1981 2CC120(122、124)~2CC420(422、424)型硅调谐变容二极管
- SJ1736-1981 通信用送话器电声试验方法
- SJ20398-1994 机载雷达用栅控行波管钛泵电源通用规范
- SJ3183-1989 双卡套式管接头系列
- SJ/T10783-1996 电子器件详细规范 半导体集成电路CD7176CP伴音中频放大电路(可供认证用)
- SJ1805-1981 2CC126型硅调频变容二极管
- SJ3004.7-1988 组合冲模 异形刃口
- SJ/T1146-1993 电容器用有机薄膜体积电阻率试验方法
- SJ51425/2-2006 BFU32-IC型波导假负载详细规范
- SJ/T11251-2001 射频电缆 第3-1部分:数字通信用水平布线同轴电缆-局域网用500m以下、10Mb/s及其以下泡沫介质同轴电缆详细规范
- 行业新闻
请牢记:“bzxz.net”即是“标准下载”四个汉字汉语拼音首字母与国际顶级域名“.net”的组合。 ©2025 标准下载网 www.bzxz.net 本站邮件:bzxznet@163.com
网站备案号:湘ICP备2025141790号-2
网站备案号:湘ICP备2025141790号-2