- 您的位置:
- 标准下载网 >>
- 标准分类 >>
- 电子行业标准(SJ) >>
- SJ 20791.1-2000 GDB-603型微通道板光电倍增管详细规范
标准号:
SJ 20791.1-2000
标准名称:
GDB-603型微通道板光电倍增管详细规范
标准类别:
电子行业标准(SJ)
标准状态:
现行出版语种:
简体中文下载格式:
.rar .pdf下载大小:
281.63 KB

部分标准内容:
中华人民共和国电子行业军用标准FL5960
SJ 20791/1—2000
GDB-603型微通道板光电倍增管
详细规范
Detail specfication for type GDB-603Microchannel plate photomuitiplier tube2000-10-20发布
2000-10-20实施
中华人民共和国信息产业部批准中华人民共和国电子行业军用标准GDB-603型微通道板光电倍增管
详细规范
Detail speeification for type GDB-603Microehannelplatephotomultipliertube1范围
1.1主题内容
本规范规定了GDB-603型微避道板光电倍增管的详细要求。1.2适用范围
SJ 20791/1—2000
本规范适用下GDB-603型微通道板光电倍增管(以下简称光电倍增管)。2引用文件
GB/T4857.5--92包装运输包装件跌落试验方法GB/T7274-~87电子管极间电容测试方法GJB150.3--86军用设备环境试验方法高温试验GJB150.4--86军用设备环境试验方法低温试验GJB360A--96电子及电气元件试验方法GJB 616—88 电子管试验方法
GJB921—90电子管包装总规范
SJ20791—2000微通道板光电倍增管总规范SJ20792—2000微通道板光电倍增管测试方法3要求
3.1详细要求
光电倍增管的全部求应符合本规范和SJ20791的规定3.2结构说明
进光方式:端窗式:
光窗材料:硼硅玻璃:
阴极类型:NaKCsSb:
阴极有效面尺寸:Φ18mm
微通道板级数:3级:
中华人民共和国信息产业部2000-10-20发布TKANrKAca-
2000-10-20实施
SJ20791/1—2000
亚址:卡灌封约28g:灌封后(含分压器)约38g3.3外形和电极接线
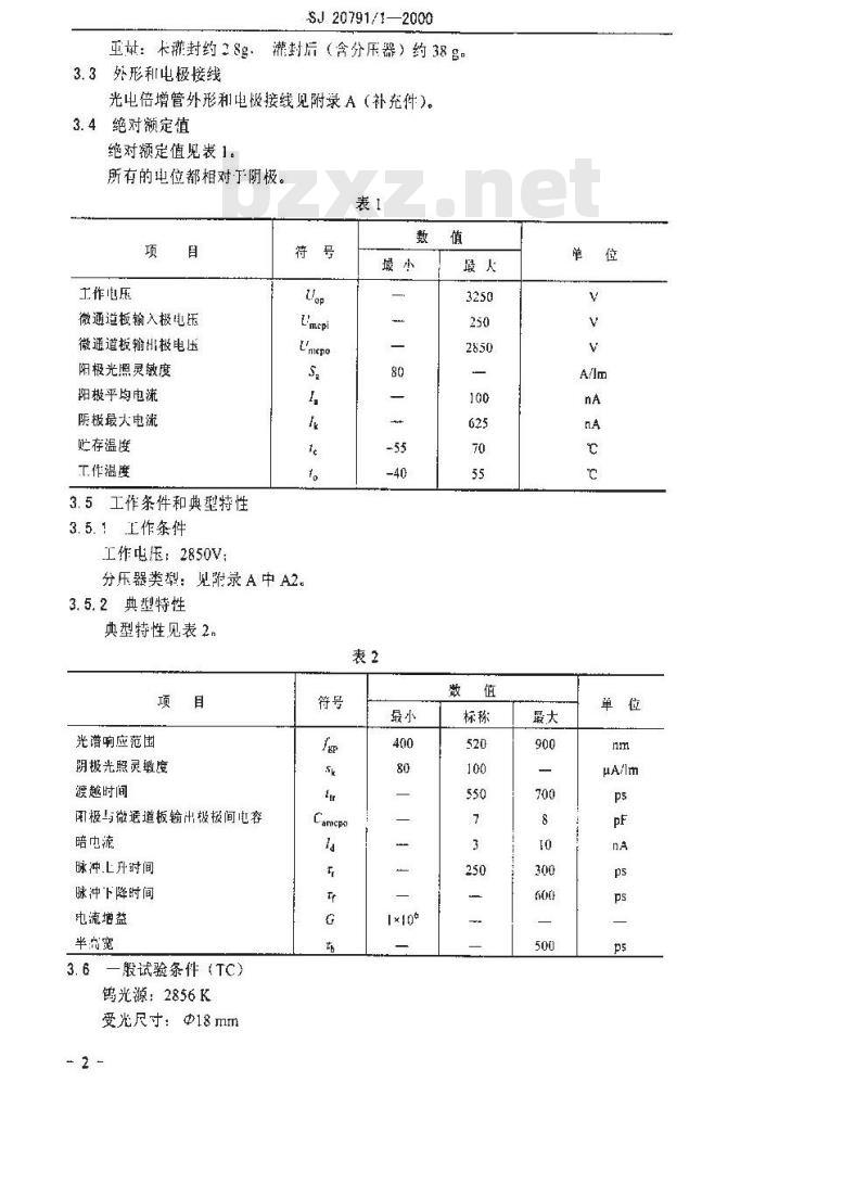
光电倍增管外形和电极接线见附录A(补充件)。3.4绝对额定值
绝对额定值见表 1。
所有的电位都相对于阴极。
工作电压
微通道板输入极电压
微道板输出极电压
阳极光照灵敏度
阳极乎均电流
阴极最大电流
贮存温度
工作温度
3.5工作条件和典型特性
3.5.1工作条件
工作电压:2850V;
E'mepi
分压器类型:见驸录 A 中 A2。3.5.2典型特性
典型特性见表2.
光谱响应范围
阴极光照灵度
渡越时间
闭极与微道板输出极极间电容
暗电流
脉冲L升对间
脉神下降时间
流增益
半市宽
3.6一股试验条件(TC)
鹤光源:2856K
受光尺寸:Φ18 mm
Cancpo
1×10t
μA/lm
分压器类型:见附录 A中 A2
SJ 20791/1—2000
工作吨压(相对下阴极):2850V光避量:10-10~10-\1m
3.7标志
光电倍增管上应有如下标:
a制造广商标:
GDB-603型微通道板光出倍增管:b.
军用标志“}\:
d.制造编号:
合格标志或认证标志“
”(适用时):
f.保证使用寿命“SLG 1000 h”3.8外观质量
外观质量应符合本规范附录B(补充件)中B1的规定。4质量保证规定
4.1鉴定检验
鉴定捡验应包括表3所列的项日以及质量一致性检验和包装检验的全部项国,并按SJ20791中表2或表3的抽样要求进行表3
检验或试验
阳极与微通道板
输出极极间电容
Canepp
4.2质量一致性检验
4.2.1A组——逐批检验
A 组检验见表 4g
GB/T7274
试验条件
非工作状态
KAoNrKAca-
检验或试验
A1分组
外现质量
A2分组
主要尺寸
一整管长度
一管壳外径
一阳极直径
A3分组
不工作缺陷
一短路
一浙路
A4分组
光电参数
一阴极光照灵敏度
一阴极光照灵敏度
—暗电流
—电流增益
SJ 20792
SJ 20791/1-2000
试验条件
SJ 20791 中 4.8.2
SJ 20791 中 4.8.3
SJ 20791 中 4.8.4
方法101
法105
方法108
方法107
4. 2.2B组--逐批检验
B 组检验见表 5:
检验或试验
B1分组
光电参数
一脉冲上升时间
一脉冲下降时间
—半高宽
SJ20792
方法112
方法114
方法113
4. 2. 3 C 组—周期检验
C 组检验见表 6。
Uaucpi-200V
光通量为0Im
试验条件
TC,输入光脉冲的
半滤宽小于100p5
检验要求
附录 B中 B1
附录 A中 A1
检验要求
TC,输入光脉冲的
半守究小于100S
TC,输入光咏冲的
半尚宽小100
有标志(D)为皱坏性试验。
检验或试验
CI分红
机械试验
引端强度
C2分组
环境试验
一低湿
一高温
一稳态混热
一振动
一种击
GJB360A
方法211
试验条件 A
SJ 20791/t--2000
试验条件
非,「作状态,对极
引出端施娜3拉
力,施力的点和历
施加的力应位于引出
端的轴向上,持续时
非!作状态
GJB 150.4
GJB 150.3
GJB360A
方法103
试验条件A
GJB616中
方法1008
GJB360A
方法213
试验条件」
4. 2. 4 D 组一周期检验
,D组检验见表 7。
-55±3 ℃ 2 h
70±2 ℃ 2h
温度为 40±2 ℃,相
对湿度 90%~95%
时间96h。
频率为25Hz,振幅
为 0.1016 cm,持续
时间为 60 s、X、Y
方向各报动一次。
冲击加速度300M/s
半正弦波啄冲,持续
时间1ms、X、Y方
向 1:各施加!3 次冲击
(共6次)。
检验要求
最小「最大」
引出端不感断裂
周围的焊料及陶瓷
不碎裂、不漏气
外观质重,阳极光
照灵敏度、暗电流,
符合 A组要求。
KArKAca-
抽祥方案
SJ20791
中表4或
中表 4或
检验或试验
D1分纽
寿命帝试验
寿试后考核
阳极光照灵
I20792
SJ 20791 中
方法105
方法108
SJ 20791/1—2000
试验条件
1,= 50nA
TC、光通显为 0 lm
注:1)按3.7条标注保证使用券命时,不进行D组检验。4.3包装检验
检验要
抽样方案
SJ 20791
中表 4或
包装检验的质量一致性检验的抽样方案应按GJB921中4.5.2.1进行,见表8。表8
检验或试验
直观检验
功能检验免费标准bzxz.net
一跌落
5交货准备
5.1包装
5.1.1包装要求
GJB92I 中 4.5.2
GB/T4557.5
试验条件
跌落高度800mm
底平面跌落1次
包装应符合GJB921的一类包装,A级防护要求。5.1.2装箱内容
包装箱内附有合格证、使用说明书等。5.1.3装箱标志
包装箱上应有如下标志:
GDB--603型微通道板光电倍增管:SJ 20791/1—2000:
军用标志\\或认证标志“小\d.
制造厂名称,地址:
装箱年、月:
g.其它。
5.2运输
检验要求
GJB92 中 装!
内装的光电倍增管外观质量检
验无损坏:那破光照灵嫩度和
暗电流符合 A 组要求。
包装的光电倍增管允许用任何运输!运输,运输中应避免雨雷淋装和机械撞击。
5.3贮存
SJ 20791/1—2000
光电倍增管应在环境温度为-4060℃、相对凝度不人于80%、无恼蚀性气体、无强辐射等条件下存。
6说明事项
6.1预定用途
符会本规范的光电倍增管适用于高能物理等测试中使用。6.2订货文作内容
合同或订单中应包括下述内容
a.GDB—603型微通道板光电倍增管:b.详细规范编号:SJ20791/1—2000:c.数量:
d.其它。
6.3使用和注意事项
6.3. 1使用
光电倍增管按本规范规定的工作条件使用,其特性是可以保证的。6.3.2注意事项
光阴极应避免强光照射。
6.4特性曲线
特性曲线见附录亡(参考件),其中:a.典型的光谱响应曲线(见图C1):b.典型的电流增益和暗电流曲线(见图C2);c.典型的冲土升时间曲线(见图C3)。KArKAca-
A1外形图
外形图如图A1所示,
K(阴极)
SJ20791/1—2000
附录A
光电倍增管的外形和电极接线
(补充件)
$44±1
ToTi丝)
A2电极接线图
电极接线图见图A2.
1000 pF
SJ20791/1--2000
1000pF
1000pF
-KAoNrKAca-
信号输出
B1外观质量
外观质量检验要求如下:
SJ 2079i/1—2000
附录B
光电倍增管外观质量检验要求
(补充件)
标志应清晰、牢固、位置正确;a.
管壳不应有严重的花纹、气泡、划伤:b.
电极引出端不应有锈蚀,软引线不应有龟裂等老化现象:.
阳极焊接应牢固光滑、其轻微形变不应影响与管座配合:d.
光窗有效工作部份应清晰,不应有明显的花纹、划伤、气泡,砂点等缺陷:e.
f、光阴极有效「作面内不应有脱落、斑点、污渍、擦伤等缺陷:g.
管内不应有活动的碎屑。
- 10 -
C1典型的光谱响应曲线
典型的光谱响应曲线见图C1。
SJ2079i/1—2000
附录C
特性曲线
(参考件)
波长(nm)
iiKAoNiKAca=
小提示:此标准内容仅展示完整标准里的部分截取内容,若需要完整标准请到上方自行免费下载完整标准文档。
SJ 20791/1—2000
GDB-603型微通道板光电倍增管
详细规范
Detail specfication for type GDB-603Microchannel plate photomuitiplier tube2000-10-20发布
2000-10-20实施
中华人民共和国信息产业部批准中华人民共和国电子行业军用标准GDB-603型微通道板光电倍增管
详细规范
Detail speeification for type GDB-603Microehannelplatephotomultipliertube1范围
1.1主题内容
本规范规定了GDB-603型微避道板光电倍增管的详细要求。1.2适用范围
SJ 20791/1—2000
本规范适用下GDB-603型微通道板光电倍增管(以下简称光电倍增管)。2引用文件
GB/T4857.5--92包装运输包装件跌落试验方法GB/T7274-~87电子管极间电容测试方法GJB150.3--86军用设备环境试验方法高温试验GJB150.4--86军用设备环境试验方法低温试验GJB360A--96电子及电气元件试验方法GJB 616—88 电子管试验方法
GJB921—90电子管包装总规范
SJ20791—2000微通道板光电倍增管总规范SJ20792—2000微通道板光电倍增管测试方法3要求
3.1详细要求
光电倍增管的全部求应符合本规范和SJ20791的规定3.2结构说明
进光方式:端窗式:
光窗材料:硼硅玻璃:
阴极类型:NaKCsSb:
阴极有效面尺寸:Φ18mm
微通道板级数:3级:
中华人民共和国信息产业部2000-10-20发布TKANrKAca-
2000-10-20实施
SJ20791/1—2000
亚址:卡灌封约28g:灌封后(含分压器)约38g3.3外形和电极接线
光电倍增管外形和电极接线见附录A(补充件)。3.4绝对额定值
绝对额定值见表 1。
所有的电位都相对于阴极。
工作电压
微通道板输入极电压
微道板输出极电压
阳极光照灵敏度
阳极乎均电流
阴极最大电流
贮存温度
工作温度
3.5工作条件和典型特性
3.5.1工作条件
工作电压:2850V;
E'mepi
分压器类型:见驸录 A 中 A2。3.5.2典型特性
典型特性见表2.
光谱响应范围
阴极光照灵度
渡越时间
闭极与微道板输出极极间电容
暗电流
脉冲L升对间
脉神下降时间
流增益
半市宽
3.6一股试验条件(TC)
鹤光源:2856K
受光尺寸:Φ18 mm
Cancpo
1×10t
μA/lm
分压器类型:见附录 A中 A2
SJ 20791/1—2000
工作吨压(相对下阴极):2850V光避量:10-10~10-\1m
3.7标志
光电倍增管上应有如下标:
a制造广商标:
GDB-603型微通道板光出倍增管:b.
军用标志“}\:
d.制造编号:
合格标志或认证标志“
”(适用时):
f.保证使用寿命“SLG 1000 h”3.8外观质量
外观质量应符合本规范附录B(补充件)中B1的规定。4质量保证规定
4.1鉴定检验
鉴定捡验应包括表3所列的项日以及质量一致性检验和包装检验的全部项国,并按SJ20791中表2或表3的抽样要求进行表3
检验或试验
阳极与微通道板
输出极极间电容
Canepp
4.2质量一致性检验
4.2.1A组——逐批检验
A 组检验见表 4g
GB/T7274
试验条件
非工作状态
KAoNrKAca-
检验或试验
A1分组
外现质量
A2分组
主要尺寸
一整管长度
一管壳外径
一阳极直径
A3分组
不工作缺陷
一短路
一浙路
A4分组
光电参数
一阴极光照灵敏度
一阴极光照灵敏度
—暗电流
—电流增益
SJ 20792
SJ 20791/1-2000
试验条件
SJ 20791 中 4.8.2
SJ 20791 中 4.8.3
SJ 20791 中 4.8.4
方法101
法105
方法108
方法107
4. 2.2B组--逐批检验
B 组检验见表 5:
检验或试验
B1分组
光电参数
一脉冲上升时间
一脉冲下降时间
—半高宽
SJ20792
方法112
方法114
方法113
4. 2. 3 C 组—周期检验
C 组检验见表 6。
Uaucpi-200V
光通量为0Im
试验条件
TC,输入光脉冲的
半滤宽小于100p5
检验要求
附录 B中 B1
附录 A中 A1
检验要求
TC,输入光脉冲的
半守究小于100S
TC,输入光咏冲的
半尚宽小100
有标志(D)为皱坏性试验。
检验或试验
CI分红
机械试验
引端强度
C2分组
环境试验
一低湿
一高温
一稳态混热
一振动
一种击
GJB360A
方法211
试验条件 A
SJ 20791/t--2000
试验条件
非,「作状态,对极
引出端施娜3拉
力,施力的点和历
施加的力应位于引出
端的轴向上,持续时
非!作状态
GJB 150.4
GJB 150.3
GJB360A
方法103
试验条件A
GJB616中
方法1008
GJB360A
方法213
试验条件」
4. 2. 4 D 组一周期检验
,D组检验见表 7。
-55±3 ℃ 2 h
70±2 ℃ 2h
温度为 40±2 ℃,相
对湿度 90%~95%
时间96h。
频率为25Hz,振幅
为 0.1016 cm,持续
时间为 60 s、X、Y
方向各报动一次。
冲击加速度300M/s
半正弦波啄冲,持续
时间1ms、X、Y方
向 1:各施加!3 次冲击
(共6次)。
检验要求
最小「最大」
引出端不感断裂
周围的焊料及陶瓷
不碎裂、不漏气
外观质重,阳极光
照灵敏度、暗电流,
符合 A组要求。
KArKAca-
抽祥方案
SJ20791
中表4或
中表 4或
检验或试验
D1分纽
寿命帝试验
寿试后考核
阳极光照灵
I20792
SJ 20791 中
方法105
方法108
SJ 20791/1—2000
试验条件
1,= 50nA
TC、光通显为 0 lm
注:1)按3.7条标注保证使用券命时,不进行D组检验。4.3包装检验
检验要
抽样方案
SJ 20791
中表 4或
包装检验的质量一致性检验的抽样方案应按GJB921中4.5.2.1进行,见表8。表8
检验或试验
直观检验
功能检验免费标准bzxz.net
一跌落
5交货准备
5.1包装
5.1.1包装要求
GJB92I 中 4.5.2
GB/T4557.5
试验条件
跌落高度800mm
底平面跌落1次
包装应符合GJB921的一类包装,A级防护要求。5.1.2装箱内容
包装箱内附有合格证、使用说明书等。5.1.3装箱标志
包装箱上应有如下标志:
GDB--603型微通道板光电倍增管:SJ 20791/1—2000:
军用标志\\或认证标志“小\d.
制造厂名称,地址:
装箱年、月:
g.其它。
5.2运输
检验要求
GJB92 中 装!
内装的光电倍增管外观质量检
验无损坏:那破光照灵嫩度和
暗电流符合 A 组要求。
包装的光电倍增管允许用任何运输!运输,运输中应避免雨雷淋装和机械撞击。
5.3贮存
SJ 20791/1—2000
光电倍增管应在环境温度为-4060℃、相对凝度不人于80%、无恼蚀性气体、无强辐射等条件下存。
6说明事项
6.1预定用途
符会本规范的光电倍增管适用于高能物理等测试中使用。6.2订货文作内容
合同或订单中应包括下述内容
a.GDB—603型微通道板光电倍增管:b.详细规范编号:SJ20791/1—2000:c.数量:
d.其它。
6.3使用和注意事项
6.3. 1使用
光电倍增管按本规范规定的工作条件使用,其特性是可以保证的。6.3.2注意事项
光阴极应避免强光照射。
6.4特性曲线
特性曲线见附录亡(参考件),其中:a.典型的光谱响应曲线(见图C1):b.典型的电流增益和暗电流曲线(见图C2);c.典型的冲土升时间曲线(见图C3)。KArKAca-
A1外形图
外形图如图A1所示,
K(阴极)
SJ20791/1—2000
附录A
光电倍增管的外形和电极接线
(补充件)
$44±1
ToTi丝)
A2电极接线图
电极接线图见图A2.
1000 pF
SJ20791/1--2000
1000pF
1000pF
-KAoNrKAca-
信号输出
B1外观质量
外观质量检验要求如下:
SJ 2079i/1—2000
附录B
光电倍增管外观质量检验要求
(补充件)
标志应清晰、牢固、位置正确;a.
管壳不应有严重的花纹、气泡、划伤:b.
电极引出端不应有锈蚀,软引线不应有龟裂等老化现象:.
阳极焊接应牢固光滑、其轻微形变不应影响与管座配合:d.
光窗有效工作部份应清晰,不应有明显的花纹、划伤、气泡,砂点等缺陷:e.
f、光阴极有效「作面内不应有脱落、斑点、污渍、擦伤等缺陷:g.
管内不应有活动的碎屑。
- 10 -
C1典型的光谱响应曲线
典型的光谱响应曲线见图C1。
SJ2079i/1—2000
附录C
特性曲线
(参考件)
波长(nm)
iiKAoNiKAca=
小提示:此标准内容仅展示完整标准里的部分截取内容,若需要完整标准请到上方自行免费下载完整标准文档。

标准图片预览:





- 热门标准
- 行业标准
- SJ2944-1988 交流数字电压表测试方法
- SJ20811-2002 压阻式加速度传感器总规范
- SJ374-1973 反射速调管负载特性的测试方法
- SJ2588-1985 BSH12~14-1L、BSH12~14-2L型一体化回扫变压器
- SJ/T31291-1994 CHJ-S-2型超声波塑料焊接机完好要求和检查评定方法
- SJ1007-75 双动冲床引伸模 上压板
- SJ933-1975 半导体调幅广播收音机用输出输入变压器
- SJ50033.61-1995 半导体分立器件 3DK6547型高压功率开关晶体管详细规范
- SJ/T31279-1994 WLD-T1型无感式电容器引线自动焊接机完好要求和检查评定方法
- SJ/T31254-1994 自动绕片机完好要求和检查评定方法
- SJ/T31264-1994 WSG-4951型流延机完好要求和检查评定方法
- SJ/T31280-1994 隧道式电容器清洗机完好要求和检查评定方法
- SJ/T10980-1996 电子器件详细规范 2CC23、2CC28型硅调谐变容二极管(可供认证用)
- SJ992-75 双动冲床引伸模 垫板
- SJ993-75 双动冲床引伸模 固定板定位板
- 行业新闻
请牢记:“bzxz.net”即是“标准下载”四个汉字汉语拼音首字母与国际顶级域名“.net”的组合。 ©2009 标准下载网 www.bzxz.net 本站邮件:bzxznet@163.com
网站备案号:湘ICP备2023016450号-1
网站备案号:湘ICP备2023016450号-1