- 您的位置:
- 标准下载网 >>
- 标准分类 >>
- 电子行业标准(SJ) >>
- SJ 20647.1-1998 MZBB系列铂薄膜热敏电阻器详细规范
标准号:
SJ 20647.1-1998
标准名称:
MZBB系列铂薄膜热敏电阻器详细规范
标准类别:
电子行业标准(SJ)
标准状态:
现行出版语种:
简体中文下载格式:
.rar .pdf下载大小:
228.08 KB
部分标准内容:
中华人民共和国电子行业军用标准FL5911
SJ 20647/1—1998
MZBB系列铂薄膜热敏电阻器
详细规范
Detail specification for MZBB platinumthin - film thermistors
1998 - 03 - 11 发布
1998-05-01实施
中华人民共和国电子工业部批准中华人民共和国电子行业军用标准MZBB系列铂薄膜热敏电阻器详细规范Detall specification for MZBB platinumthin - film thermistors
SJ 20647/1--1998
本规范规定的MZBB系列铂薄膜热敏电阻器,其全部要求由本规范与SJ20647-97《钳热嫩电阻器总规范》作出规定。1范围
1.1主题内容
本规范规定了MZBB系列铂薄膜热敏电阻器(以下简称铂电阻器)的详细要求。1.2适用范圃
本规范适用于铂电阻器。
1.3型号命名
铂电阻器的型号命名方法按SJ1155-82《敏感元件型号命名方法》规定执行。MZ.BBX
2 引用文件
GB 177279电了元器件失效率试验方法GJR360—87电子及电气元件试验方法SJ1155—82敏感元件型号命名方法SJ20647 97铂热嫩电阻器总规范号(系列)
征(铂薄膜)
别(正温度系数)
称(敏感元件))
ZBY301一85工业铂热缴电技术条件及分度表中华人民共和国电子工业部1998-03-11发布1998-05-01实施
TYKAONKAca-
3要求
3.1材料
SJ 26647/1 -1998
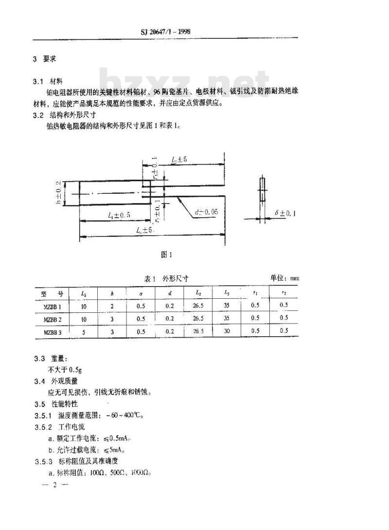
铂电阻器所使用的关键性材料铂材、96陶瓷基片、电极材料、银引线及防潮耐热绝缘材料,应能使产品满足本规范的性能要求,并应由定点货源供应。3.2结构和外形尺寸
铂热敏电阻器的结构和外形尺寸见图1和表1。L±5
3.3重量:
不大于0.5g
3.4外观质量
表1外形尺寸
应无可见损伤,引线无折痕和锈蚀。3.5性能特性
3.5,1 度测量范围; -60~400℃。3.5.2T作电流
a.额定工作电流:≤0.5mA,
b,允许过载电流:≤5mAc
3.5.3标称阻值及其准确度
a.标称阻值:10002、5000、100002。2
单位:mm
SJ 20647/1 - 1998
b.标称阻值准确度:0.1%、0.5%、1%。3.5.4电阻温度系数:3850±15)×10-6/℃(0、100℃)3.5.5允差
A级; At = ± (0.15 +0.002l tl):B级:4=±(0.30+0.0051)℃;
C级: 4 = ± (3.0+0.005Ir)℃。3.5.6绝缘电阻:铂电阻器的绝缘电阻值在标准大气条件下应不小于100M23.5.7热响应时间:≤3g
3.5.8自热影响:≤0.3%(适用时)3.5.9重复性误差:≤0.1%
3.6环境适拉性
3.6.1引出端强度
按4.7.1试验后,外观质量应符合3.4要求。引线不应断裂,焊点不应脱落,3.6.2温度冲击(适用时)
按4.7.2试验后,外观质量应符合3.4要求。阻值变化率应不大于0.1%,3.6.3低频振动
按4.7.3试验后,外观质量应符合3.4要求。阻值变化率应不大于0.1%:3.6.4高频振动(适用时)
按4.7.4试验后,外观质量应符合3.4要求。阻值变化率应不大于0.1%。3.6.5冲击(规定脉冲)
按4.7.5试验后,外观质量应符合3.4要求。阻值变化率应不大于0.1%。3.6.6稳态湿热
按4.7.6试验后,外观质量应符合3.4要求。绝缘电阻应不小于10MQ,阻值变化率应不大于0.1%。
3.6.7高温寿命(适用时)
按4.7.7试验后,外观质量应符会3.4要求。阻值变化率应不大丁0.5%4质量保证规定
质量保证规定按总规范SJ20647的规定,并有下列补充:4.1鉴定检验样品数为20只。
4.2A组检验的剔除率不大于20%。4.3 B组检验 AQL值为 2.5。
4.4C组检验样品数为7只。
4.5D组检验样品数不少于7只。
4.6税验项目
检查和试验项目按表2规定进行。3
TTTKAONTKAca-
检验项目
外形尺寸
外观质量
标称阻值及其精度
温度系数
绝缘电粗
热响应时间
自热影响
重复性误差
引出端强度
温度冲击
高颊振动
神击(规定脉冲)
稳态湿
高温寿
SJ20647/1-1998
鉴定检验和质量一致性检验
要求条款
注:①“”表示应检验的项目。方法条款
鉴定检验
质量一致性检验
C组;D
②低频振动与高频振动两项试验,根据具体需要,可以全考核,也可以选其…-项考核。4.7检验方法
4.7.1外观与机械检查
4.7.1.1外形尺寸
用游标卡尺检查铂电阻器的外形尺寸,应符合3.2要求。4.7.1.2重量
用天平称量铂电阻器的重量,应符合3.3要求。4.7.1.3外观质量
用目测法检查铂电阻器的外观,应符合3.4要求4.7.2标称阻值及其精度
将试样放入Φ10×50测试管内,塞紧管口,然后插人冰水中,测度管周围冰层厚度不小下30mm,置人深度不小于30mum,稳定30mim,用数学繁用表小于0.5m4的电阻档测量山B,计算电阻值精度
试验结果应符合3.5.3要求。
4.7.3温度系数
S.J 20647/1 - 1998
用4.7.3方法测得0℃时的电阻值Bo,再将装有该试样的测试管插人100±0.1℃的油槽中,稳定30min,用数字繁用表小于0.5mA的电阻档测量出Bio,算电阻温度系数arc试验结果应符合3.5.4要求。
4.7.4允差
按总规范规定测试,结果应符合3.5.5要求。4.7.5绝缘电阻
绝缘电阻测试仪:精度不低于10%,试电压为直流100V。试验结果应符合3.5.6要求。
4.7.6热响应时间
按ZBY301中4.5的规定进行检验,结果应符合3.5.7要求。4.7.7自热影响
按ZBY301中4.7的规定进行检验,结果应符合3.5.8要求。4.7.8重复性误差
用4.7.3方法测得0℃时的电阻值Ro,再将该试样放入400±5℃的高温炉中恒温15min,取出试样暨于试验的标准大气条件下恢复30min,按4.7.2方法测出Rml。如此重复二次,分别测得Rm与 R。计算重复性误差。试验结果应符合3.5.9要求。
4.8试验方法
4.8.1引出端强度
按GJB360.21的试验条件A进行拉力试验,在引出端的轴向上施加0.01N的力,即把引出端焊接在一克的磁码上,在不受冲击力的情况下将础码悬吊起来保持5~10g试验结果应符合3.6.1要求。
4.B.2温度冲击
按GJB360.7中的试验条件E和如下条件进行试验:极值温度:-65.9℃,400*℃:
极值温度下最少试验时间:0.5h:循环次数:5次。
试验结果应符合3.6.2要求。
4.B.3低频振动
按CJB360.13中的试验方法和条件进行试验:频率范围:10~55Hz;
振动幅值:0.75mm;
交越频率:70.7Hz;
持续时间:每个方向2h,三个方向共6h。试验结果应符合3.6.3要求。
4.8.4高频振动
按GJB360.15中的试验条件B进行试验:频率范围:[0~2000Hz;
振动幅值:0.75mm/150m/s;
TTTKAONTKAca-
交越频率:70.7Hz:
持续时间:12h。
试验结果应符合3.6.4要求。
4.8.5冲击(规定脉冲)
SJ 20647/1 - 1998
按 GIB 360,23 中的试验条件 A 进行试验:蜂值加速度:500m/z;
标称持续时间:11me;
脉冲波形:半正弦波;
速度变化:3.44m/s。
冲击方向和次数:对试样的3个互相垂直的轴的6个方向上各施3次冲击(共18饮。
试验结果应符合3.6.5要求。
4.8.6稳态湿热
按GJB360.3中的试验条件B进行试验:试验温度:40±2℃;
相对湿度:90%~95%;
试验时间:96h。
试验结果应符合3.6.6要求。
4.8.7高温寿命
按GJB360.8中规定的试验方法按如下条件进行试验:试验温度:400±5℃;
试验时间:1500h(累计有效试验时间)。试验结果应符合3.6.7要求。
5交货准备
除按总规范规定外,铂薄膜电阻器的贮存期限为3年。6说明事项
6.1预定用途
符合本规范的产品,预定用于电子设备的温度测控系统中。附加说明:
本规范由中国电子技术标准化研究所归口。本规范由电子工业部第四十九研究所起草。本规范主要起草人:李兴腾。Www.bzxZ.net
计划项目代号:R52035
小提示:此标准内容仅展示完整标准里的部分截取内容,若需要完整标准请到上方自行免费下载完整标准文档。
SJ 20647/1—1998
MZBB系列铂薄膜热敏电阻器
详细规范
Detail specification for MZBB platinumthin - film thermistors
1998 - 03 - 11 发布
1998-05-01实施
中华人民共和国电子工业部批准中华人民共和国电子行业军用标准MZBB系列铂薄膜热敏电阻器详细规范Detall specification for MZBB platinumthin - film thermistors
SJ 20647/1--1998
本规范规定的MZBB系列铂薄膜热敏电阻器,其全部要求由本规范与SJ20647-97《钳热嫩电阻器总规范》作出规定。1范围
1.1主题内容
本规范规定了MZBB系列铂薄膜热敏电阻器(以下简称铂电阻器)的详细要求。1.2适用范圃
本规范适用于铂电阻器。
1.3型号命名
铂电阻器的型号命名方法按SJ1155-82《敏感元件型号命名方法》规定执行。MZ.BBX
2 引用文件
GB 177279电了元器件失效率试验方法GJR360—87电子及电气元件试验方法SJ1155—82敏感元件型号命名方法SJ20647 97铂热嫩电阻器总规范号(系列)
征(铂薄膜)
别(正温度系数)
称(敏感元件))
ZBY301一85工业铂热缴电技术条件及分度表中华人民共和国电子工业部1998-03-11发布1998-05-01实施
TYKAONKAca-
3要求
3.1材料
SJ 26647/1 -1998
铂电阻器所使用的关键性材料铂材、96陶瓷基片、电极材料、银引线及防潮耐热绝缘材料,应能使产品满足本规范的性能要求,并应由定点货源供应。3.2结构和外形尺寸
铂热敏电阻器的结构和外形尺寸见图1和表1。L±5
3.3重量:
不大于0.5g
3.4外观质量
表1外形尺寸
应无可见损伤,引线无折痕和锈蚀。3.5性能特性
3.5,1 度测量范围; -60~400℃。3.5.2T作电流
a.额定工作电流:≤0.5mA,
b,允许过载电流:≤5mAc
3.5.3标称阻值及其准确度
a.标称阻值:10002、5000、100002。2
单位:mm
SJ 20647/1 - 1998
b.标称阻值准确度:0.1%、0.5%、1%。3.5.4电阻温度系数:3850±15)×10-6/℃(0、100℃)3.5.5允差
A级; At = ± (0.15 +0.002l tl):B级:4=±(0.30+0.0051)℃;
C级: 4 = ± (3.0+0.005Ir)℃。3.5.6绝缘电阻:铂电阻器的绝缘电阻值在标准大气条件下应不小于100M23.5.7热响应时间:≤3g
3.5.8自热影响:≤0.3%(适用时)3.5.9重复性误差:≤0.1%
3.6环境适拉性
3.6.1引出端强度
按4.7.1试验后,外观质量应符合3.4要求。引线不应断裂,焊点不应脱落,3.6.2温度冲击(适用时)
按4.7.2试验后,外观质量应符合3.4要求。阻值变化率应不大于0.1%,3.6.3低频振动
按4.7.3试验后,外观质量应符合3.4要求。阻值变化率应不大于0.1%:3.6.4高频振动(适用时)
按4.7.4试验后,外观质量应符合3.4要求。阻值变化率应不大于0.1%。3.6.5冲击(规定脉冲)
按4.7.5试验后,外观质量应符合3.4要求。阻值变化率应不大于0.1%。3.6.6稳态湿热
按4.7.6试验后,外观质量应符合3.4要求。绝缘电阻应不小于10MQ,阻值变化率应不大于0.1%。
3.6.7高温寿命(适用时)
按4.7.7试验后,外观质量应符会3.4要求。阻值变化率应不大丁0.5%4质量保证规定
质量保证规定按总规范SJ20647的规定,并有下列补充:4.1鉴定检验样品数为20只。
4.2A组检验的剔除率不大于20%。4.3 B组检验 AQL值为 2.5。
4.4C组检验样品数为7只。
4.5D组检验样品数不少于7只。
4.6税验项目
检查和试验项目按表2规定进行。3
TTTKAONTKAca-
检验项目
外形尺寸
外观质量
标称阻值及其精度
温度系数
绝缘电粗
热响应时间
自热影响
重复性误差
引出端强度
温度冲击
高颊振动
神击(规定脉冲)
稳态湿
高温寿
SJ20647/1-1998
鉴定检验和质量一致性检验
要求条款
注:①“”表示应检验的项目。方法条款
鉴定检验
质量一致性检验
C组;D
②低频振动与高频振动两项试验,根据具体需要,可以全考核,也可以选其…-项考核。4.7检验方法
4.7.1外观与机械检查
4.7.1.1外形尺寸
用游标卡尺检查铂电阻器的外形尺寸,应符合3.2要求。4.7.1.2重量
用天平称量铂电阻器的重量,应符合3.3要求。4.7.1.3外观质量
用目测法检查铂电阻器的外观,应符合3.4要求4.7.2标称阻值及其精度
将试样放入Φ10×50测试管内,塞紧管口,然后插人冰水中,测度管周围冰层厚度不小下30mm,置人深度不小于30mum,稳定30mim,用数学繁用表小于0.5m4的电阻档测量山B,计算电阻值精度
试验结果应符合3.5.3要求。
4.7.3温度系数
S.J 20647/1 - 1998
用4.7.3方法测得0℃时的电阻值Bo,再将装有该试样的测试管插人100±0.1℃的油槽中,稳定30min,用数字繁用表小于0.5mA的电阻档测量出Bio,算电阻温度系数arc试验结果应符合3.5.4要求。
4.7.4允差
按总规范规定测试,结果应符合3.5.5要求。4.7.5绝缘电阻
绝缘电阻测试仪:精度不低于10%,试电压为直流100V。试验结果应符合3.5.6要求。
4.7.6热响应时间
按ZBY301中4.5的规定进行检验,结果应符合3.5.7要求。4.7.7自热影响
按ZBY301中4.7的规定进行检验,结果应符合3.5.8要求。4.7.8重复性误差
用4.7.3方法测得0℃时的电阻值Ro,再将该试样放入400±5℃的高温炉中恒温15min,取出试样暨于试验的标准大气条件下恢复30min,按4.7.2方法测出Rml。如此重复二次,分别测得Rm与 R。计算重复性误差。试验结果应符合3.5.9要求。
4.8试验方法
4.8.1引出端强度
按GJB360.21的试验条件A进行拉力试验,在引出端的轴向上施加0.01N的力,即把引出端焊接在一克的磁码上,在不受冲击力的情况下将础码悬吊起来保持5~10g试验结果应符合3.6.1要求。
4.B.2温度冲击
按GJB360.7中的试验条件E和如下条件进行试验:极值温度:-65.9℃,400*℃:
极值温度下最少试验时间:0.5h:循环次数:5次。
试验结果应符合3.6.2要求。
4.B.3低频振动
按CJB360.13中的试验方法和条件进行试验:频率范围:10~55Hz;
振动幅值:0.75mm;
交越频率:70.7Hz;
持续时间:每个方向2h,三个方向共6h。试验结果应符合3.6.3要求。
4.8.4高频振动
按GJB360.15中的试验条件B进行试验:频率范围:[0~2000Hz;
振动幅值:0.75mm/150m/s;
TTTKAONTKAca-
交越频率:70.7Hz:
持续时间:12h。
试验结果应符合3.6.4要求。
4.8.5冲击(规定脉冲)
SJ 20647/1 - 1998
按 GIB 360,23 中的试验条件 A 进行试验:蜂值加速度:500m/z;
标称持续时间:11me;
脉冲波形:半正弦波;
速度变化:3.44m/s。
冲击方向和次数:对试样的3个互相垂直的轴的6个方向上各施3次冲击(共18饮。
试验结果应符合3.6.5要求。
4.8.6稳态湿热
按GJB360.3中的试验条件B进行试验:试验温度:40±2℃;
相对湿度:90%~95%;
试验时间:96h。
试验结果应符合3.6.6要求。
4.8.7高温寿命
按GJB360.8中规定的试验方法按如下条件进行试验:试验温度:400±5℃;
试验时间:1500h(累计有效试验时间)。试验结果应符合3.6.7要求。
5交货准备
除按总规范规定外,铂薄膜电阻器的贮存期限为3年。6说明事项
6.1预定用途
符合本规范的产品,预定用于电子设备的温度测控系统中。附加说明:
本规范由中国电子技术标准化研究所归口。本规范由电子工业部第四十九研究所起草。本规范主要起草人:李兴腾。Www.bzxZ.net
计划项目代号:R52035
小提示:此标准内容仅展示完整标准里的部分截取内容,若需要完整标准请到上方自行免费下载完整标准文档。
标准图片预览:





- 热门标准
- 行业标准
- SJ3166-1988 GZS12-4-3型彩色显像管插座
- SJ2534.10-1986 天线测试方法 功率增益和方向性的测量
- SJ/Z9087-1987 信息处理-信息交换用3.81mm宽,以4字符/毫米,63磁通翻转/毫米调相制记录的卡型盒式磁带
- SJ/T11332-2006 数字电视接收设备接口规范 第6部分:RGB模拟基色视频信号接口
- SJ/T10038-1991 电子器件详细规范 半导体集成电路CC4008型CMOS4位二进制超前进位全加器
- SJ/T9546-1993 无金属化孔单、双面印制板的质量分等标准
- SJ20599-1996 推拉钨丝规范
- SJ/T10253-1991 电子器件详细规范 半导体集成电路CC4046型CMOS数字锁相环详细规范
- SJ/Z9010.27-1987 电子管电性能的测试 第27部分:发射管中相互调制分量的测试方法
- SJ/T11157-1998 电视广播接收机测量方法 第2部分:伴音通道的电性能测量,一般测量方法和单声道测量方法
- SJ/T11088-1996 电子器件详细规范 半导体集成电路CD7680CP图象伴音中频放大电路
- SJ/T11010-1996 电子器件详细规范 半导体电视集成电路CD1124ACP伴音中频放大电路
- SJ/T31441-1994 离心式制冷机组完好要求和检查评定方法
- SJ3178-1988 矿用纵横制用户电话交换机技术要求
- SJ/T10042-1991 电子器件详细规范 半导体集成电路CT54LS00/CT74LS00型四2输入与非门
- 行业新闻
请牢记:“bzxz.net”即是“标准下载”四个汉字汉语拼音首字母与国际顶级域名“.net”的组合。 ©2025 标准下载网 www.bzxz.net 本站邮件:bzxznet@163.com
网站备案号:湘ICP备2025141790号-2
网站备案号:湘ICP备2025141790号-2