- 您的位置:
- 标准下载网 >>
- 标准分类 >>
- 国家标准(GB) >>
- GB/T 22541-2008 土工试验仪器 击实仪
标准号:
GB/T 22541-2008
标准名称:
土工试验仪器 击实仪
标准类别:
国家标准(GB)
标准状态:
现行-
发布日期:
2008-11-21 -
实施日期:
2009-02-01 出版语种:
简体中文下载格式:
.rar.pdf下载大小:
1.96 MB
标准ICS号:
数学、自然科学>>07.060地质学、气象学、水文学中标分类号:
仪器、仪表>>其他仪器仪表>>N93水文与水利仪器
点击下载
标准简介:
标准下载解压密码:www.bzxz.net
本标准规定了击实仪的产品分类、结构组成及规格、技术要求、试验方法、检验规则、标志、使用说明书、包装、运输和贮存的要求。本标准适用于测定粘性土的最大干密度与最优含水率的击实仪。 GB/T 22541-2008 土工试验仪器 击实仪 GB/T22541-2008
部分标准内容:
ICS 07.060
中华人民共和国国家标准
GB/T22541-2008
土工试验仪器
击实仪
Instrument for soil test-Compaction apparatus2008-11-21发布
中华人民共和国国家质量监督检验检疫总局中国国家标准花管理委员会
2009-02-01实施
本标准由中华人民共和国水利部提出并归口。GB/T22541-2008
本标准主要起草单位:水利部水文仪器及岩土工程仪器质量监督检验测试中心、国家电力公司南京电力自动化设备总厂、南京土壤仪器厂有限公司。本标准参加起草单位:全国工业产品生产许可证办公室水文仪器及岩土工程仪器审查部、水利部南京水利水文自动化研究所。
本标谁主要起草人:章一新、夏康、茅加峰、徐晓乐。本部分参加起草人:袁普生、鲍良钝1范围
土工试验仪器
击实仪
GB/T22541—2008
本标准规定了击实仪的产品分类、结构组成及规格、技术要求、试验方法、检验规则、标志、使用说明书、包装、运输和贮存的要求。本标准适用于测定粘性土的最大干密度与最优含水率的击实仪。2规范性引用文件
下列文件中的条款通过本标准的引用而成为本标准的条款。凡是注日期的引用文件,其随后所有的修改单(不包括勘误的内容)或修订版均不适用于本标准,然而,鼓励根据本标准达成协议的各方研究是否可使用这些文件的最新版本。凡是不注日期的引用文件,其最新版本适用于本标准。GB9969.1工业产品使用说明书总则GB/T15464仪器仪表包装通用技术条件GB/T50279岩土工程基本术语标准3术语和定义
GB/T50279确立的以及下列术语和定义适用于本标准。3.1
击实仪compactionapparatus
一种利用标准击实方法在给定击实功能下来测定粘性土的最大干密度与最优含水率的土工试验仪器。
最大干密度maximumdrydensity
击实试验所得的干密度与含水率关系曲线上峰值点所对应的干密度。3.3
最优含水率optimummoisturecontent击实试验所得的干密度与含水率关系曲线上最大干密度所对应的含水率。4产品分类、结构组成及规格
4.1产品分类
击实仪按击锤提升动力的不同,分为手动式和电动式两种。4.2结构组成
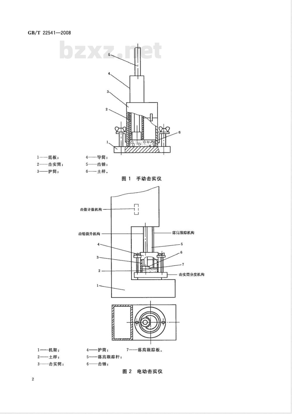
击实仪主要由击实筒、护筒、底板、导筒简、击锤、落高跟踪机构、击数计数机构等零部件组成。其中手动击实仪结构示意图如图1所示,电动击实仪结构示意图如图2所示。1
GB/T22541—2008
1——底板;
一击实简;
3护筒;
1——机架;
2——土样;
3-—击实筒;
一导筒;
击锤;
一土样。
击数计数机构
击链提升机构
一护筒;
图1手动击实仪
落高跟踪板。
一落高跟踪杆:
击锤;
电动击实仪
落高跟踪机构
击实简分度机构
4.3产品规格
击实仪主要规格应符合表1的规定。击实仪的主要规格
击实筒
内径/
高度/
5技术要求
5.1工作环境
内径/
高度/
直径/
180~190
230~240
180~190
230~240
击实仪应能在下列环境下正常工作:a)温度:5℃~35℃;
厚度/
b)相对湿度:不大于85%(30℃时)。5.2外观
内径/wwW.bzxz.Net
53~54
外径/
底面直径/
GB/T 22541-2008
质量/
落高/
速率/
(N/min)
5.2.1仪器的铸件表面应无气泡和砂眼。5.2.2仪器的表面漆层或镀层应平整、光滑、均匀;不得有斑点、气泡、脱皮、皱纹、碰痕、划伤及锈蚀等。5.3击实筒
5.3.1材料要求
击实简应用耐腐蚀、耐磨损、布氏硬度HB80~100的金属材料制造。5.3.2内壁表面粗糙度
击实简内壁的表面粗糙度Ra应为6.3μm。5.3.3内径
击实筒的内径相对误差应不超过土0.2%。5.4护筒
5.4.1材料要求
护筒应用耐腐蚀、耐摩擦、布氏硬度HB80~100的金属材料制造。5.4.2内壁表面粗糙度
内壁的表面粗糙度Ra应为6.3μm。5.4.3内径相对误差
内径相对误差应不超过士0.3%。5.5底板
5.5.1材料要求
底板应用机械性能不低于A3的普通碳素钢制造。5.5.2机械尺寸
底板的尺寸规格应符合表1的规定。5.6击锤
5.6.1材料要求
应用机械性能不低于A3的普通碳素钢制造。GB/T22541--2008
5.6.2底面直径
底面直径的相对误差应不超过十0.25%。5.6.3质量相对误差
质量的相对误差应不超过士0.2%。5.6.4落高相对误差
落高的相对误差应不超过士1%。5.7导筒
手动击实仪的导简应用耐腐蚀的金属制造,壁厚为2mm~3mm,两端应设有孔径6mm的均匀分布的排气孔,筒高应根据落高尺寸要求设计。5.8间隙距离
5.8.1手动击实仪的击锤与导筒之间的间隙应为1mm~1.5mm。5.8.2电动击实仪的击锤与击实筒之间的间隙应为2mm~3mm。5.9电动击实仪的功能性要求
5.9.1计数机构应能自动测记击数;工作至预设击数时应能自动停机。5.9.2击锤至设定高度时应能自动脱钩,自由落下,无卡滞现象。5.9.3每一锤击间的平面角分度应均匀,锤击面应套叠。5.10噪声
电动击实仪运转时的噪声(击锤下落引起的瞬时噪声除外)应小于75dB(A)。5.11绝缘电阻
电动击实仪的电器设备不接地处的绝缘电阻应不低于1MQ。5.12耐电强度
电动击实仪的电源输入端与外壳间应能承受交流1500V/50Hz,历时1min无闪络或击穿。5.13机械环境适应性
包装好的仪器经运输颠振后,应满足如下要求:a)仪器表面无损伤,零件无松动、损坏;b)仪器的各项性能应符合5.1~5.12的规定。6试验方法
6.1主要测试设备
主要测试设备包括:
a)电子秤或天平;感量1g;
游标卡尺:分度值为0.05mm,量程0~200mm;c)
钢直尺:分度值为0.5mm;
声级计:0~120dB(A),最小读数0.5dB(A);e
耐压测试仪;
500V绝缘电阻表;
布氏硬度计;
h)专用弧度尺;
i)粗糙度样块;
ji)专用塞环规。
6.2试验方法
6.2.1外观
目测检查仪器外观,结果应符合5.2的要求。4
6.2.2击实筒
6.2.2.1材料要求
应用布氏硬度计进行检测,结果应符合5.3.1的要求。6.2.2.2内壁表面粗糙度
用粗糙度样块比测内壁粗糙度,结果应符合5.3.2的要求。6.2.2.3内径相对误差
应用游标卡尺测量击实筒内径,结果应符合5.3.3的要求。6.2.3护筒
6.2.3.1材料要求
应用布氏硬度计进行检测,结果应符合5.4.1的要求。6.2.3.2内壁表面粗糙度
用粗糙度样块比测内壁粗糙度,结果应符合5.4.2的要求。6.2.3.3内径相对误差
应用游标卡尺测量击实筒内径,结果应符合5.4.3的要求。6.2.4底板
6.2.4.1材料要求
应用布氏硬度计进行检测,结果应符合5.5.1的要求。6.2.4.2机械尺寸
应用游标卡尺进行检测,结果应符合5.5.2的要求。6.2.5击锤
6.2.5.1材料要求
应用布氏硬度计进行检测,结果应符合5.6.1的要求。6.2.5.2底面直径
应用游标卡尺进行检测,结果应符合5.6.2的要求。6.2.5.3质量相对误差
应用电子秤进行检测,结果应符合5.6.3的要求。6.2.5.4落高相对误差
应用钢直尺进行检测,结果应符合5.6.4的要求。6.2.6导筒
目测应符合5.7的要求。
6.2.7间隙距离
应用钢尺或专用塞环规进行检测,结果应符合5.8.1和5.8.2的要求。6.2.8电动击实仪的功能性要求
GB/T 22541—2008
应用专用弧度尺对相邻击锤之间底座转过的弧度进行检测,结果应符合5.9.3的要求。6.2.9噪声
将声级计置于距击实仪正面1m处进行检测,结果应符合5.10的要求。6.2.10绝缘电阻
用500V绝缘电阻表检测击实仪的电源端子和外壳间的绝缘电阻,结果应符合5.11的要求。6.2.11耐电强度
用耐压测试仪检测击实仪的电源端子和外壳间的耐电强度,结果应符合5.12的要求。6.2.12机械环境适应性
仪器在包装状态下经受三级公路50km运输的颠振试验后,结果应符合5.13的要求。5
GB/T225412008
7检验规则
7.1出厂检验
7.1.1仪器出厂前必须进行出厂检验;出厂检验项目分全检和抽检两种。其中,对5.2、5.3.2、5.3.3、5.4.2、5.4.3、5.6.2、5.6.3、5.6.4、5.11、5.12应进行全检,对5.3.1、5.4.1、5.5.1、5.6.1、5.7、5.8、5.9、5.10应进行抽检。
7.1.2全检系对产品进行特定项目检验,抽检系对特定项目进行抽样检验;产品检验中发现不合格品时,应进行返工直至合格。
7.1.3抽检按每批产品数量的5%~10%随机抽样进行检验,每批不得少于3台,若产品数量少于3台,则应全检;当抽检项目出现不合格项时,应根据问题性质决定加倍复检或逐台试验,并应将该台产品进行返工直至合格。
7.1.4每台仪器应经制造厂家质量检验部门检验合格并附有质量合格证方可出厂。7.2型式检验
7.2.1产品在下列情况下应作型式检验:a)新产品试制、定型鉴定或老产品转厂生产时;b)正式生产后,在结构、材料、工艺有较大改变、可能影响产品性能时;c)正式生产后,产品已连续生产三年以上时;d)产品停产一年以上又恢复生产时;e)产品出厂检验结果与上次型式检验结果有较大差异时;国家质量监督机构提出进行型式检验要求时。f)
型式检验应按本标准规定的全部试验项目进行全性能检验。7.2.2
型式检验的样品,应从经出厂检验合格的产品中随机抽取3台。若产品总数少于3台,则应全7.2.3
部检验。
7.2.4检验结果评定:在型式检验中有两台以上(包括两台)不合格时,则应判该批产品不合格。有一台不合格时,则应加倍抽取该产品进行扩大抽样检验。仍有不合格时,则应判该批产品为不合格;若加倍抽样产品全部合格,则该批产品应判为合格。7.2.5经过型式检验的仪器样机,需要更换易损件,并经出厂检验合格后方能出厂。8标志、使用说明书
8.1标志
8.1.1产品标志
在产品的显著位置应具有完整的铭牌标志,内容包括:a)产品型号及名称;
b)生产单位名称、地址及商标;c)生产日期及出厂编号等。
包装标志
在产品的包装箱的适当位置,应标有显著、牢固的包装标志,内容包括:a)仪器型号及名称;
仪器数量;
箱体尺寸(mm);
d)净重或毛重(kg);
运输作业安全标志;
到站(港)及收货单位;
发站(港)及发货单位;
国家工业产品生产许可证编号及标志。随机文件
仪器出厂应提供下列文件:
a)装箱单;
产品出厂合格证明书;
c)产品使用说明书。
8.2使用说明书
产品的使用说明书的内容应符合GB9969.1的有关规定。包装、运输、贮存
9.1包装
仪器主机、零件与附件、备件应分箱包装。9.1.1
9.1.2包装箱选用的材料和结构应能防止风沙和雨水侵人。9.1.3
GB/T22541—-2008
未涂漆的零件应用油封包装。
产品包装后,其包装件重心应尽量靠下且居中,产品装在箱内必须予以支撑、垫平、卡紧。9.1.4
附件箱、备件箱应尽量固定在主机箱内适当位置,装在箱内的附件、备件等也应采取相应的固定9.1.5
措施。
产品的防震、防潮、防尘等防护包装按GB/T15464的有关规定进行。9.2运输
包装好的产品应能适应陆运、水运和空运等各种运输方式。9.3贮存
9.3.1仪器应贮存在干燥、通风、防晒和无化学物质侵蚀的环境中。9.3.2仪器应能在以下规定的范围内贮存:a)温度:-40℃~60℃;
相对湿度:不大于85%。
22541-2008
中华人民共和国
国家标准
土工试验仪器击实仪
GB/T 22541—2008
中国标准出版社出版发行
北京复兴门外三里河北街16号
邮政编码:100045
网址www.spc.net.cn
电话:68523946
68517548
中国标准出版社秦皇岛印刷厂印刷各地新华书店经销
开本880×1230
2009年2月第一版
印张0.75
字数15千字
2009年2月第一次印刷
书号:155066·1-35714定价14.00元如有印装差错
由本社发行中心调换
版权专有侵权必究
举报电话:(010)68533533
小提示:此标准内容仅展示完整标准里的部分截取内容,若需要完整标准请到上方自行免费下载完整标准文档。
中华人民共和国国家标准
GB/T22541-2008
土工试验仪器
击实仪
Instrument for soil test-Compaction apparatus2008-11-21发布
中华人民共和国国家质量监督检验检疫总局中国国家标准花管理委员会
2009-02-01实施
本标准由中华人民共和国水利部提出并归口。GB/T22541-2008
本标准主要起草单位:水利部水文仪器及岩土工程仪器质量监督检验测试中心、国家电力公司南京电力自动化设备总厂、南京土壤仪器厂有限公司。本标准参加起草单位:全国工业产品生产许可证办公室水文仪器及岩土工程仪器审查部、水利部南京水利水文自动化研究所。
本标谁主要起草人:章一新、夏康、茅加峰、徐晓乐。本部分参加起草人:袁普生、鲍良钝1范围
土工试验仪器
击实仪
GB/T22541—2008
本标准规定了击实仪的产品分类、结构组成及规格、技术要求、试验方法、检验规则、标志、使用说明书、包装、运输和贮存的要求。本标准适用于测定粘性土的最大干密度与最优含水率的击实仪。2规范性引用文件
下列文件中的条款通过本标准的引用而成为本标准的条款。凡是注日期的引用文件,其随后所有的修改单(不包括勘误的内容)或修订版均不适用于本标准,然而,鼓励根据本标准达成协议的各方研究是否可使用这些文件的最新版本。凡是不注日期的引用文件,其最新版本适用于本标准。GB9969.1工业产品使用说明书总则GB/T15464仪器仪表包装通用技术条件GB/T50279岩土工程基本术语标准3术语和定义
GB/T50279确立的以及下列术语和定义适用于本标准。3.1
击实仪compactionapparatus
一种利用标准击实方法在给定击实功能下来测定粘性土的最大干密度与最优含水率的土工试验仪器。
最大干密度maximumdrydensity
击实试验所得的干密度与含水率关系曲线上峰值点所对应的干密度。3.3
最优含水率optimummoisturecontent击实试验所得的干密度与含水率关系曲线上最大干密度所对应的含水率。4产品分类、结构组成及规格
4.1产品分类
击实仪按击锤提升动力的不同,分为手动式和电动式两种。4.2结构组成
击实仪主要由击实筒、护筒、底板、导筒简、击锤、落高跟踪机构、击数计数机构等零部件组成。其中手动击实仪结构示意图如图1所示,电动击实仪结构示意图如图2所示。1
GB/T22541—2008
1——底板;
一击实简;
3护筒;
1——机架;
2——土样;
3-—击实筒;
一导筒;
击锤;
一土样。
击数计数机构
击链提升机构
一护筒;
图1手动击实仪
落高跟踪板。
一落高跟踪杆:
击锤;
电动击实仪
落高跟踪机构
击实简分度机构
4.3产品规格
击实仪主要规格应符合表1的规定。击实仪的主要规格
击实筒
内径/
高度/
5技术要求
5.1工作环境
内径/
高度/
直径/
180~190
230~240
180~190
230~240
击实仪应能在下列环境下正常工作:a)温度:5℃~35℃;
厚度/
b)相对湿度:不大于85%(30℃时)。5.2外观
内径/wwW.bzxz.Net
53~54
外径/
底面直径/
GB/T 22541-2008
质量/
落高/
速率/
(N/min)
5.2.1仪器的铸件表面应无气泡和砂眼。5.2.2仪器的表面漆层或镀层应平整、光滑、均匀;不得有斑点、气泡、脱皮、皱纹、碰痕、划伤及锈蚀等。5.3击实筒
5.3.1材料要求
击实简应用耐腐蚀、耐磨损、布氏硬度HB80~100的金属材料制造。5.3.2内壁表面粗糙度
击实简内壁的表面粗糙度Ra应为6.3μm。5.3.3内径
击实筒的内径相对误差应不超过土0.2%。5.4护筒
5.4.1材料要求
护筒应用耐腐蚀、耐摩擦、布氏硬度HB80~100的金属材料制造。5.4.2内壁表面粗糙度
内壁的表面粗糙度Ra应为6.3μm。5.4.3内径相对误差
内径相对误差应不超过士0.3%。5.5底板
5.5.1材料要求
底板应用机械性能不低于A3的普通碳素钢制造。5.5.2机械尺寸
底板的尺寸规格应符合表1的规定。5.6击锤
5.6.1材料要求
应用机械性能不低于A3的普通碳素钢制造。GB/T22541--2008
5.6.2底面直径
底面直径的相对误差应不超过十0.25%。5.6.3质量相对误差
质量的相对误差应不超过士0.2%。5.6.4落高相对误差
落高的相对误差应不超过士1%。5.7导筒
手动击实仪的导简应用耐腐蚀的金属制造,壁厚为2mm~3mm,两端应设有孔径6mm的均匀分布的排气孔,筒高应根据落高尺寸要求设计。5.8间隙距离
5.8.1手动击实仪的击锤与导筒之间的间隙应为1mm~1.5mm。5.8.2电动击实仪的击锤与击实筒之间的间隙应为2mm~3mm。5.9电动击实仪的功能性要求
5.9.1计数机构应能自动测记击数;工作至预设击数时应能自动停机。5.9.2击锤至设定高度时应能自动脱钩,自由落下,无卡滞现象。5.9.3每一锤击间的平面角分度应均匀,锤击面应套叠。5.10噪声
电动击实仪运转时的噪声(击锤下落引起的瞬时噪声除外)应小于75dB(A)。5.11绝缘电阻
电动击实仪的电器设备不接地处的绝缘电阻应不低于1MQ。5.12耐电强度
电动击实仪的电源输入端与外壳间应能承受交流1500V/50Hz,历时1min无闪络或击穿。5.13机械环境适应性
包装好的仪器经运输颠振后,应满足如下要求:a)仪器表面无损伤,零件无松动、损坏;b)仪器的各项性能应符合5.1~5.12的规定。6试验方法
6.1主要测试设备
主要测试设备包括:
a)电子秤或天平;感量1g;
游标卡尺:分度值为0.05mm,量程0~200mm;c)
钢直尺:分度值为0.5mm;
声级计:0~120dB(A),最小读数0.5dB(A);e
耐压测试仪;
500V绝缘电阻表;
布氏硬度计;
h)专用弧度尺;
i)粗糙度样块;
ji)专用塞环规。
6.2试验方法
6.2.1外观
目测检查仪器外观,结果应符合5.2的要求。4
6.2.2击实筒
6.2.2.1材料要求
应用布氏硬度计进行检测,结果应符合5.3.1的要求。6.2.2.2内壁表面粗糙度
用粗糙度样块比测内壁粗糙度,结果应符合5.3.2的要求。6.2.2.3内径相对误差
应用游标卡尺测量击实筒内径,结果应符合5.3.3的要求。6.2.3护筒
6.2.3.1材料要求
应用布氏硬度计进行检测,结果应符合5.4.1的要求。6.2.3.2内壁表面粗糙度
用粗糙度样块比测内壁粗糙度,结果应符合5.4.2的要求。6.2.3.3内径相对误差
应用游标卡尺测量击实筒内径,结果应符合5.4.3的要求。6.2.4底板
6.2.4.1材料要求
应用布氏硬度计进行检测,结果应符合5.5.1的要求。6.2.4.2机械尺寸
应用游标卡尺进行检测,结果应符合5.5.2的要求。6.2.5击锤
6.2.5.1材料要求
应用布氏硬度计进行检测,结果应符合5.6.1的要求。6.2.5.2底面直径
应用游标卡尺进行检测,结果应符合5.6.2的要求。6.2.5.3质量相对误差
应用电子秤进行检测,结果应符合5.6.3的要求。6.2.5.4落高相对误差
应用钢直尺进行检测,结果应符合5.6.4的要求。6.2.6导筒
目测应符合5.7的要求。
6.2.7间隙距离
应用钢尺或专用塞环规进行检测,结果应符合5.8.1和5.8.2的要求。6.2.8电动击实仪的功能性要求
GB/T 22541—2008
应用专用弧度尺对相邻击锤之间底座转过的弧度进行检测,结果应符合5.9.3的要求。6.2.9噪声
将声级计置于距击实仪正面1m处进行检测,结果应符合5.10的要求。6.2.10绝缘电阻
用500V绝缘电阻表检测击实仪的电源端子和外壳间的绝缘电阻,结果应符合5.11的要求。6.2.11耐电强度
用耐压测试仪检测击实仪的电源端子和外壳间的耐电强度,结果应符合5.12的要求。6.2.12机械环境适应性
仪器在包装状态下经受三级公路50km运输的颠振试验后,结果应符合5.13的要求。5
GB/T225412008
7检验规则
7.1出厂检验
7.1.1仪器出厂前必须进行出厂检验;出厂检验项目分全检和抽检两种。其中,对5.2、5.3.2、5.3.3、5.4.2、5.4.3、5.6.2、5.6.3、5.6.4、5.11、5.12应进行全检,对5.3.1、5.4.1、5.5.1、5.6.1、5.7、5.8、5.9、5.10应进行抽检。
7.1.2全检系对产品进行特定项目检验,抽检系对特定项目进行抽样检验;产品检验中发现不合格品时,应进行返工直至合格。
7.1.3抽检按每批产品数量的5%~10%随机抽样进行检验,每批不得少于3台,若产品数量少于3台,则应全检;当抽检项目出现不合格项时,应根据问题性质决定加倍复检或逐台试验,并应将该台产品进行返工直至合格。
7.1.4每台仪器应经制造厂家质量检验部门检验合格并附有质量合格证方可出厂。7.2型式检验
7.2.1产品在下列情况下应作型式检验:a)新产品试制、定型鉴定或老产品转厂生产时;b)正式生产后,在结构、材料、工艺有较大改变、可能影响产品性能时;c)正式生产后,产品已连续生产三年以上时;d)产品停产一年以上又恢复生产时;e)产品出厂检验结果与上次型式检验结果有较大差异时;国家质量监督机构提出进行型式检验要求时。f)
型式检验应按本标准规定的全部试验项目进行全性能检验。7.2.2
型式检验的样品,应从经出厂检验合格的产品中随机抽取3台。若产品总数少于3台,则应全7.2.3
部检验。
7.2.4检验结果评定:在型式检验中有两台以上(包括两台)不合格时,则应判该批产品不合格。有一台不合格时,则应加倍抽取该产品进行扩大抽样检验。仍有不合格时,则应判该批产品为不合格;若加倍抽样产品全部合格,则该批产品应判为合格。7.2.5经过型式检验的仪器样机,需要更换易损件,并经出厂检验合格后方能出厂。8标志、使用说明书
8.1标志
8.1.1产品标志
在产品的显著位置应具有完整的铭牌标志,内容包括:a)产品型号及名称;
b)生产单位名称、地址及商标;c)生产日期及出厂编号等。
包装标志
在产品的包装箱的适当位置,应标有显著、牢固的包装标志,内容包括:a)仪器型号及名称;
仪器数量;
箱体尺寸(mm);
d)净重或毛重(kg);
运输作业安全标志;
到站(港)及收货单位;
发站(港)及发货单位;
国家工业产品生产许可证编号及标志。随机文件
仪器出厂应提供下列文件:
a)装箱单;
产品出厂合格证明书;
c)产品使用说明书。
8.2使用说明书
产品的使用说明书的内容应符合GB9969.1的有关规定。包装、运输、贮存
9.1包装
仪器主机、零件与附件、备件应分箱包装。9.1.1
9.1.2包装箱选用的材料和结构应能防止风沙和雨水侵人。9.1.3
GB/T22541—-2008
未涂漆的零件应用油封包装。
产品包装后,其包装件重心应尽量靠下且居中,产品装在箱内必须予以支撑、垫平、卡紧。9.1.4
附件箱、备件箱应尽量固定在主机箱内适当位置,装在箱内的附件、备件等也应采取相应的固定9.1.5
措施。
产品的防震、防潮、防尘等防护包装按GB/T15464的有关规定进行。9.2运输
包装好的产品应能适应陆运、水运和空运等各种运输方式。9.3贮存
9.3.1仪器应贮存在干燥、通风、防晒和无化学物质侵蚀的环境中。9.3.2仪器应能在以下规定的范围内贮存:a)温度:-40℃~60℃;
相对湿度:不大于85%。
22541-2008
中华人民共和国
国家标准
土工试验仪器击实仪
GB/T 22541—2008
中国标准出版社出版发行
北京复兴门外三里河北街16号
邮政编码:100045
网址www.spc.net.cn
电话:68523946
68517548
中国标准出版社秦皇岛印刷厂印刷各地新华书店经销
开本880×1230
2009年2月第一版
印张0.75
字数15千字
2009年2月第一次印刷
书号:155066·1-35714定价14.00元如有印装差错
由本社发行中心调换
版权专有侵权必究
举报电话:(010)68533533
小提示:此标准内容仅展示完整标准里的部分截取内容,若需要完整标准请到上方自行免费下载完整标准文档。
标准图片预览:





- 热门标准
- 国家标准(GB)
- GB/T2828.1-2012 计数抽样检验程序 第1部分:按接收质量限(AQL)检索的逐批检验抽样计划
- GB50367-2013 混凝土结构加固设计规范
- GB/T18204.4-2000 公共场所毛巾、床上卧具微生物检验方法细菌总数测定
- GB5009.225-2023 食品安全国家标准 酒和食用酒精中乙醇浓度的测定
- GB/T3836.1-2021 爆炸性环境 第1部分:设备 通用要求
- GB/T29863-2023 服装制图
- GB/T9145-2003 普通螺纹 中等精度、优选系列的极限尺寸
- GB/T11839-1989 二氧化铀芯块中硼的测定 姜黄素萃取光度法
- GB/T23892.3-2009 滑动轴承 稳态条件下流体动压可倾瓦块止推轴承 第3部分:可倾瓦块止推轴承计算的许用值
- GB/T18380.33-2022 电缆和光缆在火焰条件下的燃烧试验 第33部分:垂直安装的成束电线电缆火焰垂直蔓延试验 A类
- GB/T9239-1988 刚性转子平衡品质 许用不平衡的确定
- GB/T15917.3-1995 金属镝及氧化镝化学分析方法 对氯苯基荧光酮--溴化十六烷基三甲基胺分光光度法测定钽量
- GB50209-2002 建筑地面工程施工质量验收规范
- GB/T6122.1-2002 圆角铣刀 第1部分:型式和尺寸
- GB/T7433-1987 对称电缆载波通信系统抗无线电广播和通信干扰的指标
- 行业新闻
请牢记:“bzxz.net”即是“标准下载”四个汉字汉语拼音首字母与国际顶级域名“.net”的组合。 ©2025 标准下载网 www.bzxz.net 本站邮件:bzxznet@163.com
网站备案号:湘ICP备2025141790号-2
网站备案号:湘ICP备2025141790号-2