- 您的位置:
- 标准下载网 >>
- 标准分类 >>
- 轻工行业标准(QB) >>
- QB/T 1618-2006 皮腰带
标准号:
QB/T 1618-2006
标准名称:
皮腰带
标准类别:
轻工行业标准(QB)
标准状态:
现行-
发布日期:
2006-09-14 -
实施日期:
2007-05-01 出版语种:
简体中文下载格式:
.rar.pdf下载大小:
205.90 KB
标准ICS号:
纺织和皮革技术>>皮革技术>>59.140.35皮革制品中标分类号:
轻工、文化与生活用品>>皮革加工与制品>>Y48毛皮、皮革与人造革制品
替代情况:
替代QB/T 1618-1992
起草人:
钟锡豪、刘显奎、李石欣、李铁峰起草单位:
中国皮革和制鞋工业研究院归口单位:
全国皮革工业标准化技术委员会提出单位:
中国轻工业联合会发布部门:
国家发展和改革委员会主管部门:
国家发展和改革委员会相关标签:
腰带
点击下载
标准简介:
标准下载解压密码:www.bzxz.net
本标准规定了皮腰带的术语和定义、产品分类、要求、试验方法和检验规则、标志、标签、包装、运输、贮存。本标准适用于以皮革、人造革、合成革造成的日用腰带。本标准不适用于各种特殊用途的腰带。 QB/T 1618-2006 皮腰带 QB/T1618-2006
部分标准内容:
[CS 59.140.35
分类号:Y48
备案号:189282006
中华人民共和国轻工行业标准
QB/T1618—2006
代格QB/T1618-1992
皮腰带
Leather belt
2006-09-14发布
中华人民共和国国家发展和改革委员会2007-05-01实施
com前言
本标准足对QB/T[618一1992《皮腰带》的修订。本标准与QR/T1618一1992相比,±要变化如下:对术语部分的描述做了修改:
一产品分类中,增加了更多品种、结构、款式的腰节:QB/T1618—2006
为适应市场的需要,腰带的长度、宽度、厚度不做规定,但对相应的允许偏差有所要求,要求对规格进行标注;
为适应使用需求,取消刘孔距、距离尾端规定值及带孔数量(只)的规定:改变了原标准中“脱试验”的方泌及判定,减少了人为因素的误差:增加了腰带的带扣咬合力、带体断裂力、带孔撕裂力和带齿咬合力指标,取消了带圈厚度限制将产品分级为优等品、合格品;将抽样数量改为从出厂合格品中抽取件,对批判定,做了相应的调整,本标准白轻工业联含会提出。
本标准用全国皮革工业标准化技术委员会(SAC/TC252)H二本标准起草单位:广东省鞋类产品质量监督检验站,中国皮革和制鞋工业研究院。本标准上要起节人:钟锡豪,刘显牵,李石欣,李铁峰、本标准H实施之日起,代替原轻工部发布的轻T行业标准QBT1618一1992《皮腰带》,本标准于1992年11月首次发布,本次为篇一次修订。1范围
皮腰带
QB/T 16182006
本标规定了皮購范的术语私定义、产品分类、要求、试验方法和检验规则、标感、标签、包装运输、存:下载标准就来标准下载网
本标准造用以皮革、大造革、合成革制成的[]剂腰带:本标准不适用于各利特殊用途的腰带:2规范性引用文件
下列文件中的条款通过本标准的引用而成为本标推的条款,风是注H期的引用文件,其随后所有的修改单(不包括勘误的内容)或修订版均不适月于本标准,然:鼓励根据本标准达成协议的各方研究是否使用这些文件的最新版本。凡是不注扫期的引用文件,其最新版木适用于本标准。QB/T2001鞋底用皮革
QB/T2537皮革负牢度试验往复式摩擦色牢度(QB/T2537-2001,1SO11640:1993.FQV)QB/T3826一1999轻T.品金属镀层和化学处理层的耐腐蚀试验方法41型盐雾试验(NSS)法QB/T3832—1999
轻工品金膚镀层腐蚀试验结果的评价3术语和定义
下死术语和楚义适用于本标准,3.1
装带扣的一端。
相对于带头的另一端,
带头皮料折叠部位,
铆合件
固定甩头或其他部位的配件。
腰带圈
引宁和固定腰带的圈,
腰带的长和宽,以米为单位表示,上
QB/T 1618—2006
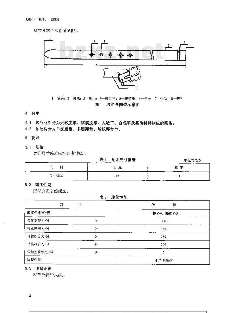
带各部位示意图见图1。
1—带头:2-带尾;3-甩头;4—铆合件:5腰带圈:6—带长:7带宽:8—带孔图1腰带各部位示意图
4分类
4.1按原材料分为大然皮革、移膜皮革、人造革、合成革及其他材料制成的腰带。4.2按结构分为单层腰带、多层腰带、编织腰带等。5要求
5.1规格
允许尺寸偏差应符合表1规定。
表 1允许尺寸偏差
尺寸偏差
5. 2理化性能
应符合表2的规定。
摩擦色率度/级
带体断製力/N
昔撕裂力/N
带扣咬合力/N
带出台为/N
带扣谢腐蚀性/级
折裂性能
5.3缝制要求
应符合表3的规定。
表 2 理化性能
单位为毫米
干擦4,湿擦23
不产生裂纹
com针
缝线边站
外观质量
应符合表4的规定。
酒层村料
人造革,合成革
纺织面料
铆合件
矮带图
6试验方法
6.1装置
6. 1. 1 测量工具
表3继制要求
优等品
QB/T 1618—2006
合格品
(6~12)针/30mm(装饰线除处)1.5mm~3.0mm(装饰线除外)
顺直、均句、松紧放,不延斜,无空针、漏针、跳针,浮线、双针眼
表4外观质量
优等品
革面平整、孕薄均分,元起壳、裂面、裂浆。表面光折痕、刀伤,无色差表面平整,无裂面,无新痕、划伤,多层腰带粘合率固,不开胶。不允许有凹凸疙落和道
表面平整,无断经、断纬,无跳纱,无疵点
顺、均勺、松紧一致、无明显正斜。示空铲、漏针、跳计针、浮线、双针眼合格品
节面平整、厚游为匀,无起壳、裂面、浆。表前无严重折痕、刀伤,基本无色差,允许有不明显的轻微伤残2处
表面平整,无裂白,无折痕、剖伤,多吴腰带粘合宰固,不开胶。不允许有明显的凹、疫和印道
表而P整,无断经、断纬,无跳纱。允许有不明显的疵点2 处
无锈、无毛刘,镀层均句、去划狼,不许有烧焦、起泡、起皮和漏镀现象序薄均勾H不得低于1.5mm
上锈、无毛刺,镇层均勺,无划痕。跖离相等,安装牢固、端正
与带扣相吻合
光滑、不脱色
结实、圆整
茶本平整
整泄、配件光滑、无毛刺
腰带圈套在腰带1人小吻合
饲板尺,最刻度0.5mm、1mm:钢卷尺,最小刻度1mm。6.1.2测量设备
无锈、无毛刺,镀层均匀,背面允许行轻微划痕。距离相等,安装牢固、瑞正拉力机:拉仲速度为(100±20)mm/min,拉力机所显示的力的读数应落在经校的准确度布:1%以内的那段刻度上。
6.2规格
6.2.1长度
QB/T1618-2006
用分度值为[mm的钢直尺(或钢卷尺)进行测量。6.2.2宽度
用分度值为0.5mm的钢有尺进行测旦,6.3摩擦色牢度
按QB/T2537的规定分别在带面、带里进行检验,测试以质量1000g6.4带体断裂力
将腰带的无孔部位下样300mm,固定在拉力机::有效试验距离为200mm,开动机器,直到腰带样品断裂,读取最高数值件:为腰带的断裂力。6.5带孔撕裂力
将直径为4mm的金属钩(承受成力大于50kg)固定在拉力机的上持器上,将挂钩钩入带孔,月下火持器固定腰带两另一端,并动机器,直到带体断裂,读取最高数值作为腰带的带孔撕裂力。6.6带扣合力
将带头和腰带固定在拉力机上,固定点之问距离150mm,开动机器,直到节头脱落,读取最高数值作为腰带的咬台方。
6.7带齿咬合力
将带头和带达咬介牢固,放置在拉方机上,开动机器,直到带头从带齿上滑动,读取最高数值作为带齿的咬合力。
6.8带扣耐腐蚀性
按QB/T3826—1999进行检验,按QB/T3832—1999进行评定。6.9折裂性能
按QB/T2001附录B进行检验,将单面向外围绕直径30mm邀杆体弯曲180°时,看革面是古产生裂纹【反要能使面层材料巧圆举接触即可】6.10针距
用钢板尺在.成品任意直线部位取50mm测量,6.11 外观质量
用官并结合量尺检骚
7检验规则
7.1组批
以同-品种原料投产,按同“生工艺生产!来的同“品种的产品组成一个检验批。7.2出厂检验
7.2.1产品出厂前应进行检验,经检验合格并附有合格标识(或检验标患)方可出!。7.2.2检验项目
外观质量。
7.2.3检验内容和数量
外观质量为逐签检验,按6.11的规定逐条进行。7.2.4判定规则
观质量检验中,不合格项不超过一项,则判该产品合格。7.3型式检验
有下列情况之者,应进行型式检验,a)产品结构、工艺、材料有重大改变时:b)产品长期停产(G个月)后恢复生产时:c)国家质量技术监督机构提山进行型式捡验时:4
d)山带生产时,每半年不少过行次型式检验,7.3.1抽样数量
从出!检验合格的产品中领机抽取,条进行检验7.3.2判定规则
7.3.2.1单件判定规则
QB/T 1618 2006
a)优等品:被测样站全部达到优等品发求,则判该件产品为优等品。b)合格品:理化性能指标个部合格,在寸偏关和外观要求中不合格项累计不超过二项,则判该件产品合格,
7.3.2.2批量判定规则
a)优等品:兰条被测样品个部达到优等品要求,则剂该批产品为优等品。b)个格品:三条被格测样品全部到合格品要求,则判该批产用含格。如果一条被测样品均不合格旁,则不再复检,判该批产品不合格如有条(或二条)不个格,加倍抽样六条复验不合格项。复验个部合格,则判该批产品合格,8标志、标签、包装、运输、贮存8.1标志
经检验合格的产品应以下标志:产品称、货号、颜色、产地、商标、产品标准少、产品合格证(或检验标志)、准产单位(经销单位)名称、联系中话、出厂(生产)日期。8.2标签
产品标签应包括以下内容:
产品名称、产品标准编号、规格(长/宽),货号、材质(面层,底层)、合格(捡验)标志8.3包装
产品的内外包装应采用适宜的包装材料,防止产品受损,8.4运输和贮存
防止曝晒、雨雪淋:
保持通风工燥:不得重压,防虾、防渤,避免高温环境:一远离化学物质、液体浸蚀:
一避免尖锐物品的戳、划。
一华人
共和国
软!行业标准
皮腰带
QB/T 1618-2006
中轻业出波社山版发行
地圳:北京东长安街6号
邮政编码:100740
发1电话:(010)65241695
网l.:hiip://chilip.com.cnEmuil:clubchlip.com.cn
轻工业标准化沪辑出波委灵会编辑地川:北京西城区为坛北小街6号邦收编码:100037
电话:010:6049923
版权所有侵权必究
书号:1550192935
即数:1·200
小提示:此标准内容仅展示完整标准里的部分截取内容,若需要完整标准请到上方自行免费下载完整标准文档。
分类号:Y48
备案号:189282006
中华人民共和国轻工行业标准
QB/T1618—2006
代格QB/T1618-1992
皮腰带
Leather belt
2006-09-14发布
中华人民共和国国家发展和改革委员会2007-05-01实施
com前言
本标准足对QB/T[618一1992《皮腰带》的修订。本标准与QR/T1618一1992相比,±要变化如下:对术语部分的描述做了修改:
一产品分类中,增加了更多品种、结构、款式的腰节:QB/T1618—2006
为适应市场的需要,腰带的长度、宽度、厚度不做规定,但对相应的允许偏差有所要求,要求对规格进行标注;
为适应使用需求,取消刘孔距、距离尾端规定值及带孔数量(只)的规定:改变了原标准中“脱试验”的方泌及判定,减少了人为因素的误差:增加了腰带的带扣咬合力、带体断裂力、带孔撕裂力和带齿咬合力指标,取消了带圈厚度限制将产品分级为优等品、合格品;将抽样数量改为从出厂合格品中抽取件,对批判定,做了相应的调整,本标准白轻工业联含会提出。
本标准用全国皮革工业标准化技术委员会(SAC/TC252)H二本标准起草单位:广东省鞋类产品质量监督检验站,中国皮革和制鞋工业研究院。本标准上要起节人:钟锡豪,刘显牵,李石欣,李铁峰、本标准H实施之日起,代替原轻工部发布的轻T行业标准QBT1618一1992《皮腰带》,本标准于1992年11月首次发布,本次为篇一次修订。1范围
皮腰带
QB/T 16182006
本标规定了皮購范的术语私定义、产品分类、要求、试验方法和检验规则、标感、标签、包装运输、存:下载标准就来标准下载网
本标准造用以皮革、大造革、合成革制成的[]剂腰带:本标准不适用于各利特殊用途的腰带:2规范性引用文件
下列文件中的条款通过本标准的引用而成为本标推的条款,风是注H期的引用文件,其随后所有的修改单(不包括勘误的内容)或修订版均不适月于本标准,然:鼓励根据本标准达成协议的各方研究是否使用这些文件的最新版本。凡是不注扫期的引用文件,其最新版木适用于本标准。QB/T2001鞋底用皮革
QB/T2537皮革负牢度试验往复式摩擦色牢度(QB/T2537-2001,1SO11640:1993.FQV)QB/T3826一1999轻T.品金属镀层和化学处理层的耐腐蚀试验方法41型盐雾试验(NSS)法QB/T3832—1999
轻工品金膚镀层腐蚀试验结果的评价3术语和定义
下死术语和楚义适用于本标准,3.1
装带扣的一端。
相对于带头的另一端,
带头皮料折叠部位,
铆合件
固定甩头或其他部位的配件。
腰带圈
引宁和固定腰带的圈,
腰带的长和宽,以米为单位表示,上
QB/T 1618—2006
带各部位示意图见图1。
1—带头:2-带尾;3-甩头;4—铆合件:5腰带圈:6—带长:7带宽:8—带孔图1腰带各部位示意图
4分类
4.1按原材料分为大然皮革、移膜皮革、人造革、合成革及其他材料制成的腰带。4.2按结构分为单层腰带、多层腰带、编织腰带等。5要求
5.1规格
允许尺寸偏差应符合表1规定。
表 1允许尺寸偏差
尺寸偏差
5. 2理化性能
应符合表2的规定。
摩擦色率度/级
带体断製力/N
昔撕裂力/N
带扣咬合力/N
带出台为/N
带扣谢腐蚀性/级
折裂性能
5.3缝制要求
应符合表3的规定。
表 2 理化性能
单位为毫米
干擦4,湿擦23
不产生裂纹
com针
缝线边站
外观质量
应符合表4的规定。
酒层村料
人造革,合成革
纺织面料
铆合件
矮带图
6试验方法
6.1装置
6. 1. 1 测量工具
表3继制要求
优等品
QB/T 1618—2006
合格品
(6~12)针/30mm(装饰线除处)1.5mm~3.0mm(装饰线除外)
顺直、均句、松紧放,不延斜,无空针、漏针、跳针,浮线、双针眼
表4外观质量
优等品
革面平整、孕薄均分,元起壳、裂面、裂浆。表面光折痕、刀伤,无色差表面平整,无裂面,无新痕、划伤,多层腰带粘合率固,不开胶。不允许有凹凸疙落和道
表面平整,无断经、断纬,无跳纱,无疵点
顺、均勺、松紧一致、无明显正斜。示空铲、漏针、跳计针、浮线、双针眼合格品
节面平整、厚游为匀,无起壳、裂面、浆。表前无严重折痕、刀伤,基本无色差,允许有不明显的轻微伤残2处
表面平整,无裂白,无折痕、剖伤,多吴腰带粘合宰固,不开胶。不允许有明显的凹、疫和印道
表而P整,无断经、断纬,无跳纱。允许有不明显的疵点2 处
无锈、无毛刘,镀层均句、去划狼,不许有烧焦、起泡、起皮和漏镀现象序薄均勾H不得低于1.5mm
上锈、无毛刺,镇层均勺,无划痕。跖离相等,安装牢固、端正
与带扣相吻合
光滑、不脱色
结实、圆整
茶本平整
整泄、配件光滑、无毛刺
腰带圈套在腰带1人小吻合
饲板尺,最刻度0.5mm、1mm:钢卷尺,最小刻度1mm。6.1.2测量设备
无锈、无毛刺,镀层均匀,背面允许行轻微划痕。距离相等,安装牢固、瑞正拉力机:拉仲速度为(100±20)mm/min,拉力机所显示的力的读数应落在经校的准确度布:1%以内的那段刻度上。
6.2规格
6.2.1长度
QB/T1618-2006
用分度值为[mm的钢直尺(或钢卷尺)进行测量。6.2.2宽度
用分度值为0.5mm的钢有尺进行测旦,6.3摩擦色牢度
按QB/T2537的规定分别在带面、带里进行检验,测试以质量1000g6.4带体断裂力
将腰带的无孔部位下样300mm,固定在拉力机::有效试验距离为200mm,开动机器,直到腰带样品断裂,读取最高数值件:为腰带的断裂力。6.5带孔撕裂力
将直径为4mm的金属钩(承受成力大于50kg)固定在拉力机的上持器上,将挂钩钩入带孔,月下火持器固定腰带两另一端,并动机器,直到带体断裂,读取最高数值作为腰带的带孔撕裂力。6.6带扣合力
将带头和腰带固定在拉力机上,固定点之问距离150mm,开动机器,直到节头脱落,读取最高数值作为腰带的咬台方。
6.7带齿咬合力
将带头和带达咬介牢固,放置在拉方机上,开动机器,直到带头从带齿上滑动,读取最高数值作为带齿的咬合力。
6.8带扣耐腐蚀性
按QB/T3826—1999进行检验,按QB/T3832—1999进行评定。6.9折裂性能
按QB/T2001附录B进行检验,将单面向外围绕直径30mm邀杆体弯曲180°时,看革面是古产生裂纹【反要能使面层材料巧圆举接触即可】6.10针距
用钢板尺在.成品任意直线部位取50mm测量,6.11 外观质量
用官并结合量尺检骚
7检验规则
7.1组批
以同-品种原料投产,按同“生工艺生产!来的同“品种的产品组成一个检验批。7.2出厂检验
7.2.1产品出厂前应进行检验,经检验合格并附有合格标识(或检验标患)方可出!。7.2.2检验项目
外观质量。
7.2.3检验内容和数量
外观质量为逐签检验,按6.11的规定逐条进行。7.2.4判定规则
观质量检验中,不合格项不超过一项,则判该产品合格。7.3型式检验
有下列情况之者,应进行型式检验,a)产品结构、工艺、材料有重大改变时:b)产品长期停产(G个月)后恢复生产时:c)国家质量技术监督机构提山进行型式捡验时:4
d)山带生产时,每半年不少过行次型式检验,7.3.1抽样数量
从出!检验合格的产品中领机抽取,条进行检验7.3.2判定规则
7.3.2.1单件判定规则
QB/T 1618 2006
a)优等品:被测样站全部达到优等品发求,则判该件产品为优等品。b)合格品:理化性能指标个部合格,在寸偏关和外观要求中不合格项累计不超过二项,则判该件产品合格,
7.3.2.2批量判定规则
a)优等品:兰条被测样品个部达到优等品要求,则剂该批产品为优等品。b)个格品:三条被格测样品全部到合格品要求,则判该批产用含格。如果一条被测样品均不合格旁,则不再复检,判该批产品不合格如有条(或二条)不个格,加倍抽样六条复验不合格项。复验个部合格,则判该批产品合格,8标志、标签、包装、运输、贮存8.1标志
经检验合格的产品应以下标志:产品称、货号、颜色、产地、商标、产品标准少、产品合格证(或检验标志)、准产单位(经销单位)名称、联系中话、出厂(生产)日期。8.2标签
产品标签应包括以下内容:
产品名称、产品标准编号、规格(长/宽),货号、材质(面层,底层)、合格(捡验)标志8.3包装
产品的内外包装应采用适宜的包装材料,防止产品受损,8.4运输和贮存
防止曝晒、雨雪淋:
保持通风工燥:不得重压,防虾、防渤,避免高温环境:一远离化学物质、液体浸蚀:
一避免尖锐物品的戳、划。
一华人
共和国
软!行业标准
皮腰带
QB/T 1618-2006
中轻业出波社山版发行
地圳:北京东长安街6号
邮政编码:100740
发1电话:(010)65241695
网l.:hiip://chilip.com.cnEmuil:clubchlip.com.cn
轻工业标准化沪辑出波委灵会编辑地川:北京西城区为坛北小街6号邦收编码:100037
电话:010:6049923
版权所有侵权必究
书号:1550192935
即数:1·200
小提示:此标准内容仅展示完整标准里的部分截取内容,若需要完整标准请到上方自行免费下载完整标准文档。
标准图片预览:





- 其它标准
- 上一篇: QB/T 1599-2006 书画纸
- 下一篇: QB/T 1619-2006 票夹
- 热门标准
- 轻工行业标准(QB)
- QB/T5302-2018 生活用干纸巾流延聚乙烯(CPE) 包装膜
- QB/T2833-2006 运动营养食品 能量控制食品
- QB/T1640-1992 陶瓷模用石膏粉物理性能测试方法
- QB/T1334-2013 水嘴通用技术条件
- QB/T4701-2014 毛发护理器具环境意识设计导则
- QB/T1272-2012 毛皮 化学试验样品的准备
- QB/T2049.5-1994 电光源玻壳K型玻壳尺寸系列
- QB1872-1993 服装用皮革
- QB/T2816-2006 工业用缝纫机单(双)针下送料立柱式平缝机机头
- QB6005-1992 麦芽厂设计规范
- QB/T2421-1998 铝及铝合金不粘锅
- QB/T4427-2012 芸香浸膏 枫香树脂提取物
- QB/T5302-2018 生活用干纸巾流延聚乙烯(CPE) 包装膜
- QB/T2530-2001 木制柜
- QB/T2157-1995 制革用揩光浆、颜料膏测试方法
- 行业新闻
请牢记:“bzxz.net”即是“标准下载”四个汉字汉语拼音首字母与国际顶级域名“.net”的组合。 ©2025 标准下载网 www.bzxz.net 本站邮件:bzxznet@163.com
网站备案号:湘ICP备2025141790号-2
网站备案号:湘ICP备2025141790号-2