- 您的位置:
- 标准下载网 >>
- 标准分类 >>
- 农业行业标准(NY) >>
- NY/T 776-2004 丝瓜
标准号:
NY/T 776-2004
标准名称:
丝瓜
标准类别:
农业行业标准(NY)
标准状态:
现行-
发布日期:
2004-04-16 -
实施日期:
2004-06-01 出版语种:
简体中文下载格式:
.rar.pdf下载大小:
226.64 KB
起草人:
常伟、刘云福、杨莉起草单位:
四川省农业科学院园艺研究所、四川省农业厅等提出单位:
中华人民共和国农业部发布部门:
中华人民共和国农业部相关标签:
丝瓜
点击下载
标准简介:
标准下载解压密码:www.bzxz.net
本标准规定了丝瓜的要求、试验方法、检验规则、标志、包装、运输和贮存。本标准适用于丝瓜的生产、收购和流通。 NY/T 776-2004 丝瓜 NY/T776-2004
部分标准内容:
ICS67.080.20
中华人民共和国农业行业标准
NY/T776--2004
2004-04-16发布
2004-05-01实施
中华人民共和国农业部
本际准由中华人民共和利国表业部提出:前言
1T 7762004
本标准起毕单位:四川省农业科学院园艺研究所、四川省农业乐、成都市第农业科学研究汇木标准上要起草人:常伟、刘云概、杨构。范围
本标准规定了丝底的要求试验方法、检验规则标志、包装、运输和忙存标准适用于丝瓜的牛产收购和流通。2规范性引用文件
NY:1 776-2004
下列文件中的条款通过本称准的引门们而成为本标准的条款:凡足汇H期的引用文件,其随后所有修改单(不包折勘误的内容)或修订版均小适而1本标准,然而,鼓励根烘本标准达皮协议的各方研究再使用这些文件的最新版本。儿是不注日期的可川文件,其最新版本适用丁不标雅GB/T 5009.11
食品中总砷技无机神的测定
GB/T 5009.12
G3/T5009.15
食品中铅的测定
食品镉的测定
食品小总求技有机求的测楚
食雷叶有机磷农药残留最的测定蔬菜,水果 1牛标准的分析方法
G13/T 6543
瓦楞纸箱
GI/T 8855
GH 8R68
GBZ114878
新鲜水呆和蔬菜的取样方法
蔬莱塑料周转箱
食品中门菌清残留量的测定方法(R/T14929.4:食品叫氯鼠翁酯氰戊脂和溴舍菊酯裁留量测定方滤3/T14973食品中粉锈宁残留量的测定方法3要求
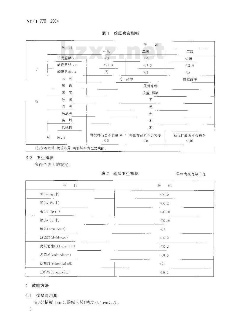
31感官指标
应符合表「的舰定:
NYT 776—20C4
[K度差异,In
径差异.cm
畸形秉率,鼎
病虫米
机械伤
丝瓜感官指标
每批样品总不合格率
注:长漫养异、横径学兄、崎形具本为土要缺陷3.2卫生指标
府符合表2的规定
无外米物
完整鲜嫩
年批样品总不个格剂
表2丝瓜卫生指标
来io「Tg 计
乐果(dire.lute)
改改(dchlows)
浪(cd:l.rn:ihrin)
多前是(carlxndazim)
白萄清(elilonhatonl)
二( ade:I)
4试验方法
4.1仪器与用具
直尺(精度1cr)游标卡尺(精度0.1erm)2
拍似品种
每批样品总不合格率
单位为完克每「克
2.2感官指标
2.2.1丝瓜品种、冻害、腐烂、病虫害、机械损伤、外米物川口测法检验4.2.2味用身方法检测。
4.2.3鲜嫩迪过肉内种子的食用程度来检测,如种子适宵食用,即为解嫩4.2.4终瓜长度用直尺测量.
4.2.5丝瓜的榄径用游标尺测果实中部的直力向的百径,取平的值,4.3卫生指标
按(GB/T 5009.11
1舰定执行
按 G11/[ 5009.12
规定执行:
按GB5009.17规定执行
按G371 5009.15
规执行,
4.3.5乐果、敌敌畏
按G3/T 5009.20
规定执行
4.3.6溴氰菊酯
按G13/14929.1规定执行:
4.3.7多菌灵
按(H3T5009.38规定执行。
4.3.8百菌清
按(F32111878规定热行,
4.3.9三唑酮
按GB 14973 规定执行。
5检验规则
5.1检验分类
5.1.1 型式检验
VY ·T 776—2004
型式检验是刘产而逊行全血考核,以对本标准规定的全帮要求进行检验:有下列情形之一长t型式检验:
)国家质量督机构或行业主节部门提出型式检验要求:b)其他需进行型式检验时:
前后两次抛样检验结果差异较大;d)人为或然因素使生产环境发牛较夫变化5.1.2交收检验
每批产品交收前,牛户单位垒要进行交收检验。交收检验内容色括等级、标主丝袋:检验合格后并附合格证方可交收:
5.2组批
同产地,同时收购的丝瓜作为“个检验批次,批发市场同产地、同等级的件为一个检验批次。农贸市场和超前同货架道的丝瓜作为一个检验批次3
NY/T776—2004
5.3抽样方法
按照(北/18855中的有美规定执行。报验单填写的项目成与实货相符、儿与实货单不:品种、等级混济不清,包装容器严革损坏者,应由交货单位革新整师后再行油样5.4包装检验
按第7章的规是连行
5.5判定规则
5.5.1每批受检丝瓜检验时,对不符合感它指标的丝丢做各项记录:如果单个丝瓜筒时出现多种陷,选择一种上要的缺陷按个娥次品计算:不合格品的百分牵按公式们)计算:-m
入—单项不合格品的而分率;
n——单项合格品的质量:
州:—检验批次样本的总质量
计算结果黏确到小数点后一堂
各单顺不合格品自分率之和即为总不合格鼎白分部,:(1)
5.5.2限度泄围:每批受检样品,不合挤率按其所检单位(如解箱、每、每袋)的平均值计算,其值不威超过所规楚的限度
如同一批次束件样品不合格品凸分率超过规定的限度时,为了避免不合格率变异幅度太大,规定如下:
规定限度总计不超过3%者,则任一件包装不合格品自分率的上限不得超过6%;规定限度总计不趋过6%者,则任件包装不合格品百分率的F限不得超过12%;规定限度总计不超过10%者,则任件包装不合格隔白分率的上限不得超过20%,5.5.3卫止指标有-顶不合格,或检出蔬菜上禁用农药,则判该批品为不合格品5.5.4滋批次样不标志,包装,净含景不合格者,允许生产单位进行整收后中请复验·次:感它利是牛指标检测不合碎,不迟行复验,6标志
包装上成标明产品名称产品的标雅编、商标,产单位名称、详细地址、等级、规格、净含量和包裴Ⅱ期等标志「的子迹应清晰、完整症确7包装、运输和购存
7.1包装
7.1.1包装容器(管,箱、袋)要求沛洁、干澡、牢再、透气,无异味,内部无尖突物,外部无尖刺无凸虾、腐烂.每变现象:塑料箱成符合(B8868的费求7.1.2用泡添网或纸实行单果色装.不同等级分别包装,7.1.3每批报检的丝低单位净含量一致7.1.4包装检验规则:遂件称量抽取的样品,每件的净含量质-致.不成低于包装外标恶的净含量:7.2运输
7.2.1装渗时做到轻装,轻卸、严防机械损伤:运输工只成清洁、山生,无污架7,2.2 运输附虚防[1牺、通淋,注意通风。+
NYT 776
S-2004
7.3购存bzxZ.net
短期行放应在阴踪、迪风、清洁、卫生的床房内,防口晒.陶淋,有毒物质和病虫害的危NY/T 776-2004
中华人民共和国
农业行业标准
NY71 776-2014
中国农市出版社出版
【北京市朝阳区菱「!街8寻楼)(郎政编妈:00026
[网l: ccap.con..cn]
中国表业版社印朝:印制
新华书店化京发行所发行
并本 850mm^12.3Jmm 1:16
2004个7 1. 第1版
各此新华书店经铠
宇数7-
2004 年 7 北京第 1 次即
#: 15109 : 324
印数:1~2000用
定价:8.00元
版权专有
侵权必究
举报电话:(010)65035891
小提示:此标准内容仅展示完整标准里的部分截取内容,若需要完整标准请到上方自行免费下载完整标准文档。
中华人民共和国农业行业标准
NY/T776--2004
2004-04-16发布
2004-05-01实施
中华人民共和国农业部
本际准由中华人民共和利国表业部提出:前言
1T 7762004
本标准起毕单位:四川省农业科学院园艺研究所、四川省农业乐、成都市第农业科学研究汇木标准上要起草人:常伟、刘云概、杨构。范围
本标准规定了丝底的要求试验方法、检验规则标志、包装、运输和忙存标准适用于丝瓜的牛产收购和流通。2规范性引用文件
NY:1 776-2004
下列文件中的条款通过本称准的引门们而成为本标准的条款:凡足汇H期的引用文件,其随后所有修改单(不包折勘误的内容)或修订版均小适而1本标准,然而,鼓励根烘本标准达皮协议的各方研究再使用这些文件的最新版本。儿是不注日期的可川文件,其最新版本适用丁不标雅GB/T 5009.11
食品中总砷技无机神的测定
GB/T 5009.12
G3/T5009.15
食品中铅的测定
食品镉的测定
食品小总求技有机求的测楚
食雷叶有机磷农药残留最的测定蔬菜,水果 1牛标准的分析方法
G13/T 6543
瓦楞纸箱
GI/T 8855
GH 8R68
GBZ114878
新鲜水呆和蔬菜的取样方法
蔬莱塑料周转箱
食品中门菌清残留量的测定方法(R/T14929.4:食品叫氯鼠翁酯氰戊脂和溴舍菊酯裁留量测定方滤3/T14973食品中粉锈宁残留量的测定方法3要求
31感官指标
应符合表「的舰定:
NYT 776—20C4
[K度差异,In
径差异.cm
畸形秉率,鼎
病虫米
机械伤
丝瓜感官指标
每批样品总不合格率
注:长漫养异、横径学兄、崎形具本为土要缺陷3.2卫生指标
府符合表2的规定
无外米物
完整鲜嫩
年批样品总不个格剂
表2丝瓜卫生指标
来io「Tg 计
乐果(dire.lute)
改改(dchlows)
浪(cd:l.rn:ihrin)
多前是(carlxndazim)
白萄清(elilonhatonl)
二( ade:I)
4试验方法
4.1仪器与用具
直尺(精度1cr)游标卡尺(精度0.1erm)2
拍似品种
每批样品总不合格率
单位为完克每「克
2.2感官指标
2.2.1丝瓜品种、冻害、腐烂、病虫害、机械损伤、外米物川口测法检验4.2.2味用身方法检测。
4.2.3鲜嫩迪过肉内种子的食用程度来检测,如种子适宵食用,即为解嫩4.2.4终瓜长度用直尺测量.
4.2.5丝瓜的榄径用游标尺测果实中部的直力向的百径,取平的值,4.3卫生指标
按(GB/T 5009.11
1舰定执行
按 G11/[ 5009.12
规定执行:
按GB5009.17规定执行
按G371 5009.15
规执行,
4.3.5乐果、敌敌畏
按G3/T 5009.20
规定执行
4.3.6溴氰菊酯
按G13/14929.1规定执行:
4.3.7多菌灵
按(H3T5009.38规定执行。
4.3.8百菌清
按(F32111878规定热行,
4.3.9三唑酮
按GB 14973 规定执行。
5检验规则
5.1检验分类
5.1.1 型式检验
VY ·T 776—2004
型式检验是刘产而逊行全血考核,以对本标准规定的全帮要求进行检验:有下列情形之一长t型式检验:
)国家质量督机构或行业主节部门提出型式检验要求:b)其他需进行型式检验时:
前后两次抛样检验结果差异较大;d)人为或然因素使生产环境发牛较夫变化5.1.2交收检验
每批产品交收前,牛户单位垒要进行交收检验。交收检验内容色括等级、标主丝袋:检验合格后并附合格证方可交收:
5.2组批
同产地,同时收购的丝瓜作为“个检验批次,批发市场同产地、同等级的件为一个检验批次。农贸市场和超前同货架道的丝瓜作为一个检验批次3
NY/T776—2004
5.3抽样方法
按照(北/18855中的有美规定执行。报验单填写的项目成与实货相符、儿与实货单不:品种、等级混济不清,包装容器严革损坏者,应由交货单位革新整师后再行油样5.4包装检验
按第7章的规是连行
5.5判定规则
5.5.1每批受检丝瓜检验时,对不符合感它指标的丝丢做各项记录:如果单个丝瓜筒时出现多种陷,选择一种上要的缺陷按个娥次品计算:不合格品的百分牵按公式们)计算:-m
入—单项不合格品的而分率;
n——单项合格品的质量:
州:—检验批次样本的总质量
计算结果黏确到小数点后一堂
各单顺不合格品自分率之和即为总不合格鼎白分部,:(1)
5.5.2限度泄围:每批受检样品,不合挤率按其所检单位(如解箱、每、每袋)的平均值计算,其值不威超过所规楚的限度
如同一批次束件样品不合格品凸分率超过规定的限度时,为了避免不合格率变异幅度太大,规定如下:
规定限度总计不超过3%者,则任一件包装不合格品自分率的上限不得超过6%;规定限度总计不趋过6%者,则任件包装不合格品百分率的F限不得超过12%;规定限度总计不超过10%者,则任件包装不合格隔白分率的上限不得超过20%,5.5.3卫止指标有-顶不合格,或检出蔬菜上禁用农药,则判该批品为不合格品5.5.4滋批次样不标志,包装,净含景不合格者,允许生产单位进行整收后中请复验·次:感它利是牛指标检测不合碎,不迟行复验,6标志
包装上成标明产品名称产品的标雅编、商标,产单位名称、详细地址、等级、规格、净含量和包裴Ⅱ期等标志「的子迹应清晰、完整症确7包装、运输和购存
7.1包装
7.1.1包装容器(管,箱、袋)要求沛洁、干澡、牢再、透气,无异味,内部无尖突物,外部无尖刺无凸虾、腐烂.每变现象:塑料箱成符合(B8868的费求7.1.2用泡添网或纸实行单果色装.不同等级分别包装,7.1.3每批报检的丝低单位净含量一致7.1.4包装检验规则:遂件称量抽取的样品,每件的净含量质-致.不成低于包装外标恶的净含量:7.2运输
7.2.1装渗时做到轻装,轻卸、严防机械损伤:运输工只成清洁、山生,无污架7,2.2 运输附虚防[1牺、通淋,注意通风。+
NYT 776
S-2004
7.3购存bzxZ.net
短期行放应在阴踪、迪风、清洁、卫生的床房内,防口晒.陶淋,有毒物质和病虫害的危NY/T 776-2004
中华人民共和国
农业行业标准
NY71 776-2014
中国农市出版社出版
【北京市朝阳区菱「!街8寻楼)(郎政编妈:00026
[网l: ccap.con..cn]
中国表业版社印朝:印制
新华书店化京发行所发行
并本 850mm^12.3Jmm 1:16
2004个7 1. 第1版
各此新华书店经铠
宇数7-
2004 年 7 北京第 1 次即
#: 15109 : 324
印数:1~2000用
定价:8.00元
版权专有
侵权必究
举报电话:(010)65035891
小提示:此标准内容仅展示完整标准里的部分截取内容,若需要完整标准请到上方自行免费下载完整标准文档。
标准图片预览:





- 热门标准
- 农业行业标准(NY)
- NY/T1561-2007 秸秆燃气灶
- NY/T1153.2-2013 农药登记用白蚁防治剂药效试验方法及评价 第2部分农药对白蚁毒效传递的室内测定
- NY/T2409-2013 有机茄果类蔬菜生产质量控制技术规范
- NY/T2548-2014 饲料中黄曲霉毒素B1的测定 时间分辨荧光免疫层析法
- NY/T2386-2013 水稻黑条矮缩病防治技术规程
- NY/T2581-2014 植物新品种特异性、一致性和稳定性测试指南 水仙属
- NY/T2385-2013 水稻条纹叶枯病防治技术规程
- NY/T1668-2008 农业野生植物原生境保护点建设技术规范
- NY/T2099-2011 土地流转经纪人
- NY/T1525-2007 乳胶粘合纤维垫
- NY/T676-2010 牛肉等级规格
- NY/T2966-2016 枸杞干燥技术规范
- NY/T2049-2011 香蕉、番石榴、胡椒、菠萝线虫防治技术规范
- NY/T2279-2012 食用菌中岩藻糖、阿糖醇、海藻糖、甘露醇、甘露糖、葡萄糖、半乳糖、核糖的测定 离子色谱法
- NY/T2605-2014 饲料配方师
- 行业新闻
请牢记:“bzxz.net”即是“标准下载”四个汉字汉语拼音首字母与国际顶级域名“.net”的组合。 ©2025 标准下载网 www.bzxz.net 本站邮件:bzxznet@163.com
网站备案号:湘ICP备2025141790号-2
网站备案号:湘ICP备2025141790号-2