- 您的位置:
- 标准下载网 >>
- 标准分类 >>
- 纺织行业标准(FZ) >>
- FZ/T 92034-1995 粗纱托锭锭翼
标准号:
FZ/T 92034-1995
标准名称:
粗纱托锭锭翼
标准类别:
纺织行业标准(FZ)
标准状态:
已作废-
发布日期:
1995-01-23 -
实施日期:
1995-03-01 -
作废日期:
2004-08-01 出版语种:
简体中文下载格式:
.rar.pdf下载大小:
68.86 KB
中标分类号:
纺织>>纺织机械与器具>>W91纺织机械零部件
起草单位:
无锡纺织机械研究所归口单位:
无锡纺织机械研究所相关标签:
粗纱
部分标准内容:
中华人民共和国纺织行业标准
粗纱托锭锭翼
主题内容与适用范围
FZ/T92034—95
代替 FJ/JQ 43—-84
FJ/JQ 44—84
本标准规定了粗纱托锭锭翼的产品分类、技术要求、试验方法、检验规则及标志、包装、运输、贮存。本标准适用于棉、毛、麻、绢及化纤纯纺或混纺托锭粗纱机的锭翼(以下简称锭翼)。2引用标准
FZ90001纺织机械产品包装
3产品分类
3.1锭翼型式
见下图。
1—假器,2—中管销?3中管,4—锭翼体,5—压掌中国纺织总会1995-01-23批准
1995-03-01实施
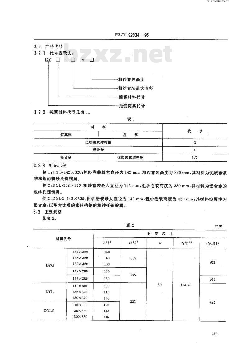
3.2产品代号
3.2.1代号表示法:
3.2.2锭翼材料代号见表1。
锭翼体
优质碳素结构钢
铝合金
铝合金
3.2.3标记示例
FZ/T 92034-95
-粗纱卷装高度
-粗纱卷装最大直径
锭翼材料代号
托锭锭翼代号
优质碳素结构钢
KAONrKAca
例1:DYG-142×320:粗纱卷装最大直径为142mm,粗纱装高度为320mm,其材料为优质碳素结构钢的粗纱托锭锭翼。
例2:DYL-142×320:粗纱卷装最大直径为142mm,粗纱卷装高度为320mm,其材料为铝合金的粗纱托锭锭翼。
例3:DYLG-142×320:粗纱卷装最大直径为142mm,粗纱卷装高度为320mm,其材料锭翼体为铝合金,压掌为优质碳素结构钢的粗纱托锭锭翼。3.3主要规格
见表2。
锭翼代号
142×320
135×320
130×320
142×280
122×280
142×320
135×320
130×320
142×320
135×320Www.bzxZ.net
130×320
主要尺寸
di+g. 025
dz(d11)
4材料
FZ/T 92034-—95
锭翼材料为铝合金及优质碳素结构钢。5技术要求
5.1锭翼在中纱状态,转速为1000r/min时,剩余不平衡量:DYG 型≤108 g·cm2
DYL、DYLG型≤132g·cm
5.2锭翼转速为1000r/min时,空心臂末端20mm处张开量:DYG型≤4mm
DYL.DYLG 型≤3.5 mm
5.3锭翼压掌转动灵活,轴向窜动量0.05~0.6mm,压掌调到卷装最大位置转速为400r/min时,能自动向心。
5.4锭翼表面处理后,涂层附着力强,色泽均匀一致。5.5锭翼表面及粗纱通道光滑,不挂纤维。6试验方法
6.1第5.1条用立式动平衡机测定。6.2第5.2条用粗纱机锭翼动态参数测试仪测定。6.3第5.3条在专用设备或工具上检测。6.4第5.4条用目测手感评定。
6.5第5.5条用棉条及粗纱进行过纱检验。7检验规则
7.1产品由制造厂质量检查部门按本标准5.1~~5.5条检验合格后,方可出厂,并附有产品合格证。7.2产品采用抽样检查,从每批批量中(500~1000套)抽样不少于30套,最多不大于50套,成套合格率达到96%时,该批产品即认为合格。7.3产品出厂一年内,使用厂在安装、调试过程中,发现有不符合本标准时,由制造厂负责进行处理。8标志、包装、运输、贮存
8.1锭翼表面应标志厂标或商标。8.2产品的包装应符合FZ90001的规定。8.3产品在运输过程中,应按规定的起吊位置起吊,包装箱应按规定的朝向安置,不得倾倒或改变方向。
8.4产品出厂后,在良好的防雨及通风贬存条件下,包装箱内的产品防潮防锈有效期为一年。附加说明:
本标准由原纺织工业部技术装备司提出。本标准由无锡纺织机械研究所归口。本标准由无锡纺织机械研究所、天津纺织机械广负责起草。本标准主要起草人刘建敏、包明云、赵文光。154
小提示:此标准内容仅展示完整标准里的部分截取内容,若需要完整标准请到上方自行免费下载完整标准文档。
粗纱托锭锭翼
主题内容与适用范围
FZ/T92034—95
代替 FJ/JQ 43—-84
FJ/JQ 44—84
本标准规定了粗纱托锭锭翼的产品分类、技术要求、试验方法、检验规则及标志、包装、运输、贮存。本标准适用于棉、毛、麻、绢及化纤纯纺或混纺托锭粗纱机的锭翼(以下简称锭翼)。2引用标准
FZ90001纺织机械产品包装
3产品分类
3.1锭翼型式
见下图。
1—假器,2—中管销?3中管,4—锭翼体,5—压掌中国纺织总会1995-01-23批准
1995-03-01实施
3.2产品代号
3.2.1代号表示法:
3.2.2锭翼材料代号见表1。
锭翼体
优质碳素结构钢
铝合金
铝合金
3.2.3标记示例
FZ/T 92034-95
-粗纱卷装高度
-粗纱卷装最大直径
锭翼材料代号
托锭锭翼代号
优质碳素结构钢
KAONrKAca
例1:DYG-142×320:粗纱卷装最大直径为142mm,粗纱装高度为320mm,其材料为优质碳素结构钢的粗纱托锭锭翼。
例2:DYL-142×320:粗纱卷装最大直径为142mm,粗纱卷装高度为320mm,其材料为铝合金的粗纱托锭锭翼。
例3:DYLG-142×320:粗纱卷装最大直径为142mm,粗纱卷装高度为320mm,其材料锭翼体为铝合金,压掌为优质碳素结构钢的粗纱托锭锭翼。3.3主要规格
见表2。
锭翼代号
142×320
135×320
130×320
142×280
122×280
142×320
135×320
130×320
142×320
135×320Www.bzxZ.net
130×320
主要尺寸
di+g. 025
dz(d11)
4材料
FZ/T 92034-—95
锭翼材料为铝合金及优质碳素结构钢。5技术要求
5.1锭翼在中纱状态,转速为1000r/min时,剩余不平衡量:DYG 型≤108 g·cm2
DYL、DYLG型≤132g·cm
5.2锭翼转速为1000r/min时,空心臂末端20mm处张开量:DYG型≤4mm
DYL.DYLG 型≤3.5 mm
5.3锭翼压掌转动灵活,轴向窜动量0.05~0.6mm,压掌调到卷装最大位置转速为400r/min时,能自动向心。
5.4锭翼表面处理后,涂层附着力强,色泽均匀一致。5.5锭翼表面及粗纱通道光滑,不挂纤维。6试验方法
6.1第5.1条用立式动平衡机测定。6.2第5.2条用粗纱机锭翼动态参数测试仪测定。6.3第5.3条在专用设备或工具上检测。6.4第5.4条用目测手感评定。
6.5第5.5条用棉条及粗纱进行过纱检验。7检验规则
7.1产品由制造厂质量检查部门按本标准5.1~~5.5条检验合格后,方可出厂,并附有产品合格证。7.2产品采用抽样检查,从每批批量中(500~1000套)抽样不少于30套,最多不大于50套,成套合格率达到96%时,该批产品即认为合格。7.3产品出厂一年内,使用厂在安装、调试过程中,发现有不符合本标准时,由制造厂负责进行处理。8标志、包装、运输、贮存
8.1锭翼表面应标志厂标或商标。8.2产品的包装应符合FZ90001的规定。8.3产品在运输过程中,应按规定的起吊位置起吊,包装箱应按规定的朝向安置,不得倾倒或改变方向。
8.4产品出厂后,在良好的防雨及通风贬存条件下,包装箱内的产品防潮防锈有效期为一年。附加说明:
本标准由原纺织工业部技术装备司提出。本标准由无锡纺织机械研究所归口。本标准由无锡纺织机械研究所、天津纺织机械广负责起草。本标准主要起草人刘建敏、包明云、赵文光。154
小提示:此标准内容仅展示完整标准里的部分截取内容,若需要完整标准请到上方自行免费下载完整标准文档。
标准图片预览:



- 其它标准
- 热门标准
- 纺织行业标准(FZ)
- FZ/T62037-2017 灯芯绒被套
- FZ/T61006-2019 纬编腈纶毛毯
- FZ/T20027-2014 羊绒制品异味测定方法
- FZ/T54025-2009 锦纶66预取向丝
- FZ/T54062-2012 海岛涤纶预取向丝
- FZ/T54091-2016 导电锦纶6牵伸丝
- FZ/T73016-2013 针织保暖内衣 絮片型
- FZ∕T01077-2018 服装衬布氯损强力试验方法
- FZ/T61001-2019 纯毛、毛混纺毛毯
- FZ∕T14013-2018 莫代尔纤维印染布
- FZ/T80013-2012 洁净室服装 易脱落大微粒检测方法
- FZ/T50034-2016 氨纶长丝 耐氯性能试验方法
- FZ/T50008-2015 锦纶长丝染色均匀度试验方法
- FZ/T64070-2019 衬纬经编针织拉毛粘合衬
- FZ/T50032-2015 聚丙烯睛基碳纤维原丝残留溶剂测试方法
- 行业新闻
请牢记:“bzxz.net”即是“标准下载”四个汉字汉语拼音首字母与国际顶级域名“.net”的组合。 ©2025 标准下载网 www.bzxz.net 本站邮件:bzxznet@163.com
网站备案号:湘ICP备2025141790号-2
网站备案号:湘ICP备2025141790号-2