- 您的位置:
- 标准下载网 >>
- 标准分类 >>
- 农业行业标准(NY) >>
- NY/T 273-1995 –绿色食品啤酒
标准号:
NY/T 273-1995
标准名称:
–绿色食品啤酒
标准类别:
农业行业标准(NY)
标准状态:
已作废出版语种:
简体中文下载格式:
.rar.pdf下载大小:
135.06 KB
替代情况:
被NY/T 273-2002代替
部分标准内容:
NY/T273—1995
主题内容与适用范围
绿色食品啤酒
NY/T273-1995
本标准规定了绿色食品啤酒的术语、分类、技术要求、试验方法、检验规则及标志、包装、运输、贮存。本标准适用于获得绿色食品标志的各类熟、鲜啤酒。引用标准
GB4928
GB4789
GB10344
GB5009
GB4544
GB5739下载标准就来标准下载网
GB6543
3术语
包装储运图示标志
啤酒试验方法
食品卫生微生物学检验
饮料酒标签标准
食品卫生检验方法理化部分
啤酒瓶
啤酒塑料周转箱
瓦楞纸箱
3.1绿色食品
系指经专门机构认定,许可使用绿色食品标志的无污染的安全、优质、营养食品。
3.2绿色食品啤酒
指获得绿色食品标志的啤酒。
3.3淡色啤酒
色度为5.414.0EBC单位的啤酒。3.4浓色啤酒
色度为15.040.0EBC单位的啤酒。3.5黑色啤酒
色度为大于40.0EBC单位的啤酒。3.6熟啤酒
经巴氏灭菌的啤酒。
3.7鲜啤酒
未经巴氏灭菌的啤酒。
4分类
4.1根据啤酒色度分类
4.1.1淡色啤酒
4.1.2浓色啤酒
4.1.3黑色啤酒
4.2规格
18度啤酒
16度啤酒
14度啤酒
12度啤酒
11度啤酒
10度啤酒
NY/T273—1995
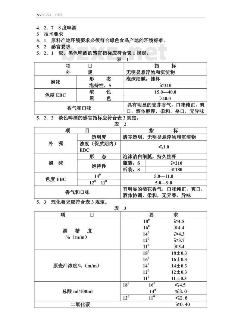
4.2.78度啤酒
5技术要求
5.1原料产地环境要求必须符合绿色食品产地的环境标准。5.2感官要求
5.2.1浓、黑色啤酒的感官指标应符合表1规定。表1
色度EBC
泡持性,S
香气和口味
无明显悬浮物和沉淀物
泡沫细腻,挂杯
≥210
15.0—40.0
具有明显的麦芽香气,口味纯正,爽口,酒体醇厚,柔和,杀口,无异味淡色啤酒的感官指标应符合表2规定。项
色度EBC
透明度
清亮透明,无明显悬浮物和沉淀物浊度(保质期内)
泡持性
12°110
香气和口味
理化要求应符合表3规定。
泡沫洁白细腻,持久挂杯
瓶装,s
听装,S
≥210
≥180
5.0—11.0
5.0—9.0
有明显的酒花香气,口味纯正,爽口,酒体协调,柔和,无异香、异味表3
酒精度
%(m/m)
原麦汁浓度%(m/m)
总酸ml/100ml
二氧化碳
NY/T273—1995
双乙酰mg/l
铅(以Pb计)
砷(以As计)
黄曲霉毒素B1
5.4微生物学要求应符合表4规定。淡色
浓色、黑色
细菌总数个/ml
大肠菌群个/100ml
5.5保质期
鲜啤酒
熟啤酒
瓶装、听装熟啤酒保质期不少于120天,瓶装鲜啤酒保质期不少于7天,罐装、桶装鲜啤酒保质期不少于3天。6试验方法
理化要求的检验按GB4928执行。微生物学检验按GB4789执行。
黄曲霉素B1、铅、砷的检验按GB5009执行。7检验规则
7.1验收
7.1.1凡同原料、同配方、同工艺所生产的啤酒,经混合过滤,同一罐、同一包装线当天包装出厂(或入库)的,并具有同一质量证明书的产品为一批。7.1.2生产厂应保证产品质量,须按本标准和GB4928对本产品进行逐批检验。产品须附有质量检验部门签署的质量合格证,不合格产品一律不得出厂。7.1.3受货方有权在收到货的当时,从交付批产品中抽样,按GB4928和本标准的规定进行检验。检验结果,若理化要求和微生物要求中有一项不符合规定,可重新抽取同批产品进行复验,若仍不合格,则该批产品为不合格。7.1.4当供需双方对产品质量发生争议时,由双方协商解决或委托仲裁单位复检,以复检结果为最终判定依据。7.1.5外销产品标准和检验,可按双方协议进行。7.2抽样
7.2.1出厂检验抽样
每批啤酒产品的检验可按表5抽取样品。表5
批量范围(箱)
50以下
50—1458
1458以上
7.2.2抽样方式
抽取样品数(箱)
抽取单位样品数(瓶/箱)
7.2.2.1瓶装啤酒从每批产品中随机抽取n箱,再从n箱中各抽取2瓶,作为该批产品的样品进行检测。7.2.2.2散装啤酒按表4规定从大罐中分装n瓶,作为该批产品的样品进行检测。检验散装啤酒卫生指标时,抽样按GB4789进行,外销产品可按双方协议进行。
NY/T273-—1995
8标志、包装、运输、贮存
8.1标志
8.1.1标签标志
产品标签除必须符合GB10344及附件A的有关规定外,还必须在不低于本标准规定的保质期的基础上,根据具体产品情况,标明确切的保质期限。8.1.2销售包装标志
瓦楞纸箱应注有“绿色食品”标志、厂名、酒名、规格、批号、净重、毛重、瓶数,并标有“小心轻放”,“请勿倒置”字样及标志,其使用方法按GB191及附件A的规定执行。
8.2包装
8.2.1内包装所用的啤酒瓶应符合GB4544要求,也可用罐包装。瓶(罐)体整齐,瓶(罐)外清洁,封盖严密,无漏气、漏酒现象。8.2。2外包装所用的啤酒塑料周转箱应符合GB5739要求,瓦楞纸箱应符合GB6543要求,也可用木箱装运。箱内要有防震、防撞的间隔材料。82.3在20℃时,20瓶容量允许公差为土2%。8.3运输、贮存
8.3.1啤酒应在525℃下运输和贮存。8。3.2在运输和保管过程中,应保持厂地清洁,干燥,通风良好,严防日光直射,不得与潮湿地面直接接触,不能接触和靠近有腐蚀性或易于发霉、发潮的货物,严禁与有毒物品堆放在一起。附加说明:
本标准由中华人民共和国农业部提出。本标准由中华人民共和国农业部农垦司归口。本标准由农业部农垦北方食品监测中心起草。本标准主要起草人:尚秀荣、姬广波、戴有荔、刘文红、李嘉庆。
小提示:此标准内容仅展示完整标准里的部分截取内容,若需要完整标准请到上方自行免费下载完整标准文档。
主题内容与适用范围
绿色食品啤酒
NY/T273-1995
本标准规定了绿色食品啤酒的术语、分类、技术要求、试验方法、检验规则及标志、包装、运输、贮存。本标准适用于获得绿色食品标志的各类熟、鲜啤酒。引用标准
GB4928
GB4789
GB10344
GB5009
GB4544
GB5739下载标准就来标准下载网
GB6543
3术语
包装储运图示标志
啤酒试验方法
食品卫生微生物学检验
饮料酒标签标准
食品卫生检验方法理化部分
啤酒瓶
啤酒塑料周转箱
瓦楞纸箱
3.1绿色食品
系指经专门机构认定,许可使用绿色食品标志的无污染的安全、优质、营养食品。
3.2绿色食品啤酒
指获得绿色食品标志的啤酒。
3.3淡色啤酒
色度为5.414.0EBC单位的啤酒。3.4浓色啤酒
色度为15.040.0EBC单位的啤酒。3.5黑色啤酒
色度为大于40.0EBC单位的啤酒。3.6熟啤酒
经巴氏灭菌的啤酒。
3.7鲜啤酒
未经巴氏灭菌的啤酒。
4分类
4.1根据啤酒色度分类
4.1.1淡色啤酒
4.1.2浓色啤酒
4.1.3黑色啤酒
4.2规格
18度啤酒
16度啤酒
14度啤酒
12度啤酒
11度啤酒
10度啤酒
NY/T273—1995
4.2.78度啤酒
5技术要求
5.1原料产地环境要求必须符合绿色食品产地的环境标准。5.2感官要求
5.2.1浓、黑色啤酒的感官指标应符合表1规定。表1
色度EBC
泡持性,S
香气和口味
无明显悬浮物和沉淀物
泡沫细腻,挂杯
≥210
15.0—40.0
具有明显的麦芽香气,口味纯正,爽口,酒体醇厚,柔和,杀口,无异味淡色啤酒的感官指标应符合表2规定。项
色度EBC
透明度
清亮透明,无明显悬浮物和沉淀物浊度(保质期内)
泡持性
12°110
香气和口味
理化要求应符合表3规定。
泡沫洁白细腻,持久挂杯
瓶装,s
听装,S
≥210
≥180
5.0—11.0
5.0—9.0
有明显的酒花香气,口味纯正,爽口,酒体协调,柔和,无异香、异味表3
酒精度
%(m/m)
原麦汁浓度%(m/m)
总酸ml/100ml
二氧化碳
NY/T273—1995
双乙酰mg/l
铅(以Pb计)
砷(以As计)
黄曲霉毒素B1
5.4微生物学要求应符合表4规定。淡色
浓色、黑色
细菌总数个/ml
大肠菌群个/100ml
5.5保质期
鲜啤酒
熟啤酒
瓶装、听装熟啤酒保质期不少于120天,瓶装鲜啤酒保质期不少于7天,罐装、桶装鲜啤酒保质期不少于3天。6试验方法
理化要求的检验按GB4928执行。微生物学检验按GB4789执行。
黄曲霉素B1、铅、砷的检验按GB5009执行。7检验规则
7.1验收
7.1.1凡同原料、同配方、同工艺所生产的啤酒,经混合过滤,同一罐、同一包装线当天包装出厂(或入库)的,并具有同一质量证明书的产品为一批。7.1.2生产厂应保证产品质量,须按本标准和GB4928对本产品进行逐批检验。产品须附有质量检验部门签署的质量合格证,不合格产品一律不得出厂。7.1.3受货方有权在收到货的当时,从交付批产品中抽样,按GB4928和本标准的规定进行检验。检验结果,若理化要求和微生物要求中有一项不符合规定,可重新抽取同批产品进行复验,若仍不合格,则该批产品为不合格。7.1.4当供需双方对产品质量发生争议时,由双方协商解决或委托仲裁单位复检,以复检结果为最终判定依据。7.1.5外销产品标准和检验,可按双方协议进行。7.2抽样
7.2.1出厂检验抽样
每批啤酒产品的检验可按表5抽取样品。表5
批量范围(箱)
50以下
50—1458
1458以上
7.2.2抽样方式
抽取样品数(箱)
抽取单位样品数(瓶/箱)
7.2.2.1瓶装啤酒从每批产品中随机抽取n箱,再从n箱中各抽取2瓶,作为该批产品的样品进行检测。7.2.2.2散装啤酒按表4规定从大罐中分装n瓶,作为该批产品的样品进行检测。检验散装啤酒卫生指标时,抽样按GB4789进行,外销产品可按双方协议进行。
NY/T273-—1995
8标志、包装、运输、贮存
8.1标志
8.1.1标签标志
产品标签除必须符合GB10344及附件A的有关规定外,还必须在不低于本标准规定的保质期的基础上,根据具体产品情况,标明确切的保质期限。8.1.2销售包装标志
瓦楞纸箱应注有“绿色食品”标志、厂名、酒名、规格、批号、净重、毛重、瓶数,并标有“小心轻放”,“请勿倒置”字样及标志,其使用方法按GB191及附件A的规定执行。
8.2包装
8.2.1内包装所用的啤酒瓶应符合GB4544要求,也可用罐包装。瓶(罐)体整齐,瓶(罐)外清洁,封盖严密,无漏气、漏酒现象。8.2。2外包装所用的啤酒塑料周转箱应符合GB5739要求,瓦楞纸箱应符合GB6543要求,也可用木箱装运。箱内要有防震、防撞的间隔材料。82.3在20℃时,20瓶容量允许公差为土2%。8.3运输、贮存
8.3.1啤酒应在525℃下运输和贮存。8。3.2在运输和保管过程中,应保持厂地清洁,干燥,通风良好,严防日光直射,不得与潮湿地面直接接触,不能接触和靠近有腐蚀性或易于发霉、发潮的货物,严禁与有毒物品堆放在一起。附加说明:
本标准由中华人民共和国农业部提出。本标准由中华人民共和国农业部农垦司归口。本标准由农业部农垦北方食品监测中心起草。本标准主要起草人:尚秀荣、姬广波、戴有荔、刘文红、李嘉庆。
小提示:此标准内容仅展示完整标准里的部分截取内容,若需要完整标准请到上方自行免费下载完整标准文档。
标准图片预览:




- 其它标准
- 热门标准
- 农业行业标准(NY)
- NY∕T3212-2018 拖拉机和联合收割机登记证书
- NY/T5357-2007 无公害食品 海洋水产品捕捞生产管理规范
- NY/T3102-2017 枇杷贮藏技术规范
- NY/T2444-2013 菠萝叶纤维
- NY2188-2012 联合收割机号牌座设置技术要求
- NY/T2493-2013 植物新品种特异性、一致性和稳定性测试指南 荞麦
- NY/T2686-2015 旱作玉米全膜覆盖技术规范
- NY/T2520-2013 植物新品种特异性、一致性和稳定性测试指南 树莓
- NY/T1178-2006 牧区牛羊棚圈建设技术规范
- NY/T605-2006 焙炒咖啡
- NY/T2423-2013 植物新品种特异性、一致性和稳定性测试指南 小豆
- NY/T2484-2013 植物新品种特异性 一致性和稳定性测试指南 无芒雀麦
- NY/T5290-2004 无公害食品欧洲鳗鲡精养池塘养殖技术规范
- NY/T2251-2012 香蕉花叶心腐病和束顶病病原分子检测技术规范
- NY/T2464-2013 马铃薯收获机 作业质量
- 行业新闻
请牢记:“bzxz.net”即是“标准下载”四个汉字汉语拼音首字母与国际顶级域名“.net”的组合。 ©2025 标准下载网 www.bzxz.net 本站邮件:bzxznet@163.com
网站备案号:湘ICP备2025141790号-2
网站备案号:湘ICP备2025141790号-2