- 您的位置:
- 标准下载网 >>
- 标准分类 >>
- 农业行业标准(NY) >>
- NY/T 761.3-2004 蔬菜和水果中氨基甲酸酯类农药多残留检测方法
标准号:
NY/T 761.3-2004
标准名称:
蔬菜和水果中氨基甲酸酯类农药多残留检测方法
标准类别:
农业行业标准(NY)
标准状态:
已作废-
发布日期:
2004-01-07 -
实施日期:
2004-03-01 -
作废日期:
2008-04-30 出版语种:
简体中文下载格式:
.rar.pdf下载大小:
158.88 KB
替代情况:
被NY/T 761-2008替代
部分标准内容:
NY/T761.3—2004
NY/门7612004《蔬策和水巢中有机磷、有机氯、拟除第酷和氨匹甲酸酯类衣药多娥留检测方法》分为三个部分:
第1部分:蔬策利求果中26种有机磷炎农药多线留检测方法;第2部分:蔬莱和水果小22种有桃氯利拟除止菊酯类农药多残留检测方法:第3部分:蔬菜和水果中8利种氢基甲酸脂类农药多戏留检测方法,本部分为NY/T761一20U4的第3部分,“附录A\为料附录本部分山中华人民共和国农业部提出。本部分起学单位:农业部环境质量临督检验测试中心(天准)、农业部环境保拟科研监测所。木部分主要起草人:刘长武、刘威、刘风莜、头光熙、李平、赵梦彬、郑明辉、王一茹、本标准为前次发布
交流资料
foodmate.netWww.bzxZ.net
1范围
蔬菜和水果中有机磷、有机氯,拟除虫菊酯和氨基甲酸酯类农药多残留检测方法第3部分
蔬菜和水果中氨基甲酸酯类
农药多残留检验方法
NY.T 761.3--2004
本郭分规定了蔬菜和水果中涕火戚矾.沸灭威业、灭多威、3-羟基峡响川”,堂,中祭崴,异内威8种氨基甲酸酯类农药多残留液相色谱检测方法本部分适用于蔬菜和水果中上述8种农药残留品的恰测2原理
样品中氮基甲酸酷类农药用之脂提取,提取液采用机举取技术分离,化,经浓翁产,任主芸炭光格测器和后衍生系统的高效液机色谱逊行检测。外标法定性、定星、3试剂与材料
方法所川试剂凡未指明规格者,均为分析纯;水为蒸馏水。3.1 乙。
3.2丙雨.巫蒸:
3.3甲醉,谱纯
3.4氯化钠140C烘烤 4h
3.5后衍牛试剂
3.5.10.0Smol/La0TI溶液.Pickering\(cal.NCB130)):3.5.2OPA稀释溶液.Pickering(.N:(3910);3.5.3邻米甲(C-Phthaladehyde.0PA),Pickoring(eat.N0120):3.5.4筑H乙醇(Thiofluor), Pickering(cnt.N 3700 2000).3.6固相琴取柱,氮基柱(Amipxpyl).容积6ml.真充物500mrg:3.7滤膜,0.2m,0.45
3.8农药标准品,见表1。
表18种氨基甲酸酯类农药标准品子号
中文与
滞灭威业侧
捞火藏讽
火多惑
3羟苯咳哺丹
浠火惑
克古裁
中奈减
异内威
英文行
aulieart: sullixiek:
rldiea h snlfo
tas th nuyl
3-hycroxyeao..a.
nalucarel
carbafuratn
carorryl
ixpr:arl:
foodmate.net
交流资料
NY/T 761.3—2004
3.9农药标准溶液配制
单个农药标准荠液:准确称取定量农药标准品川中鲸释舜,逐一配制成1通些一农药标准储备液,存在18以下冰箱中。使用时根据各农药在对应检测器上内响应值间标摊铅备液,用尹醇稀舜配制皮所需的标祖工作液农药混合标准溶液:根据各夜药在仪器「.的响成值,逐吸取定体积的单个农药储径!=,:人同一空瓶中,用醇稀释至刻度配制战农药混合标准储备溶液,使用前用醇释成所需:.1.作液:
4仪器设备
4.1 食品加上器
4.2句浆机,
4.3潮吹徽
4.4波相色谱仪,做梯度淋洗,配有杆店衍生反应装置利炎光检测器(FL.ID))5测定步骤
5.1试料制备
同第部分“方法一”,
5.2提取
同第-部分“方法一”
5.3净化
从100ml.只容常简=1准确吸取10.00ml.乙啃济液,放人150ml.烧杯将烧杯放在80℃水浴锅上加热,杯内缓缓道人氮气或空气流.将乙晴蒸发近川人2.0ml.剪「二氯甲烷(1+99)溶解残渣,盖上铝箱待次化
将氮桌杜而4.0mL巾醇一氯中烷(1199)预洗条件化,\落剂液而到达柱吸附层表内时,立即所人样品济液,用15rml.离心管改集洗脱液,用2mt.单醇!二氯中烷(1+99)洗烧杯后过住,并重复一次,将离心管置于减吹仪上,水浴温度50%,氮吹蒸发至近1用甲醇准确定穿至2.5ml在混介器上混匀后,所.2滤膜过滤待测
5.4色谱参考条件
5.4.1色谱柱
预机C顶性4.bnm×4.5cm;分析杆柱.C4.Gmr125cm.5mm或(,4.6mm*25cm,5μm5.4.2柱漏,42℃
5.4.3荧光检测器,ex330t:rl.aem465nma5.4.4溶剂梯度与流速,见衣2
表2溶剂梯度与流速
foodmate.net
交流资料
5.4.5 柱后衍生
表2(续)
5.4.5.10.05mal/l.氢氧化钠济液,流速 0.3ml./rmirt;5.4.5.2OPA 试剂,流速0.3rml,/mir;5.4.5.3反应器温度
水解温漫,100;衍生温度,室温5.5色谱分析
NY/I 761.3—2004
..m.r.
吸取20)(L标准混合溶液(或净化后的样品)注人色谱仪中,以保留时间定性.以详品溶液峰积与树准溶液峰面积比较定量
6结果
6.1计算
样品中被测农药留量以质量分数u汁,数值以毫先每下克(mkg)表示.按公式(1)计篇。VA*V
武中:
称谁溶液中农药的含量,单位为毫克A一农药标准溶液中被测农药的峰而积;Vi——提溶剂总体积:
V2一-吸取出于检测的提取济液的体积;V,——样品定容体积:
样品的质量
计算结果保留一位有效数学
6.2精密度
等8种氨基甲酸酯类农药混合标准溶液在0.05mg/0.10%/和0.50g/.个水平添加到蔬莱水果样品中进行方法的精密度试验,方法的添加日收率在70%~120%之间,变异系数小十20%7
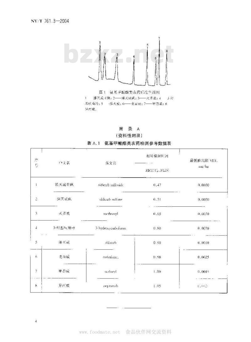
色谱图
见图1、表药色谱峰保留时间参考值必附录Afoodmate.net
交流资料
NY/T 761.3-—2004
i文名
济炎威亚似
涝灭戏破
火多惑
3-羟些寸
涕火藏
甲器戚
另汉成
1酸酯类衣药江图
一次家威:+
递双戏减:2——第大娠:3-
H南川;5
并内威。
-部张感;
—点白威: 7-
附录A
(资料性附录)
甲;8
氨基甲酸酯类农药检测参考数据表机到保留
英文行
RRT:T+.FLD:
niticcrb sudloxick:
wliuurts wullone
methrmyl
3 hydrcxycululuraurt
ald:eart,
enrixoluia:
.rlaryl
srenerh
foodmate.net
交流资料
最低检出限 MDL
NY/T 761-2004
foodmate.net
中华人法和国
农业行业标准
蔬菜和水果中有机磷、有机氙、拟除虫菊酯和氨基甲酸酯类农药多残留检测方法NY/7 761—2004
中国农业出版社出版
(北京市朝H区麦了止街8号楼)(政编码:100026
网:ccap.co.cn)
宁国农业山波外印刷」印制
新华书信北京发行所发行各地新华书活经销*
±.4880m×1230mtr1/16
2001午21北京德
2004年?川第1版
+: 16109 -30m
印数:「·\
定价:16.0
版权专有检权必究
举报电话:(010)65C05894
交流资料
小提示:此标准内容仅展示完整标准里的部分截取内容,若需要完整标准请到上方自行免费下载完整标准文档。
NY/门7612004《蔬策和水巢中有机磷、有机氯、拟除第酷和氨匹甲酸酯类衣药多娥留检测方法》分为三个部分:
第1部分:蔬策利求果中26种有机磷炎农药多线留检测方法;第2部分:蔬莱和水果小22种有桃氯利拟除止菊酯类农药多残留检测方法:第3部分:蔬菜和水果中8利种氢基甲酸脂类农药多戏留检测方法,本部分为NY/T761一20U4的第3部分,“附录A\为料附录本部分山中华人民共和国农业部提出。本部分起学单位:农业部环境质量临督检验测试中心(天准)、农业部环境保拟科研监测所。木部分主要起草人:刘长武、刘威、刘风莜、头光熙、李平、赵梦彬、郑明辉、王一茹、本标准为前次发布
交流资料
foodmate.netWww.bzxZ.net
1范围
蔬菜和水果中有机磷、有机氯,拟除虫菊酯和氨基甲酸酯类农药多残留检测方法第3部分
蔬菜和水果中氨基甲酸酯类
农药多残留检验方法
NY.T 761.3--2004
本郭分规定了蔬菜和水果中涕火戚矾.沸灭威业、灭多威、3-羟基峡响川”,堂,中祭崴,异内威8种氨基甲酸酯类农药多残留液相色谱检测方法本部分适用于蔬菜和水果中上述8种农药残留品的恰测2原理
样品中氮基甲酸酷类农药用之脂提取,提取液采用机举取技术分离,化,经浓翁产,任主芸炭光格测器和后衍生系统的高效液机色谱逊行检测。外标法定性、定星、3试剂与材料
方法所川试剂凡未指明规格者,均为分析纯;水为蒸馏水。3.1 乙。
3.2丙雨.巫蒸:
3.3甲醉,谱纯
3.4氯化钠140C烘烤 4h
3.5后衍牛试剂
3.5.10.0Smol/La0TI溶液.Pickering\(cal.NCB130)):3.5.2OPA稀释溶液.Pickering(.N:(3910);3.5.3邻米甲(C-Phthaladehyde.0PA),Pickoring(eat.N0120):3.5.4筑H乙醇(Thiofluor), Pickering(cnt.N 3700 2000).3.6固相琴取柱,氮基柱(Amipxpyl).容积6ml.真充物500mrg:3.7滤膜,0.2m,0.45
3.8农药标准品,见表1。
表18种氨基甲酸酯类农药标准品子号
中文与
滞灭威业侧
捞火藏讽
火多惑
3羟苯咳哺丹
浠火惑
克古裁
中奈减
异内威
英文行
aulieart: sullixiek:
rldiea h snlfo
tas th nuyl
3-hycroxyeao..a.
nalucarel
carbafuratn
carorryl
ixpr:arl:
foodmate.net
交流资料
NY/T 761.3—2004
3.9农药标准溶液配制
单个农药标准荠液:准确称取定量农药标准品川中鲸释舜,逐一配制成1通些一农药标准储备液,存在18以下冰箱中。使用时根据各农药在对应检测器上内响应值间标摊铅备液,用尹醇稀舜配制皮所需的标祖工作液农药混合标准溶液:根据各夜药在仪器「.的响成值,逐吸取定体积的单个农药储径!=,:人同一空瓶中,用醇稀释至刻度配制战农药混合标准储备溶液,使用前用醇释成所需:.1.作液:
4仪器设备
4.1 食品加上器
4.2句浆机,
4.3潮吹徽
4.4波相色谱仪,做梯度淋洗,配有杆店衍生反应装置利炎光检测器(FL.ID))5测定步骤
5.1试料制备
同第部分“方法一”,
5.2提取
同第-部分“方法一”
5.3净化
从100ml.只容常简=1准确吸取10.00ml.乙啃济液,放人150ml.烧杯将烧杯放在80℃水浴锅上加热,杯内缓缓道人氮气或空气流.将乙晴蒸发近川人2.0ml.剪「二氯甲烷(1+99)溶解残渣,盖上铝箱待次化
将氮桌杜而4.0mL巾醇一氯中烷(1199)预洗条件化,\落剂液而到达柱吸附层表内时,立即所人样品济液,用15rml.离心管改集洗脱液,用2mt.单醇!二氯中烷(1+99)洗烧杯后过住,并重复一次,将离心管置于减吹仪上,水浴温度50%,氮吹蒸发至近1用甲醇准确定穿至2.5ml在混介器上混匀后,所.2滤膜过滤待测
5.4色谱参考条件
5.4.1色谱柱
预机C顶性4.bnm×4.5cm;分析杆柱.C4.Gmr125cm.5mm或(,4.6mm*25cm,5μm5.4.2柱漏,42℃
5.4.3荧光检测器,ex330t:rl.aem465nma5.4.4溶剂梯度与流速,见衣2
表2溶剂梯度与流速
foodmate.net
交流资料
5.4.5 柱后衍生
表2(续)
5.4.5.10.05mal/l.氢氧化钠济液,流速 0.3ml./rmirt;5.4.5.2OPA 试剂,流速0.3rml,/mir;5.4.5.3反应器温度
水解温漫,100;衍生温度,室温5.5色谱分析
NY/I 761.3—2004
..m.r.
吸取20)(L标准混合溶液(或净化后的样品)注人色谱仪中,以保留时间定性.以详品溶液峰积与树准溶液峰面积比较定量
6结果
6.1计算
样品中被测农药留量以质量分数u汁,数值以毫先每下克(mkg)表示.按公式(1)计篇。VA*V
武中:
称谁溶液中农药的含量,单位为毫克
V2一-吸取出于检测的提取济液的体积;V,——样品定容体积:
样品的质量
计算结果保留一位有效数学
6.2精密度
等8种氨基甲酸酯类农药混合标准溶液在0.05mg/0.10%/和0.50g/.个水平添加到蔬莱水果样品中进行方法的精密度试验,方法的添加日收率在70%~120%之间,变异系数小十20%7
色谱图
见图1、表药色谱峰保留时间参考值必附录Afoodmate.net
交流资料
NY/T 761.3-—2004
i文名
济炎威亚似
涝灭戏破
火多惑
3-羟些寸
涕火藏
甲器戚
另汉成
1酸酯类衣药江图
一次家威:+
递双戏减:2——第大娠:3-
H南川;5
并内威。
-部张感;
—点白威: 7-
附录A
(资料性附录)
甲;8
氨基甲酸酯类农药检测参考数据表机到保留
英文行
RRT:T+.FLD:
niticcrb sudloxick:
wliuurts wullone
methrmyl
3 hydrcxycululuraurt
ald:eart,
enrixoluia:
.rlaryl
srenerh
foodmate.net
交流资料
最低检出限 MDL
NY/T 761-2004
foodmate.net
中华人法和国
农业行业标准
蔬菜和水果中有机磷、有机氙、拟除虫菊酯和氨基甲酸酯类农药多残留检测方法NY/7 761—2004
中国农业出版社出版
(北京市朝H区麦了止街8号楼)(政编码:100026
网:ccap.co.cn)
宁国农业山波外印刷」印制
新华书信北京发行所发行各地新华书活经销*
±.4880m×1230mtr1/16
2001午21北京德
2004年?川第1版
+: 16109 -30m
印数:「·\
定价:16.0
版权专有检权必究
举报电话:(010)65C05894
交流资料
小提示:此标准内容仅展示完整标准里的部分截取内容,若需要完整标准请到上方自行免费下载完整标准文档。
标准图片预览:





- 热门标准
- 农业行业标准(NY)
- NY/T456-2001 茉莉花茶
- NY/T889-2004 土壤速效钾和缓效钾含量的测定
- NY/T5295-2004 无公害食品 产地环境评价准则
- NY/T1153.4-2013 农药登记用白蚁防治剂药效试验方法及评价 第4部分农药木材处理预防白蚁
- NY/T598-2002 食用绿豆
- NY5086-2002 无公害食品 鲜食葡萄
- NY/T797-2004 硅肥
- NY/T1378-2007 土壤氯离子含量的测定
- NY/T1597-2008 动植物油脂 紫外吸光值的测定
- NY/T1858.2-2010 番茄主要病害抗病性鉴定技术规程 第2部分:番茄抗叶霉病鉴定技术规程
- NY/T423-2000 绿色食品 鲜梨
- NY5187-2002 无公害食品 罐装金针菇
- NY/T749-2003 绿色食品 食用菌
- NY/T680-2003 禽白血病病毒p27抗原酶联免疫吸附试验方法
- NY/T847-2004 水稻产地环境技术条件
- 行业新闻
请牢记:“bzxz.net”即是“标准下载”四个汉字汉语拼音首字母与国际顶级域名“.net”的组合。 ©2025 标准下载网 www.bzxz.net 本站邮件:bzxznet@163.com
网站备案号:湘ICP备2025141790号-2
网站备案号:湘ICP备2025141790号-2