- 您的位置:
- 标准下载网 >>
- 标准分类 >>
- 机械行业标准(JB) >>
- JB/T 9160.12-1999 单轴转塔自动车床辅具 板牙架尺寸
标准号:
JB/T 9160.12-1999
标准名称:
单轴转塔自动车床辅具 板牙架尺寸
标准类别:
机械行业标准(JB)
英文名称:
Dimensions of die holder for single-spindle turret automatic lathe标准状态:
现行-
发布日期:
1999-05-20 -
实施日期:
2000-01-01 出版语种:
简体中文下载格式:
.rar.pdf下载大小:
34.13 KB
替代情况:
ZB/T J52014.12-90
点击下载
标准简介:
标准下载解压密码:www.bzxz.net
JB/T 9160.12-1999 JB/T 9160.12-1999 单轴转塔自动车床辅具 板牙架尺寸 JB/T9160.12-1999
部分标准内容:
IC525.080.01
中华人民共和国机械行业标准
JB/T9160.1~-9160.2U—199
单轴转塔自动车床辅具
Accessories of single spindle turret automatic lathes1999-05-20发布
国家机械工业局
2000-01-01 实施
中华人民共和国机械行业标准
单轴转塔自动车床辅具
板芽架,尺寸
Accessories of single splndle turrel autormatic lathcsDiehelder-imensians
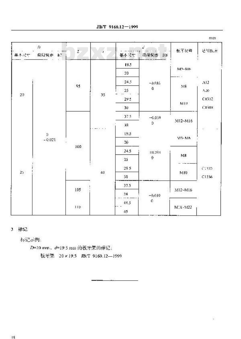
无准就定了单轴转培自动车床压板牙采的型式和尺寸。2型式和尺寸
型式杠尺小按下及表的规定,
国家机板工业1999-05-2斤批准
JBT:9160.12-1999
传替7.R:T J52 01-1.:2—90
2000-01-01实施
,标记bzxz.net
展图伤者
杯记尔例
J/T9160.12—1999
=2.0mm,=195mm的板牙架的标记25
极牙架20×19.5B/T9160.J2-199913
M12-MI6
M12-MI6
M:S-M22
rriert
川机示
C:1312
小提示:此标准内容仅展示完整标准里的部分截取内容,若需要完整标准请到上方自行免费下载完整标准文档。
中华人民共和国机械行业标准
JB/T9160.1~-9160.2U—199
单轴转塔自动车床辅具
Accessories of single spindle turret automatic lathes1999-05-20发布
国家机械工业局
2000-01-01 实施
中华人民共和国机械行业标准
单轴转塔自动车床辅具
板芽架,尺寸
Accessories of single splndle turrel autormatic lathcsDiehelder-imensians
无准就定了单轴转培自动车床压板牙采的型式和尺寸。2型式和尺寸
型式杠尺小按下及表的规定,
国家机板工业1999-05-2斤批准
JBT:9160.12-1999
传替7.R:T J52 01-1.:2—90
2000-01-01实施
,标记bzxz.net
展图伤者
杯记尔例
J/T9160.12—1999
=2.0mm,=195mm的板牙架的标记25
极牙架20×19.5B/T9160.J2-199913
M12-MI6
M12-MI6
M:S-M22
rriert
川机示
C:1312
小提示:此标准内容仅展示完整标准里的部分截取内容,若需要完整标准请到上方自行免费下载完整标准文档。
标准图片预览:



- 热门标准
- 机械行业标准(JB)
- JB/T8521.1-2007 编织吊索 安全性 第1部分:一般用途合成纤维扁平吊装带
- JB/T9396-1999 环块磨损试验机 技术条件
- JB/T7928-2014 工业阀门 供货要求
- JB/T7665-1995 通用机械噪声声功率级现场测定 声强法
- JB/T7732.1-1995 地膜覆盖机 技术条件
- JB/T9868.1-1999 散装饲料运输车 型式与参数
- JB/T5761.1-1999 数控弯管机 技术条件
- JB/T6664.2-1993 自吸泵 技术条件
- JB/T7422.2-1999 立式内圆珩磨机 精度检验
- JB/T8368.1-1996 电锤钻
- JB/T9272-1999 氨压力表
- JB/T10438-2004 额定电压450/750V及以下交联聚氯乙烯绝缘电线和电缆
- JB/T9159.9-1999 单轴纵切自动车床辅具 丝锥夹套 B 型尺寸
- JB/T3235-1999 人造金刚石烧结体磨耗比测定方法
- JB/T3411.87-1999 锥柄卡口镗铰刀杆 尺寸
- 行业新闻
请牢记:“bzxz.net”即是“标准下载”四个汉字汉语拼音首字母与国际顶级域名“.net”的组合。 ©2025 标准下载网 www.bzxz.net 本站邮件:bzxznet@163.com
网站备案号:湘ICP备2025141790号-2
网站备案号:湘ICP备2025141790号-2