- 您的位置:
- 标准下载网 >>
- 标准分类 >>
- 机械行业标准(JB) >>
- JB/T 9160.14-1999 单轴转塔自动车床辅具 后成形刀架尺寸
标准号:
JB/T 9160.14-1999
标准名称:
单轴转塔自动车床辅具 后成形刀架尺寸
标准类别:
机械行业标准(JB)
英文名称:
Dimensions of post-forming tool holders for single-spindle turret automatic lathes标准状态:
现行-
发布日期:
1999-05-20 -
实施日期:
2000-01-01 出版语种:
简体中文下载格式:
.rar.pdf下载大小:
35.38 KB
替代情况:
ZB/T J52014.14-90
点击下载
标准简介:
标准下载解压密码:www.bzxz.net
JB/T 9160.14-1999 JB/T 9160.14-1999 单轴转塔自动车床辅具 后成形刀架尺寸 JB/T9160.14-1999
部分标准内容:
IC525.080.01
中华人民共和国机械行业标准
JB/T9160.1~-9160.2U—199
单轴转塔自动车床辅具
Accessories of single spindle turret automatic lathes1999-05-20发布
国家机械工业局
2000-01-01 实施
1范围
中华人民共和国机械行业标准
单轴转塔自动车床辅具
后成形刀架尺寸
Accessnries nf single spiadle turretantoinatic lathesBelmd pusl fur forniug tuolDincnsions本标追规定了单轴转增自改车小臣行成形儿架的式和尺小2引用标准
IR/T 9160.14-1999
代15301.—
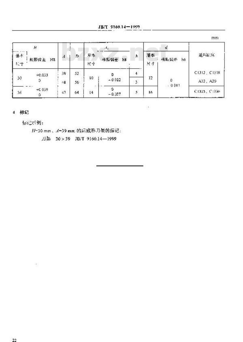
下列标准所包含的条文,道过在本标准中引用市构成为本标准的系文。本标准出版时,所示版个均为有效。所有标准部会被修订,使用本标准的各力应操讨使用下列标准最新版不的可能性,GR.T1581996机床工作台T形惜和相应操格3型式和尺寸
型式和尺寸安下图改表的规定。国家标瓶业高19--20批准
2000-01-01实施
校限佗
+G 059wwW.bzxz.Net
4标记
标示例:
好限能差
- 0 022
J/-30mm,5-39m元的质成形刀案的你记:刀架30×39JD/T9160.14—1999
最限低无
适码61
C1312C1315
A12A25
1325、:3.3
小提示:此标准内容仅展示完整标准里的部分截取内容,若需要完整标准请到上方自行免费下载完整标准文档。
中华人民共和国机械行业标准
JB/T9160.1~-9160.2U—199
单轴转塔自动车床辅具
Accessories of single spindle turret automatic lathes1999-05-20发布
国家机械工业局
2000-01-01 实施
1范围
中华人民共和国机械行业标准
单轴转塔自动车床辅具
后成形刀架尺寸
Accessnries nf single spiadle turretantoinatic lathesBelmd pusl fur forniug tuolDincnsions本标追规定了单轴转增自改车小臣行成形儿架的式和尺小2引用标准
IR/T 9160.14-1999
代15301.—
下列标准所包含的条文,道过在本标准中引用市构成为本标准的系文。本标准出版时,所示版个均为有效。所有标准部会被修订,使用本标准的各力应操讨使用下列标准最新版不的可能性,GR.T1581996机床工作台T形惜和相应操格3型式和尺寸
型式和尺寸安下图改表的规定。国家标瓶业高19--20批准
2000-01-01实施
校限佗
+G 059wwW.bzxz.Net
4标记
标示例:
好限能差
- 0 022
J/-30mm,5-39m元的质成形刀案的你记:刀架30×39JD/T9160.14—1999
最限低无
适码61
C1312C1315
A12A25
1325、:3.3
小提示:此标准内容仅展示完整标准里的部分截取内容,若需要完整标准请到上方自行免费下载完整标准文档。
标准图片预览:



- 热门标准
- 机械行业标准(JB)
- JB/T8521.1-2007 编织吊索 安全性 第1部分:一般用途合成纤维扁平吊装带
- JB/T9396-1999 环块磨损试验机 技术条件
- JB/T7928-2014 工业阀门 供货要求
- JB/T7665-1995 通用机械噪声声功率级现场测定 声强法
- JB/T7732.1-1995 地膜覆盖机 技术条件
- JB/T9868.1-1999 散装饲料运输车 型式与参数
- JB/T5761.1-1999 数控弯管机 技术条件
- JB/T6664.2-1993 自吸泵 技术条件
- JB/T7422.2-1999 立式内圆珩磨机 精度检验
- JB/T8368.1-1996 电锤钻
- JB/T9272-1999 氨压力表
- JB/T10438-2004 额定电压450/750V及以下交联聚氯乙烯绝缘电线和电缆
- JB/T9159.9-1999 单轴纵切自动车床辅具 丝锥夹套 B 型尺寸
- JB/T3235-1999 人造金刚石烧结体磨耗比测定方法
- JB/T3411.87-1999 锥柄卡口镗铰刀杆 尺寸
- 行业新闻
请牢记:“bzxz.net”即是“标准下载”四个汉字汉语拼音首字母与国际顶级域名“.net”的组合。 ©2025 标准下载网 www.bzxz.net 本站邮件:bzxznet@163.com
网站备案号:湘ICP备2025141790号-2
网站备案号:湘ICP备2025141790号-2