- 您的位置:
- 标准下载网 >>
- 标准分类 >>
- 机械行业标准(JB) >>
- JB/T 9160.4-1999 单轴转塔自动车床辅具 高速钻杆尺寸
标准号:
JB/T 9160.4-1999
标准名称:
单轴转塔自动车床辅具 高速钻杆尺寸
标准类别:
机械行业标准(JB)
英文名称:
Dimensions of high-speed drill rods for single-spindle turret automatic lathe accessories标准状态:
现行-
发布日期:
1999-05-20 -
实施日期:
2000-01-01 出版语种:
简体中文下载格式:
.rar.pdf下载大小:
31.21 KB
替代情况:
ZB/T J52014.4-90
点击下载
标准简介:
标准下载解压密码:www.bzxz.net
JB/T 9160.4-1999 JB/T 9160.4-1999 单轴转塔自动车床辅具 高速钻杆尺寸 JB/T9160.4-1999
部分标准内容:
IC525.080.01
中华人民共和国机械行业标准
JB/T9160.1~-9160.2U—199
单轴转塔自动车床辅具
Accessories of single spindle turret automatic lathes1999-05-20发布
国家机械工业局此内容来自标准下载网
2000-01-01 实施
中华人民共和国械行业标准
单轴转塔自动车床辅具
高速钻杆尺寸
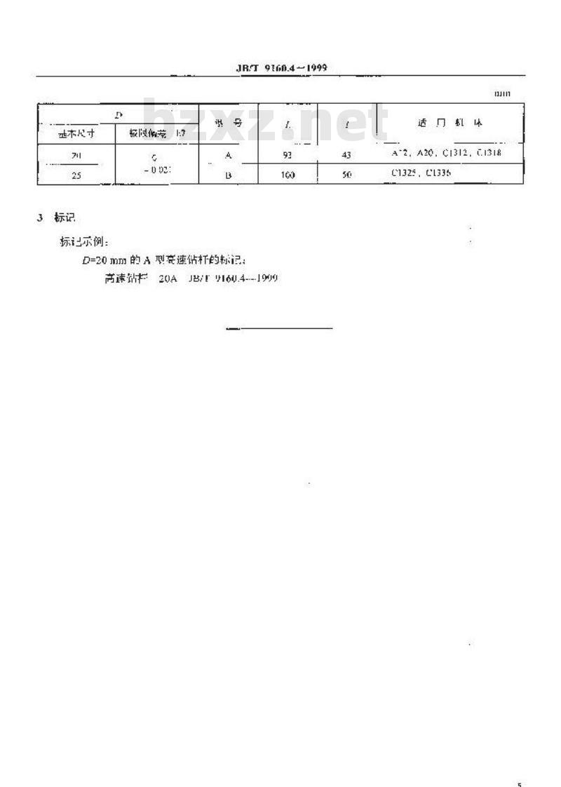
Aceessorics ot single spindle turret aulumutic lathesHigh-speeddrillholder-Dimensions左标准妮完广单独转塔白动车床用高速钻杠的型式利尺寸,2.型式和尺寸
型我和尺十接下图放表的规定
国家机燃工业局1944-05-20批准JB/T9160.4—1999
禁7.BJ52014.4-90
2000-01-01实施
标记示例:
板度低荐17
- 0 02:
JRT9160.4-1999
D=20mm的A型亮速估杆的标起
20AJ/116U.4-J900
适凯体
A*2,A20,C1312.C.131R
C1325.Cl335
小提示:此标准内容仅展示完整标准里的部分截取内容,若需要完整标准请到上方自行免费下载完整标准文档。
中华人民共和国机械行业标准
JB/T9160.1~-9160.2U—199
单轴转塔自动车床辅具
Accessories of single spindle turret automatic lathes1999-05-20发布
国家机械工业局此内容来自标准下载网
2000-01-01 实施
中华人民共和国械行业标准
单轴转塔自动车床辅具
高速钻杆尺寸
Aceessorics ot single spindle turret aulumutic lathesHigh-speeddrillholder-Dimensions左标准妮完广单独转塔白动车床用高速钻杠的型式利尺寸,2.型式和尺寸
型我和尺十接下图放表的规定
国家机燃工业局1944-05-20批准JB/T9160.4—1999
禁7.BJ52014.4-90
2000-01-01实施
标记示例:
板度低荐17
- 0 02:
JRT9160.4-1999
D=20mm的A型亮速估杆的标起
20AJ/116U.4-J900
适凯体
A*2,A20,C1312.C.131R
C1325.Cl335
小提示:此标准内容仅展示完整标准里的部分截取内容,若需要完整标准请到上方自行免费下载完整标准文档。
标准图片预览:



- 热门标准
- 机械行业标准(JB)
- JB/T9396-1999 环块磨损试验机 技术条件
- JB/T5389.1-1995 滚动轴承 轧机用四列圆柱滚子轴承
- JB/T7732.1-1995 地膜覆盖机 技术条件
- JB/T5344.1-1991 矿热炉变压器 总则
- JB/T7422.2-1999 立式内圆珩磨机 精度检验
- JB/T7665-1995 通用机械噪声声功率级现场测定 声强法
- JB/T9272-1999 氨压力表
- JB/T7273.8-1994 背面波纹手轮
- JB/T5352-1991 电动工具 产品说明书编写导则
- JB/T5391-1991 铁路机车车辆滚动轴承零件 磁粉探伤规程
- JB/T5810-1991 电机磁极线圈及磁场绕组匝间绝缘试验规范
- JB/T450-1992 PN16.0~32.0MPa锻造角式高压阀门、管件、紧固件 技术条件
- JB/T6664.2-1993 自吸泵 技术条件
- JB/T8022.1-1999 机床夹具零件及部件 内涨器
- JB/T9014.7-1999 连续输送设备 散粒物料 堆积角的测定
- 行业新闻
请牢记:“bzxz.net”即是“标准下载”四个汉字汉语拼音首字母与国际顶级域名“.net”的组合。 ©2025 标准下载网 www.bzxz.net 本站邮件:bzxznet@163.com
网站备案号:湘ICP备2025141790号-2
网站备案号:湘ICP备2025141790号-2