- 您的位置:
- 标准下载网 >>
- 标准分类 >>
- 机械行业标准(JB) >>
- JB/T 9159.11-1999 单轴纵切自动车床辅具 右镗刀杆尺寸
标准号:
JB/T 9159.11-1999
标准名称:
单轴纵切自动车床辅具 右镗刀杆尺寸
标准类别:
机械行业标准(JB)
英文名称:
Dimensions of right boring bar for single-spindle longitudinal head automatic lathe auxiliary tool标准状态:
现行-
发布日期:
1999-05-20 -
实施日期:
2000-01-01 出版语种:
简体中文下载格式:
.rar.pdf下载大小:
28.51 KB
替代情况:
ZB/T J52013.11-90
点击下载
标准简介:
标准下载解压密码:www.bzxz.net
JB/T 9159.11-1999 JB/T 9159.11-1999 单轴纵切自动车床辅具 右镗刀杆尺寸 JB/T9159.11-1999
部分标准内容:
[C25.080,01
中华人民共和国机械行业标准
JB/T9159.1~~9159.11—1999
单轴纵切自动车床辅真
Accessories of single spindle automatic screwmachines with sliding headstock1999-05-20发布
国家机械工业局
2000-01-01 实施
中华人民共和国机械行业标准
单轴纵切自动车床辅具
右镗乃杆、尺寸
Aceegsoriesofsinglespindleautomaatic screwmwebiues wich sliding headstnckRight horing toal barDiwensions
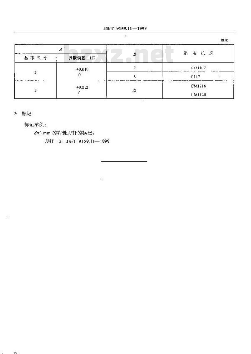
本标准帮定了单轴数划自动床用右错卫杆的型式和尽寸,型式和尺寸
型式和寸按上图及的规定,
国豪机械工业局1999-05-20批准JR/T9159.11—1999
代25213.11—90
2000-01-01实施
基木尺寸
3标记bzxZ.net
标记示资:
长报偏差H7
-Im的签!打的坏:
JB/T9159.11-1999
J3JB9159.11—1999
CMI:16
小提示:此标准内容仅展示完整标准里的部分截取内容,若需要完整标准请到上方自行免费下载完整标准文档。
中华人民共和国机械行业标准
JB/T9159.1~~9159.11—1999
单轴纵切自动车床辅真
Accessories of single spindle automatic screwmachines with sliding headstock1999-05-20发布
国家机械工业局
2000-01-01 实施
中华人民共和国机械行业标准
单轴纵切自动车床辅具
右镗乃杆、尺寸
Aceegsoriesofsinglespindleautomaatic screwmwebiues wich sliding headstnckRight horing toal barDiwensions
本标准帮定了单轴数划自动床用右错卫杆的型式和尽寸,型式和尺寸
型式和寸按上图及的规定,
国豪机械工业局1999-05-20批准JR/T9159.11—1999
代25213.11—90
2000-01-01实施
基木尺寸
3标记bzxZ.net
标记示资:
长报偏差H7
-Im的签!打的坏:
JB/T9159.11-1999
J3JB9159.11—1999
CMI:16
小提示:此标准内容仅展示完整标准里的部分截取内容,若需要完整标准请到上方自行免费下载完整标准文档。
标准图片预览:



- 热门标准
- 机械行业标准(JB)
- JB/T2756-2006 无轨电车用炭滑块
- JB/T8840-2013 电热器具用电源开关
- JB/T10056-1999 直流电流互感器 技术条件
- JB/T5884-1991 燃气轮机 控制与保护系统
- JB/T6131-1992 工矿内燃机车 安全规范
- JB/T5464-1991 电子测磁仪器 可靠性技术要求和试验方法
- JB3646.1-1984 普通硅酸铝耐火纤维制品毡
- JB/T6387-2010 轴装式圆弧圆柱蜗杆减速器
- JB/T57068-1999 毛发湿度计 产品质量分等
- JB1785-1976 投影仪系列
- JB/T8409-2010 履带式推土机 万向联轴节
- JB/T8115.2-2000 切纸机 刀片
- JB/T9928.1-1999 数控立式升降台铣床 精度检验
- JB/T3564-2006 长轴离心深井泵 型式与基本参数
- JB/T6144.2-2007 锥密封胶管总成 55°非密封管螺纹锥接头
- 行业新闻
请牢记:“bzxz.net”即是“标准下载”四个汉字汉语拼音首字母与国际顶级域名“.net”的组合。 ©2025 标准下载网 www.bzxz.net 本站邮件:bzxznet@163.com
网站备案号:湘ICP备2025141790号-2
网站备案号:湘ICP备2025141790号-2