- 您的位置:
- 标准下载网 >>
- 标准分类 >>
- 国家标准(GB) >>
- GB 9331.4-1988 额定电压0.6/1kV及以下船用电力电缆和电线 天然丁苯橡皮绝缘船用电力电缆
【国家标准(GB)】 额定电压0.6/1kV及以下船用电力电缆和电线 天然丁苯橡皮绝缘船用电力电缆
本网站 发布时间:
2024-07-04 18:03:12
- GB9331.4-1988
- 已作废
- 点击下载此标准
标准号:
GB 9331.4-1988
标准名称:
额定电压0.6/1kV及以下船用电力电缆和电线 天然丁苯橡皮绝缘船用电力电缆
标准类别:
国家标准(GB)
标准状态:
已作废-
实施日期:
1989-01-01 出版语种:
简体中文下载格式:
.rar.pdf下载大小:
871.10 KB
替代情况:
调整为JB/T 8140.3-1995
点击下载
标准简介:
标准下载解压密码:www.bzxz.net
GB 9331.4-1988 额定电压0.6/1kV及以下船用电力电缆和电线 天然丁苯橡皮绝缘船用电力电缆 GB9331.4-1988
部分标准内容:
中华人民共和国国家标准
额定电压0.6/1kV及以下船用电力电缆和电线天然丁苯橡皮绝缘船用电力电缆Shipboard power cables and wires rated voltagesup to and including 0. 6/1 kvShipboard natural-styrenebutadienerubber insulated power cables1适用范围
CB 9331.4-88
1.1本标准适用于各种内河湖泊船舶及近海渔轮等上传输电能用的铜芯天然丁苯绝缘船用电力电缆1.2产品除符合本标准规定外,还应符合GB9331.1《额定电压0.6/1kV及以下船用电力电缆和电线一般规定》的相应要求。
2使用特性
2.1额定电压U./U为0.6/1kV。
2.2电缆的长期允许工作温度为70℃。2.3敷设时电缆的弯曲半径如表1规定。2.4产品具有符合DA燃烧特性。
电缆结构型式
金属编织铛装型
非铠装型
3型号
3.1电缆的型号如表2规定。
电缆的型式如图1。
电缆外径D
任何值
D≤25
1—导体:2—隔离层(如有时),3—绝缘;4一内护套;5—铠装:6—外护套国家机械工业委员会1988-05-23批准170)
弯曲内半径最小
1989-01-01实施
4规格
GB9331.4--88
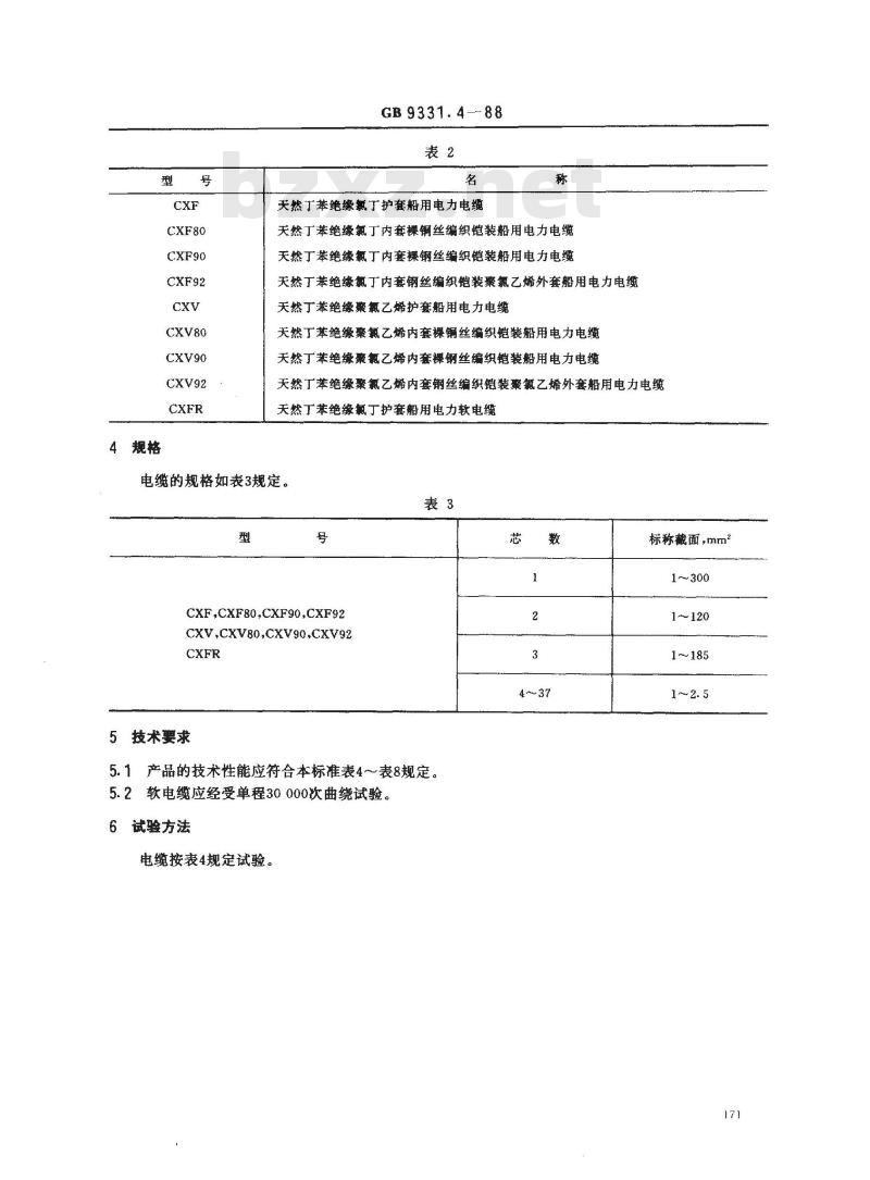
天然丁苯绝缘氯丁护套船用电力电缆称
天然丁苯绝缘氟丁内套裸铜丝编织铠装船用电力电缆天然丁苯绝缘氯丁内套裸钢丝编织铠装船用电力电缆天然丁苯绝缘氯丁内套钢丝编织铠装聚氟乙烯外套船用电力电缆天然丁苯绝缘聚氟乙烯护套船用电力电缆天然丁苯绝缘案氟乙烯内套裸钢丝编织铠装船用电力电缆天然丁苯绝缘聚氯乙烯内套裸钢丝编织铠装船用电力电缆天然丁苯绝缘聚氟乙烯内套钢丝编织铠装氟乙烯外套船用电力电缆天然丁苯绝缘氯丁护套船用电力软电缆电缆的规格如表3规定。
CXF,CXF80,CXF90,CXF92
CxV.CXV80,CxV90,CXV92
5技术要求
5.1产品的技术性能应符合本标准表4~表8规定。5.2软电缆应经受单程30000次曲绕试验。6试验方法
电缆按表4规定试验。
4~37
标称截面,mm2
1~120
项目名称
结构尺寸
电性能
导体电阻
绝缘电阻
20℃时
工作温度时
浸水电容
电压试验
机械物理性能
老化前试样
空气箱老化试验
空气弹老化试验
氧弹老化试验
热延伸试验
GB 9331.4-88
技术要求
符合GB9331.1第5章规定
符合GB9331.1第6章和本标准表5~表8规定符合GB9331.1第8章和本标准表5~表8规定符合GB9331.1第8.4条规定
符合本标准表5~表8规定
符合GB9331.1第5章表3规定
符合GB9331.1第9.3条及本标准表5~表8规定符合GB9331.1第9.4条规定
符合GB9331.1第9.5条规定
符合GB9331.1第6.2.1款规定
符合GB9331.1第8童规定
符合GB9331.1第6.2.1款规定
符合GB9331.1第8章规定
符合GB9331.1第6.2.1款规定
符合GB9331.1第6.2.1款b项规定符合GB9331.1第6.2.1款规定
试验方法
GB 4909. 1
GB 3048. 5~~3048. 6
GB 3048. 5~~3048. 6
GB 9331.1附录H
GB 2951. 5
GB 2951.8
GB 2951.9
GB 2951. 18
项目名称
燃烧试验
漫油试验
高温压力试验护套
抗开裂试验护套
热失重试验护套
低温卷绕试验护套
低温拉伸试验护套
低温冲击试验护套
相容性试验
钢丝镀层试验
铜丝镀层试验
曲绕试验
识别标志
电缆表面
裸铠装
GB9331.488
续表4
技术要求
符合GB9331.1第8章规定
符合GB9331.1第9.6条DA型规定
符合GB9331.1第8.2.2款和8.4.4.4项规定符合GB9331.1第8章规定
符合GB9331.1第8章规定
符合GB93311第8章规定
符合GB9331.1第8章规定
符合GB9331.1第8章规定
符合GB9331.1第8章规定
符合GB9331.1第9.7条规定
符合GB9331.1第8.4.3.1项规定
符合GB9331.1第5.3条规定
符合本标准第5.2条规定
符合GB9331.1第9.11条规定
符合GB9331.1第8.4.3款规定
符合GB9331.1第8.2条规定
试验方法
GB2951.19
GB2951.15
GB2951.17
GB2951.32
GB 2951.11
GB2951.12
GB 2951.13
GB 2951.14
GB9331.1附录G
GB4909.10
GB2951.21
GB6995
目力检查
目力检查
芯数×标称面
1×120
1×240
导体结构
GB9331.4-88
根数/单线标称直径,mm
标称厚度
护套标称厚度,mm
表 5-1 CXF、
金属丝直径
11芯电缆
CXV型
电缆外径,mm
标称值
最大值
GB 9331.488
绝缘电阻,最小,Mn-km
工作温度
电缆计算重量,kg/km
芯数×标称截面
2×120
导体结构
GB 9331.4--88
标称厚度
根数/单线标称直径,nm
19×2. 14
护套标称厚度,mm
表 5-2 CXF.
金属丝直径
CXV型
2芯电缆
电缆外径,mm
标称值
最大值
GB9331.4--88
绝缘电阻,最小,MQ-km
工作温度
电缆计算重量,kg/km
芯数×标称截面
3×120
3×185
导体结构
GB 9331.4-88免费标准bzxz.net
根数/单线标称直径,mm
标称厚度
护套标称厚度,mm
表 5-3CXF、
金属丝直径
CXV型
3芯电缆
电缆外径,mm
标称值
最大值
GB9331.4—88
绝缘电阻,最小,MQ·km
工作温度
电缆计算重量,kg/km
芯数×标称截面
导体结构
GB9331.4—88
标称厚度
根数/单线标称直径,mm
护套标称厚度,mm
表 5-4 CXF、
金属丝直径
1 mm多芯电缆
cxV型
电缆外径,mm
标称值
最大值
GB9331.4--88
绝缘电阻,最小,MQ-km
工作温度
电缆计算重量,kg/krm
小提示:此标准内容仅展示完整标准里的部分截取内容,若需要完整标准请到上方自行免费下载完整标准文档。
额定电压0.6/1kV及以下船用电力电缆和电线天然丁苯橡皮绝缘船用电力电缆Shipboard power cables and wires rated voltagesup to and including 0. 6/1 kvShipboard natural-styrenebutadienerubber insulated power cables1适用范围
CB 9331.4-88
1.1本标准适用于各种内河湖泊船舶及近海渔轮等上传输电能用的铜芯天然丁苯绝缘船用电力电缆1.2产品除符合本标准规定外,还应符合GB9331.1《额定电压0.6/1kV及以下船用电力电缆和电线一般规定》的相应要求。
2使用特性
2.1额定电压U./U为0.6/1kV。
2.2电缆的长期允许工作温度为70℃。2.3敷设时电缆的弯曲半径如表1规定。2.4产品具有符合DA燃烧特性。
电缆结构型式
金属编织铛装型
非铠装型
3型号
3.1电缆的型号如表2规定。
电缆的型式如图1。
电缆外径D
任何值
D≤25
1—导体:2—隔离层(如有时),3—绝缘;4一内护套;5—铠装:6—外护套国家机械工业委员会1988-05-23批准170)
弯曲内半径最小
1989-01-01实施
4规格
GB9331.4--88
天然丁苯绝缘氯丁护套船用电力电缆称
天然丁苯绝缘氟丁内套裸铜丝编织铠装船用电力电缆天然丁苯绝缘氯丁内套裸钢丝编织铠装船用电力电缆天然丁苯绝缘氯丁内套钢丝编织铠装聚氟乙烯外套船用电力电缆天然丁苯绝缘聚氟乙烯护套船用电力电缆天然丁苯绝缘案氟乙烯内套裸钢丝编织铠装船用电力电缆天然丁苯绝缘聚氯乙烯内套裸钢丝编织铠装船用电力电缆天然丁苯绝缘聚氟乙烯内套钢丝编织铠装氟乙烯外套船用电力电缆天然丁苯绝缘氯丁护套船用电力软电缆电缆的规格如表3规定。
CXF,CXF80,CXF90,CXF92
CxV.CXV80,CxV90,CXV92
5技术要求
5.1产品的技术性能应符合本标准表4~表8规定。5.2软电缆应经受单程30000次曲绕试验。6试验方法
电缆按表4规定试验。
4~37
标称截面,mm2
1~120
项目名称
结构尺寸
电性能
导体电阻
绝缘电阻
20℃时
工作温度时
浸水电容
电压试验
机械物理性能
老化前试样
空气箱老化试验
空气弹老化试验
氧弹老化试验
热延伸试验
GB 9331.4-88
技术要求
符合GB9331.1第5章规定
符合GB9331.1第6章和本标准表5~表8规定符合GB9331.1第8章和本标准表5~表8规定符合GB9331.1第8.4条规定
符合本标准表5~表8规定
符合GB9331.1第5章表3规定
符合GB9331.1第9.3条及本标准表5~表8规定符合GB9331.1第9.4条规定
符合GB9331.1第9.5条规定
符合GB9331.1第6.2.1款规定
符合GB9331.1第8童规定
符合GB9331.1第6.2.1款规定
符合GB9331.1第8章规定
符合GB9331.1第6.2.1款规定
符合GB9331.1第6.2.1款b项规定符合GB9331.1第6.2.1款规定
试验方法
GB 4909. 1
GB 3048. 5~~3048. 6
GB 3048. 5~~3048. 6
GB 9331.1附录H
GB 2951. 5
GB 2951.8
GB 2951.9
GB 2951. 18
项目名称
燃烧试验
漫油试验
高温压力试验护套
抗开裂试验护套
热失重试验护套
低温卷绕试验护套
低温拉伸试验护套
低温冲击试验护套
相容性试验
钢丝镀层试验
铜丝镀层试验
曲绕试验
识别标志
电缆表面
裸铠装
GB9331.488
续表4
技术要求
符合GB9331.1第8章规定
符合GB9331.1第9.6条DA型规定
符合GB9331.1第8.2.2款和8.4.4.4项规定符合GB9331.1第8章规定
符合GB9331.1第8章规定
符合GB93311第8章规定
符合GB9331.1第8章规定
符合GB9331.1第8章规定
符合GB9331.1第8章规定
符合GB9331.1第9.7条规定
符合GB9331.1第8.4.3.1项规定
符合GB9331.1第5.3条规定
符合本标准第5.2条规定
符合GB9331.1第9.11条规定
符合GB9331.1第8.4.3款规定
符合GB9331.1第8.2条规定
试验方法
GB2951.19
GB2951.15
GB2951.17
GB2951.32
GB 2951.11
GB2951.12
GB 2951.13
GB 2951.14
GB9331.1附录G
GB4909.10
GB2951.21
GB6995
目力检查
目力检查
芯数×标称面
1×120
1×240
导体结构
GB9331.4-88
根数/单线标称直径,mm
标称厚度
护套标称厚度,mm
表 5-1 CXF、
金属丝直径
11芯电缆
CXV型
电缆外径,mm
标称值
最大值
GB 9331.488
绝缘电阻,最小,Mn-km
工作温度
电缆计算重量,kg/km
芯数×标称截面
2×120
导体结构
GB 9331.4--88
标称厚度
根数/单线标称直径,nm
19×2. 14
护套标称厚度,mm
表 5-2 CXF.
金属丝直径
CXV型
2芯电缆
电缆外径,mm
标称值
最大值
GB9331.4--88
绝缘电阻,最小,MQ-km
工作温度
电缆计算重量,kg/km
芯数×标称截面
3×120
3×185
导体结构
GB 9331.4-88免费标准bzxz.net
根数/单线标称直径,mm
标称厚度
护套标称厚度,mm
表 5-3CXF、
金属丝直径
CXV型
3芯电缆
电缆外径,mm
标称值
最大值
GB9331.4—88
绝缘电阻,最小,MQ·km
工作温度
电缆计算重量,kg/km
芯数×标称截面
导体结构
GB9331.4—88
标称厚度
根数/单线标称直径,mm
护套标称厚度,mm
表 5-4 CXF、
金属丝直径
1 mm多芯电缆
cxV型
电缆外径,mm
标称值
最大值
GB9331.4--88
绝缘电阻,最小,MQ-km
工作温度
电缆计算重量,kg/krm
小提示:此标准内容仅展示完整标准里的部分截取内容,若需要完整标准请到上方自行免费下载完整标准文档。
标准图片预览:





- 热门标准
- 国家标准(GB)
- GB/T2828.1-2012 计数抽样检验程序 第1部分:按接收质量限(AQL)检索的逐批检验抽样计划
- GB/T8566-2022 系统与软件工程 软件生存周期过程
- GB175-2023 通用硅酸盐水泥
- GB/T30917—2014 /ISo 29941:2010 天然胶乳橡胶避孕套中可迁移亚硝胺的测定
- GB/T9124.1-2019 钢制管法兰 第1部分:PN 系列
- GB/T1182-2018 产品几何技术规范(GPS) 几何公差 形状、方向、位置和跳动公差标注
- GB/T12777-1999 金属波纹管膨胀节通用技术条件
- GB/T29633.4-2020 南极地名 第4部分:罗马字母拼写
- GB/T30544.5-2014 纳米科技 术语 第5部分纳米/生物界面
- GB4706.3-1986 家用和类似用途电器的安全食物搅碎器及类似用途电器的特殊要求
- GB15985-1995 丝虫病诊断标准及处理原则
- GB16844-1997 普通照明用自镇流灯的安全要求
- GB/T7407-1997 中国及世界主要海运贸易港口代码
- GB/T6113.104-2008 无线电骚扰和抗扰度测量设备和测量方法规范 第1-4部分: 无线电骚扰和抗扰度测量设备 辅助设备 辐射骚扰
- GB/T50062-2008 电力装置的继电保护和自动装置设计规范
- 行业新闻
请牢记:“bzxz.net”即是“标准下载”四个汉字汉语拼音首字母与国际顶级域名“.net”的组合。 ©2025 标准下载网 www.bzxz.net 本站邮件:bzxznet@163.com
网站备案号:湘ICP备2025141790号-2
网站备案号:湘ICP备2025141790号-2