- 您的位置:
- 标准下载网 >>
- 标准分类 >>
- 国家标准(GB) >>
- GB 9331.2-1988 额定电压0.6/1kV及以下船用电力电缆和电线 乙丙绝缘船用电力电缆 DA型
【国家标准(GB)】 额定电压0.6/1kV及以下船用电力电缆和电线 乙丙绝缘船用电力电缆 DA型
本网站 发布时间:
2024-07-04 18:06:09
- GB9331.2-1988
- 已作废
- 点击下载此标准
标准号:
GB 9331.2-1988
标准名称:
额定电压0.6/1kV及以下船用电力电缆和电线 乙丙绝缘船用电力电缆 DA型
标准类别:
国家标准(GB)
标准状态:
已作废-
实施日期:
1989-01-01 出版语种:
简体中文下载格式:
.rar.pdf下载大小:
921.11 KB
替代情况:
调整为JB/T 8140.1-1995
点击下载
标准简介:
标准下载解压密码:www.bzxz.net
GB 9331.2-1988 额定电压0.6/1kV及以下船用电力电缆和电线 乙丙绝缘船用电力电缆 DA型 GB9331.2-1988
部分标准内容:
中华人民共和国国家标准
额定电压0.6/1kV及以下船用电力电缆和电线乙丙绝缘船用电力电缆,DA型
Shipboard power cables and wires of rated voltagesup to and including 0. 6/1 kyShipboard ethylene-propylenerubber insulated power cables Type DA1适用范圈
GB9331.2-88
1.1本标准适用于各种河海船舶及海上石油平台等水上建筑物传输电能用的铜芯乙丙橡皮绝缘船用电力电缆。
1.2产品除应符合本标准规定外,还应符合GB9331.1《额定电压0.6/1kV及以下船用电力电缆和电线
一般规定》的相应要求。
使用特性
额定电压U./U为0.6/1kV
电缆的长期允许工作温度为85℃。2.3敷设时电缆的最小弯曲半径如表1规定。表1
电缆结构特征
金属编织铠装型
非铠装型
3型号
3.1电缆的型号如表2规定。
3.2电缆的型式如图1
电缆外径D
任何值
D≤25
1—导体;2-隔离层(如有时);3-绝缘,4一内护套;5—铠装;6--外护套国家机械工业委员会1988-05-23批准弯曲内半径最小
1989-01-01实施
CEF/DA
CEF80/DA
CEF90/DA
CEF92/DA
CEH/DA
CEH80/DA
CEH90/DA
CEH82/DA
CEH92/DA
CEFR/DA
CEHR/DA
CEV/DA
CEV80/DA
CEV90/DA
CEV92/DA
CEF82/DA
CEV82/DA
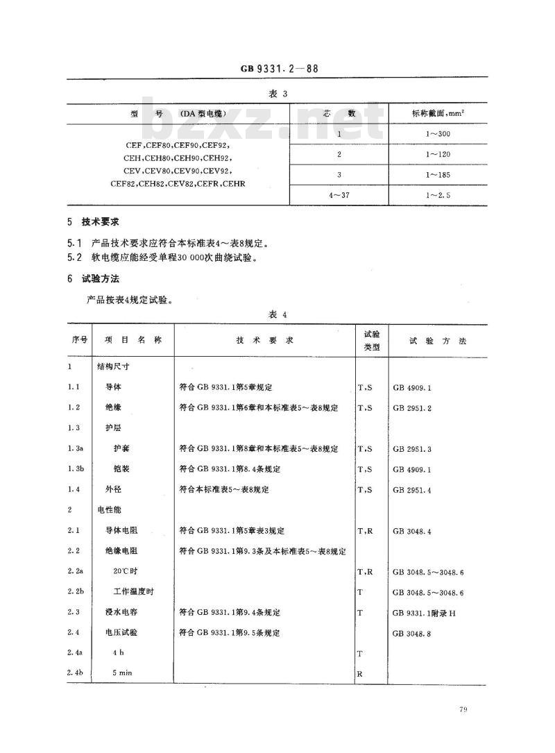
4规格
电缆的规格如表3规定。
GB9331.2-88
乙丙绝缘氯丁护套船用电力电缆,DA型称
乙内绝缘氟丁内套裸铜丝编织铠装船用电力电缆,DA型乙丙绝缘氯丁内套裸钢丝编织铠装船用电力电缆,DA型乙丙绝缘氟丁内套钢线编织铠装聚氯乙烯外套船用电力电缆,DA型乙丙绝缘氯磺化聚乙烯护套船用电力电缆,DA型乙丙绝缘氯磺化聚乙烯内套裸铜丝编织铠装船用电力电缆,DA型乙丙绝缘氟磺化聚乙烯内套裸钢丝编织铠装船用电力电缆,DA型乙丙绝缘氟磺化聚乙烯内套铜丝编织铠装聚氰乙烯外套船用电力电缆,DA型乙丙绝缘氯磺化聚乙烯内套钢丝编织铠装聚氮乙烯外套船用电力电缆,DA型乙丙绝缘氯了护套船用电力软电缆,DA型乙丙绝缘氰磺化聚乙烯护套船用电力软电缆,DA型乙丙绝缘聚氟乙烯护套船用电力电缆,DA型乙丙绝缘聚氯乙烯内套棵铜丝编织铠装船用电力电缆,DA型乙丙绝缘聚氧乙烯内套裸钢丝编织铠装船用电力电缆,DA型乙丙绝缘聚氟乙烯内套钢丝编织铠装聚氟乙烯外套船用电力电缆,DA型乙丙绝缘氟丁内套铜丝编织铠装繁氟乙烯外套船用电力电缆,DA型乙丙绝缘聚氯乙烯内套丝编织铠装聚氯乙烯外套船用电力电缆,DA型型
(DA型电缆)
CEF,CEF80,CEF90,CEF92,
CEH,CEH80,CEH90,CEH92,
CEV.CEV80,CEV90,CEV92,
GB 9331.2-88
CEF82,CEH82,CEV82,CEFR,CEHR
5技术要求
5.1产品技术要求应符合本标准表4~表8规定。5.2软电缆应能经受单程30000次曲绕试验。6试验方法
产品按表4规定试验。
结构尺寸
电性能
导体电阻
绝缘电阻
20℃时
工作温度时
漫水电容
电压试验
技术要求
符合GB9331.1第5章规定
4~37
符合GB9331.1第6章和本标准表5~表8规定符合GB9331.1第8意和本标准表5~表8规定符合GB9331.1第8.4条规定
符合本标准表5~表8规定
符合GB9331.1第5章表3规定
符合GB9331.1第9.3条及本标准表5~表8规定符合GB9331.1第9.4条规定
符合GB9331.1第9.5条规定
标称截面,mm2
1~300
试验方法
GB 4909. 1
GB 4909.1
GB 2951. 4
GB 3048. 4
GB 3048. 5~3048. 6
GB 3048. 5~ 3048. 6
GB 9331.1附录H
GB 3048.8
机械物理性能
老化前试样
空气箱老化试验
空气弹老化试验
热延伸试验
燃烧试验
耐奥氧试验
漫油试验
高温压力试验
抗开裂试验
热失重试验
低温卷绕试验
低温拉伸试验
低温冲击试验
GB 9331.2-88
续表4
技术要求
符合GB9331.1第6.2.1款规定
符合GB9331.1第8章规定
符合GB9331.1第6.2.1款规定
符合GB9331.1第8章规定
符合GB9331.1第6.2.1款规定
符合GB9331.1第6.2.1款规定
符合GB9331.1第8章规定
符合GB9331.1第9.6条DA型规定
符合GB9331.1第6.2.1款规定
符合GB9331.1第8.2.2款和8.4.4.4项规定符合GB9331.1第8章规定
符合GB9331.1第8章规定
符合GB9331.1第8章规定
符合GB9331.1第8章规定
符合CB9331.1第8章规定
符合GB9331.1第8.2.2款规定bzxz.net
试验方法
GB 2951. 6
GB 2951. 7
GB 2951.7
GB 2951.18
GB2951.19
GB 2951.35
GB2951.15
GB2951.17
GB 2951.32
GB2951.11
GB2951.12
GB2951.13
GB2951.14
相容性试验
钢丝镀层试验
铜丝镀层试验
曲绕试验
识别标志
电缆表面
裸铠装
GB 9331.2
续表4
技术要求
符合GB9331.1第9.7条规定
符合GB9331.1第8.4.3.1项规定
符合GB9331.1第5.3条规定
符合本标准第5.2条规定
符合GB9331.1第9.11条规定
符合GB9331.1第8.4.3款规定
符合GB9331.1第8.2条规定
试验方法
GB 9331.1附录 G
GB 4909. 10
GB 2951.23
GR6995
目力检查
芯数×标称截面
1×120
1×185
1×240
1×300
导体结构
GB9331.2—88
标称厚度
根数/单线标称直径.mm
表 5-1 CEF/DA,CEH/DA.
护套标称厚度,mm
金属丝直径
1芯电缆
CEV/DA 型
电缆外径,mm
标称值
最大值
GB 9331.288
绝缘电阻,最小,M2·km
工作温度
电缆计算重量,kg/km
CEF/DA
CEH/DA
CEV/DA
芯数×标称截面
2×120
导体结构
GB9331.2--88
标称厚度
根数/单线标称直径,mm
表 5-2 CEF/DA.CEH/DA、
护套标称厚度,mm
金属丝直径
CEV/DA型2芯电缆
电缆外径,mm
标称值
最大值
GB9331.2--88
绝缘电阻,最小,Ma·km
工作温度
电缆计算重量,kg/km
CEF/DA
CEH/DA
CEV/DA
芯数X标称截面
3×120
3×150
导体结构
GB9331.2-88
标称厚度
根数/单线标称直径,mm
表 5-3 CEF/DA.CEH/DA
护套标称厚度,mm
金属丝直径
CEV/DA 型
3芯电缆
电缆外径,mm
标称值
最大值
GB 9331.2—88
绝缘电阻,最小,MQ·km
工作温度
电缆计算重量,kg/km
CEF/DA
CEH/DA
CEV/DA
芯数×标称截面
导体结构
GB 9331.2--88
标称厚度
根数/单线标称直径mm
表 5-4 CEF/DA、CEH/DA、
护套标称厚度,mm
金属丝直径
小提示:此标准内容仅展示完整标准里的部分截取内容,若需要完整标准请到上方自行免费下载完整标准文档。
额定电压0.6/1kV及以下船用电力电缆和电线乙丙绝缘船用电力电缆,DA型
Shipboard power cables and wires of rated voltagesup to and including 0. 6/1 kyShipboard ethylene-propylenerubber insulated power cables Type DA1适用范圈
GB9331.2-88
1.1本标准适用于各种河海船舶及海上石油平台等水上建筑物传输电能用的铜芯乙丙橡皮绝缘船用电力电缆。
1.2产品除应符合本标准规定外,还应符合GB9331.1《额定电压0.6/1kV及以下船用电力电缆和电线
一般规定》的相应要求。
使用特性
额定电压U./U为0.6/1kV
电缆的长期允许工作温度为85℃。2.3敷设时电缆的最小弯曲半径如表1规定。表1
电缆结构特征
金属编织铠装型
非铠装型
3型号
3.1电缆的型号如表2规定。
3.2电缆的型式如图1
电缆外径D
任何值
D≤25
1—导体;2-隔离层(如有时);3-绝缘,4一内护套;5—铠装;6--外护套国家机械工业委员会1988-05-23批准弯曲内半径最小
1989-01-01实施
CEF/DA
CEF80/DA
CEF90/DA
CEF92/DA
CEH/DA
CEH80/DA
CEH90/DA
CEH82/DA
CEH92/DA
CEFR/DA
CEHR/DA
CEV/DA
CEV80/DA
CEV90/DA
CEV92/DA
CEF82/DA
CEV82/DA
4规格
电缆的规格如表3规定。
GB9331.2-88
乙丙绝缘氯丁护套船用电力电缆,DA型称
乙内绝缘氟丁内套裸铜丝编织铠装船用电力电缆,DA型乙丙绝缘氯丁内套裸钢丝编织铠装船用电力电缆,DA型乙丙绝缘氟丁内套钢线编织铠装聚氯乙烯外套船用电力电缆,DA型乙丙绝缘氯磺化聚乙烯护套船用电力电缆,DA型乙丙绝缘氯磺化聚乙烯内套裸铜丝编织铠装船用电力电缆,DA型乙丙绝缘氟磺化聚乙烯内套裸钢丝编织铠装船用电力电缆,DA型乙丙绝缘氟磺化聚乙烯内套铜丝编织铠装聚氰乙烯外套船用电力电缆,DA型乙丙绝缘氯磺化聚乙烯内套钢丝编织铠装聚氮乙烯外套船用电力电缆,DA型乙丙绝缘氯了护套船用电力软电缆,DA型乙丙绝缘氰磺化聚乙烯护套船用电力软电缆,DA型乙丙绝缘聚氟乙烯护套船用电力电缆,DA型乙丙绝缘聚氯乙烯内套棵铜丝编织铠装船用电力电缆,DA型乙丙绝缘聚氧乙烯内套裸钢丝编织铠装船用电力电缆,DA型乙丙绝缘聚氟乙烯内套钢丝编织铠装聚氟乙烯外套船用电力电缆,DA型乙丙绝缘氟丁内套铜丝编织铠装繁氟乙烯外套船用电力电缆,DA型乙丙绝缘聚氯乙烯内套丝编织铠装聚氯乙烯外套船用电力电缆,DA型型
(DA型电缆)
CEF,CEF80,CEF90,CEF92,
CEH,CEH80,CEH90,CEH92,
CEV.CEV80,CEV90,CEV92,
GB 9331.2-88
CEF82,CEH82,CEV82,CEFR,CEHR
5技术要求
5.1产品技术要求应符合本标准表4~表8规定。5.2软电缆应能经受单程30000次曲绕试验。6试验方法
产品按表4规定试验。
结构尺寸
电性能
导体电阻
绝缘电阻
20℃时
工作温度时
漫水电容
电压试验
技术要求
符合GB9331.1第5章规定
4~37
符合GB9331.1第6章和本标准表5~表8规定符合GB9331.1第8意和本标准表5~表8规定符合GB9331.1第8.4条规定
符合本标准表5~表8规定
符合GB9331.1第5章表3规定
符合GB9331.1第9.3条及本标准表5~表8规定符合GB9331.1第9.4条规定
符合GB9331.1第9.5条规定
标称截面,mm2
1~300
试验方法
GB 4909. 1
GB 4909.1
GB 2951. 4
GB 3048. 4
GB 3048. 5~3048. 6
GB 3048. 5~ 3048. 6
GB 9331.1附录H
GB 3048.8
机械物理性能
老化前试样
空气箱老化试验
空气弹老化试验
热延伸试验
燃烧试验
耐奥氧试验
漫油试验
高温压力试验
抗开裂试验
热失重试验
低温卷绕试验
低温拉伸试验
低温冲击试验
GB 9331.2-88
续表4
技术要求
符合GB9331.1第6.2.1款规定
符合GB9331.1第8章规定
符合GB9331.1第6.2.1款规定
符合GB9331.1第8章规定
符合GB9331.1第6.2.1款规定
符合GB9331.1第6.2.1款规定
符合GB9331.1第8章规定
符合GB9331.1第9.6条DA型规定
符合GB9331.1第6.2.1款规定
符合GB9331.1第8.2.2款和8.4.4.4项规定符合GB9331.1第8章规定
符合GB9331.1第8章规定
符合GB9331.1第8章规定
符合GB9331.1第8章规定
符合CB9331.1第8章规定
符合GB9331.1第8.2.2款规定bzxz.net
试验方法
GB 2951. 6
GB 2951. 7
GB 2951.7
GB 2951.18
GB2951.19
GB 2951.35
GB2951.15
GB2951.17
GB 2951.32
GB2951.11
GB2951.12
GB2951.13
GB2951.14
相容性试验
钢丝镀层试验
铜丝镀层试验
曲绕试验
识别标志
电缆表面
裸铠装
GB 9331.2
续表4
技术要求
符合GB9331.1第9.7条规定
符合GB9331.1第8.4.3.1项规定
符合GB9331.1第5.3条规定
符合本标准第5.2条规定
符合GB9331.1第9.11条规定
符合GB9331.1第8.4.3款规定
符合GB9331.1第8.2条规定
试验方法
GB 9331.1附录 G
GB 4909. 10
GB 2951.23
GR6995
目力检查
芯数×标称截面
1×120
1×185
1×240
1×300
导体结构
GB9331.2—88
标称厚度
根数/单线标称直径.mm
表 5-1 CEF/DA,CEH/DA.
护套标称厚度,mm
金属丝直径
1芯电缆
CEV/DA 型
电缆外径,mm
标称值
最大值
GB 9331.288
绝缘电阻,最小,M2·km
工作温度
电缆计算重量,kg/km
CEF/DA
CEH/DA
CEV/DA
芯数×标称截面
2×120
导体结构
GB9331.2--88
标称厚度
根数/单线标称直径,mm
表 5-2 CEF/DA.CEH/DA、
护套标称厚度,mm
金属丝直径
CEV/DA型2芯电缆
电缆外径,mm
标称值
最大值
GB9331.2--88
绝缘电阻,最小,Ma·km
工作温度
电缆计算重量,kg/km
CEF/DA
CEH/DA
CEV/DA
芯数X标称截面
3×120
3×150
导体结构
GB9331.2-88
标称厚度
根数/单线标称直径,mm
表 5-3 CEF/DA.CEH/DA
护套标称厚度,mm
金属丝直径
CEV/DA 型
3芯电缆
电缆外径,mm
标称值
最大值
GB 9331.2—88
绝缘电阻,最小,MQ·km
工作温度
电缆计算重量,kg/km
CEF/DA
CEH/DA
CEV/DA
芯数×标称截面
导体结构
GB 9331.2--88
标称厚度
根数/单线标称直径mm
表 5-4 CEF/DA、CEH/DA、
护套标称厚度,mm
金属丝直径
小提示:此标准内容仅展示完整标准里的部分截取内容,若需要完整标准请到上方自行免费下载完整标准文档。
标准图片预览:





- 热门标准
- 国家标准(GB)
- GB/T2828.1-2012 计数抽样检验程序 第1部分:按接收质量限(AQL)检索的逐批检验抽样计划
- GB/T8566-2022 系统与软件工程 软件生存周期过程
- GB175-2023 通用硅酸盐水泥
- GB/T30917—2014 /ISo 29941:2010 天然胶乳橡胶避孕套中可迁移亚硝胺的测定
- GB/T9124.1-2019 钢制管法兰 第1部分:PN 系列
- GB/T1182-2018 产品几何技术规范(GPS) 几何公差 形状、方向、位置和跳动公差标注
- GB/T12777-1999 金属波纹管膨胀节通用技术条件
- GB/T29633.4-2020 南极地名 第4部分:罗马字母拼写
- GB/T50062-2008 电力装置的继电保护和自动装置设计规范
- GB/T30544.5-2014 纳米科技 术语 第5部分纳米/生物界面
- GB/T5169.15—2015 /IEC 60695-11-3;2012 电工电子产品着火危险试验第15部分:试验火焰500 W火焰装置和确认试验方法
- GB4706.3-1986 家用和类似用途电器的安全食物搅碎器及类似用途电器的特殊要求
- GB15193.5-2003 骨髓细胞微核试验
- GB15985-1995 丝虫病诊断标准及处理原则
- GB16844-1997 普通照明用自镇流灯的安全要求
- 行业新闻
请牢记:“bzxz.net”即是“标准下载”四个汉字汉语拼音首字母与国际顶级域名“.net”的组合。 ©2025 标准下载网 www.bzxz.net 本站邮件:bzxznet@163.com
网站备案号:湘ICP备2025141790号-2
网站备案号:湘ICP备2025141790号-2