- 您的位置:
- 标准下载网 >>
- 标准分类 >>
- 电子行业标准(SJ) >>
- SJ/T 9503.1-1991 非固体电解质铝电容器质量分等标准
标准号:
SJ/T 9503.1-1991
标准名称:
非固体电解质铝电容器质量分等标准
标准类别:
电子行业标准(SJ)
标准状态:
现行-
发布日期:
1991-03-22 -
实施日期:
1991-04-01 出版语种:
简体中文下载格式:
.rar.pdf下载大小:
50.15 KB
部分标准内容:
1.1主题内等
中华人民共和国电子行业标准
非固体电解质铝电容器
质量分等标准
本标准规定了非間并更解见铝心容益质地分等的要求。1.2造用超史
牢标准适用丁非固球息解质铝电容弱的质母分等wT 9505-1-91
心标准只绘出广关键性使术指标,不是个完整的标准,必氛GB5993、GB59分1和言关详组规范一起使出。
引用文件
GB5993非固体电解压铝电容器分规范GB9非尚体电解质畅电容器空自详纳规器3要求
中华人民共和国机械电子工业部99!322批准1991-02-01实跑
外形尽寸
上限类别渴使
下火别
报拖切
长命级
51/T 3503. 1-97
舒适级
达世界先进国本乐准改先运公元同学产卧进天个的水平
到步界产指国系标准
获免公司同类产与选
1, , a. 1c gt 514
教校★卡:
0.0U或1改较
c.1.2.903
P0. 0GGC11 2
b. 3V:≥0. 24
10V:2,C.20
IEV.s,G, 5
35V:s5. 14
+.s:u. 031+ 19va
13n Inc.0e,42:
,t.33c:3.A
校小苦:
4442im:
2,t. 32U 效 Sr:AIR
[60--3F5V:$:0- 18
#5t--40V.,4.23
合格品
1U, 成 HA<
埃大荠·
; 0.Ux20.A
IV21 :-0. b
114*:E25V:*1. 35
2FV-t-63V:-*0. 25
:9Ve:(on (oV,n'6. 25
15-- 415V :-.0. 18
3:34nV:.9, 23
超近14hP,每增加
10加2
餐考先致率\
长将命级
Wli.3V.+15---3G
6.3V*5.190V:+15
2-6- 1: 1 10
,1,3rgx
S/T 9503 19
V$6.3*: +-20--.-30
G.3V-*L&:.60V: 120
160V:115%
C&6.3V, . 25-- --40
6.3Ve=160v:13C
G>160V:±15www.bzxz.net
1.5g或0.4(较大
G16·4
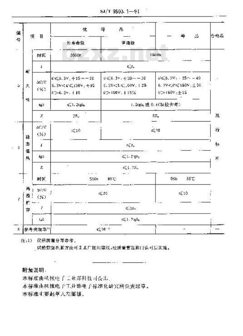
仅供财量分等委书
1. 2:g6g
试验数活损象方可主工厂提川续设,经质量音理部门认可后实殖,附加说明
本样准由印了收部科技让
本标准机电子工业部电子标满化究所货近起克。本标准非要起草人在丽提,
台药品
小提示:此标准内容仅展示完整标准里的部分截取内容,若需要完整标准请到上方自行免费下载完整标准文档。
中华人民共和国电子行业标准
非固体电解质铝电容器
质量分等标准
本标准规定了非間并更解见铝心容益质地分等的要求。1.2造用超史
牢标准适用丁非固球息解质铝电容弱的质母分等wT 9505-1-91
心标准只绘出广关键性使术指标,不是个完整的标准,必氛GB5993、GB59分1和言关详组规范一起使出。
引用文件
GB5993非固体电解压铝电容器分规范GB9非尚体电解质畅电容器空自详纳规器3要求
中华人民共和国机械电子工业部99!322批准1991-02-01实跑
外形尽寸
上限类别渴使
下火别
报拖切
长命级
51/T 3503. 1-97
舒适级
达世界先进国本乐准改先运公元同学产卧进天个的水平
到步界产指国系标准
获免公司同类产与选
1, , a. 1c gt 514
教校★卡:
0.0U或1改较
c.1.2.903
P0. 0GGC11 2
b. 3V:≥0. 24
10V:2,C.20
IEV.s,G, 5
35V:s5. 14
+.s:u. 031+ 19va
13n Inc.0e,42:
,t.33c:3.A
校小苦:
4442im:
2,t. 32U 效 Sr:AIR
[60--3F5V:$:0- 18
#5t--40V.,4.23
合格品
1U, 成 HA<
埃大荠·
; 0.Ux20.A
IV21 :-0. b
114*:E25V:*1. 35
2FV-t-63V:-*0. 25
:9Ve:(on (oV,n'6. 25
15-- 415V :-.0. 18
3:34nV:.9, 23
超近14hP,每增加
10加2
餐考先致率\
长将命级
Wli.3V.+15---3G
6.3V*5.190V:+15
2-6- 1: 1 10
,1,3rgx
S/T 9503 19
V$6.3*: +-20--.-30
G.3V-*L&:.60V: 120
160V:115%
C&6.3V, . 25-- --40
6.3Ve=160v:13C
G>160V:±15www.bzxz.net
1.5g或0.4(较大
G16·4
仅供财量分等委书
1. 2:g6g
试验数活损象方可主工厂提川续设,经质量音理部门认可后实殖,附加说明
本样准由印了收部科技让
本标准机电子工业部电子标满化究所货近起克。本标准非要起草人在丽提,
台药品
小提示:此标准内容仅展示完整标准里的部分截取内容,若需要完整标准请到上方自行免费下载完整标准文档。
标准图片预览:



- 其它标准
- 热门标准
- 电子行业标准(SJ)
- SJ3166-1988 GZS12-4-3型彩色显像管插座
- SJ2857.2-1988 温差电致冷材料性能的测试方法 电导率的测试方法
- SJ2879-1988 彩色电视接收机用色纯静会聚磁体组合件总规范
- SJ2534.10-1986 天线测试方法 功率增益和方向性的测量
- SJ/Z9087-1987 信息处理-信息交换用3.81mm宽,以4字符/毫米,63磁通翻转/毫米调相制记录的卡型盒式磁带
- SJ/T11332-2006 数字电视接收设备接口规范 第6部分:RGB模拟基色视频信号接口
- SJ/T10038-1991 电子器件详细规范 半导体集成电路CC4008型CMOS4位二进制超前进位全加器
- SJ/T9546-1993 无金属化孔单、双面印制板的质量分等标准
- SJ20599-1996 推拉钨丝规范
- SJ/T10253-1991 电子器件详细规范 半导体集成电路CC4046型CMOS数字锁相环详细规范
- SJ/Z9010.27-1987 电子管电性能的测试 第27部分:发射管中相互调制分量的测试方法
- SJ/T11088-1996 电子器件详细规范 半导体集成电路CD7680CP图象伴音中频放大电路
- SJ/T11010-1996 电子器件详细规范 半导体电视集成电路CD1124ACP伴音中频放大电路
- SJ/T31441-1994 离心式制冷机组完好要求和检查评定方法
- SJ3178-1988 矿用纵横制用户电话交换机技术要求
- 行业新闻
请牢记:“bzxz.net”即是“标准下载”四个汉字汉语拼音首字母与国际顶级域名“.net”的组合。 ©2025 标准下载网 www.bzxz.net 本站邮件:bzxznet@163.com
网站备案号:湘ICP备2025141790号-2
网站备案号:湘ICP备2025141790号-2