- 您的位置:
- 标准下载网 >>
- 标准分类 >>
- 机械行业标准(JB) >>
- JB/T 50196-2000 3MW~600MW发电机无磁性护环合金钢锻件 产品质量分等
标准号:
JB/T 50196-2000
标准名称:
3MW~600MW发电机无磁性护环合金钢锻件 产品质量分等
标准类别:
机械行业标准(JB)
英文名称:
Quality classification of alloy steel forgings for non-magnetic retaining rings of 3MW~600MW generators标准状态:
已作废-
发布日期:
2000-08-31 -
实施日期:
2000-12-01 出版语种:
简体中文下载格式:
.rar.pdf下载大小:
422.88 KB
点击下载
标准简介:
标准下载解压密码:www.bzxz.net
JB/T 50196-2000 3MW~600MW发电机无磁性护环合金钢锻件 产品质量分等 JB/T50196-2000
部分标准内容:
中华人民共和国机械行业标准
JB/T50196-2000
3MW600MW发电机
无磁性护环合金钢锻件
产品质量分等
(内部使用)
2000-08-31发布
国家机械工业局
2000-12-01实施
JB/T50196—2000
本标准是对JB/T53491-94《3~50MW发电机无磁性护环合金钢锻件产品质量分等》和JB/T5349794《100~300MW发电机无磁性护环合金钢锻件产品质量分等》的修订。修订时,对原标准作了编辑性修改,并结合了JB/T7029一1993《50MW以下汽轮发电机无磁性护环锻件技术条件》、JB/T1268一1993《50~200MW汽轮发电机无磁性护环锻件技术条件》和JB/T7030一1993《300~600MW汽轮发电机无磁性护环锻件技术条件》相应规定对某些技术指标作了变动。本标准自实施之日起代替JB/T53491—94、JB/T53497—94。本标准由德阳大型铸锻件研究所提出并归口。本标准起草单位:中国第二重型机械集团公司。本标准主要起草人:陈大金。
1范围
中华人民共和国机械行业标准
3MW~600MW发电机
无磁性护环合金钢锻件
产品质量分等
(内部使用)
JB/T50196—2000
代替JB/T53491—94
JB/T53497—94
本标准规定了3~600MW发电机无磁性护环合金钢锻件产品的质量等级及分等技术要求、试验方法和评定方法。
本标准是考核3~600MW发电机无磁性护环合金钢锻件的产品质量、等级评定、企业升级和优质品判定的依据。
2引用标准
下列标准所包含的条文,通过在本标准中引用而构成为本标准的条文。本标准出版时,所示版本均为有效。所有标准都会被修订,使用本标准的各方应探讨使用下列标准最新版本的可能性。GB/T223—(1981~1997)
GB/T228—1987
GB/T4338—1995
GB/T 6394—1986
JB/T1268—1993
JB/T4010—1985
JB/T7029—1993
JB/T70301993
ASTMA342—1979
3产品质量分等技术要求
3.1化学成分
钢铁及合金化学分析方法
金属拉伸试验方法
金属材料高温拉伸试验方法
金属平均晶粒度测定方法
50-200MW汽轮发电机无磁性护环锻件技术条件汽轮发电机用钢制护环超声波探伤方法50MW以下汽轮发电机无磁性护环锻件技术条件300~600MW汽轮发电机无磁性护环锻件技术条件弱磁性材料导磁率测定方法
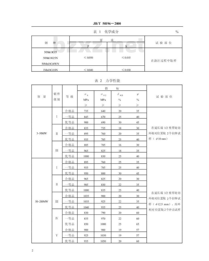
锻件用钢的化学成分合格品和一等品应分别符合JBT70291993、JB/T1268一1993和JB/T703C一1993中表1的相应规定。其中优等品的磷、硫含量应符合本标准表1的规定。3.2力学性能
锻件的力学性能应符合表2的规定国家机械工业局2000-08-31批准2000-12-01实施
50Mh18Cr5
50Mh18G5N
50Mnl8Cr4WN
1Mnl8Cr18N
3~50MW
50-200MW
合格品
优等品
合格品
一等品
优等品
合格品
一等品
优等品
合格品
一等品
优等品免费标准下载网bzxz
合格品
优等品
合格品
一等品
优等品
合格品
一等品
优等品
合格品
一等品
优等品
JB/T50196—2000
表1化学成分
≤0050
≤0040
表2力学性能
试验部位
在浇注过程中取样
试验部位
在延长端1/2壁厚处切
环相对位置取2个拉伸试
样(Φ10mm)
在延长端1/2壁厚处切
环相对位置取2个拉伸试
样(Φ12.5mm),内环
相对位置取2个冲击试样
300-600MW
合格品
优等品
合格品
优等品
合格品
优等品
JB/T50196—2000
表2(完)
试验部位
在延长端1/2壁厚处切
环相对位置取4个拉伸试
样(Φ12.5mm),内环取
4个冲击试样,位置按订
货图样规定
注:1Mh18Cr18N钢的拉伸试验温度为95~105℃C,冲击试验温度为20~27℃,在300MW以上护环的同一试环上的。!
3.3残余应力
002的波动值不超过50MPa
锻件残余应力应符合表3的规定。300~600MW的未规定可按供需双方协议执行。表3残余应力
3~200MW
3.4应力腐蚀
合格品
一等品
优等品
不超过规定屈服强度的20%
3.4.1300~600MW护环当需方提出要求时,应进行应力腐蚀检验。3.4.2导致应力腐蚀裂纹显现的时间应大于或等于1000h。3.5晶粒度
锻件的晶粒度应符合表4的规定
表4晶粒度
合格品
优等品
50MW以下无要求,50MW以上1级
1级或更细
同一等品
试验部位
在延长端1/2壁厚处切环
试验部位
取自延长端任意处或试环上
3.6无损检验
JB/T50196—2000
锻件的无损检验结果除符合JB/T7029、JB/T1268和JB/T7030的相应规定外,还应符合表5的规定。
表5超声波检验结果
3-600MW
3.7磁导率
合格品
一等品
优等品
锻件的磁导率应符合表6的规定。等级
合格品
优等品
符合标准规定
≤3个
表6磁导率
试验部位
纵波探伤时在任意100mm宽度的全圆周内相应当量直径的缺陷数
试验部位
3~200MW:在磁场强度为1.6x10°A/m时,锻件的磁导率应不大于13.8x107Hm:3.00~600MW:在磁场强度为0.8x10°A/m时,锻件的磁导率应不大于13.2×10H/m3.8机械加工质量
中环切取1个试样,由需
方进行
发运的锻件必须机械加工到需方图样标明的尺寸和表面粗糙度,一般应符合表7的规定。表7机械加工质量
合格品
一等品
优等品
4说明
粗加工交货的锻件,规定检查的几何尺寸和表面粗糙度项目总计,合格率不得小于80%粗加工交货的锻件,规定检查的几何尺寸和表面粗糙度项目总计,合格率不得小于85%粗加工交货的锻件,规定检查的几何尺寸和表面粗糙度项且总计,合格率不得小于90%经供需双方协商,凡需方认可某项指标略低于合格品要求而能验收的为合格品。5用户评价和用户服务
用户评价和用户服务按表8的规定进行评定。4
合格品
一等品
优等品
6试验方法
6.1化学成分
JB/T50196-2000
表8用户评价和用户服务
1)用户评价产品能满足使用需要;2)为用户提供优质服务
1)用户评价产品使用效果良好,在国内市场上有竞争能力:2)经常访问用户,为用户提供优质服务1)用户评价产品质量与国际同类产品的先进水平相当:2)经常访问用户,为用户提供优质服务化学成分分析方法按GB/T23的规定。6.2力学性能
力学性能检验按GB/T228的规定和GB/T4338的规定进行。取样部位、数量按JB/T7029、JB/T1268和JB/T7030的规定。
6.3残余应力
残余应力的测定方法按JB/T1268的规定。6.4晶粒度
晶粒度试验方法按GB/T6394的规定。6.5超声波探伤
超声波检验按JB/T4010的规定进行。6.6磁导率
磁导率试验方法按ASTMA342的规定。7抽样方法
7.1企业进行产品质量考核时,应逐件进行检查。7.2行业、企业主管部门、质量监督部门进行产品质量考核或检查时,应从企业正在生产或交货检验的锻件中,任意抽取两件或三件(包括不同容量)进行检查。检测要求
8.1企业进行产品质量考核时,检测工作应由企业的质量检查部门负责。试验方法应符合本标准的规定。
8.2行业、企业主管部门、质量监督部门进行产品质量考核或检查时,检测方式分别由这些部门自行决定。
9评定方法
9.1单个锻件的产品质量评定,采用全部指标达到法,即锻件各单项质量指标的等级结论必须全部达到某个等级,该锻件才能评为这个等级,否则只能按各单项质量指标中所能达到的最低等级来评定该锻5
件的等级。
JB/T50196—2000
9.2行业、企业主管部门、质量监督部门进行产品质量考核或检查时,对抽查的产品应逐件评定,并按9.1的规定处理。当考核两件时,两件应全部达到某个等级,该产品才能评为这个等级;当考核三件时,充许有一件产品中的一项指标低手所评定的等级(3.6的无损检验除外)。产品质量的等级应根据抽样结果,考虑用户评价意见,由上级考核部门进行综合评定。还应考虑企业全年生产产品的逐件评定结果,必须有80%的产品达到一等品时,该种产品才能评定为一等品;必须有85%的产品达到优等品时,该种产品才能评定为优等品。9.3行业、企业主管部门、质量监督部门进行产品质量考核复查或临时抽查时,可进行全部项目的检测或减少某些项目的检测。
9.4凡需方进行检验的项目,评定时按不同情况处理。9.4.1企业在产品出厂时评定等级,可以对该项指标不作计算,但在需方返回检验结果时,若达不到要求,则应在当年产量中扣除。9.4.2行业、企业主管部门、质量监督部门进行检测时,其检测数据应按下列情况之一处理:a)向需方索取该项检验数据后,再评定;b)从用户意见中判断该项产品的质量状况,确定其等级;c)如需方不提供该项检测数据,也无综合判定的资料时,则该项指标可不计算。9.5本标准规定的项目,在订货条件中没作要求时,企业可不进行检测,但作为分等技术要求必须保证达到。为了考核保证指标能否达到,在材质、工艺、设备均已定型稳定、无原则性变化的情况下,企业可以采取抽查的办法。凡未检测项目,在半年产量不超过30件时抽查2~3件,产品超过30件时抽查35件。抽查工作应由企业质量管理部门负责。凡不抽查义不进行检测的项自只能按合格品计算。6
共和国
机械行业标准
3MW~600MW发电机
无磁性护环合金钢锻件
产品质量分等
(内部使用)
JB/T50196-2000
机械科学研究院出版发行
机械科学研究院印刷
(北京首体南路2号邮编100044)*
开本880×12301/16印张3/4字数14.0002000年11月第一版
2000年11月第一次印刷
定价1500元
印数1-500
编号2000-140
机械工业标准服务网:http:/vwwJB.ac.cn00960
小提示:此标准内容仅展示完整标准里的部分截取内容,若需要完整标准请到上方自行免费下载完整标准文档。
JB/T50196-2000
3MW600MW发电机
无磁性护环合金钢锻件
产品质量分等
(内部使用)
2000-08-31发布
国家机械工业局
2000-12-01实施
JB/T50196—2000
本标准是对JB/T53491-94《3~50MW发电机无磁性护环合金钢锻件产品质量分等》和JB/T5349794《100~300MW发电机无磁性护环合金钢锻件产品质量分等》的修订。修订时,对原标准作了编辑性修改,并结合了JB/T7029一1993《50MW以下汽轮发电机无磁性护环锻件技术条件》、JB/T1268一1993《50~200MW汽轮发电机无磁性护环锻件技术条件》和JB/T7030一1993《300~600MW汽轮发电机无磁性护环锻件技术条件》相应规定对某些技术指标作了变动。本标准自实施之日起代替JB/T53491—94、JB/T53497—94。本标准由德阳大型铸锻件研究所提出并归口。本标准起草单位:中国第二重型机械集团公司。本标准主要起草人:陈大金。
1范围
中华人民共和国机械行业标准
3MW~600MW发电机
无磁性护环合金钢锻件
产品质量分等
(内部使用)
JB/T50196—2000
代替JB/T53491—94
JB/T53497—94
本标准规定了3~600MW发电机无磁性护环合金钢锻件产品的质量等级及分等技术要求、试验方法和评定方法。
本标准是考核3~600MW发电机无磁性护环合金钢锻件的产品质量、等级评定、企业升级和优质品判定的依据。
2引用标准
下列标准所包含的条文,通过在本标准中引用而构成为本标准的条文。本标准出版时,所示版本均为有效。所有标准都会被修订,使用本标准的各方应探讨使用下列标准最新版本的可能性。GB/T223—(1981~1997)
GB/T228—1987
GB/T4338—1995
GB/T 6394—1986
JB/T1268—1993
JB/T4010—1985
JB/T7029—1993
JB/T70301993
ASTMA342—1979
3产品质量分等技术要求
3.1化学成分
钢铁及合金化学分析方法
金属拉伸试验方法
金属材料高温拉伸试验方法
金属平均晶粒度测定方法
50-200MW汽轮发电机无磁性护环锻件技术条件汽轮发电机用钢制护环超声波探伤方法50MW以下汽轮发电机无磁性护环锻件技术条件300~600MW汽轮发电机无磁性护环锻件技术条件弱磁性材料导磁率测定方法
锻件用钢的化学成分合格品和一等品应分别符合JBT70291993、JB/T1268一1993和JB/T703C一1993中表1的相应规定。其中优等品的磷、硫含量应符合本标准表1的规定。3.2力学性能
锻件的力学性能应符合表2的规定国家机械工业局2000-08-31批准2000-12-01实施
50Mh18Cr5
50Mh18G5N
50Mnl8Cr4WN
1Mnl8Cr18N
3~50MW
50-200MW
合格品
优等品
合格品
一等品
优等品
合格品
一等品
优等品
合格品
一等品
优等品免费标准下载网bzxz
合格品
优等品
合格品
一等品
优等品
合格品
一等品
优等品
合格品
一等品
优等品
JB/T50196—2000
表1化学成分
≤0050
≤0040
表2力学性能
试验部位
在浇注过程中取样
试验部位
在延长端1/2壁厚处切
环相对位置取2个拉伸试
样(Φ10mm)
在延长端1/2壁厚处切
环相对位置取2个拉伸试
样(Φ12.5mm),内环
相对位置取2个冲击试样
300-600MW
合格品
优等品
合格品
优等品
合格品
优等品
JB/T50196—2000
表2(完)
试验部位
在延长端1/2壁厚处切
环相对位置取4个拉伸试
样(Φ12.5mm),内环取
4个冲击试样,位置按订
货图样规定
注:1Mh18Cr18N钢的拉伸试验温度为95~105℃C,冲击试验温度为20~27℃,在300MW以上护环的同一试环上的。!
3.3残余应力
002的波动值不超过50MPa
锻件残余应力应符合表3的规定。300~600MW的未规定可按供需双方协议执行。表3残余应力
3~200MW
3.4应力腐蚀
合格品
一等品
优等品
不超过规定屈服强度的20%
3.4.1300~600MW护环当需方提出要求时,应进行应力腐蚀检验。3.4.2导致应力腐蚀裂纹显现的时间应大于或等于1000h。3.5晶粒度
锻件的晶粒度应符合表4的规定
表4晶粒度
合格品
优等品
50MW以下无要求,50MW以上1级
1级或更细
同一等品
试验部位
在延长端1/2壁厚处切环
试验部位
取自延长端任意处或试环上
3.6无损检验
JB/T50196—2000
锻件的无损检验结果除符合JB/T7029、JB/T1268和JB/T7030的相应规定外,还应符合表5的规定。
表5超声波检验结果
3-600MW
3.7磁导率
合格品
一等品
优等品
锻件的磁导率应符合表6的规定。等级
合格品
优等品
符合标准规定
≤3个
表6磁导率
试验部位
纵波探伤时在任意100mm宽度的全圆周内相应当量直径的缺陷数
试验部位
3~200MW:在磁场强度为1.6x10°A/m时,锻件的磁导率应不大于13.8x107Hm:3.00~600MW:在磁场强度为0.8x10°A/m时,锻件的磁导率应不大于13.2×10H/m3.8机械加工质量
中环切取1个试样,由需
方进行
发运的锻件必须机械加工到需方图样标明的尺寸和表面粗糙度,一般应符合表7的规定。表7机械加工质量
合格品
一等品
优等品
4说明
粗加工交货的锻件,规定检查的几何尺寸和表面粗糙度项目总计,合格率不得小于80%粗加工交货的锻件,规定检查的几何尺寸和表面粗糙度项目总计,合格率不得小于85%粗加工交货的锻件,规定检查的几何尺寸和表面粗糙度项且总计,合格率不得小于90%经供需双方协商,凡需方认可某项指标略低于合格品要求而能验收的为合格品。5用户评价和用户服务
用户评价和用户服务按表8的规定进行评定。4
合格品
一等品
优等品
6试验方法
6.1化学成分
JB/T50196-2000
表8用户评价和用户服务
1)用户评价产品能满足使用需要;2)为用户提供优质服务
1)用户评价产品使用效果良好,在国内市场上有竞争能力:2)经常访问用户,为用户提供优质服务1)用户评价产品质量与国际同类产品的先进水平相当:2)经常访问用户,为用户提供优质服务化学成分分析方法按GB/T23的规定。6.2力学性能
力学性能检验按GB/T228的规定和GB/T4338的规定进行。取样部位、数量按JB/T7029、JB/T1268和JB/T7030的规定。
6.3残余应力
残余应力的测定方法按JB/T1268的规定。6.4晶粒度
晶粒度试验方法按GB/T6394的规定。6.5超声波探伤
超声波检验按JB/T4010的规定进行。6.6磁导率
磁导率试验方法按ASTMA342的规定。7抽样方法
7.1企业进行产品质量考核时,应逐件进行检查。7.2行业、企业主管部门、质量监督部门进行产品质量考核或检查时,应从企业正在生产或交货检验的锻件中,任意抽取两件或三件(包括不同容量)进行检查。检测要求
8.1企业进行产品质量考核时,检测工作应由企业的质量检查部门负责。试验方法应符合本标准的规定。
8.2行业、企业主管部门、质量监督部门进行产品质量考核或检查时,检测方式分别由这些部门自行决定。
9评定方法
9.1单个锻件的产品质量评定,采用全部指标达到法,即锻件各单项质量指标的等级结论必须全部达到某个等级,该锻件才能评为这个等级,否则只能按各单项质量指标中所能达到的最低等级来评定该锻5
件的等级。
JB/T50196—2000
9.2行业、企业主管部门、质量监督部门进行产品质量考核或检查时,对抽查的产品应逐件评定,并按9.1的规定处理。当考核两件时,两件应全部达到某个等级,该产品才能评为这个等级;当考核三件时,充许有一件产品中的一项指标低手所评定的等级(3.6的无损检验除外)。产品质量的等级应根据抽样结果,考虑用户评价意见,由上级考核部门进行综合评定。还应考虑企业全年生产产品的逐件评定结果,必须有80%的产品达到一等品时,该种产品才能评定为一等品;必须有85%的产品达到优等品时,该种产品才能评定为优等品。9.3行业、企业主管部门、质量监督部门进行产品质量考核复查或临时抽查时,可进行全部项目的检测或减少某些项目的检测。
9.4凡需方进行检验的项目,评定时按不同情况处理。9.4.1企业在产品出厂时评定等级,可以对该项指标不作计算,但在需方返回检验结果时,若达不到要求,则应在当年产量中扣除。9.4.2行业、企业主管部门、质量监督部门进行检测时,其检测数据应按下列情况之一处理:a)向需方索取该项检验数据后,再评定;b)从用户意见中判断该项产品的质量状况,确定其等级;c)如需方不提供该项检测数据,也无综合判定的资料时,则该项指标可不计算。9.5本标准规定的项目,在订货条件中没作要求时,企业可不进行检测,但作为分等技术要求必须保证达到。为了考核保证指标能否达到,在材质、工艺、设备均已定型稳定、无原则性变化的情况下,企业可以采取抽查的办法。凡未检测项目,在半年产量不超过30件时抽查2~3件,产品超过30件时抽查35件。抽查工作应由企业质量管理部门负责。凡不抽查义不进行检测的项自只能按合格品计算。6
共和国
机械行业标准
3MW~600MW发电机
无磁性护环合金钢锻件
产品质量分等
(内部使用)
JB/T50196-2000
机械科学研究院出版发行
机械科学研究院印刷
(北京首体南路2号邮编100044)*
开本880×12301/16印张3/4字数14.0002000年11月第一版
2000年11月第一次印刷
定价1500元
印数1-500
编号2000-140
机械工业标准服务网:http:/vwwJB.ac.cn00960
小提示:此标准内容仅展示完整标准里的部分截取内容,若需要完整标准请到上方自行免费下载完整标准文档。
标准图片预览:





- 热门标准
- 机械行业标准(JB)
- JB/T10288-2001 连栋温室结构
- JB/T10056-1999 直流电流互感器 技术条件
- JB/T2756-2006 无轨电车用炭滑块
- JB/T7895-2008 永磁筒式磁选机
- JB/T8679-2008 炭弧气刨炭棒 物理及使用性能试验方法
- JB/T8082-2010 护指键式和护罩式木工平刨床 安全
- JB/T9713-1999 工程机械 湿式铜基摩擦件 技术条件
- JB/T8840-2013 电热器具用电源开关
- JB/T9580-2008 炭石墨 产品分类及型号编制方法
- JB/T11340.3-2012 阀控式铅酸蓄电池安全阀 第3部分:橡胶帽、阀芯
- JB∕T12675-2016 拖拉机液压系统清洁度限值及测量方法
- JB/T6316-2006 Z4系列直流电动机技术条件(机座号100~450)
- JB/T10677-2006 投影机 光源
- JB3704-1984 特种调压器用碳电阻片柱电气机械性能试验方法
- JB/T10930-2010 200级耐电晕漆包铜圆线
- 行业新闻
请牢记:“bzxz.net”即是“标准下载”四个汉字汉语拼音首字母与国际顶级域名“.net”的组合。 ©2025 标准下载网 www.bzxz.net 本站邮件:bzxznet@163.com
网站备案号:湘ICP备2025141790号-2
网站备案号:湘ICP备2025141790号-2