
【电子行业标准(SJ)】 半导体集成电路 JW1524(1525、1525A、1526、1527、1527A)型脉宽调制器详细规范
本网站 发布时间:
2024-07-05 05:45:28
- SJ20294-1993
- 现行
- 点击下载此标准
标准号:
SJ 20294-1993
标准名称:
半导体集成电路 JW1524(1525、1525A、1526、1527、1527A)型脉宽调制器详细规范
标准类别:
电子行业标准(SJ)
标准状态:
现行-
发布日期:
1993-05-11 -
实施日期:
1993-07-01 出版语种:
简体中文下载格式:
.rar.pdf下载大小:
1.67 MB

点击下载
标准简介:
标准下载解压密码:www.bzxz.net
本规范规定了硅单片JW1524 JW1525 JW1525A JW1526 JW1527 JW1527A脉冲宽调制器(以下简称器件)的详细要求。本规范适用于器件的研制、生产和采购。 SJ 20294-1993 半导体集成电路 JW1524(1525、1525A、1526、1527、1527A)型脉宽调制器详细规范 SJ20294-1993

部分标准内容:
中华人民共和国电子行业军用标准FL5962
SJ20294—93
半导体集成电路15281712型
脉宽调制器详细规范
DetailspecificationfortypesJw1524,Jw1525,JW1525A,JW1526JW1527andJW1527Apulse--widthmodulatorof semiconductor integrated circuits1993-05-11发布
1993-07-01实施
中华人民共和国电子工业部批准1
引用文件
3要求
4质量保证规定
5交货准备
说明事项.
附录A开环方式直流测试方法(补充件)次
iiKAoNrKAca=
中华人民共和国电子行业军用标准半导体集成电路JW1524、JW1525、JW1525A、JW1526、JW1527、JW1527A型脉宽调制器详细规范DetailspecificationfortypesJW1524,JW1525,JW1525AJW1526.JW1527.JW1527Apulse-widthmodulatorof semiconductor integrated circuits1范围
1.1主题内容
SJ20294-93
本规范规定了硅单片JW1524、JW1525、JW1525A、JW1526、JW1527、JW1527A型脉宽调制器(以下简称器件)的详细要求。1.2适用范围
本规范适用于器件的研制、生产和采购。1.3分类
本规范给出的器件按器件型号、器件等级、封装形式、额定值、推荐工作条件、功率和热特性分类。
1.3.1器件编号
器件编号应按GJB597《微电路总规范》第3.6.2条的规定。1.3.1.1器件型号
器件型号如下:
JW1524
JW1525
JW1525A
JW1526
JW1527
JW1527A
1.3.1.2器件等级
脉宽调制器
脉宽调制器
脉宽调制器
脉宽调制器
脉宽调制器
脉宽调制器
器件等级应为GJB597第3.4条规定的B级和本规范规定的B级。1.3.1.3,封装形式
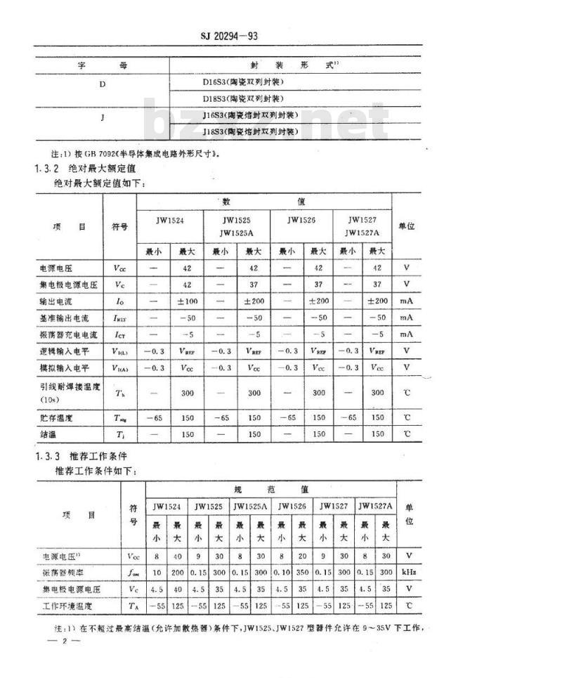
封装形式如下:
中华人民共和国电子工业部1993-05-11发布称
1993-07-01实施www.bzxz.net
SJ20294-93
封装形
D16S3(陶瓷双列封装)
D18S3(陶瓷双列封装)
J16S3(陶瓷熔封双列封装)
J18S3(陶瓷熔封双列封装)
注:1)按GB7092《半导体集成电路外形尺寸)。1.3.2绝对最大额定值
绝对最大额定值如下:
电源电压
集电极电源电压
输出电流
基准输出电流
振荡器充电电流
逻辑输入电平
模拟输入电平
引线耐焊接温度
存温度
1.3.3推荐工作条件
推荐工作条件如下:
电源电压\
振荡器频率
集电极电源电压
工作环境温度
JW1524
JW1524
JW1525
JW1525A
JW1525
JW1525A
JW1526
JW1526
JW1527
IW1527A
JW1527
JW1527A
注:1)在不超过最高结温(允许加散热器)条件下,JW1525.JW1527型器件允许在9~35V下工作,2
iiKAoNiKAca-
SJ20294—93
JW1525AJW1527A.JW1526型器件允许在8~35V下工作。1.3.4功率和热特性(T=125℃)功率和热特性如下:
封装形式
引用文件
GB 3431.1—82
GB3431.286
GB4590—84
GB4728.1~13-85
GB/T7092—93
GJB548—88
GJB597—88
GJB1649—93
3要求
3.1详细要求
最大功耗
热阻Rth(J--C)
60℃/W
60℃/W
60℃/W
60℃/W
半导体集成电路文字符号
电参数文字符号
半导体集成电路文字符号引出端功能符号半导体集成电路机械和气侯试验方法电气图用图形符号
半导体集成电路外形尺寸
微电子器件试验方法和程序
微电路总规范
电子产品防静电放电控制大纲
各项要求应按GJB597和本规范的规定。3.2设计、结构和外形尺寸
设计、结构和外形尺寸应按GJB597和本规范的规定。3.2.1引出端排列
引出端排列应符合图1的规定,引出端排列为俯视图。a.JW1524
GND:
15bvee
gbcoMp
JW1525.JW1525A
JW1527.JW1527A
i2boND
nbouTa
sbcoMp
引出端排列
热阻Rth(J—A)
100℃/W
100℃/W
100℃/W
100℃/W
16bour
13boura
12bsYNc
3.2.2功能框图
功能框图应符合图2的规定。
3.2.3电原理图
SJ20294—93
制造厂在鉴定前应将电原理图提交给鉴定机构,各制造厂的电原理图应由鉴定机构存档备查。
至内部电路
(RAMP)
功能框图
iiKAoNiiKAca
SJ20294—93
b.JW1525.JW1525A.JW1527.JW1527A内部电路
续图2功能框图
久压馈定
JW1525A
JW1525
W1527A
软启动
3.2.4封装形式
至内部电路
SJ20294-93
欠压馈定
续图2功能框图
封装形式应符合本规范1.3.1.3条的规定。3.2.5外壳和密封材料
外壳和密封材料应符合GB597的规定。3.3引线材料和涂覆
引线材料和涂覆应符合GJB597第3.5.6条的规定。3.4电特性
电特性按表1的规定。
iiKAoNiKAca
误差放大器部分
输入失调电压
输入偏置电流
输入失调电流
共模抑制比
开环电压增益
单位增益带宽
基准部分
输出电压
电压调整率
电流调整率
纹波抑制比
极限短路电流1)
输出噪声电压
振荡器部分
最高频率
振荡器频率
频率随电压稳定度
输出脉冲幅度
输出脉冲宽度
锯齿波电压
饱和压降
Vno(ma)
VsAT(OSC)
脉冲宽度调制比较器部分
最大占空比
最小占空比
输出部分”
SJ20294—93
表1-1电特性(JW1524)
若无其它规定,Vcc=20V
R,=2kn±0.1%
C,=0.01μF±0.1%.-55℃≤T≤125℃V2.5V
Vic=1.8~3.4V
TA-25℃
TA---55C.125℃
Avp=0dB,T-25C,见图7。
Vec-8~40V
IREF=0~20mA
Vcc=20V,uiam)=1Vf=2400HzTa=25℃≤25ms,T=125℃
VRE-0V,T--55℃.25℃
10Hz≤f≤10kHz,TA=25℃
R=2kn±0.1%.C=0.001μF±1.0%TA25℃
TA=125℃
TA=-55℃
Vcc=8~40V.T,-25℃
le=5mA.V.=5V
TA=25℃
Vic=2.5V.Vm3.8V
Vic=2.5VVmp=0.5V
—190
集电极漏电流
饱和压降
发射极输出电压
上升时间
下降时间
关断电路部分
电压灵敏度
关断电压”
电源电流部分
电源电流
VSATOUT)
SJ20294—93
续表1-1
若无其它规定,Vcc=20VR,=2ka士0.1%C,=0.01μF±0.1%,—55≤T≤125℃Vee40V
V≥150mV.lc=-50mA
Vm≥150mV,
T-25C,Vc=20Vlz=-50mA
Vm≥150mV,
Re=2ka,Ve-20V,
T=25CC=15pF
Vb≥150mV.
Re-2kn,Ve=20V
Ta=25℃.Ct=15pF
V≥150mV,
VorA-2V
Vp≥150mV
ViD≥150mV
TA=25℃
T=125℃、—55℃
Vc=40V、1、4、7、11、14引出端接地,2引出端接2V,其余开路
注:1)连续短路极限值小于所标明的规范值。2)应按表中列出的所有参数对每个输出晶体管进行测试。3)本测试为功能测试,其规范值是对输入电平的限制。规范值
表1—2电特性(JW1525,JW1525A,JW1527,JW1527A))条
基准部分
输出电压
电压调整率
电流调整率
极限短路电流\
输出噪声电压
VNocrmn)
若无其它规定,Vcc=20V,R=3.6kn士0.1%Ro=0kn.C=0.01μF±0.1%-55≤T<1250T=—55C.125℃
TA-25℃
Ve=8~35V
1gm0~-20mA
Vaer=0V.t<25ms
10HziiKAoNiKAca
纹波抑制比
振荡器部分
振荡器频率
饱和压降
输出脉冲幅度
输出脉冲宽度
锯齿波电压
频率随电压稳定度
最低颊率
最高频率
同步电压\
同步输入电流
误差放大器部分
输入失调电压
输入偏置电流
输入失调电流
开环电压增益
共模抑制比
电源电压抑制比
单位增益带宽
输出高电平
输出低电平
VsAT(OSC)
VSYNC(H)
脉冲宽度调制比较器部分
最大占空比
SJ20294—93
续表1—2
若无其它规定Vcc=20V,R=3.6ka士0.1%Rp=0kmC=0.01F±0.1%,-55CTA-55C,125℃
Ims-5mA.Vosc=5V,T=25℃
TA=-55C.25℃
TA=125℃
Vcc=8~35V.TA=25C
R,=150kQ±0.1%
C=0.1μF±0.1%,Rp=0kn
R,=2kn±0.1%
C,=0.001μF±1.0%,Rp=0kn
VsYNe-3.5V
Vic=1.5~5.2V
Vce=8~35V
Avn=0dB,见图7,T=25℃
V>150mV
Vm≤-150mV
Vcomp=3.6V
最小占空比
输出部分
翰出低电平
输出高电平
欠压锁定电平
关断延迟
上升时间
下降时间
集电极漏电流
软启动部分
软启动电流
关断输入电流
软启动电压
关断电压”
电源电流部分
电源电流
VsDXH)
SJ20294—93
续表1-2
若无其它规定.Vce=20VRr=3.6kn±0.1%Rp=0knCh0.01μF±0.1%,-55C≤T≤125℃V=0.6V
lal=20mA
loL=100mA
loH=—20mA
loH=-100mA
Vsp=3V
TA=-55C,25C
TA-125℃
Vc=35V(仅器件型号JW1525.JW1525A)Vsp=oV
Vsp=2V
Vcc35V
TA=-55℃.25
TA=125℃
规范值
注:1)JW1525,JW1527,Vcc最小值为9V,JW1525A,JW1527A,Vcc最小值为8V。2)连续短路极限值小于所标明的规范值;3)本测试为功能测试,其规范值是对输人电平的限制;4)应按表中列出的所有参数对每个输出进行测试,若无其他规定,Vc=20V。10
iiKAoNiKAca-
小提示:此标准内容仅展示完整标准里的部分截取内容,若需要完整标准请到上方自行免费下载完整标准文档。
SJ20294—93
半导体集成电路15281712型
脉宽调制器详细规范
DetailspecificationfortypesJw1524,Jw1525,JW1525A,JW1526JW1527andJW1527Apulse--widthmodulatorof semiconductor integrated circuits1993-05-11发布
1993-07-01实施
中华人民共和国电子工业部批准1
引用文件
3要求
4质量保证规定
5交货准备
说明事项.
附录A开环方式直流测试方法(补充件)次
iiKAoNrKAca=
中华人民共和国电子行业军用标准半导体集成电路JW1524、JW1525、JW1525A、JW1526、JW1527、JW1527A型脉宽调制器详细规范DetailspecificationfortypesJW1524,JW1525,JW1525AJW1526.JW1527.JW1527Apulse-widthmodulatorof semiconductor integrated circuits1范围
1.1主题内容
SJ20294-93
本规范规定了硅单片JW1524、JW1525、JW1525A、JW1526、JW1527、JW1527A型脉宽调制器(以下简称器件)的详细要求。1.2适用范围
本规范适用于器件的研制、生产和采购。1.3分类
本规范给出的器件按器件型号、器件等级、封装形式、额定值、推荐工作条件、功率和热特性分类。
1.3.1器件编号
器件编号应按GJB597《微电路总规范》第3.6.2条的规定。1.3.1.1器件型号
器件型号如下:
JW1524
JW1525
JW1525A
JW1526
JW1527
JW1527A
1.3.1.2器件等级
脉宽调制器
脉宽调制器
脉宽调制器
脉宽调制器
脉宽调制器
脉宽调制器
器件等级应为GJB597第3.4条规定的B级和本规范规定的B级。1.3.1.3,封装形式
封装形式如下:
中华人民共和国电子工业部1993-05-11发布称
1993-07-01实施www.bzxz.net
SJ20294-93
封装形
D16S3(陶瓷双列封装)
D18S3(陶瓷双列封装)
J16S3(陶瓷熔封双列封装)
J18S3(陶瓷熔封双列封装)
注:1)按GB7092《半导体集成电路外形尺寸)。1.3.2绝对最大额定值
绝对最大额定值如下:
电源电压
集电极电源电压
输出电流
基准输出电流
振荡器充电电流
逻辑输入电平
模拟输入电平
引线耐焊接温度
存温度
1.3.3推荐工作条件
推荐工作条件如下:
电源电压\
振荡器频率
集电极电源电压
工作环境温度
JW1524
JW1524
JW1525
JW1525A
JW1525
JW1525A
JW1526
JW1526
JW1527
IW1527A
JW1527
JW1527A
注:1)在不超过最高结温(允许加散热器)条件下,JW1525.JW1527型器件允许在9~35V下工作,2
iiKAoNiKAca-
SJ20294—93
JW1525AJW1527A.JW1526型器件允许在8~35V下工作。1.3.4功率和热特性(T=125℃)功率和热特性如下:
封装形式
引用文件
GB 3431.1—82
GB3431.286
GB4590—84
GB4728.1~13-85
GB/T7092—93
GJB548—88
GJB597—88
GJB1649—93
3要求
3.1详细要求
最大功耗
热阻Rth(J--C)
60℃/W
60℃/W
60℃/W
60℃/W
半导体集成电路文字符号
电参数文字符号
半导体集成电路文字符号引出端功能符号半导体集成电路机械和气侯试验方法电气图用图形符号
半导体集成电路外形尺寸
微电子器件试验方法和程序
微电路总规范
电子产品防静电放电控制大纲
各项要求应按GJB597和本规范的规定。3.2设计、结构和外形尺寸
设计、结构和外形尺寸应按GJB597和本规范的规定。3.2.1引出端排列
引出端排列应符合图1的规定,引出端排列为俯视图。a.JW1524
GND:
15bvee
gbcoMp
JW1525.JW1525A
JW1527.JW1527A
i2boND
nbouTa
sbcoMp
引出端排列
热阻Rth(J—A)
100℃/W
100℃/W
100℃/W
100℃/W
16bour
13boura
12bsYNc
3.2.2功能框图
功能框图应符合图2的规定。
3.2.3电原理图
SJ20294—93
制造厂在鉴定前应将电原理图提交给鉴定机构,各制造厂的电原理图应由鉴定机构存档备查。
至内部电路
(RAMP)
功能框图
iiKAoNiiKAca
SJ20294—93
b.JW1525.JW1525A.JW1527.JW1527A内部电路
续图2功能框图
久压馈定
JW1525A
JW1525
W1527A
软启动
3.2.4封装形式
至内部电路
SJ20294-93
欠压馈定
续图2功能框图
封装形式应符合本规范1.3.1.3条的规定。3.2.5外壳和密封材料
外壳和密封材料应符合GB597的规定。3.3引线材料和涂覆
引线材料和涂覆应符合GJB597第3.5.6条的规定。3.4电特性
电特性按表1的规定。
iiKAoNiKAca
误差放大器部分
输入失调电压
输入偏置电流
输入失调电流
共模抑制比
开环电压增益
单位增益带宽
基准部分
输出电压
电压调整率
电流调整率
纹波抑制比
极限短路电流1)
输出噪声电压
振荡器部分
最高频率
振荡器频率
频率随电压稳定度
输出脉冲幅度
输出脉冲宽度
锯齿波电压
饱和压降
Vno(ma)
VsAT(OSC)
脉冲宽度调制比较器部分
最大占空比
最小占空比
输出部分”
SJ20294—93
表1-1电特性(JW1524)
若无其它规定,Vcc=20V
R,=2kn±0.1%
C,=0.01μF±0.1%.-55℃≤T≤125℃V2.5V
Vic=1.8~3.4V
TA-25℃
TA---55C.125℃
Avp=0dB,T-25C,见图7。
Vec-8~40V
IREF=0~20mA
Vcc=20V,uiam)=1Vf=2400HzTa=25℃≤25ms,T=125℃
VRE-0V,T--55℃.25℃
10Hz≤f≤10kHz,TA=25℃
R=2kn±0.1%.C=0.001μF±1.0%TA25℃
TA=125℃
TA=-55℃
Vcc=8~40V.T,-25℃
le=5mA.V.=5V
TA=25℃
Vic=2.5V.Vm3.8V
Vic=2.5VVmp=0.5V
—190
集电极漏电流
饱和压降
发射极输出电压
上升时间
下降时间
关断电路部分
电压灵敏度
关断电压”
电源电流部分
电源电流
VSATOUT)
SJ20294—93
续表1-1
若无其它规定,Vcc=20VR,=2ka士0.1%C,=0.01μF±0.1%,—55≤T≤125℃Vee40V
V≥150mV.lc=-50mA
Vm≥150mV,
T-25C,Vc=20Vlz=-50mA
Vm≥150mV,
Re=2ka,Ve-20V,
T=25CC=15pF
Vb≥150mV.
Re-2kn,Ve=20V
Ta=25℃.Ct=15pF
V≥150mV,
VorA-2V
Vp≥150mV
ViD≥150mV
TA=25℃
T=125℃、—55℃
Vc=40V、1、4、7、11、14引出端接地,2引出端接2V,其余开路
注:1)连续短路极限值小于所标明的规范值。2)应按表中列出的所有参数对每个输出晶体管进行测试。3)本测试为功能测试,其规范值是对输入电平的限制。规范值
表1—2电特性(JW1525,JW1525A,JW1527,JW1527A))条
基准部分
输出电压
电压调整率
电流调整率
极限短路电流\
输出噪声电压
VNocrmn)
若无其它规定,Vcc=20V,R=3.6kn士0.1%Ro=0kn.C=0.01μF±0.1%-55≤T<1250T=—55C.125℃
TA-25℃
Ve=8~35V
1gm0~-20mA
Vaer=0V.t<25ms
10Hz
纹波抑制比
振荡器部分
振荡器频率
饱和压降
输出脉冲幅度
输出脉冲宽度
锯齿波电压
频率随电压稳定度
最低颊率
最高频率
同步电压\
同步输入电流
误差放大器部分
输入失调电压
输入偏置电流
输入失调电流
开环电压增益
共模抑制比
电源电压抑制比
单位增益带宽
输出高电平
输出低电平
VsAT(OSC)
VSYNC(H)
脉冲宽度调制比较器部分
最大占空比
SJ20294—93
续表1—2
若无其它规定Vcc=20V,R=3.6ka士0.1%Rp=0kmC=0.01F±0.1%,-55C
Ims-5mA.Vosc=5V,T=25℃
TA=-55C.25℃
TA=125℃
Vcc=8~35V.TA=25C
R,=150kQ±0.1%
C=0.1μF±0.1%,Rp=0kn
R,=2kn±0.1%
C,=0.001μF±1.0%,Rp=0kn
VsYNe-3.5V
Vic=1.5~5.2V
Vce=8~35V
Avn=0dB,见图7,T=25℃
V>150mV
Vm≤-150mV
Vcomp=3.6V
最小占空比
输出部分
翰出低电平
输出高电平
欠压锁定电平
关断延迟
上升时间
下降时间
集电极漏电流
软启动部分
软启动电流
关断输入电流
软启动电压
关断电压”
电源电流部分
电源电流
VsDXH)
SJ20294—93
续表1-2
若无其它规定.Vce=20VRr=3.6kn±0.1%Rp=0knCh0.01μF±0.1%,-55C≤T≤125℃V=0.6V
lal=20mA
loL=100mA
loH=—20mA
loH=-100mA
Vsp=3V
TA=-55C,25C
TA-125℃
Vc=35V(仅器件型号JW1525.JW1525A)Vsp=oV
Vsp=2V
Vcc35V
TA=-55℃.25
TA=125℃
规范值
注:1)JW1525,JW1527,Vcc最小值为9V,JW1525A,JW1527A,Vcc最小值为8V。2)连续短路极限值小于所标明的规范值;3)本测试为功能测试,其规范值是对输人电平的限制;4)应按表中列出的所有参数对每个输出进行测试,若无其他规定,Vc=20V。10
iiKAoNiKAca-
小提示:此标准内容仅展示完整标准里的部分截取内容,若需要完整标准请到上方自行免费下载完整标准文档。

标准图片预览:





- 热门标准
- 电子行业标准(SJ)
- SJ2944-1988 交流数字电压表测试方法
- SJ20811-2002 压阻式加速度传感器总规范
- SJ374-1973 反射速调管负载特性的测试方法
- SJ2588-1985 BSH12~14-1L、BSH12~14-2L型一体化回扫变压器
- SJ789-1974 3DG120型NPN硅外延平面高频小功率三极管
- SJ933-1975 半导体调幅广播收音机用输出输入变压器
- SJ/T31291-1994 CHJ-S-2型超声波塑料焊接机完好要求和检查评定方法
- SJ1007-75 双动冲床引伸模 上压板
- SJ50033.61-1995 半导体分立器件 3DK6547型高压功率开关晶体管详细规范
- SJ/T31279-1994 WLD-T1型无感式电容器引线自动焊接机完好要求和检查评定方法
- SJ/T31280-1994 隧道式电容器清洗机完好要求和检查评定方法
- SJ993-75 双动冲床引伸模 固定板定位板
- SJ1011-1975 手柄翻开式钻模 压板
- SJ3228.1-1989 电子工业用高纯石英砂技术条件
- SJ/T31254-1994 自动绕片机完好要求和检查评定方法
- 行业新闻
请牢记:“bzxz.net”即是“标准下载”四个汉字汉语拼音首字母与国际顶级域名“.net”的组合。 ©2009 标准下载网 www.bzxz.net 本站邮件:bzxznet@163.com
网站备案号:湘ICP备2023016450号-1
网站备案号:湘ICP备2023016450号-1