- 您的位置:
- 标准下载网 >>
- 标准分类 >>
- 通信行业标准(YD) >>
- YD/T 718-1994 录音电话机技术要求及测量方?
标准号:
YD/T 718-1994
标准名称:
录音电话机技术要求及测量方?
标准类别:
通信行业标准(YD)
标准状态:
已作废-
发布日期:
1994-04-25 -
实施日期:
1994-10-01 -
作废日期:
2006-10-01 出版语种:
简体中文下载格式:
.rar.pdf下载大小:
621.29 KB
替代情况:
被YD/T 718-2006代替
部分标准内容:
中华人民共和国通信行业标准
录音电话机技术要求及测量方法1主题内容与适用范围
YD/T 718--94
本标准规定了录音电话机技术要求及测量方法,适用于录音电话机及附属于电话机录音设备的产品设计、生产、检验、仲裁产品质量的依据。2 引用标准
GB1492
GB1493
GR6362
GB9032
GB9033
GB 9034免费标准bzxz.net
GB9035
GB 12195
GB12196
GB 12197
GB 12198
GB2018
GB 2019
SJ 2838
电话机试验方法
共电、自动电话机技术条件
电话机频率响应
脉冲式按键电话机技术要求
电话用脉冲式按键号盘技术要求双音多频式按键电话机技术要求电话用双音多频式按键号盘技术要求脉冲式按键电话机测试方法
电话用脉冲式按键号盘测试方法双音多频式按键电话机测试方法电话用双音多频式按键号盘测试方法磁带录音机测量方法
磁带录音机基本参数和技术要求磁卡电话机进网要求
录音电话机类别、基本参数、技术要求YD/T735电话机电磁兼容限值和测试方法3技术要求
3.1使用条件
环境温度:10~+40℃;
相对湿度:10%~95%;
大气压力:86×103~106×103Pa;环境噪声:不大于60dB(A)。
3.2话机部分
3.2.1通话传输特性
3.2.1.1录音电话机模拟接入电话网测试系统中,其发送、接收响度评定值、侧音掩蔽评定值应符合表1规定。
中华人民共和国邮电部1994-04-25批准1994-10-01实施
用户线长度,km
发送响度评定值(SLR),dB
接收响度评定值(RLR),dB
侧音掩蔽评定值(STMR).dB
YD/T 718-94
表1响度评定值
3.2.1.2发送、接收频率响应均应符合GB6362电话机频率响应的要求。3.2.1.3发送、接收非线性失真均应不大于7%。5
3.2.1.4录音电话机在正常通话状态下的回损,在300~3400Hz频率范围内,相对于图1所示平衡测试网络的稳定平衡回损和间声平衡回损应符合表2的要求,图1 测试网络
R-200±2Q;Rz-680+70,C-100+5nF表2通话状态平衡回损
用户线长度,km
稳定平衡回损,dB
回声平衡回损,dB
3.2.1.5话机在正常使用时应无振鸣,0
3.2.1.6录音电话机通断电时,受话器耳承输出最大声级不大于110dB(A)。3.2.2发号性能
录音电话机用按键盘发号,发号方式分为直流脉冲、双音多频两种。直流脉冲性能应符合表3规定。
表3直流脉冲性能
脉冲速率,s1
脉冲断续比
相邻两脉冲串间隔时间,ms
3.2.2.2双音多频性能
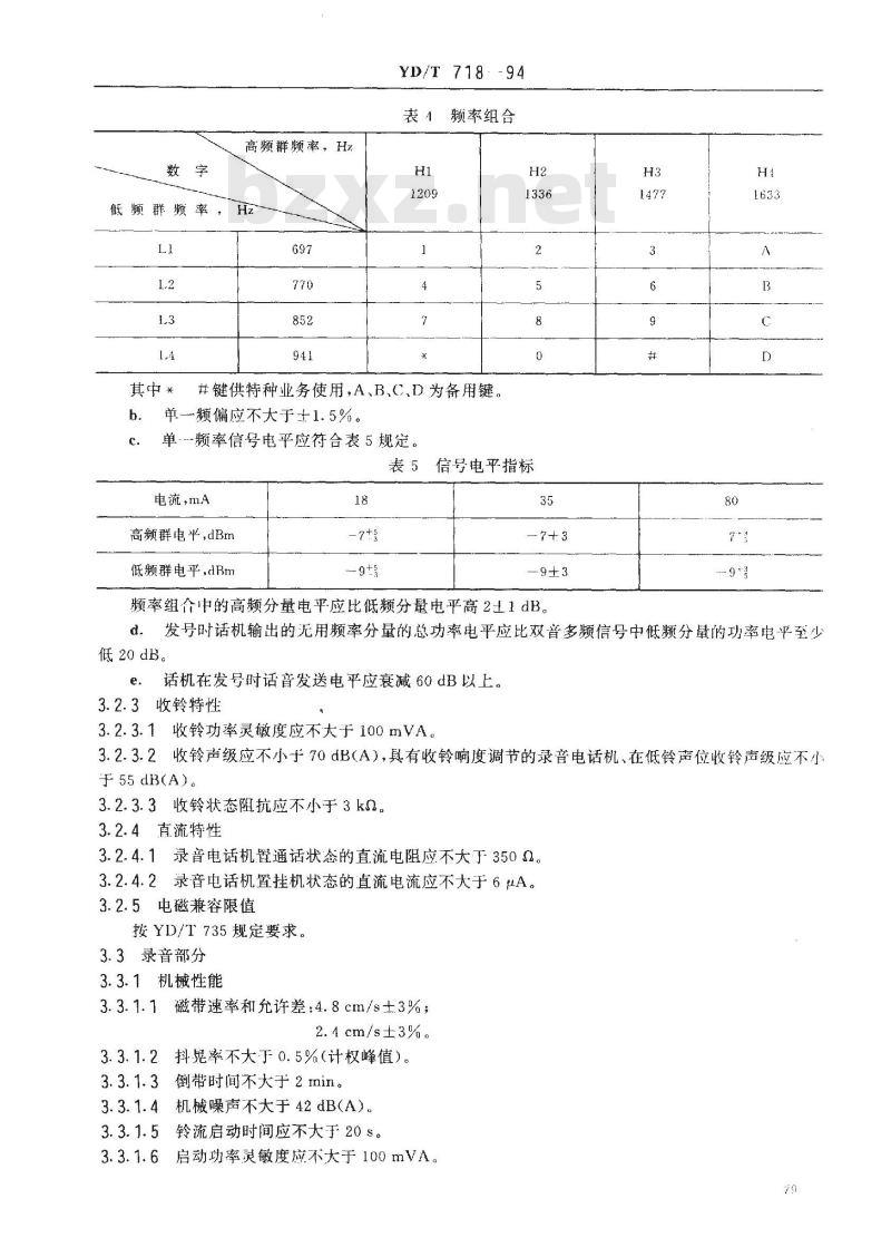
频率组合应符合表4规定。
(1.6±0.2):1或(2.0+0.2):1
按\0\字键发送10个脉冲
低频群频
高频群频率,Hz
YD/T 718
频率组合
其中*
#键供特种业务使用,A、B.C.D为备用键。h.
单一频偏应不大于±1.5%。
单-频率信号电平应符合表5规定。表51
信号电平指标
电流,mA
高频群电平,dBr
低频群电平,dBm
频率组个中的高频分量电平应比低频分量电平高2±1dB。H3
发号时话机输出的无用频率分量的总功率电平应比双音多频信号中低频分量的功率电平至少d.
低20dB
话机在发号时话音发送电平应衰减60dB以上。e.
3.2.3收铃特性
3.2.3.1收铃功率灵敏度应不大于100mVA。3.2.3.2收铃声级应不小于70dB(A),具有收铃响度调节的录音电话机、在低铃声位收铃声级应不小于 55 dB(A)。
3.2.3.3收铃状态阻抗应不小于3k。3.2.4直流特性
3.2.4.1录音电话机置通话状态的直流电阻应不大于3500。3.2.4.2录音电话机置挂机状态的直流电流应不大于6μA。3.2.5电磁兼容限值
按YD/T735规定要求。
3.3录音部分
3.3.1机械性能
3.3.1.1磁带速率和允许差:4.8cm/s±3%;2. 4 cm/s±3%。
3.3.1.2抖晃率不大于0.5%(计权峰值)。3.3.1.3倒带时间不大于2min。
3.3.1.4机械噪声不大于42dB(A)。3.3.1.5铃流启动时间应不大于20s。3.3.1.6启动功率敏度应不大于100mVA。79
3.3.1.7录音电话机不应有误动出现。3.3.2电性能
YD/T 718—-94
3.3.2.1提示音信号:信号频率可在800~1000Hz范围内,0km用户线时输出电平为13±3dBrml、信号持续时间为0.5~15~-次。
3.3.2.2频率特性
来活录音和重放通道频率特性应符合图2a规定。树村级,dB
允差1限
fzdB.oct.
允下限
来话录音和重放通道频率特性
应答信号录制和发送通道频率特性应符合图2b规定。相对级,dB
允落丨限
允差下限
3ontons
应答信号录制和发送通道频率特性来话录音和遥控收听通道频率特性应符合图2b规定。c
3.3.2.3信噪比
来话录音和重放通道信噪比应不小于30dB。80
YD/T 718-94
b.应答信号录制和发送通道信噪比应不小于30dB。来话录音和遥控收听通道信噪比应不小于30dB。c.
3.3.2.4谐波失真
来话录音和重放通道谐波失真应不大于10%。应答信号录制和发送通道谐波失真应不大于10%。来话录音和遥控收听通道谐波失真应不大于10%。c.
3.3.2.5来话录音时间限制应不小于30S,用语声录音集成电路录音时间限制,可在产品企业标准提出。
3.3.2.6重放音量应有调节功能,音量应不小于70dBA),非线性失真不大干10%,3.3.2.7主叫用户控制录音电话机停止录音时间应不大于3~4$。3.3.2.8消音效果应不小于40dB。3.3.2.9录音电话机正常工作输入电平当输入电平下降至一35dB时,放音信噪比应能达到30dB。3.3.2.10录音电话机在用户线长度为0km时,输出电平为-13士3dBm。3.3.2.11平衡回损
录音电话机置自动录音状态和通话录音状态,平衡回损应符合表2规定。3.3.2、12电源
接入电话机的交流电源应转换成安全电压后,再进入录音电话机内,当交流电源停止供电时,电话部分应能正常工作。
3.4基本环境适应性
3.4.1录音电话机在10℃和十40℃工作温度时,其发送,接收响度评定值允许偏离表1指标士3dB,并应符合3.2.2、3.2.3条规定。3.4.2录音电话机经-40℃和十55℃贮存后在正常大气条件下恢复后,应符合表1、3.2.2.3.2.3条规定。
3.4.3录音电话机经频率10~55Hz,位移幅值0.35mm扫频振动后,应无机械损伤和结构松动现象。并应符合表1.3.2.2、3.2.3、3.3.1条规定。3.4.4录音电话机经峰值加速度值100m/s2、脉冲持续时间16ms碰撞后,应无机械损伤和结构松动现象,并应符合表1、3.2.2.3.2.3、3.3.1条规定。3.4.5录音电话机在温度为40℃相对湿度90%~95%时.其发送,接收响度评定值允许偏离表1指标±3dB,绝缘电阻应不小于5MQ,并应符合3.2.2、3.2、3条规定。3.4.6录音电话机以单机原包装悬挂在离试验台面1m高度,在初速率为零的情洗下,自由跌落2次后,应符合表1、3.2.2.3.2.3、3.3.1条规定。3.5寿命
3.5.1录音电话机叉簧经20万次使用后应能正常工作。3.5.2录音电话机每个发号按键经50万次使用后,应能正常工作。3.5.3录音功能键依次按两个功能键,经5000次循环试验后,应能正常工作。3.6安全性能
3.6.1录音电话机在正常大气条件下,承受频率50Hz,有效值为500V的正弦交流电压1min应无飞弧和击穿现象。
3.6.2录音电话机在正常大气压条件下,绝缘电阻应不小于50M2。3.6.3包装录音电话机用塑料袋应打孔通气。4测量方法
4.1话机部分
4.1.1测试条件
环境温度:15~35C;
相对湿度:45%~75%;
环境噪音:40dB(A);
大气压力:86×103106×103Pa
4.1.2传输特性测量
4.1.2.1响度评定值1.R测量
测量设备和条件
测量设备:
仿真用户线网络
YD/T 718--94
试验用仿真用户线每公单网络按图3规定、制作、用以模拟g0.5mm铜质芯线纸包绝缘电缆R
图3仿真用户线网络
C47+0.5nF;R=47±0.5m
馈电桥
馈电桥如图4所示。
中继线端
图4馈电桥
图4中E为48±1V,C为4士0.4uF,L分为两组对称线圈,每组直流电阻为200士2Q.两组线圈串接总电感量不小于10H(在通以直流60mA条件下用频率为200Hz,电压为1Vm,正弦信号测定)测试头型架
按图5中规定,用以下参数确定讲话位置。82
图中α-
中询的心参点)
乒康学面
YD/T 718--94
度嘴性圈中心
仿真嘴出声孔轴线方间
活机手柄
图5录音电话机测试头型位置
α=22°;-12.9#=136mm-39°;0=13°受话器的耳承平面与嘴耳中心连接之间的夹角;于柄对称平面与头的垂直平面的交线与耳承平面和手柄对称平面的交线之间的夹角;———耳朵中心到嘴巴中心的距离:g——受话器的旋转角;
-手柄旋转角。
测量条件:测量响度评定值时,录音电话机的录音部分均在非录音工作状态。h.本地电话系统灵敏度定义
由电话机、用户线和馈电桥组成的本地电话系统。发送灵敏度定义:
用嘴参考点的自由场声压和本地电话系统的输出电压来定义。发送灵敏度是频率的函数,对-个特定频率或窄频带而言,发送灵敏度用式(1)定义。Sml 20lg(V,/P)(dB)
发送灵敏度,单位dB,相对于1V/Pa;式中:Sm--—
V----发送输出终端600α上的电压,V;Pm——~为仿真嘴参考点的自由场声压,Pa。接收灵敏度定义:
用本地电话系统输入端600欧姆,内阻信号源的开路电压与受话器耦合到IFC318仿真H的击来定义的。接收灵敏度是频率的函数,对一个特定频率或窄带面言,接收灵敏度用式(2)定义Sje - 20lg(Pe/0.5Er)(dB)
式中:Sj.接收灵敏度,单位dB,相对于1Pa/V;Pe
为IEC318仿真耳测得的受话器输出声压,Pa,-内阻为600Q信号源开路电压的一半。0. 5E.—.. -
适用于计算响度评定值的接收灵敏度SE,还需要考虑人耳实际收听时的声漏,用L加以修正,83
YD/T 718-94
SE = Se- LE
式中:SJe计算响度评定值的接收灵敏度;Sfe——用仪表测量的接收灵敏度;LE是声耦合泄漏值见表6。
表6Le值
频率,Hz
发话侧音灵敏度定义:
频率,Hz
发话侧音灵敏度用嘴参考点的自由场声压和受话器耦合到仿真耳的声压来定义。发送侧音灵敏度用式(4)定义。
SmesT 20lg(Pe/Pm)
.--0. 1
式中:SmesT一市话系统发话侧音灵敏度,是录音电话机发送和接收灵敏度的函数,dB;P。-—为IEC318仿真耳接收到的声压,Pa;Pm—为仿真嘴参考点上的自由场声压,Pa。市话系统灵敏度/频率特性测量方法发送灵敏度/频率特性测量
按图6连接测量嘴参考点的声压Pm25mm
1/2英十声北型传声器
图6测量嘴参考点声压方框图
·(4))
YD/T71894
用标准1/2英寸声压型传声器,以90°入射角安放方式装在唇环轴线上正前方25mm嘴参考点处,按表6规定频率测量自由场Pm声压为一4.7dBPa,在规定的频率范围内,声压偏差保持在11dB以内,若偏差超过士1dB需采用补偿措施。移去图6中的标准传声器,将录音电话机手柄按图5规定安装在测试头型架测量按图7连接。
本地系统发送部分
.4.7dBPa
图7测量发送灵敏度方框图
用户线长度为0km、5km。
测量本地电话系统发送输出端600Q上的各频率点电压V)。计算发送灵敏度/频率特性
将测量各频率点的声压Pm、电压V,代入(1)式计算发送灵敏度/频率特性。接收灵敏度/频率特性测量
测量按图8连接。
本地系统接收部分
1edBV 6s2
(亏频率关)
图8测量接收灵敏度方框图
输入电压:频率1000Hz、内阻为600α开路电压为一12dBv的信号源。录音电话机手柄耳承与仿真耳贴紧以防声漏。用户线长度为0km、5km。
按表6规定频率测各频率点P。值、按(2)式计算接收灵敏度/频率特性。发话侧音灵敏度测量
测量按图9连接。
YD/T 718—94
Ph - 1.7dBPa
图9测量发话侧音灵敏度方框图
嘴参考点声压Pm为—4.7dBPa。
测试频率按表8(2)列规定,频带宽度为100~8000Hz。被测录音电话机手柄按图5规定固定在头型测试架上。手柄耳承与仿真耳贴紧以防声漏,测量各频率点仿真耳声压P。,并按(4)式计算发话侧音灵敏度频率特性。
d。响度评定值计算
发送响度评定值SLR:
接收响度评定值RLR:
发送侧音掩蔽评定值STMR:
10%(smjwg)
10%(5)、(6)、(7)式中W。、Wr、Wm分别为计算SLR、RLR、STMR的加权系数,详见表8.m
(5)
(6)
接收语言信号响度函数的斜率,计算SLR、RLR时,m值取0.175,计算STMR时的m值取0.225。
N—为表7中编号。
中心频率
W加权系数
耳机贴紧侧音
中心频率
4.1.2.2频率特性测量
用户线长度为km。
YD/T 718—94
续表7
耳机贴紧侧音
发送、接收频率特性按4.1.2.1c条规定方法,用1/3倍频程间隔,必要时可按照更密的倍频程(1/6或1/12)间隔测量V,和P。。
4.1.2.3录音电话机非线性失真测量接收非线性失真
测量按图10连接。
接收部分
12dBV Bions?
(与频率无关)
图10测量接收非线性失真方框图用户线长度为0km、5km。
测试频率为300Hz、500Hz、1000Hz。录音电话机手柄按图5规定放在测试头型架.上,手柄耳承与仿真耳贴紧,防止声漏,从选频电平表上读取不同长度仿真用户线各频率点的基波电平值X,和二、三次谐波电平值X,:X3
非线性失真按式(8)计算:
YD/T 718-94
VY?+Y?
X 100%
式中:Y,10其中X,为选频电平表上的读数,n:1、2、3。发送非线性失真
测量按图11连接
发送部分
图11中℃为100±5μF。
图11测量发送非线性失真方框图用频率为300Hz、500Hz、1000Hz的信号源驱动人工嘴,使嘴参考点声压为--4.7dBPa。录音电话机手柄按图5规定,放在测试头型架上。仿真线长度为0km,5km。
从选频表上读取不同长度仿真用户线各频率点的基波电平值X1和二、三次谐波电平值X2、X3按(8)式计算发送非线性失真。4.1.2.4阻抗
按GB12195第4.9条规定测量。
4.1.2.5振鸣
按GB12195第4.8条规定测量。
4.1.2.6录音电话机通断电时受话器耳承输出最大声级。按GB12195第4.7条规定测量。
4.1.3发号特性测量
4.1.3.1直流脉冲信号测量
按GB12195和GB12196测量。
4.1.3.2双音多频信号测量
按GB12198和GB12197测量。
4.1.4录音电话机在发号时,话音发送电平衰减的测量按GB12197第7.7条规定测量。
4.1.5收铃特性
按GB12197第5.3规定测量。
4.1.6直流特性测量
按GB12195第6条测量,供电电压为48V。4.1.7电磁兼容限值测量
按YD/T735规定测量。
小提示:此标准内容仅展示完整标准里的部分截取内容,若需要完整标准请到上方自行免费下载完整标准文档。
录音电话机技术要求及测量方法1主题内容与适用范围
YD/T 718--94
本标准规定了录音电话机技术要求及测量方法,适用于录音电话机及附属于电话机录音设备的产品设计、生产、检验、仲裁产品质量的依据。2 引用标准
GB1492
GB1493
GR6362
GB9032
GB9033
GB 9034免费标准bzxz.net
GB9035
GB 12195
GB12196
GB 12197
GB 12198
GB2018
GB 2019
SJ 2838
电话机试验方法
共电、自动电话机技术条件
电话机频率响应
脉冲式按键电话机技术要求
电话用脉冲式按键号盘技术要求双音多频式按键电话机技术要求电话用双音多频式按键号盘技术要求脉冲式按键电话机测试方法
电话用脉冲式按键号盘测试方法双音多频式按键电话机测试方法电话用双音多频式按键号盘测试方法磁带录音机测量方法
磁带录音机基本参数和技术要求磁卡电话机进网要求
录音电话机类别、基本参数、技术要求YD/T735电话机电磁兼容限值和测试方法3技术要求
3.1使用条件
环境温度:10~+40℃;
相对湿度:10%~95%;
大气压力:86×103~106×103Pa;环境噪声:不大于60dB(A)。
3.2话机部分
3.2.1通话传输特性
3.2.1.1录音电话机模拟接入电话网测试系统中,其发送、接收响度评定值、侧音掩蔽评定值应符合表1规定。
中华人民共和国邮电部1994-04-25批准1994-10-01实施
用户线长度,km
发送响度评定值(SLR),dB
接收响度评定值(RLR),dB
侧音掩蔽评定值(STMR).dB
YD/T 718-94
表1响度评定值
3.2.1.2发送、接收频率响应均应符合GB6362电话机频率响应的要求。3.2.1.3发送、接收非线性失真均应不大于7%。5
3.2.1.4录音电话机在正常通话状态下的回损,在300~3400Hz频率范围内,相对于图1所示平衡测试网络的稳定平衡回损和间声平衡回损应符合表2的要求,图1 测试网络
R-200±2Q;Rz-680+70,C-100+5nF表2通话状态平衡回损
用户线长度,km
稳定平衡回损,dB
回声平衡回损,dB
3.2.1.5话机在正常使用时应无振鸣,0
3.2.1.6录音电话机通断电时,受话器耳承输出最大声级不大于110dB(A)。3.2.2发号性能
录音电话机用按键盘发号,发号方式分为直流脉冲、双音多频两种。直流脉冲性能应符合表3规定。
表3直流脉冲性能
脉冲速率,s1
脉冲断续比
相邻两脉冲串间隔时间,ms
3.2.2.2双音多频性能
频率组合应符合表4规定。
(1.6±0.2):1或(2.0+0.2):1
按\0\字键发送10个脉冲
低频群频
高频群频率,Hz
YD/T 718
频率组合
其中*
#键供特种业务使用,A、B.C.D为备用键。h.
单一频偏应不大于±1.5%。
单-频率信号电平应符合表5规定。表51
信号电平指标
电流,mA
高频群电平,dBr
低频群电平,dBm
频率组个中的高频分量电平应比低频分量电平高2±1dB。H3
发号时话机输出的无用频率分量的总功率电平应比双音多频信号中低频分量的功率电平至少d.
低20dB
话机在发号时话音发送电平应衰减60dB以上。e.
3.2.3收铃特性
3.2.3.1收铃功率灵敏度应不大于100mVA。3.2.3.2收铃声级应不小于70dB(A),具有收铃响度调节的录音电话机、在低铃声位收铃声级应不小于 55 dB(A)。
3.2.3.3收铃状态阻抗应不小于3k。3.2.4直流特性
3.2.4.1录音电话机置通话状态的直流电阻应不大于3500。3.2.4.2录音电话机置挂机状态的直流电流应不大于6μA。3.2.5电磁兼容限值
按YD/T735规定要求。
3.3录音部分
3.3.1机械性能
3.3.1.1磁带速率和允许差:4.8cm/s±3%;2. 4 cm/s±3%。
3.3.1.2抖晃率不大于0.5%(计权峰值)。3.3.1.3倒带时间不大于2min。
3.3.1.4机械噪声不大于42dB(A)。3.3.1.5铃流启动时间应不大于20s。3.3.1.6启动功率敏度应不大于100mVA。79
3.3.1.7录音电话机不应有误动出现。3.3.2电性能
YD/T 718—-94
3.3.2.1提示音信号:信号频率可在800~1000Hz范围内,0km用户线时输出电平为13±3dBrml、信号持续时间为0.5~15~-次。
3.3.2.2频率特性
来活录音和重放通道频率特性应符合图2a规定。树村级,dB
允差1限
fzdB.oct.
允下限
来话录音和重放通道频率特性
应答信号录制和发送通道频率特性应符合图2b规定。相对级,dB
允落丨限
允差下限
3ontons
应答信号录制和发送通道频率特性来话录音和遥控收听通道频率特性应符合图2b规定。c
3.3.2.3信噪比
来话录音和重放通道信噪比应不小于30dB。80
YD/T 718-94
b.应答信号录制和发送通道信噪比应不小于30dB。来话录音和遥控收听通道信噪比应不小于30dB。c.
3.3.2.4谐波失真
来话录音和重放通道谐波失真应不大于10%。应答信号录制和发送通道谐波失真应不大于10%。来话录音和遥控收听通道谐波失真应不大于10%。c.
3.3.2.5来话录音时间限制应不小于30S,用语声录音集成电路录音时间限制,可在产品企业标准提出。
3.3.2.6重放音量应有调节功能,音量应不小于70dBA),非线性失真不大干10%,3.3.2.7主叫用户控制录音电话机停止录音时间应不大于3~4$。3.3.2.8消音效果应不小于40dB。3.3.2.9录音电话机正常工作输入电平当输入电平下降至一35dB时,放音信噪比应能达到30dB。3.3.2.10录音电话机在用户线长度为0km时,输出电平为-13士3dBm。3.3.2.11平衡回损
录音电话机置自动录音状态和通话录音状态,平衡回损应符合表2规定。3.3.2、12电源
接入电话机的交流电源应转换成安全电压后,再进入录音电话机内,当交流电源停止供电时,电话部分应能正常工作。
3.4基本环境适应性
3.4.1录音电话机在10℃和十40℃工作温度时,其发送,接收响度评定值允许偏离表1指标士3dB,并应符合3.2.2、3.2.3条规定。3.4.2录音电话机经-40℃和十55℃贮存后在正常大气条件下恢复后,应符合表1、3.2.2.3.2.3条规定。
3.4.3录音电话机经频率10~55Hz,位移幅值0.35mm扫频振动后,应无机械损伤和结构松动现象。并应符合表1.3.2.2、3.2.3、3.3.1条规定。3.4.4录音电话机经峰值加速度值100m/s2、脉冲持续时间16ms碰撞后,应无机械损伤和结构松动现象,并应符合表1、3.2.2.3.2.3、3.3.1条规定。3.4.5录音电话机在温度为40℃相对湿度90%~95%时.其发送,接收响度评定值允许偏离表1指标±3dB,绝缘电阻应不小于5MQ,并应符合3.2.2、3.2、3条规定。3.4.6录音电话机以单机原包装悬挂在离试验台面1m高度,在初速率为零的情洗下,自由跌落2次后,应符合表1、3.2.2.3.2.3、3.3.1条规定。3.5寿命
3.5.1录音电话机叉簧经20万次使用后应能正常工作。3.5.2录音电话机每个发号按键经50万次使用后,应能正常工作。3.5.3录音功能键依次按两个功能键,经5000次循环试验后,应能正常工作。3.6安全性能
3.6.1录音电话机在正常大气条件下,承受频率50Hz,有效值为500V的正弦交流电压1min应无飞弧和击穿现象。
3.6.2录音电话机在正常大气压条件下,绝缘电阻应不小于50M2。3.6.3包装录音电话机用塑料袋应打孔通气。4测量方法
4.1话机部分
4.1.1测试条件
环境温度:15~35C;
相对湿度:45%~75%;
环境噪音:40dB(A);
大气压力:86×103106×103Pa
4.1.2传输特性测量
4.1.2.1响度评定值1.R测量
测量设备和条件
测量设备:
仿真用户线网络
YD/T 718--94
试验用仿真用户线每公单网络按图3规定、制作、用以模拟g0.5mm铜质芯线纸包绝缘电缆R
图3仿真用户线网络
C47+0.5nF;R=47±0.5m
馈电桥
馈电桥如图4所示。
中继线端
图4馈电桥
图4中E为48±1V,C为4士0.4uF,L分为两组对称线圈,每组直流电阻为200士2Q.两组线圈串接总电感量不小于10H(在通以直流60mA条件下用频率为200Hz,电压为1Vm,正弦信号测定)测试头型架
按图5中规定,用以下参数确定讲话位置。82
图中α-
中询的心参点)
乒康学面
YD/T 718--94
度嘴性圈中心
仿真嘴出声孔轴线方间
活机手柄
图5录音电话机测试头型位置
α=22°;-12.9#=136mm-39°;0=13°受话器的耳承平面与嘴耳中心连接之间的夹角;于柄对称平面与头的垂直平面的交线与耳承平面和手柄对称平面的交线之间的夹角;———耳朵中心到嘴巴中心的距离:g——受话器的旋转角;
-手柄旋转角。
测量条件:测量响度评定值时,录音电话机的录音部分均在非录音工作状态。h.本地电话系统灵敏度定义
由电话机、用户线和馈电桥组成的本地电话系统。发送灵敏度定义:
用嘴参考点的自由场声压和本地电话系统的输出电压来定义。发送灵敏度是频率的函数,对-个特定频率或窄频带而言,发送灵敏度用式(1)定义。Sml 20lg(V,/P)(dB)
发送灵敏度,单位dB,相对于1V/Pa;式中:Sm--—
V----发送输出终端600α上的电压,V;Pm——~为仿真嘴参考点的自由场声压,Pa。接收灵敏度定义:
用本地电话系统输入端600欧姆,内阻信号源的开路电压与受话器耦合到IFC318仿真H的击来定义的。接收灵敏度是频率的函数,对一个特定频率或窄带面言,接收灵敏度用式(2)定义Sje - 20lg(Pe/0.5Er)(dB)
式中:Sj.接收灵敏度,单位dB,相对于1Pa/V;Pe
为IEC318仿真耳测得的受话器输出声压,Pa,-内阻为600Q信号源开路电压的一半。0. 5E.—.. -
适用于计算响度评定值的接收灵敏度SE,还需要考虑人耳实际收听时的声漏,用L加以修正,83
YD/T 718-94
SE = Se- LE
式中:SJe计算响度评定值的接收灵敏度;Sfe——用仪表测量的接收灵敏度;LE是声耦合泄漏值见表6。
表6Le值
频率,Hz
发话侧音灵敏度定义:
频率,Hz
发话侧音灵敏度用嘴参考点的自由场声压和受话器耦合到仿真耳的声压来定义。发送侧音灵敏度用式(4)定义。
SmesT 20lg(Pe/Pm)
.--0. 1
式中:SmesT一市话系统发话侧音灵敏度,是录音电话机发送和接收灵敏度的函数,dB;P。-—为IEC318仿真耳接收到的声压,Pa;Pm—为仿真嘴参考点上的自由场声压,Pa。市话系统灵敏度/频率特性测量方法发送灵敏度/频率特性测量
按图6连接测量嘴参考点的声压Pm25mm
1/2英十声北型传声器
图6测量嘴参考点声压方框图
·(4))
YD/T71894
用标准1/2英寸声压型传声器,以90°入射角安放方式装在唇环轴线上正前方25mm嘴参考点处,按表6规定频率测量自由场Pm声压为一4.7dBPa,在规定的频率范围内,声压偏差保持在11dB以内,若偏差超过士1dB需采用补偿措施。移去图6中的标准传声器,将录音电话机手柄按图5规定安装在测试头型架测量按图7连接。
本地系统发送部分
.4.7dBPa
图7测量发送灵敏度方框图
用户线长度为0km、5km。
测量本地电话系统发送输出端600Q上的各频率点电压V)。计算发送灵敏度/频率特性
将测量各频率点的声压Pm、电压V,代入(1)式计算发送灵敏度/频率特性。接收灵敏度/频率特性测量
测量按图8连接。
本地系统接收部分
1edBV 6s2
(亏频率关)
图8测量接收灵敏度方框图
输入电压:频率1000Hz、内阻为600α开路电压为一12dBv的信号源。录音电话机手柄耳承与仿真耳贴紧以防声漏。用户线长度为0km、5km。
按表6规定频率测各频率点P。值、按(2)式计算接收灵敏度/频率特性。发话侧音灵敏度测量
测量按图9连接。
YD/T 718—94
Ph - 1.7dBPa
图9测量发话侧音灵敏度方框图
嘴参考点声压Pm为—4.7dBPa。
测试频率按表8(2)列规定,频带宽度为100~8000Hz。被测录音电话机手柄按图5规定固定在头型测试架上。手柄耳承与仿真耳贴紧以防声漏,测量各频率点仿真耳声压P。,并按(4)式计算发话侧音灵敏度频率特性。
d。响度评定值计算
发送响度评定值SLR:
接收响度评定值RLR:
发送侧音掩蔽评定值STMR:
10%(smjwg)
10%
(5)
(6)
接收语言信号响度函数的斜率,计算SLR、RLR时,m值取0.175,计算STMR时的m值取0.225。
N—为表7中编号。
中心频率
W加权系数
耳机贴紧侧音
中心频率
4.1.2.2频率特性测量
用户线长度为km。
YD/T 718—94
续表7
耳机贴紧侧音
发送、接收频率特性按4.1.2.1c条规定方法,用1/3倍频程间隔,必要时可按照更密的倍频程(1/6或1/12)间隔测量V,和P。。
4.1.2.3录音电话机非线性失真测量接收非线性失真
测量按图10连接。
接收部分
12dBV Bions?
(与频率无关)
图10测量接收非线性失真方框图用户线长度为0km、5km。
测试频率为300Hz、500Hz、1000Hz。录音电话机手柄按图5规定放在测试头型架.上,手柄耳承与仿真耳贴紧,防止声漏,从选频电平表上读取不同长度仿真用户线各频率点的基波电平值X,和二、三次谐波电平值X,:X3
非线性失真按式(8)计算:
YD/T 718-94
VY?+Y?
X 100%
式中:Y,10其中X,为选频电平表上的读数,n:1、2、3。发送非线性失真
测量按图11连接
发送部分
图11中℃为100±5μF。
图11测量发送非线性失真方框图用频率为300Hz、500Hz、1000Hz的信号源驱动人工嘴,使嘴参考点声压为--4.7dBPa。录音电话机手柄按图5规定,放在测试头型架上。仿真线长度为0km,5km。
从选频表上读取不同长度仿真用户线各频率点的基波电平值X1和二、三次谐波电平值X2、X3按(8)式计算发送非线性失真。4.1.2.4阻抗
按GB12195第4.9条规定测量。
4.1.2.5振鸣
按GB12195第4.8条规定测量。
4.1.2.6录音电话机通断电时受话器耳承输出最大声级。按GB12195第4.7条规定测量。
4.1.3发号特性测量
4.1.3.1直流脉冲信号测量
按GB12195和GB12196测量。
4.1.3.2双音多频信号测量
按GB12198和GB12197测量。
4.1.4录音电话机在发号时,话音发送电平衰减的测量按GB12197第7.7条规定测量。
4.1.5收铃特性
按GB12197第5.3规定测量。
4.1.6直流特性测量
按GB12195第6条测量,供电电压为48V。4.1.7电磁兼容限值测量
按YD/T735规定测量。
小提示:此标准内容仅展示完整标准里的部分截取内容,若需要完整标准请到上方自行免费下载完整标准文档。
标准图片预览:





- 其它标准
- 热门标准
- 通信行业标准(YD)
- YD/T1684-2007 数字蜂窝移动通信网点对点短消息业务计费技术要求和检测方法
- YDC029-2003 电信设备和系统的高低频电磁兼容性改善技术要求
- YD/T1307-2004 800MHz CDMA 数字蜂窝移动通信网无线智能网(WIN)阶段1:接口测试方法
- YD/T1108-2001 CDMA 数字蜂窝移动通信网无线同步双模(GPS/GLONASS)接收机性能要求及与基站间接口技术规范
- YD/T1344-2005 IPv6 地址结构协议 —— IPv6 无状态地址自动配置
- YD/T1319-2004 通信电缆 —— 无线通信用 50Ω 泡沫聚乙烯绝缘编织外导体射频同轴电缆
- YD/T206.4-1997 架空通信线路铁件交叉支架
- YD/T2068.3-2010 2GHz TD-SCDMA 数字蜂窝移动通信网多媒体广播系统(TD-MBMS)网络管理技术要求(第一阶段) 第3部分:基于 CORBA 技术的网络资源模型设计
- YD/T1875-2009 800MHz/2GHz cdma2000 数字蜂窝移动通信网设备测试方法传统终端域(LMSD)移动交换子系统
- YD/T1763.3-2008 TD-SCDMA/WCDMA 数字蜂窝移动通信网通用用户识别模块(USIM)与终端间 Cu 接口测试方法 第3部分:通用用户识别模块应用工具箱(USAT)特性
- YD/T5174-2008 2GHz TD-SCDMA 数字蜂窝移动通信网工程验收暂行规定
- YD/T1049-2000 800MHz CDMA 数字蜂窝移动通信网设备总测试规范:交换子系统部分
- YD/T1456.2-2006 900/1800MHz TDMA 数字蜂窝移动通信网业务交换点(SSP)设备测试方法(CAMEL3) 第2部分分组域(PS)
- YD/T1688.3-2011 xPON 光收发合一模块技术条件 第3部分:用于 GPON 光线路终端/光网络单元(OLT/ONU)的光收发合一模块
- YD/T1374.7-2007 2GHz TD-SCDMA/WCDMA 数字蜂窝移动通信网 lu 接口技术要求(第二阶段) 第7部分:服务区广播协议(SABP)
- 行业新闻
请牢记:“bzxz.net”即是“标准下载”四个汉字汉语拼音首字母与国际顶级域名“.net”的组合。 ©2025 标准下载网 www.bzxz.net 本站邮件:bzxznet@163.com
网站备案号:湘ICP备2025141790号-2
网站备案号:湘ICP备2025141790号-2