- 您的位置:
- 标准下载网 >>
- 标准分类 >>
- 机械行业标准(JB) >>
- JB/T 10018-1999 正多面棱体
标准号:
JB/T 10018-1999
标准名称:
正多面棱体
标准类别:
机械行业标准(JB)
英文名称:
Regular polyhedron标准状态:
现行-
发布日期:
1999-05-20 -
实施日期:
2000-01-01 出版语种:
简体中文下载格式:
.rar.pdf下载大小:
95.13 KB
替代情况:
ZB J42016-1987采标情况:
гост 2875-NEQ
点击下载
标准简介:
标准下载解压密码:www.bzxz.net
JB/T 10018-1999 本标准是对 ZB J42 016-87《正多面棱体》的修订,修订时仅按有关规定作了编辑性修改,技术内容没有改变。 本标准规定了正多面棱体的型式,基本参数与尺寸,技术要求,标志与包装等。 本标准适用于角度量值传递和检定精密角度量仪、精密机床与精密制件的正多面棱体。 本标准于 1987 年 9 月 12 日首次发布。 JB/T 10018-1999 正多面棱体 JB/T10018-1999
部分标准内容:
ICS 25.060.20
中华人民共和国机械行业标准
JBrT10018-1999
正多面棱体
Regular polygon mirror
1999-05-20发布
国家械工业局
2000-01-01实施
3B,T10618-1999
本标准是在ZB[42016—87正多面控体”的础工修订的,本标准与2BJ42016一87的技术内容一致,仅接有关规定更所进行了编辑。本标准自实旗之H起气替2BJ42016-87。本标难的附录A是标准的附录。
术标准中全国查具仪标准化技术委员会提出并门山。术标准负责起草单位:哈尔滨盘其刃具厂。本标季则起草单位:中国计型科学创究院,前究工达总公司三军西所,本标准主碧起草人:越玉峰、张秀芝、丁秀华,本标准于1987年首饮发布。
中华人民共和国机械行业标准
正多面棱体
Regular polygan mirrnr
JB/T10018-199
代142016—87
不标造规定了工多面按你的式,基本争效与尺小、按代爱求,标志与包装等,本标消适用于和原母值传递和格定角皮伍仪,拍率机床与棺率气件的止多面定文
速秘进用下完文。
2.!上多而校体(达下简你夜体!各样邻平试没间的求们为等值测量负,并具有准角度值的止多边形的角测生器其2.2景平
平当于棱述中心线并通过梦体1作面的中被面的平面(见到2. 31.作角
毛意两1.作面的法线在测见平面上.形成的求角,2.4H推面
测呆中作考定位准的表面(见图1)2. 5上表面
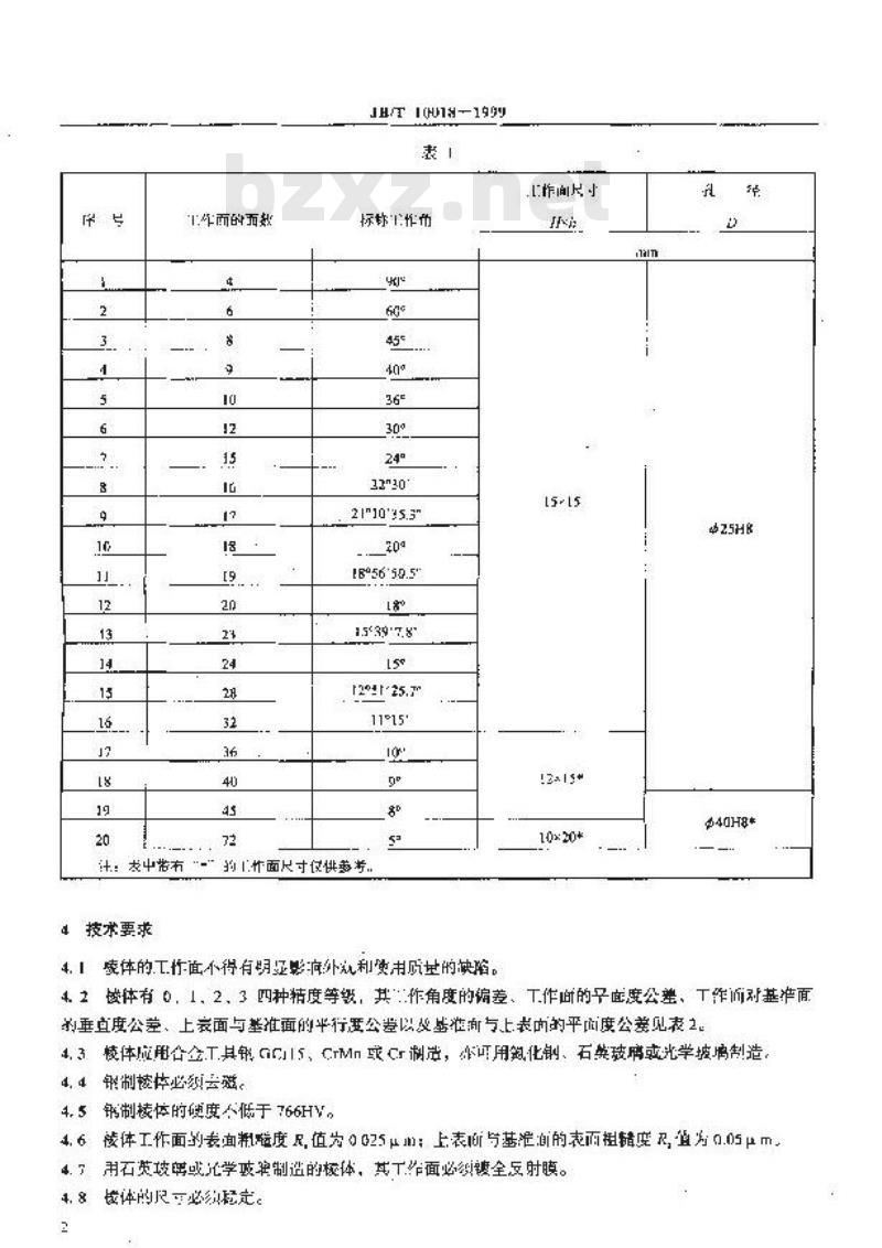
与范准面相对的有标志的表面(见图1后3型式、基本争整与尺寸
橙体的型式,苯本参数与尺寸见图1、图2和1(图1和图2仅作图解说明,不供表示详维结构之用
测平面
1作面
一」作确:
国家机披工业局1999-05-20批准图2
2000-01-01实施
中年面的而数
HT—19
标称作市
21\10'35.3\
1B*56'50.5
1.5*39.7.8
计:中带有…-的1样面尺寸仗供要,.4技求要求
4.!索体的工作面不得有期显影外就和使用质基的快陷。作面尺
12x15*
10x204
440H8*
4.2楼体有0,1,2,3四种精度等级,其:作角度的偏差、工作的子面度公差,工作而别基准面的垂直度公莞,上衰面与基准面的半行要公券以改准间与上表的平而度公差见表2,4.3模体应用合金T,具GCI5、CTMn或Cr制常,可用化钢、石类玻聘或光学坡璃制造,4.4钢制榜悼必级云磁。
4.5钢制棱体的硬度低于766HV。核件工作面的表面磁度尺值为0025m;上表与基准间的表面粗精度尺,值为0.05m4.6
用石英玻卑或儿学玻案制造的校体,其工下作面必裂镀全反射膜。体的尺必孕。
面的面数
作省差「
JB/T10018-199
1作间对
的市公室
1基的平前度误差并许出间向站料内凹下2作而的平您误差在代以缘0.5mm范函内不计5标志与包装
5.1楼伴的上卷面应标忘
制造」了名要注册虑标:
b)产品序号;
的工作面的面数:
d)下作角序号。
5.1楼体的包装盒上成标志:
a)制琦[-名或商标:
b产品名称;
e)下作面的面数:
)穿度等。
5.3钢制校休在色装前应整防锈处理并受善包装,1.作而的
平南商公差
1表简基准面
的平面度公差
表与系半间
的中行度公
「年[(9mrt长度!: ]
5.4校体经这检定等合本标准要求的应附有产品合格证,产品合格证上应标有本标准的标准号、精度等级、产品序号和出!山期。
1多面偿体作角的偏券
JB/T100181999
附录A
(绿准的阴录:
棱体的检验方法
模错接体精度等级的不间,可在多齿分度个上检定或在变箱发遇负仪上考点度盘替正或以全组合比校法检定,亦充计选用其它格定另法。定时,均以较体孔为定位中心并以基准面对定位面。2不论采与上述哪--种检定为讼,其检定不确定度应不太下表A1的规定表A1bzxZ.net
情度等
检定不确实度
4 a-/3
小提示:此标准内容仅展示完整标准里的部分截取内容,若需要完整标准请到上方自行免费下载完整标准文档。
中华人民共和国机械行业标准
JBrT10018-1999
正多面棱体
Regular polygon mirror
1999-05-20发布
国家械工业局
2000-01-01实施
3B,T10618-1999
本标准是在ZB[42016—87正多面控体”的础工修订的,本标准与2BJ42016一87的技术内容一致,仅接有关规定更所进行了编辑。本标准自实旗之H起气替2BJ42016-87。本标难的附录A是标准的附录。
术标准中全国查具仪标准化技术委员会提出并门山。术标准负责起草单位:哈尔滨盘其刃具厂。本标季则起草单位:中国计型科学创究院,前究工达总公司三军西所,本标准主碧起草人:越玉峰、张秀芝、丁秀华,本标准于1987年首饮发布。
中华人民共和国机械行业标准
正多面棱体
Regular polygan mirrnr
JB/T10018-199
代142016—87
不标造规定了工多面按你的式,基本争效与尺小、按代爱求,标志与包装等,本标消适用于和原母值传递和格定角皮伍仪,拍率机床与棺率气件的止多面定文
速秘进用下完文。
2.!上多而校体(达下简你夜体!各样邻平试没间的求们为等值测量负,并具有准角度值的止多边形的角测生器其2.2景平
平当于棱述中心线并通过梦体1作面的中被面的平面(见到2. 31.作角
毛意两1.作面的法线在测见平面上.形成的求角,2.4H推面
测呆中作考定位准的表面(见图1)2. 5上表面
与范准面相对的有标志的表面(见图1后3型式、基本争整与尺寸
橙体的型式,苯本参数与尺寸见图1、图2和1(图1和图2仅作图解说明,不供表示详维结构之用
测平面
1作面
一」作确:
国家机披工业局1999-05-20批准图2
2000-01-01实施
中年面的而数
HT—19
标称作市
21\10'35.3\
1B*56'50.5
1.5*39.7.8
计:中带有…-的1样面尺寸仗供要,.4技求要求
4.!索体的工作面不得有期显影外就和使用质基的快陷。作面尺
12x15*
10x204
440H8*
4.2楼体有0,1,2,3四种精度等级,其:作角度的偏差、工作的子面度公差,工作而别基准面的垂直度公莞,上衰面与基准面的半行要公券以改准间与上表的平而度公差见表2,4.3模体应用合金T,具GCI5、CTMn或Cr制常,可用化钢、石类玻聘或光学坡璃制造,4.4钢制榜悼必级云磁。
4.5钢制棱体的硬度低于766HV。核件工作面的表面磁度尺值为0025m;上表与基准间的表面粗精度尺,值为0.05m4.6
用石英玻卑或儿学玻案制造的校体,其工下作面必裂镀全反射膜。体的尺必孕。
面的面数
作省差「
JB/T10018-199
1作间对
的市公室
1基的平前度误差并许出间向站料内凹下2作而的平您误差在代以缘0.5mm范函内不计5标志与包装
5.1楼伴的上卷面应标忘
制造」了名要注册虑标:
b)产品序号;
的工作面的面数:
d)下作角序号。
5.1楼体的包装盒上成标志:
a)制琦[-名或商标:
b产品名称;
e)下作面的面数:
)穿度等。
5.3钢制校休在色装前应整防锈处理并受善包装,1.作而的
平南商公差
1表简基准面
的平面度公差
表与系半间
的中行度公
「年[(9mrt长度!: ]
5.4校体经这检定等合本标准要求的应附有产品合格证,产品合格证上应标有本标准的标准号、精度等级、产品序号和出!山期。
1多面偿体作角的偏券
JB/T100181999
附录A
(绿准的阴录:
棱体的检验方法
模错接体精度等级的不间,可在多齿分度个上检定或在变箱发遇负仪上考点度盘替正或以全组合比校法检定,亦充计选用其它格定另法。定时,均以较体孔为定位中心并以基准面对定位面。2不论采与上述哪--种检定为讼,其检定不确定度应不太下表A1的规定表A1bzxZ.net
情度等
检定不确实度
4 a-/3
小提示:此标准内容仅展示完整标准里的部分截取内容,若需要完整标准请到上方自行免费下载完整标准文档。
标准图片预览:





- 其它标准
- 上一篇: JB/T 10017-1999 带表卡规
- 下一篇: JB/T 10035-1999 厚度表
- 热门标准
- 机械行业标准(JB)
- JB/T10056-1999 直流电流互感器 技术条件
- JB/T2756-2006 无轨电车用炭滑块
- JB/T8679-2008 炭弧气刨炭棒 物理及使用性能试验方法
- JB/T7895-2008 永磁筒式磁选机
- JB/T8840-2013 电热器具用电源开关
- JB/T9713-1999 工程机械 湿式铜基摩擦件 技术条件
- JB/T11340.3-2012 阀控式铅酸蓄电池安全阀 第3部分:橡胶帽、阀芯
- JB/T6316-2006 Z4系列直流电动机技术条件(机座号100~450)
- JB/T10677-2006 投影机 光源
- JB/T4328.10-1999 电工专用设备 球墨铸铁件通用技术条件
- JB/T9580-2008 炭石墨 产品分类及型号编制方法
- JB∕T12675-2016 拖拉机液压系统清洁度限值及测量方法
- JB/T10930-2010 200级耐电晕漆包铜圆线
- JB/T10573-2006 工具显微镜
- JB3704-1984 特种调压器用碳电阻片柱电气机械性能试验方法
- 行业新闻
请牢记:“bzxz.net”即是“标准下载”四个汉字汉语拼音首字母与国际顶级域名“.net”的组合。 ©2025 标准下载网 www.bzxz.net 本站邮件:bzxznet@163.com
网站备案号:湘ICP备2025141790号-2
网站备案号:湘ICP备2025141790号-2