- 您的位置:
- 标准下载网 >>
- 标准分类 >>
- 机械行业标准(JB) >>
- JB/T 9989.2-1999 梯形螺纹丝锥 第 2 部分:螺纹公差
标准号:
JB/T 9989.2-1999
标准名称:
梯形螺纹丝锥 第 2 部分:螺纹公差
标准类别:
机械行业标准(JB)
英文名称:
Trapezoidal thread taps Part 2: Thread tolerances标准状态:
现行-
发布日期:
1999-05-20 -
实施日期:
2000-01-01 出版语种:
简体中文下载格式:
.rar.pdf下载大小:
104.21 KB
替代情况:
ZB J41003.2-1987
点击下载
标准简介:
标准下载解压密码:www.bzxz.net
JB/T 9989.2-1999 本标准是对 ZB J41 003.2-87《梯形螺纹丝锥 螺纹公差》的修订。修订时,仅按有关规定进行了编辑性修改,技术内容未改变。 本标准是 JB/T 9989《梯形螺纹丝锥》系列标准的一部分。该系列标准包括以下三部分: JB/T 9989.1:型式和尺寸 JB/T 9989.2:螺纹公差 JB/T 9989.3:技术条件 本标准规定了梯形螺纹丝锥的螺纹牙型和其基本尺寸的极限偏差,并在附录 A (标准的附录)给出了梯形螺纹丝锥螺纹公差的几点说明。。 本标准适用于加工普通梯形螺纹(按 JB/T 5796.1~5796.4-1986《梯形螺纹》)用的梯形螺纹丝锥(以下简称丝锥)。 丝锥的型式公差带由相对于基本牙型的上偏差和下偏差所确定。丝锥螺纹分为 H7、H8、H9 三种。 本标准于 年 月 日首次发布。 JB/T 9989.2-1999 梯形螺纹丝锥 第 2 部分:螺纹公差 JB/T9989.2-1999
部分标准内容:
ICS25.100.50
中华人民共和国机械行业标准
JB/T9989.1-9989.3-1999
梯形螺纹丝锥
1999-05-20发布
国家桃械工业局
2000-01-01 实施
JB/T9989.2-1999
本标准是对ZBJ410032一87禅形媒纹丝锥螺较公差)的修计,能订时仅按有关规定进行编摔性修改,技术内容未改变。本标准是BT9989&梯形燃数丝维》系列标准的一部分,该系列探准包据以下三部分BT9989.1—1999梯形燃纹丝链第1部分:型式租尺寸H汀9989.21999梯形螺蚊丝罐第2部分:螺纹公关JH/T9989.31999梯形螺纹丝锥第3部分:技术务件本标准白游之引起代替20J41003.2.-87本标准的附录A己标准的附录。
本标准由企当小具标准化技本委员会提出并用本标负邀起卓单位:或部工具研充所,本标阵主要起草人:姜体贵、王商孝、陆娠伟、兰三:,危建华、夏、、■范围
中华人民共和国机械行业标准
梯形螺纹丝锥
第2部分:螺纹公差
189589.2-1999
代J4.2-7
本标准规定了梯形爆纹丝催的竭纹方型及其基本尺寸的极限情差,并在附录(标准的附录)中给岛了关丁梯形螺纹丝锐螺纹公差的几点说明。本标准适用丁加T.普道梯形爆效(接GB/T57961-.5796.41986榜形爆纹)用的梯形摄纹丝错(以下商称丝链
丝螂效公差带由相对丁基本牙型的上偏差和偏差所确定,丝样螺纹公差带分为H7、H8、H9三种。
2可用标准
下列标准所包含的象文,通过在本标证中引用前拍成空标准的条文,本标准出版时,所示不均为有效。所有标准都会被修汀,使用本初准能各方成探讨使比下列标准录新版术的可能型:GR/T5796.1.198G搬形燃纹牙型
GR5796.2—19R梯形振较直径与摄距系列月行≤796.3—1986梯形螺较基本尺小BT5796.41986梯形螺纹公差
3螺纹牙型和尺寸极限偏差
3.【丝的螺较牙型按图所示,尺小极恨偏差由表1给出图
深记公带
求牙思
国豪机撼工业局199-05-20批准
2000-01-01实施
公你白径
>5.6-11.2
117-22 4
10-333
编:怕
JB/T9989.2—1999
中径4,公差带
+240,+320
240 : +30D
+2含4
: +285
+3551+249
丽的带
测量H7
牙数,
± 15±2D
± 26f
「丝小径山,成小丁被工腺的最小小径,而终性习样圆亦不应随过螺母的最小小经。丝销径、中径、小径的或本尺寸分和梯形内螺效娠尺寸、号:利同。牙烈半角
± 15s
+ + 15 + 2
±25110
3.2多线梯形爆纹丝罐中径公差是在单线螺纹中经公差的基础上按线数不同分别乘以一系数而组、各不同线数的系数南表2给出,
蚊线款
丝锥中径
JBrr9989.2—199y
附录A
标准的附录!
关于丝锥操绞公善的者平说明
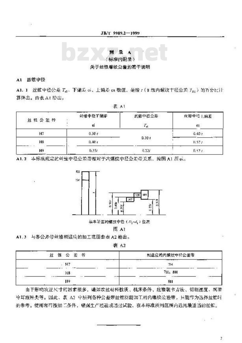
A1.1丝证中径公差T、下偏案i、上偏差数值,是按:(&级内娠纹十径公并,)的分i算得出。声表AI给山。
兰性公差村
设唯中径下谢若
药销户径公差
中经1.谢差bzxz.net
本标准规定的丝维中径公范相对于方源绞中径公差增关系,效图A1新小。A1.2
好本牙型的纹中在(,-,位
A1.3与答公片作丝维相适成的加工范图中表A2给出,表A2
丝维公差带
札适应的内规纹申轻公差带
由于影响攻经尺才的因素很条、诸明攻丝料料性质、机床条件、终装卡达、切削速度,泻滑冷切波种费等。此,表A2出所列各种公差带丝锥所能加工的内爆纹公差带,只能作为迄控些销划的参考。使用者可接如,条件,根据生产经验或通过试验,在本标准所列范围内选用最适当的丝销7
小提示:此标准内容仅展示完整标准里的部分截取内容,若需要完整标准请到上方自行免费下载完整标准文档。
中华人民共和国机械行业标准
JB/T9989.1-9989.3-1999
梯形螺纹丝锥
1999-05-20发布
国家桃械工业局
2000-01-01 实施
JB/T9989.2-1999
本标准是对ZBJ410032一87禅形媒纹丝锥螺较公差)的修计,能订时仅按有关规定进行编摔性修改,技术内容未改变。本标准是BT9989&梯形燃数丝维》系列标准的一部分,该系列探准包据以下三部分BT9989.1—1999梯形燃纹丝链第1部分:型式租尺寸H汀9989.21999梯形螺蚊丝罐第2部分:螺纹公关JH/T9989.31999梯形螺纹丝锥第3部分:技术务件本标准白游之引起代替20J41003.2.-87本标准的附录A己标准的附录。
本标准由企当小具标准化技本委员会提出并用本标负邀起卓单位:或部工具研充所,本标阵主要起草人:姜体贵、王商孝、陆娠伟、兰三:,危建华、夏、、■范围
中华人民共和国机械行业标准
梯形螺纹丝锥
第2部分:螺纹公差
189589.2-1999
代J4.2-7
本标准规定了梯形爆纹丝催的竭纹方型及其基本尺寸的极限情差,并在附录(标准的附录)中给岛了关丁梯形螺纹丝锐螺纹公差的几点说明。本标准适用丁加T.普道梯形爆效(接GB/T57961-.5796.41986榜形爆纹)用的梯形摄纹丝错(以下商称丝链
丝螂效公差带由相对丁基本牙型的上偏差和偏差所确定,丝样螺纹公差带分为H7、H8、H9三种。
2可用标准
下列标准所包含的象文,通过在本标证中引用前拍成空标准的条文,本标准出版时,所示不均为有效。所有标准都会被修汀,使用本初准能各方成探讨使比下列标准录新版术的可能型:GR/T5796.1.198G搬形燃纹牙型
GR5796.2—19R梯形振较直径与摄距系列月行≤796.3—1986梯形螺较基本尺小BT5796.41986梯形螺纹公差
3螺纹牙型和尺寸极限偏差
3.【丝的螺较牙型按图所示,尺小极恨偏差由表1给出图
深记公带
求牙思
国豪机撼工业局199-05-20批准
2000-01-01实施
公你白径
>5.6-11.2
117-22 4
10-333
编:怕
JB/T9989.2—1999
中径4,公差带
+240,+320
240 : +30D
+2含4
: +285
+3551+249
丽的带
测量H7
牙数,
± 15±2D
± 26f
「丝小径山,成小丁被工腺的最小小径,而终性习样圆亦不应随过螺母的最小小经。丝销径、中径、小径的或本尺寸分和梯形内螺效娠尺寸、号:利同。牙烈半角
± 15s
+ + 15 + 2
±25110
3.2多线梯形爆纹丝罐中径公差是在单线螺纹中经公差的基础上按线数不同分别乘以一系数而组、各不同线数的系数南表2给出,
蚊线款
丝锥中径
JBrr9989.2—199y
附录A
标准的附录!
关于丝锥操绞公善的者平说明
A1.1丝证中径公差T、下偏案i、上偏差数值,是按:(&级内娠纹十径公并,)的分i算得出。声表AI给山。
兰性公差村
设唯中径下谢若
药销户径公差
中经1.谢差bzxz.net
本标准规定的丝维中径公范相对于方源绞中径公差增关系,效图A1新小。A1.2
好本牙型的纹中在(,-,位
A1.3与答公片作丝维相适成的加工范图中表A2给出,表A2
丝维公差带
札适应的内规纹申轻公差带
由于影响攻经尺才的因素很条、诸明攻丝料料性质、机床条件、终装卡达、切削速度,泻滑冷切波种费等。此,表A2出所列各种公差带丝锥所能加工的内爆纹公差带,只能作为迄控些销划的参考。使用者可接如,条件,根据生产经验或通过试验,在本标准所列范围内选用最适当的丝销7
小提示:此标准内容仅展示完整标准里的部分截取内容,若需要完整标准请到上方自行免费下载完整标准文档。
标准图片预览:





- 热门标准
- 机械行业标准(JB)
- JB/T5054.4-2000 产品图样设计文件 编号原则
- JB/T9396-1999 环块磨损试验机 技术条件
- JB/T50093-1997 滚动轴承 寿命及可靠性试验评定方法
- JB/T3627.1-1999 组合夹具组装用工具、辅具 六角套筒扳手
- JB/T5134-1991 气铲用铲头
- JB/T5000.3-2007 重型机械通用技术条件 第3部分:焊接件
- JB/T1694-1991 阀杆螺母(一)
- JB/T8368.1-1996 电锤钻
- JB/T11249-2012 翅片管式换热设备技术规范
- JB/T6427-2001 变压吸附制氧、制氮设备
- JB/T6980.1-1993 塑料薄膜和纸压敏粘贴标牌 技术条件
- JB/T1109-1999 管材矫正机 型式与基本参数
- JB/T9601-1999 电动工具用单相串激电动机转子的平衡精度和工艺规程
- JB/T9868.1-1999 散装饲料运输车 型式与参数
- JB/T9159.9-1999 单轴纵切自动车床辅具 丝锥夹套 B 型尺寸
- 行业新闻
请牢记:“bzxz.net”即是“标准下载”四个汉字汉语拼音首字母与国际顶级域名“.net”的组合。 ©2025 标准下载网 www.bzxz.net 本站邮件:bzxznet@163.com
网站备案号:湘ICP备2025141790号-2
网站备案号:湘ICP备2025141790号-2