- 您的位置:
- 标准下载网 >>
- 标准分类 >>
- 机械行业标准(JB) >>
- JB/T 2099-1977 焊接式管接头接管
标准号:
JB/T 2099-1977
标准名称:
焊接式管接头接管
标准类别:
机械行业标准(JB)
英文名称:
Welded pipe joints标准状态:
已作废-
发布日期:
1977-10-01 -
实施日期:
1977-10-01 -
作废日期:
2005-11-01 出版语种:
简体中文下载格式:
.rar.pdf下载大小:
18.81 KB
部分标准内容:
中华人民共和国第一机械工业部部标准焊接式管接头接管
Cx35°免费标准下载网bzxz
标记示例:
管子外径28mm的管接头接管
接管28JB2099—77
中华人民共和国第一机械工业部发布第一机械工业部标准化研究所提出434
其余3
JB2099—77
JB995--67
代替B980--87
1977年5月1日实施
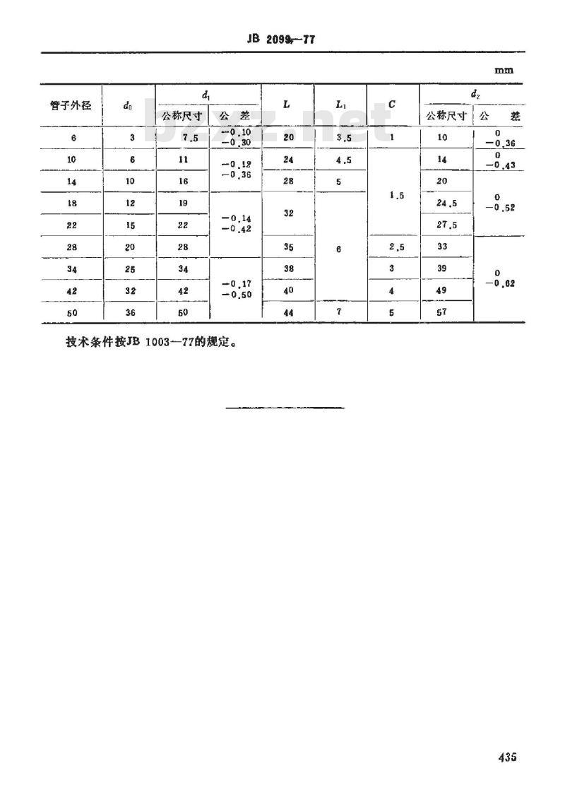
济南铸造撮压机械研究所筹起草管子外径
公称尺寸
JB2099-77
技术条件按JB100377的规定。
公称尺寸
小提示:此标准内容仅展示完整标准里的部分截取内容,若需要完整标准请到上方自行免费下载完整标准文档。
Cx35°免费标准下载网bzxz
标记示例:
管子外径28mm的管接头接管
接管28JB2099—77
中华人民共和国第一机械工业部发布第一机械工业部标准化研究所提出434
其余3
JB2099—77
JB995--67
代替B980--87
1977年5月1日实施
济南铸造撮压机械研究所筹起草管子外径
公称尺寸
JB2099-77
技术条件按JB100377的规定。
公称尺寸
小提示:此标准内容仅展示完整标准里的部分截取内容,若需要完整标准请到上方自行免费下载完整标准文档。
标准图片预览:


- 其它标准
- 热门标准
- 机械行业标准(JB)
- JB/T9396-1999 环块磨损试验机 技术条件
- JB/T6396-2006 大型合金结构钢锻件 技术条件
- JB/T1694-1991 阀杆螺母(一)
- JB/T9868.1-1999 散装饲料运输车 型式与参数
- JB/T10549-2006 SF6气体密度继电器和密度表 通用技术条件
- JB/T9018-2011 自动化立体仓库 设计规范
- JB/T6427-2001 变压吸附制氧、制氮设备
- JB/T8368.1-1996 电锤钻
- JB/T9159.9-1999 单轴纵切自动车床辅具 丝锥夹套 B 型尺寸
- JB/T3411.87-1999 锥柄卡口镗铰刀杆 尺寸
- JB/T5761.1-1999 数控弯管机 技术条件
- JB/T6619.1-1999 轻型机械密封 技术条件
- JB/T6664.2-1993 自吸泵 技术条件
- JB/T6695-1993 汽轮机润滑油系统 技术条件
- JB/T5166-1991 方草捆压捆机 试验方法
- 行业新闻
请牢记:“bzxz.net”即是“标准下载”四个汉字汉语拼音首字母与国际顶级域名“.net”的组合。 ©2025 标准下载网 www.bzxz.net 本站邮件:bzxznet@163.com
网站备案号:湘ICP备2025141790号-2
网站备案号:湘ICP备2025141790号-2