- 您的位置:
- 标准下载网 >>
- 标准分类 >>
- 国家标准(GB) >>
- GB/T 3504-2006 氧化铕
标准号:
GB/T 3504-2006
标准名称:
氧化铕
标准类别:
国家标准(GB)
标准状态:
现行-
发布日期:
2006-04-13 -
实施日期:
2006-10-01 出版语种:
简体中文下载格式:
.rar.pdf下载大小:
1.40 MB
标准ICS号:
冶金>>有色金属>>77.120.99其他有色金属及其合金中标分类号:
冶金>>有色金属及其合金产品>>H65稀有金属及其合金
替代情况:
替代GB/T 3504-1992
首发日期:
1983-02-21起草单位:
上海跃龙新材料股份有限公司、甘肃稀土新材料股份有限公司归口单位:
全国稀土标准化技术委员会发布部门:
中华人民共和国国家质量监督检验检疫总局 中国国家标准化管理委员会主管部门:
国家发展和改革委员会相关标签:
氧化

点击下载
标准简介:
标准下载解压密码:www.bzxz.net
本标准规定了氧化铕的要求,实验方法,检验规则和标志,包装,运输,储存。本标准适用于化学法或其他方法制得的,供制作彩色显象管荧光粉,灯用稀土三基色荧光粉材料和 射线增感屏活化剂等用的氧化铕。 GB/T 3504-2006 氧化铕 GB/T3504-2006

部分标准内容:
ICS 77.120.99
中华人民共和国国家标准
GB/T3504--2006
代替GB/T3504—1992
氧化铕
Europiumoxide
2006-04-13发布
中华人民共和国国家质量监督检验检疫总局中国国家标准化管理委员会
2006-10-01实施
061106000115
本标准代替GB/T3504—1992《荧光级氧化销》。本标准与GB/T3504一1992相比主要变化如下:按GB/T17803-1999《稀土产品牌号表示方法》的要求改用数字牌号;一增加071050牌号(纯度为99.999%);GB/T3504-2006
-071040牌号中稀土杂质Nd,O3由0.004%修改为0.002%,非稀土杂质Ni0由0.001%修改为0.0005%,Zn0由0.005%修改为0.001%;-071035牌号中非稀土杂质Zn0由0.007%修改为0.001%;各牌号增加了对非稀土杂质SiO2、Cl-的考核;一对稀土杂质的考核指标由原来6个增加到14个。本标准由国家发展和改革委员会稀土办公室提出。本标准由全国稀土标准化技术委员会归口并负责解释。本标准由上海跃龙新材料股份有限公司负责起草。本标准由甘肃稀土新材料股份有限公司参加起草。本标准主要起草人:张晓明、吴克平、高宗德、章吉林。本标准所代替标准的历次版本发布情况:GB/T3504—1983、GB/T3504—1992。I
1范围
本标准规定了氧化销的要求、试验方法、检验规则和标志、包装、运输、贮存。GB/T3504—2006
本标准适用于化学法或其他方法制得的,供制作彩色显象管用荧光粉、灯用稀土三基色荧光粉材料和X射线增感屏活化剂等用的氧化销。2
规范性引用文件
下列文件中的条款通过本标准的引用而成为本标准的条款。凡是注日期的引用文件,其随后所有的修改单(不包括勘误的内容)或修订版均不适用于本标准,然而,鼓励根据本标准达成协议的各方研究是否可使用这些文件的最新版本。凡是不注日期的引用文件,其最新版本适用于本标准。GB/T8170
GB/T12690
GB/T14635
GB/T18115
GB/T20170
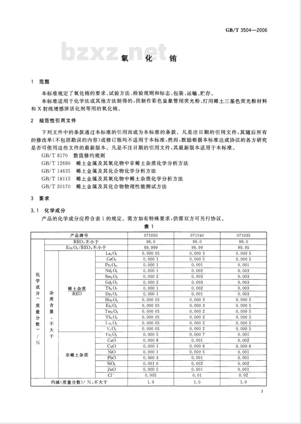
化学成分
数值修约规则
稀土金属及其氧化物中非稀土杂质化学分析方法稀土金属及其化合物化学分析方法稀土金属及其氧化物中稀土杂质化学分析方法稀土金属及其化合物物理性能测试方法产品的化学成分应符合表1的规定。需方如有特殊要求,供需双方可另行协议。表1
产品牌号
REO,不小于
EuzO:/REO,不小于
稀土杂质
非稀土杂质
灼减(质量分数)/%,不大于
071050
071040
071035
GB/T3504—2006
3.2物理性能
产品的中心粒径(dso)为2.5μm~6.0μm。3.3外观
3.3.1产品为白色略带玫瑰红色粉末。3.3.2产品必须洁净,无肉眼可见的夹杂物。4试验方法
稀土总量(REO)的分析方法按GB/T14635的规定进行。4.1
稀土杂质的分析方法按GB/T18115的规定进行。4.3非稀土杂质及灼减的分析方法按GB/T12690的规定进行4.4中心粒径的测定按GB/T20170的规定进行8170的规定进行。
4.5数值修约按GB/T
外观用目测检查
5检验规则
5.1检查与验收L
5.1.1产品由供方技术监督部门进行检验,保证产品质量符合本标准规定并填写产品质量证明书。5.1.2需方应对收到的产品进行检验,如检验结果与本标准规定不符,应在收到产品之日起3个月内向供方提出,由供双方协商解决。如需仲裁,可委托双方认可的单位进行,并在需方共同取样。5.2组批
产品应成批提交检验,每批应由同一牌号的产品组成。5.3检验项目P
每批产品应进行化学成分、中心粒径和外卜观质量检验。5.4取样与制样の
化学成分、中心粒径的仲裁取样按表2规定进行。R
每批件(袋)数
取样件(袋)数
101~150
每件(袋)取样不少天10g将试样混匀后,用四分法迅速缩分至试样所需数量。5:5检验结果判定
化学成分、中心粒径仲裁分析结果不合格时,则从该批产品中取双倍试样重新进行复验,如仍有一项结果不合格,则该批产品为不合格。6标志、包装、运输、贮存
6.1标志和包装
产品分装于双层塑料袋或塑料瓶中,再将袋(瓶)置于铁桶(木箱,纸箱或塑料箱)中,也可用大集装袋包装。桶(箱、袋)外注明:供方名称、产品名称、牌号、批号、净含量、毛重、出厂日期及“防潮”标志或字样。
6.2运输、贮存
产品需存放于干燥处,不得露天放置。运输时严防淋雨受潮。2
6.3质量证明书
每批产品应附质量证明书,注明:a)
供方名称;
产品名称和牌号;
批号;
净含量和件数;
各项分析检验结果和供方技术监督部门印记:本标准编号;
出厂日期。
GB/T3504—2006
GB/T3504-2006
中华人民免费标准下载网bzxz
国家标准
GB/T3504—2006
中国标准出版社出版发行
北京复兴门外三里河北街16号
邮政编码:100045
网址www.bzcbs.com
电话:6852394668517548
中国标准出版社秦皇岛印刷厂印刷各地新华书店经销
开本880×1230
印张0.5
字数7千字
2006年8月第一版2006年8月第一次印刷*
书号:155066·1-27839
9定价8.00元
如有印装差错由本社发行中心调换版权专有侵权必究
举报电话:(010)68533533
小提示:此标准内容仅展示完整标准里的部分截取内容,若需要完整标准请到上方自行免费下载完整标准文档。
中华人民共和国国家标准
GB/T3504--2006
代替GB/T3504—1992
氧化铕
Europiumoxide
2006-04-13发布
中华人民共和国国家质量监督检验检疫总局中国国家标准化管理委员会
2006-10-01实施
061106000115
本标准代替GB/T3504—1992《荧光级氧化销》。本标准与GB/T3504一1992相比主要变化如下:按GB/T17803-1999《稀土产品牌号表示方法》的要求改用数字牌号;一增加071050牌号(纯度为99.999%);GB/T3504-2006
-071040牌号中稀土杂质Nd,O3由0.004%修改为0.002%,非稀土杂质Ni0由0.001%修改为0.0005%,Zn0由0.005%修改为0.001%;-071035牌号中非稀土杂质Zn0由0.007%修改为0.001%;各牌号增加了对非稀土杂质SiO2、Cl-的考核;一对稀土杂质的考核指标由原来6个增加到14个。本标准由国家发展和改革委员会稀土办公室提出。本标准由全国稀土标准化技术委员会归口并负责解释。本标准由上海跃龙新材料股份有限公司负责起草。本标准由甘肃稀土新材料股份有限公司参加起草。本标准主要起草人:张晓明、吴克平、高宗德、章吉林。本标准所代替标准的历次版本发布情况:GB/T3504—1983、GB/T3504—1992。I
1范围
本标准规定了氧化销的要求、试验方法、检验规则和标志、包装、运输、贮存。GB/T3504—2006
本标准适用于化学法或其他方法制得的,供制作彩色显象管用荧光粉、灯用稀土三基色荧光粉材料和X射线增感屏活化剂等用的氧化销。2
规范性引用文件
下列文件中的条款通过本标准的引用而成为本标准的条款。凡是注日期的引用文件,其随后所有的修改单(不包括勘误的内容)或修订版均不适用于本标准,然而,鼓励根据本标准达成协议的各方研究是否可使用这些文件的最新版本。凡是不注日期的引用文件,其最新版本适用于本标准。GB/T8170
GB/T12690
GB/T14635
GB/T18115
GB/T20170
化学成分
数值修约规则
稀土金属及其氧化物中非稀土杂质化学分析方法稀土金属及其化合物化学分析方法稀土金属及其氧化物中稀土杂质化学分析方法稀土金属及其化合物物理性能测试方法产品的化学成分应符合表1的规定。需方如有特殊要求,供需双方可另行协议。表1
产品牌号
REO,不小于
EuzO:/REO,不小于
稀土杂质
非稀土杂质
灼减(质量分数)/%,不大于
071050
071040
071035
GB/T3504—2006
3.2物理性能
产品的中心粒径(dso)为2.5μm~6.0μm。3.3外观
3.3.1产品为白色略带玫瑰红色粉末。3.3.2产品必须洁净,无肉眼可见的夹杂物。4试验方法
稀土总量(REO)的分析方法按GB/T14635的规定进行。4.1
稀土杂质的分析方法按GB/T18115的规定进行。4.3非稀土杂质及灼减的分析方法按GB/T12690的规定进行4.4中心粒径的测定按GB/T20170的规定进行8170的规定进行。
4.5数值修约按GB/T
外观用目测检查
5检验规则
5.1检查与验收L
5.1.1产品由供方技术监督部门进行检验,保证产品质量符合本标准规定并填写产品质量证明书。5.1.2需方应对收到的产品进行检验,如检验结果与本标准规定不符,应在收到产品之日起3个月内向供方提出,由供双方协商解决。如需仲裁,可委托双方认可的单位进行,并在需方共同取样。5.2组批
产品应成批提交检验,每批应由同一牌号的产品组成。5.3检验项目P
每批产品应进行化学成分、中心粒径和外卜观质量检验。5.4取样与制样の
化学成分、中心粒径的仲裁取样按表2规定进行。R
每批件(袋)数
取样件(袋)数
101~150
每件(袋)取样不少天10g将试样混匀后,用四分法迅速缩分至试样所需数量。5:5检验结果判定
化学成分、中心粒径仲裁分析结果不合格时,则从该批产品中取双倍试样重新进行复验,如仍有一项结果不合格,则该批产品为不合格。6标志、包装、运输、贮存
6.1标志和包装
产品分装于双层塑料袋或塑料瓶中,再将袋(瓶)置于铁桶(木箱,纸箱或塑料箱)中,也可用大集装袋包装。桶(箱、袋)外注明:供方名称、产品名称、牌号、批号、净含量、毛重、出厂日期及“防潮”标志或字样。
6.2运输、贮存
产品需存放于干燥处,不得露天放置。运输时严防淋雨受潮。2
6.3质量证明书
每批产品应附质量证明书,注明:a)
供方名称;
产品名称和牌号;
批号;
净含量和件数;
各项分析检验结果和供方技术监督部门印记:本标准编号;
出厂日期。
GB/T3504—2006
GB/T3504-2006
中华人民免费标准下载网bzxz
国家标准
GB/T3504—2006
中国标准出版社出版发行
北京复兴门外三里河北街16号
邮政编码:100045
网址www.bzcbs.com
电话:6852394668517548
中国标准出版社秦皇岛印刷厂印刷各地新华书店经销
开本880×1230
印张0.5
字数7千字
2006年8月第一版2006年8月第一次印刷*
书号:155066·1-27839
9定价8.00元
如有印装差错由本社发行中心调换版权专有侵权必究
举报电话:(010)68533533
小提示:此标准内容仅展示完整标准里的部分截取内容,若需要完整标准请到上方自行免费下载完整标准文档。

标准图片预览:





- 热门标准
- 国家标准(GB)
- GB/T34077.3-2021 基于云计算的电子政务公共平台管理规范第3部分:运行保障管理
- GB/T10574.1-1989 锡铅焊料化学分析方法 碘酸钾滴定法测定锡量
- GB/T3289.25-1982 可锻铸铁管路连接件型式尺寸 偏心异径外接头
- GB/T3289.26-1982 可锻铸铁管路连接件型式尺寸 内接头
- GB/T21666-2008 尿吸收辅助器具 评价的一般指南
- GB/T33049-2016 偏光片用光学薄膜 涂层附着力的测定方法
- GB4623-1994 环形预应力混凝土电杆
- GB/T11132-2008 液体石油产品烃类的测定 荧光指示剂吸附法
- GB8550.3-1987 白铜化学分析方法 硫酸亚铵滴定法测定锰量
- GB/T14929.2-1994 花生仁、棉籽油、花生油中涕灭威残留量测定方法
- GB/T11982.2-1996 聚氯乙烯卷材地板 第2部分:有基材有背涂层聚氯乙烯卷材地板
- GB/T22807-2008 皮革和毛皮 化学试验 六价铬含量的测定
- GB50508-2010 涤纶工厂设计规范
- GB10133-2014 食品安全国家标准 水产调味品
- GB29987-2014 食品安全国家标准 食品添加剂 胶基及其配料
- 行业新闻
请牢记:“bzxz.net”即是“标准下载”四个汉字汉语拼音首字母与国际顶级域名“.net”的组合。 ©2009 标准下载网 www.bzxz.net 本站邮件:bzxznet@163.com
网站备案号:湘ICP备2023016450号-1
网站备案号:湘ICP备2023016450号-1