- 您的位置:
- 标准下载网 >>
- 标准分类 >>
- 国家标准(GB) >>
- GB 9326.4-1988 交流300 kV及以下油纸绝缘自容式充油电缆及其附件 接头
标准号:
GB 9326.4-1988
标准名称:
交流300 kV及以下油纸绝缘自容式充油电缆及其附件 接头
标准类别:
国家标准(GB)
英文名称:
Oil-paper insulated self-contained oil-filled cables and accessories connectors for AC 300 kV and below标准状态:
已作废-
发布日期:
1988-05-23 -
实施日期:
1989-01-01 -
作废日期:
2009-05-01 出版语种:
简体中文下载格式:
.rar.pdf下载大小:
171.37 KB
替代情况:
被GB/T 9326.4-2008代替采标情况:
IEC 141-1-1976,EQV
点击下载
标准简介:
标准下载解压密码:www.bzxz.net
本标准适用于交流110~330kV油纸绝缘自容式充油电缆的直通接头和塞止接头。接头除应符合本标准规定要求外,还应符合9326.1《交流330KV及以下油纸绝缘自容式充油电缆及附件 一般规定》的要求。 GB 9326.4-1988 交流300 kV及以下油纸绝缘自容式充油电缆及其附件 接头 GB9326.4-1988
部分标准内容:
中华人民共和国国家标准
交流330kV及以下油纸绝缘自容式充油电缆及附件
Oil-filled paper-insulated cables and accessories foralternating voltages up to and including 330 kVJoints
GB9326.4-88
本标准等效采用国际标准IEC141一1(1976)《交流电压400kV及以下纸绝缘、金属护套、充油电缆及其附件》的规定。
1适用范围
1.1本标准适用于交流110~330kV油纸绝缘自容式充油电缆的直通接头和塞止接头。1.2接头除应符合本标准规定要求外,还应符合GB9326.1《交流300kV及以下油纸绝缘自容式充油电缆及其附件一般规定》的要求。2使用特性
2.1接头的额定电压、最高工作电压应符合GB9326.2《交流300kV及以下油纸绝缘自容式充油电缆及其附件油纸绝缘自容式充油电缆》第2.1条的规定。2.2直通接头连接的电缆油路应保持畅通,长期允许工作油压应符合GB9326.2第2.2条的规定。2.3:塞止接头连接的电缆油路应完全阻塞。塞止接头两端的长期允许工作油压应根据电缆工作油压、线路落差等具体情况设计确定。2.4可以安装在户内、电缆沟、竖井,也可土壤直埋或安装在水底。3型号及规格
3.1型号
接头的型号应符合表1的规定。
产品名称下载标准就来标准下载网
直通接头
塞止接头
3.2规格
接头的规格与GB9326.2中表2规定的电缆规格相一致。国家机械工业委员会1988-05-23批准结构特点
油路畅通
油路阻塞,两端能承受一定油压差1989-01-01实施
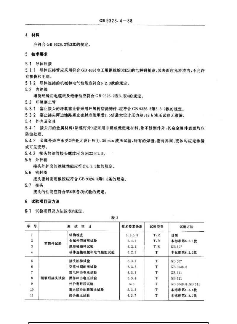
4材料
应符合GB9326.3第3章的规定。
5技术要求
5.1导体压接
GB9326.4—88
5.1.1导体压接管应采用符合GB468《电工用铜线锭》规定的电解铜制造,其表面应光滑清洁,不允许有损伤和毛刺
5.1.2导体连接的机械和电气性能应符合6.2.3款的规定。5.2内绝缘
增绕绝缘用电缆纸及绝缘油应符合GB9326.2表3、表4的规定。5.3环氧塞止管
5.3.1塞止接头的环氧塞止管采用环氧树脂浇铸件,应符合GB9326.3第5.3.2款的规定。5.3.2塞止接头两边油路塞止密封应能承受1.5倍最大设计压力差,48h液压试验无渗漏。5.4外壳及金具
5.4.1接头用的金属材料(除螺钉外)应采用非磁或低磁耗材料。除不锈钢件外,其余金属件表面均应防蚀处理。
5.4.2金属外壳应承受2倍最大设计压力、30min液压试验,所有的焊缝、密封界面、壳体均应无渗漏或可见变形。
5.4.3接头的油管接头螺纹应为M22×1.5。5.5外护套
接头外护套的绝缘性能应符合6.3.5款的规定。5.6密封圈
接头密封圈用橡胶应符合GB9326.3第5.6条的规定。5.7接头
接头的性能应符合第6章各项试验的规定。6试验项目及方法
试验项目及方法按表2规定。
零部件试验
组装后接头试验
测试项目
结构检查
金属外壳液压试验
纸卷桶油样试验
导体连接机械和电气性能试验
接头油样试验
交流长期耐压试验
雷电冲击电压试验
操作冲击电压试验
外护套耐压试验
塞止接头油路塞止试验
接头液压试验
技术要求条款
5.1、5.3
试验类型
试验方法
本标准第6.2.1款
本标准第6.2.3款
GB 3048.8,GB 311
本标准第6.3.6款
本标准第6.3.7款
6.2零部件试验
6.2.1金属外壳液压试验
GB9326.4—88
如果金属外壳由多段组成,可以分段进行本项试验。试验时将被试品两端封住,施加液压至二倍最大设计压力30min,试验结果应符合第5.4.2款规定。6.2.2纸卷桶油样试验
纸卷桶中的电缆油抽样试验结果应符合GB9326.3第6.2.3款规定。6.2.3导体连接机械和电气性能试验,正在考虑中。6.3组装后接头试验
每--个型式试验的接头试样首先必须进行6.3.1款试验,试验合格后才可进行以后各项试验。第6.3.2、6.3.3和6.3.4款规定的试验可以分别在三个接头试样上进行,或只在一个试样上进行。如果在一个接头试样上做一项以上试验,试验程序由制造厂自定。若第二项或紧接的试验不符合要求,未通过的试验应在新的接头试样上重复进行。安装接头试样所用的电缆应与接头试样的额定电压相同或较高。6.3.1接头油样试验
接头组装完24h后,从接头取油样试验,试验结果应符合GB9326.3第6.2.3款的规定。6.3.2交流长期耐压试验
按GB9326.2第7.4.2款的规定,接头与电缆一起进行交流长期耐压试验,接头试样应不击穿。6.3.3雷电冲击电压试验
按GB9326.2第7.4.3款的规定,接头与电缆一起进行雷电冲击电压试验,接头试样应不击穿。6.3.4操作冲击电压试验
330kV接头应按GB9326.2第7.4.4款的规定,接头与电缆一起进行操作冲击电压试验,接头试样应不击穿。
6.3.5外护套耐压试验
外护套应按GB9326.2第7.2.6款的规定进行直流耐压试验,按GB9326.2第7.4.7款的规定进行冲击耐压试验(接头试样不经过弯曲和刮磨),护套应不击穿或闪络。6.3.6塞止接头油路塞止试验
在环境温度下,在塞止接头的高压力侧和低压力侧之间,施以1.5倍最大设计压力差,维持48h,低压力侧液压应不升高。在试验过程中,高压力侧油压允许随时补充。6.3.7接头液压试验
接头两端部封住,在环境温度下充以二倍最大设计压力的液压,维持15min,接头应无渗漏。7验收规则
7.1产品应由制造的技术检验部门检验合格后方能出厂,每个出厂的包装件上应附有产品质量检验合格证明。
根据用户要求,制造厂应提供产品试验记录。7.2产品应按表2规定的试验项目进行验收。7.2.1抽样试验按批抽取,每一浸渍缸纸卷为一批,每批至少应抽取一纸卷桶进行油样试验,如不合格,应逐桶进行试验,并对不合格桶换油或对纸卷进行再处理,直至合格为止。7.2.2不符合第6.3.2、6.3.3、6.3.4款规定时,可以加倍数量重新制作新的试样,对不合格项目进行复试,并作出最终评定。
7.2.3不符合第6.3.6,6.3.7款规定时,允许更换渗漏部件直至符合要求。7.2.4不符合第6.2.1款规定时,允许修补后重新试验直至符合要求。8产品标志及包装
8.1标志
GB9326.4—88
8.1.1在接头的外壳上应装置一块金属标牌、标明:制造厂名;
型号及规格;
额定电压;
制造年月。
内绝缘卷桶上应系上两个纸标签或直接用油漆印刷标明:a.
型号及规格;
b.纸卷序号;
纸卷数量。
8.1.3包装箱侧面应标有“轻放”“防雨”“不得倒置”等字样及符号。8.2包装
8.2.1所有产品零部件,包括纸卷桶,应由专用包装箱成套包装出厂。箱内应附有产品合格证书及装箱清单。
8.2.2内绝缘纸卷桶应密封不渗漏。8.2.3塞止接头环氧树脂件应用软纸或塑料等填塞并避免与箱内其他部件磕碰损伤。8.2.4每套塞止接头应附阀门两,绝缘连接管两只,9运输及存放
9.1运输时不得将包装箱倒置或碰撞。9.2应存放在清洁干燥处。
附加说明:
本标准由上海电缆研究所归口。本标准由上海电缆研究所、上海电缆厂、沈阳电缆厂等起草。本标准主要起草人王佩龙,
小提示:此标准内容仅展示完整标准里的部分截取内容,若需要完整标准请到上方自行免费下载完整标准文档。
交流330kV及以下油纸绝缘自容式充油电缆及附件
Oil-filled paper-insulated cables and accessories foralternating voltages up to and including 330 kVJoints
GB9326.4-88
本标准等效采用国际标准IEC141一1(1976)《交流电压400kV及以下纸绝缘、金属护套、充油电缆及其附件》的规定。
1适用范围
1.1本标准适用于交流110~330kV油纸绝缘自容式充油电缆的直通接头和塞止接头。1.2接头除应符合本标准规定要求外,还应符合GB9326.1《交流300kV及以下油纸绝缘自容式充油电缆及其附件一般规定》的要求。2使用特性
2.1接头的额定电压、最高工作电压应符合GB9326.2《交流300kV及以下油纸绝缘自容式充油电缆及其附件油纸绝缘自容式充油电缆》第2.1条的规定。2.2直通接头连接的电缆油路应保持畅通,长期允许工作油压应符合GB9326.2第2.2条的规定。2.3:塞止接头连接的电缆油路应完全阻塞。塞止接头两端的长期允许工作油压应根据电缆工作油压、线路落差等具体情况设计确定。2.4可以安装在户内、电缆沟、竖井,也可土壤直埋或安装在水底。3型号及规格
3.1型号
接头的型号应符合表1的规定。
产品名称下载标准就来标准下载网
直通接头
塞止接头
3.2规格
接头的规格与GB9326.2中表2规定的电缆规格相一致。国家机械工业委员会1988-05-23批准结构特点
油路畅通
油路阻塞,两端能承受一定油压差1989-01-01实施
4材料
应符合GB9326.3第3章的规定。
5技术要求
5.1导体压接
GB9326.4—88
5.1.1导体压接管应采用符合GB468《电工用铜线锭》规定的电解铜制造,其表面应光滑清洁,不允许有损伤和毛刺
5.1.2导体连接的机械和电气性能应符合6.2.3款的规定。5.2内绝缘
增绕绝缘用电缆纸及绝缘油应符合GB9326.2表3、表4的规定。5.3环氧塞止管
5.3.1塞止接头的环氧塞止管采用环氧树脂浇铸件,应符合GB9326.3第5.3.2款的规定。5.3.2塞止接头两边油路塞止密封应能承受1.5倍最大设计压力差,48h液压试验无渗漏。5.4外壳及金具
5.4.1接头用的金属材料(除螺钉外)应采用非磁或低磁耗材料。除不锈钢件外,其余金属件表面均应防蚀处理。
5.4.2金属外壳应承受2倍最大设计压力、30min液压试验,所有的焊缝、密封界面、壳体均应无渗漏或可见变形。
5.4.3接头的油管接头螺纹应为M22×1.5。5.5外护套
接头外护套的绝缘性能应符合6.3.5款的规定。5.6密封圈
接头密封圈用橡胶应符合GB9326.3第5.6条的规定。5.7接头
接头的性能应符合第6章各项试验的规定。6试验项目及方法
试验项目及方法按表2规定。
零部件试验
组装后接头试验
测试项目
结构检查
金属外壳液压试验
纸卷桶油样试验
导体连接机械和电气性能试验
接头油样试验
交流长期耐压试验
雷电冲击电压试验
操作冲击电压试验
外护套耐压试验
塞止接头油路塞止试验
接头液压试验
技术要求条款
5.1、5.3
试验类型
试验方法
本标准第6.2.1款
本标准第6.2.3款
GB 3048.8,GB 311
本标准第6.3.6款
本标准第6.3.7款
6.2零部件试验
6.2.1金属外壳液压试验
GB9326.4—88
如果金属外壳由多段组成,可以分段进行本项试验。试验时将被试品两端封住,施加液压至二倍最大设计压力30min,试验结果应符合第5.4.2款规定。6.2.2纸卷桶油样试验
纸卷桶中的电缆油抽样试验结果应符合GB9326.3第6.2.3款规定。6.2.3导体连接机械和电气性能试验,正在考虑中。6.3组装后接头试验
每--个型式试验的接头试样首先必须进行6.3.1款试验,试验合格后才可进行以后各项试验。第6.3.2、6.3.3和6.3.4款规定的试验可以分别在三个接头试样上进行,或只在一个试样上进行。如果在一个接头试样上做一项以上试验,试验程序由制造厂自定。若第二项或紧接的试验不符合要求,未通过的试验应在新的接头试样上重复进行。安装接头试样所用的电缆应与接头试样的额定电压相同或较高。6.3.1接头油样试验
接头组装完24h后,从接头取油样试验,试验结果应符合GB9326.3第6.2.3款的规定。6.3.2交流长期耐压试验
按GB9326.2第7.4.2款的规定,接头与电缆一起进行交流长期耐压试验,接头试样应不击穿。6.3.3雷电冲击电压试验
按GB9326.2第7.4.3款的规定,接头与电缆一起进行雷电冲击电压试验,接头试样应不击穿。6.3.4操作冲击电压试验
330kV接头应按GB9326.2第7.4.4款的规定,接头与电缆一起进行操作冲击电压试验,接头试样应不击穿。
6.3.5外护套耐压试验
外护套应按GB9326.2第7.2.6款的规定进行直流耐压试验,按GB9326.2第7.4.7款的规定进行冲击耐压试验(接头试样不经过弯曲和刮磨),护套应不击穿或闪络。6.3.6塞止接头油路塞止试验
在环境温度下,在塞止接头的高压力侧和低压力侧之间,施以1.5倍最大设计压力差,维持48h,低压力侧液压应不升高。在试验过程中,高压力侧油压允许随时补充。6.3.7接头液压试验
接头两端部封住,在环境温度下充以二倍最大设计压力的液压,维持15min,接头应无渗漏。7验收规则
7.1产品应由制造的技术检验部门检验合格后方能出厂,每个出厂的包装件上应附有产品质量检验合格证明。
根据用户要求,制造厂应提供产品试验记录。7.2产品应按表2规定的试验项目进行验收。7.2.1抽样试验按批抽取,每一浸渍缸纸卷为一批,每批至少应抽取一纸卷桶进行油样试验,如不合格,应逐桶进行试验,并对不合格桶换油或对纸卷进行再处理,直至合格为止。7.2.2不符合第6.3.2、6.3.3、6.3.4款规定时,可以加倍数量重新制作新的试样,对不合格项目进行复试,并作出最终评定。
7.2.3不符合第6.3.6,6.3.7款规定时,允许更换渗漏部件直至符合要求。7.2.4不符合第6.2.1款规定时,允许修补后重新试验直至符合要求。8产品标志及包装
8.1标志
GB9326.4—88
8.1.1在接头的外壳上应装置一块金属标牌、标明:制造厂名;
型号及规格;
额定电压;
制造年月。
内绝缘卷桶上应系上两个纸标签或直接用油漆印刷标明:a.
型号及规格;
b.纸卷序号;
纸卷数量。
8.1.3包装箱侧面应标有“轻放”“防雨”“不得倒置”等字样及符号。8.2包装
8.2.1所有产品零部件,包括纸卷桶,应由专用包装箱成套包装出厂。箱内应附有产品合格证书及装箱清单。
8.2.2内绝缘纸卷桶应密封不渗漏。8.2.3塞止接头环氧树脂件应用软纸或塑料等填塞并避免与箱内其他部件磕碰损伤。8.2.4每套塞止接头应附阀门两,绝缘连接管两只,9运输及存放
9.1运输时不得将包装箱倒置或碰撞。9.2应存放在清洁干燥处。
附加说明:
本标准由上海电缆研究所归口。本标准由上海电缆研究所、上海电缆厂、沈阳电缆厂等起草。本标准主要起草人王佩龙,
小提示:此标准内容仅展示完整标准里的部分截取内容,若需要完整标准请到上方自行免费下载完整标准文档。
标准图片预览:




- 热门标准
- 国家标准(GB)
- GB/T42854-2023 民用飞机客户培训飞行模拟机通用技术规范
- GB/T7534-1987 工业用挥发性有机液体沸程的测定
- GB/T38627-2020 信息技术 实时定位 磁定位数据接口
- GB/T10781.2-2022 白酒质量要求 第2部分:清香型白酒
- GB50752-2012 电子辐射工程技术规范
- GB/T15449-1995 管壳额定开关用场效应晶体管空白详细规范
- GB/T18204.4-2000 公共场所毛巾、床上卧具微生物检验方法细菌总数测定
- GB/T19418-2003 钢的弧焊接头 缺陷质量分级指南
- GB8552-1987 电子器件详细规范 低功率非线绕固定电阻器 RJ13型金属膜固定电阻器评定水平E(可供认证用)
- GB5606.3-2005 卷烟 第3部分:包装、卷制技术要求及贮运
- GB/T20976-2023 软冰淇淋预拌粉质量要求
- GB/T15917.3-1995 金属镝及氧化镝化学分析方法 对氯苯基荧光酮--溴化十六烷基三甲基胺分光光度法测定钽量
- GB/T11839-1989 二氧化铀芯块中硼的测定 姜黄素萃取光度法
- GB/T6122.1-2002 圆角铣刀 第1部分:型式和尺寸
- GB/T7433-1987 对称电缆载波通信系统抗无线电广播和通信干扰的指标
- 行业新闻
请牢记:“bzxz.net”即是“标准下载”四个汉字汉语拼音首字母与国际顶级域名“.net”的组合。 ©2025 标准下载网 www.bzxz.net 本站邮件:bzxznet@163.com
网站备案号:湘ICP备2025141790号-2
网站备案号:湘ICP备2025141790号-2