- 您的位置:
- 标准下载网 >>
- 标准分类 >>
- 商检行业标准(SN) >>
- SN/T 0734.3-1997 出口电动玩具检验规程
标准号:
SN/T 0734.3-1997
标准名称:
出口电动玩具检验规程
标准类别:
商检行业标准(SN)
标准状态:
现行-
发布日期:
1997-12-22 -
实施日期:
1998-05-01 出版语种:
简体中文下载格式:
.rar.pdf下载大小:
1.80 MB
中标分类号:
轻工、文化与生活用品>>文教、体育、娱乐用品>>Y57玩具
点击下载
标准简介:
标准下载解压密码:www.bzxz.net
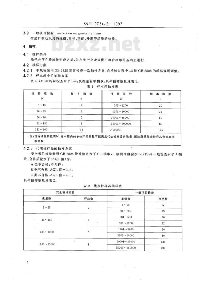
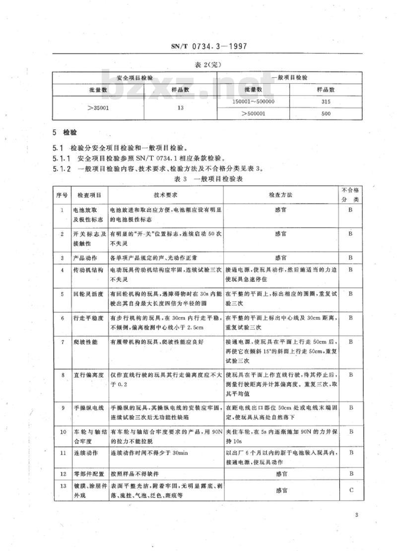
本标准规定了出口电动玩具的抽样、检验和检验结果判定的规则。本标准适用于以干电池为动力源的出口电动玩具的检验。 SN/T 0734.3-1997 出口电动玩具检验规程 SN/T0734.3-1997
标准图片预览:





- 热门标准
- 商检行业标准(SN)
- SN/T2051-2008 食品、化妆品和饲料中牛羊猪源性成分检测方法实时PCR法
- SN/T4341-2015 黑颜果实蝇检疫鉴定方法
- SN/T0801.6-1999 进出口动植物油脂沉积物检验方法
- SN0163-1992 出口水果中二溴乙烷残留量检验方法
- SN/T2050-2008 进出口动物源食品中14种β-内酰胺类抗生素残留量检测方法液相色谱-质谱/质谱法
- SN/T1667.2-2007 进出口机电产品检测方法 第2部分:彩色液晶显示器件电光性能的测量
- SN/T2431-2010 进出口食品中苄螨醚残留量的检测方法
- SN/T2866-2011 爬行动物检验检疫监管规程
- SN/T2925-2011 软体家具耐点燃性试验方法及评价
- SN/T3203-2012 进出口危险化学品检验规程爆炸品基本要求
- SN/T3656.2-2013 进出口危险化学品测试技术规范第2部分:气体
- SN/T4115-2015 天然气中硫化物的分析方法气相色谱硫化学发光检测器法
- SN/T3296-2012 植物病原细菌分子生物学检测规范
- SN/T2389.10-2012 进出口商品容器计重规程第10部分:液体化工品船舱静态计重
- SN/T1162-2002 传染性胰脏坏死病毒(IPNV)酶链钢疫吸附试验(ELISA)诊断方法
- 行业新闻
请牢记:“bzxz.net”即是“标准下载”四个汉字汉语拼音首字母与国际顶级域名“.net”的组合。 ©2025 标准下载网 www.bzxz.net 本站邮件:bzxznet@163.com
网站备案号:湘ICP备2025141790号-2
网站备案号:湘ICP备2025141790号-2