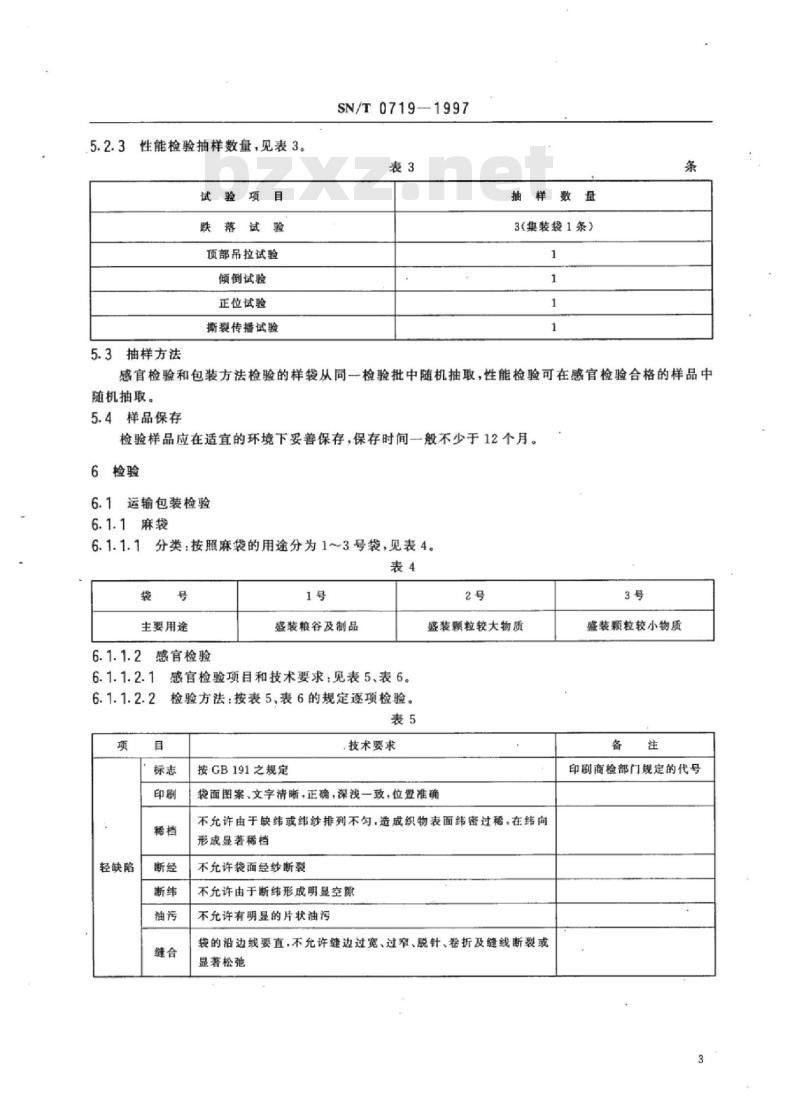
- 您的位置:
- 标准下载网 >>
- 标准分类 >>
- 商检行业标准(SN) >>
- SN/T 0719-1997 出口粮谷类商品运输包装检验规程
标准号:
SN/T 0719-1997
标准名称:
出口粮谷类商品运输包装检验规程
标准类别:
商检行业标准(SN)
标准状态:
现行-
发布日期:
1997-12-22 -
实施日期:
1998-05-01 出版语种:
简体中文下载格式:
.rar.pdf下载大小:
3.80 MB

点击下载
标准简介:
标准下载解压密码:www.bzxz.net
本标准规定了出口粮谷类商品运输包装的主要技术要求及检验方法。本标准适用于出口粮谷类商品运输包装的检验。 SN/T 0719-1997 出口粮谷类商品运输包装检验规程 SN/T0719-1997

标准图片预览:





- 热门标准
- 商检行业标准(SN)
- SN/T1817-2006 桃实蝇检疫鉴定方法
- SN/T0432-1995 出口冻煮河蚬肉检验规程
- SN/T1103-2002 进出口纺织品检验规程、检验方法标准编写的基本规定
- SN/T2557-2010 畜肉食品中牛成分定性检测方法 实时荧光PCR法
- SN/T5344——2021 进出口羽毛羽绒残脂率试验方法快速溶剂萃取法
- SN/T0106-2010 出口无毛绒检验规程
- SN/T2613-2010 三叶草斑潜蝇检疫鉴定方法
- SN/T3777.3-2014 纺织产品出口企业分类规范第3部分:纺织织物
- SN/T1269-2010 创建“国际卫生机场”规程
- SN/T1012-2001 出口涤纶针织立绒检验规程
- SN/T3792-2014 电子电气产品中偶氮染料的测定液相色谱-质谱法
- SN/T1429.2-2004 进出口信息技术设备检验规程台式电子计算机
- SN/T3619-2013 玩具材料中17种可迁移元素的测定ICP-MS法
- SN/T0230.1-2016 进出口脱水蔬菜检验规程
- SN/T2471-2010 落叶松种子小蜂与黄连木种子小蜂检疫鉴定方法
- 行业新闻
请牢记:“bzxz.net”即是“标准下载”四个汉字汉语拼音首字母与国际顶级域名“.net”的组合。 ©2009 标准下载网 www.bzxz.net 本站邮件:bzxznet@163.com
网站备案号:湘ICP备2023016450号-1
网站备案号:湘ICP备2023016450号-1