- 您的位置:
- 标准下载网 >>
- 标准分类 >>
- 国家标准(GB) >>
- GB/T 12616-1990 封闭型沉头抽芯铆钉
标准号:
GB/T 12616-1990
标准名称:
封闭型沉头抽芯铆钉
标准类别:
国家标准(GB)
标准状态:
已作废-
发布日期:
1990-12-14 -
实施日期:
1991-10-01 -
作废日期:
2004-08-01 出版语种:
简体中文下载格式:
.rar.pdf下载大小:
29.91 KB
替代情况:
被GB/T 12616.1-2004代替
部分标准内容:
1主题内容
中华人民共和国国家标准
封闭型沉头抽芯铆钉
120 deg flush head break mandrelclosed end blind rivets
本标准规定了公称直径d一3~6mm的封闭型沉头抽芯钉。注:商品紧固件品种,应优先选用。2引用标准
GB12619抽芯铆钉技术条件
GB1237紧固件的标记方法
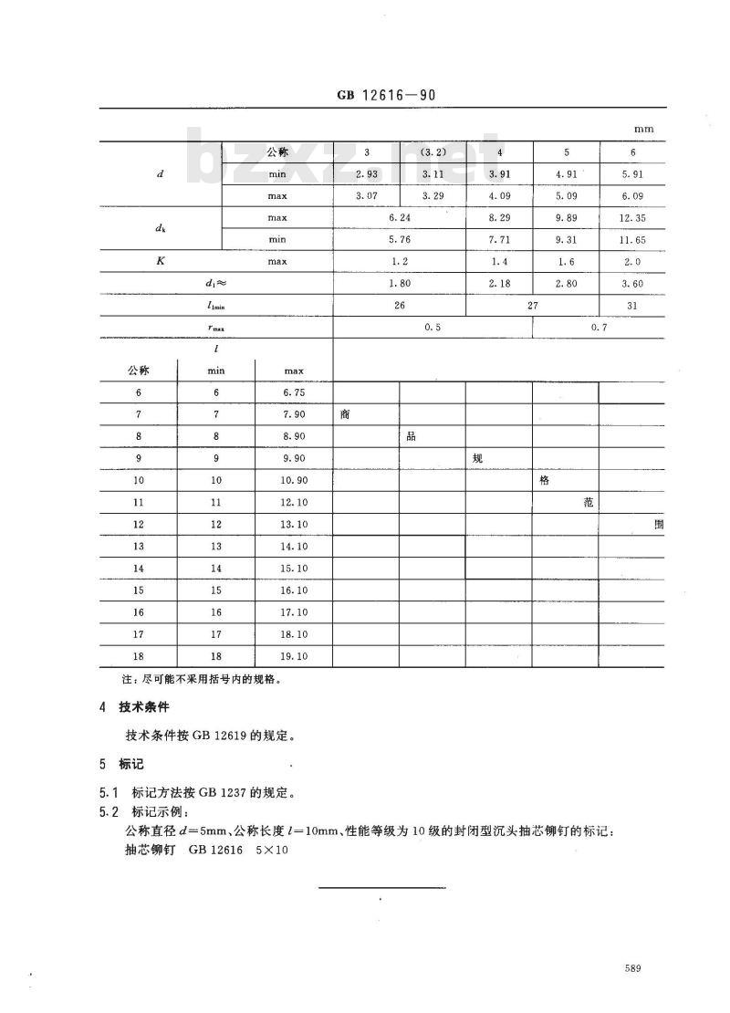
3尺寸
国家技术监督局1990-12-14批准588
GB 12616--90
1991-10-01实施
注:尽可能不采用括号内的规格。技术条件
技术条件按GB12619的规定。bzxz.net
5标记
5.1标记方法按GB1237的规定。
5.2标记示例:
GB12616
6—90
公称直径d=5mm、公称长度l=10mm、性能等级为10级的封闭型沉头抽芯铆钉的标记:抽芯铆钉GB12616
附加说明:
GB1261690
本标准由全国紧固件标准化技术委员会提出,由机械电子工业部机械标准化研究所归口。本标准由机械电子工业部机械标准化研究所负责、沈阳市标准件四厂参加起草。590
小提示:此标准内容仅展示完整标准里的部分截取内容,若需要完整标准请到上方自行免费下载完整标准文档。
中华人民共和国国家标准
封闭型沉头抽芯铆钉
120 deg flush head break mandrelclosed end blind rivets
本标准规定了公称直径d一3~6mm的封闭型沉头抽芯钉。注:商品紧固件品种,应优先选用。2引用标准
GB12619抽芯铆钉技术条件
GB1237紧固件的标记方法
3尺寸
国家技术监督局1990-12-14批准588
GB 12616--90
1991-10-01实施
注:尽可能不采用括号内的规格。技术条件
技术条件按GB12619的规定。bzxz.net
5标记
5.1标记方法按GB1237的规定。
5.2标记示例:
GB12616
6—90
公称直径d=5mm、公称长度l=10mm、性能等级为10级的封闭型沉头抽芯铆钉的标记:抽芯铆钉GB12616
附加说明:
GB1261690
本标准由全国紧固件标准化技术委员会提出,由机械电子工业部机械标准化研究所归口。本标准由机械电子工业部机械标准化研究所负责、沈阳市标准件四厂参加起草。590
小提示:此标准内容仅展示完整标准里的部分截取内容,若需要完整标准请到上方自行免费下载完整标准文档。
标准图片预览:



- 热门标准
- 国家标准(GB)
- GB/T2828.1-2012 计数抽样检验程序 第1部分:按接收质量限(AQL)检索的逐批检验抽样计划
- GB/T228.1-2021 金属材料 拉伸试验 第1部分:室温试验方法
- GB50367-2013 混凝土结构加固设计规范
- GB/T18204.4-2000 公共场所毛巾、床上卧具微生物检验方法细菌总数测定
- GB/T12053-1989 光学识别用字母数字字符集 第一部分:OCR-A字符集印刷图象的形状和尺寸
- GB/T23892.3-2009 滑动轴承 稳态条件下流体动压可倾瓦块止推轴承 第3部分:可倾瓦块止推轴承计算的许用值
- GB/T9145-2003 普通螺纹 中等精度、优选系列的极限尺寸
- GB/T11839-1989 二氧化铀芯块中硼的测定 姜黄素萃取光度法
- GB50209-2002 建筑地面工程施工质量验收规范
- GB/T6122.1-2002 圆角铣刀 第1部分:型式和尺寸
- GB/T7433-1987 对称电缆载波通信系统抗无线电广播和通信干扰的指标
- GB5725-2009 安全网
- GB13851-2022 内河交通安全标志
- GB/T9239-1988 刚性转子平衡品质 许用不平衡的确定
- GB/T15917.3-1995 金属镝及氧化镝化学分析方法 对氯苯基荧光酮--溴化十六烷基三甲基胺分光光度法测定钽量
- 行业新闻
请牢记:“bzxz.net”即是“标准下载”四个汉字汉语拼音首字母与国际顶级域名“.net”的组合。 ©2025 标准下载网 www.bzxz.net 本站邮件:bzxznet@163.com
网站备案号:湘ICP备2025141790号-2
网站备案号:湘ICP备2025141790号-2