- 您的位置:
- 标准下载网 >>
- 标准分类 >>
- 煤炭行业标准(MT) >>
- MT 260-1991 送煤厂煤泥过滤性测定方法
标准号:
MT 260-1991
标准名称:
送煤厂煤泥过滤性测定方法
标准类别:
煤炭行业标准(MT)
标准状态:
现行-
发布日期:
1992-01-20 -
实施日期:
1992-07-01 出版语种:
简体中文下载格式:
.rar.pdf下载大小:
270.17 KB
起草人:
万宝弊、邓1%、刘传炬起草单位:
煤炭科学研究总院唐山分院归口单位:
煤炭科学研究总院唐山分院提出单位:
煤炭科学研究总院发布部门:
中华人民共和国能源部相关标签:
测定方法
点击下载
标准简介:
标准下载解压密码:www.bzxz.net
本标准规定了以滤饼体积比阻作为煤泥过滤性的指标。本标准适用于选煤厂浮选精煤、浮选尾煤和原生煤泥过滤性的测定方法。 MT 260-1991 送煤厂煤泥过滤性测定方法 MT260-1991
部分标准内容:
中华人民共和国煤炭行业标准
选煤厂煤泥过滤性测定方法
1主题内容与适用范围
本标准规定了以滤饼体积比阻作为煤泥过滤性的指标。本标准适用于选煤厂浮选精煤、浮选尾煤和原生煤泥过滤性的测定方法。2引用标准
GB211煤中全水分的测定方法
GB265石油产品运动粘度测定法和动力粘度计算法GB477煤炭筛分试验方法
MT190选煤厂煤泥沉降试验方法
3术语
MT 260-91
滤饼体积比阻r表征过滤性的-个参数,其数值相当于使悬浮体中粘度为1Pa·s的液相,以1m/s[1 m/(m2·s))的速度通过1 m厚的滤饼层所需的压力差。4试样的采取和缩制
4.1试样的采取
试样应在正常生产情况下采取。采样时按相等时间间隔采取子样,每份子样的容积为1~2L,采样的总时间应不少于4 h,并记录采样日期和时间。4.1.1浮选精煤煤浆试样的采取
在浮选精煤过滤机入料口处或其他具有代表性的地点采样,其数量不少于20L。4.1.2浮选尾煤试样的采取
尾煤试样按MT190的规定采取,经静置、沉淀使之浓缩,其浓度应与选煤厂浓缩设备的底流浓度相一致或接近,其数量不少于20L。4.1.3原生煤泥试样的采取
原生煤泥试样按GB477的规定采取,分别缩取自然级和破碎级中小于0.5mm粒度级,按其占原煤比例掺和,然后将试样干燥至空气干燥状态称重,其质量不少于10kg。测定时,配制成煤浆。4.2试样缩制
用湿式分样机缩分煤浆试样,按试验要求缩取所需份数,每份为800mL,将其分别注入量简内备用。
5滤饼体积比阻的测定
5.1设备和仪器见表1
中华人民共和国能源部1992-01-20批准536
1992-07-01实施
布氏漏斗
滤液计量管
吸滤瓶
真空泵
真空表
调节阀
橡胶管
硬质橡胶管
T型管
二通活塞
三通活塞
电子天平
分析天平
电热板
干燥器
凝式分样机
深度游标卡尺
电热干燥箱
测定步骤
过滤试验
5. 2. 1. 1
MT 260—91
设备和仪器明细表
单位数量
见图2
滤网孔径0.038mm,材质为尼龙
容积700mL
容积1500mL
极限真空度0.05P起
最小分度值2666Pa(20mmHg)
暖气片用放气阀
直径15mm
直径9mm
直径8mm
直径8mm
直径8mm
容积1000ml
最小分度值 0. 1 5
最大称量 2 kg.感量 10 mg
最大称量200g,感量0.1mg
直径300mm,底部效置变色硅胶
容积1000mL
容积1000mL
分样误差小于2%
最小分度值0. 02mm
调温范围 25~200℃
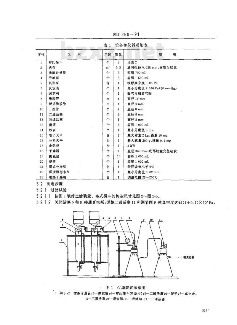
按图1装好过滤装置。布式漏斗的构造尺寸见图2~图2-5。关闭活塞5和8,接通真空泵,调整二通活塞11和调节阀9,使真空度达到(4士0.1)×10*Pa。3
接真空泵
图1过滤装置示意图
1架子;2—滤液计最管;3—橡皮塞,4—布氏漏斗(备用),5—二通活塞:6—架子;?真空表,8—三通活塞;9调节阀;10—吸滤瓶:11—二通活塞537
MT260-91
技术要求
1.漏斗壁将滤布压平压紧。
2.漏斗壁和滞斗座连接不漏气和不漏水。图2布氏漏斗
1--斗壁;2—滤板;3滤布;4—漏斗座,5~0型密封图16—0 型密封图;7-支管;8—套管凌花m 0.5
镶花m0.5
MT 260—91
M96 × 2. 5
图2-1漏斗壁
M96 × 2. 5
M15×2
- $22 -
漏斗座
图2-2
厚1.5*9.1
M15 × 2
图2-4套管
MT 260-91
图2-3滤板
图2-5支管
5.2.1.3将装有试样的量简上、下翻转5次后,一次注入布氏漏斗4,同时打开二通活塞5,并从滤液计量管读取并记录滤液等体积(V)间隔的时闻(t),直到滤饼表面可见水分消失时,立即打开三通活塞8,使之与大气相通。
5.2.2滤饼密度测定
用深度游标卡尺测量滤饼不同对称位置8个点的厚度,并称重。滤饼密度按式(1)计算:540
式中:i-
滤饼密度,kg/m;
一滤饼面积(即滤板面积),m2;A
MT260—91
H-8个测点滤饼厚度的平均值,m;G
滤饼质量,kg。
5.2.3煤浆试样质量浓度的测定
用湿式分样机缩取约500mL煤浆试样,称重后放入1000mL烧杯中,用电热板加热,待大部分水蒸干后,放入电热干燥箱(温度105~110℃)干燥1~1.5h,然后取出放入干燥器中冷却至室温,再称量干试样质量。试样质量浓度按式(2)计算:G
式中:C-试样质量浓度,%,
G,——干试样质量,kg;
G -煤浆试样质量,kg。
5.3结果计算
5.3.1滤饼体积和滤液体积比值(X)的计算比值(X)按式(3)计算:
式中:e2——滤液密度,取值1012kg/m2100
p(100 - M, - c)
M,-滤饼全水分(按GB211测定),%。5.3.2T./V-V,图的斜率M的计算
按式(4)和式(5)校正5.2.1.3条中记录的滤液体积(V.)及间隔的时间(t)V
T, = t; - t
式中i1,2,3,4,.…
-校正后的单位过滤面积上的过滤体积,m;T,校正后的过滤时间,。
T./VV图为一直线,用最小二乘法求直线的斜率M。Zv.>(r/V.)
5.3.3滤饼体积比阻的计算
比阻按式(7)计算:
(2)
(3)
(4)
(5)
(6)
式中:M—斜率,s/m\
r—滤饼体积比阻,m-2,
P—压力差即真空度,Pa;
MT260-91
μ——滤液动力粘度(在过滤试验温度相同下按GB265 测定),Pa· s。5.4精密度
两次平行测定结果的相对允许差不应超过0.6%,并取两次测定结果的算术平均值做为最终测定结果。
A1布氏漏斗过滤试验
A1.1试验来源
采样日期
测定日期
A1.2过滤试验条件
MT 260—91
附录A
选煤厂煤泥过滤性测定示例
(参考件)
试样名称
采样间隔时间
滤板面积60cm;真空度(4±0.1)×10*Pa;水温20℃,滤液动力粘度u=1.135×10-3Pa·s;每份试样体积800mL,煤浆浓度约300g/L。A1.3测定数据
测定数据见表 A1、表A2。
滤液体积
过滤时间(t)
校正后
过滤体积
注:「、II为平行测定两个试样(以下同)。过滤体积和过滤时间
校正后过滤时间
测定点
厚度,mm
试验结果计算
A2.7滤饼体积和滤液体积比值X的计算a.
滤液密度pz取1012kg/m2。
滤饼密度e,计算如下:
滤饼厚度
V?×105
MT 260—91
称量试样I重G11=336.1g;试样IⅡI重G1,n=334.8g。按式(1)求得
60×41.83X10-7=1 339 kg/m2
336. 1X10-3
334.8X10-3
60X41. 30X10-7=1 348 kg/m3
煤浆质量浓度c计算如下:
称重Gz=305.2gGs=1122.9g
按式(2)求得:
滤饼全水分M.(%)的测定
经测得M.t.1=31.90下载标准就来标准下载网
Mt.- 31. 86
将上述计算结果代入式(3)求得XX 100 = 27. 18
1 012 X 27. 18
1 339 × (100 31. 90 27. 18)0.5020
1 012× 27.18
1 348 × (100 31.86 - 27. 18)0.4982
A2.2斜率 M的计算
按式(6)求得:
0. 12 X 75 150 - 8 × 1 236. 890. 014 4-8 × 2. 266 7 × 10~3—234926
M. m 0.12 X74 763 = 8 X1 229. 91—232408
0.0144-8×2.2667×10-3
A2.3滤饼体积比阻r的计算
按式(7)求得:
2×4×10*×234926
1.135×10-3×0.5020
2×4×10*×.232408
1. 135 × 10-3 × 0. 498 2
A3精密度
相对允许差为:
32. 99 X 1012
32. 88 × 1012
32. 99 X 1012 + 32. 88 X 10182
= 32. 94 × 1012
32.99×1012—32.94X1012
×100% =0. 15%
32.94X101
32.88×102-32.94X10z
×100%=0. 18%
32.94X1012
附加说明:
本标准由煤炭科学研究总院提出。MT260-91
本标准由煤炭科学研究总院唐山分院归口和起草。本标准主要起草人万宝骅、邓筠、刘传炬。本标准委托煤炭科学研究总院唐山分院负责解释。545
1概述
选煤厂煤泥过滤性测定方法
(MT260-91)宣贯说明
(煤炭科学研究总院唐山分院刘传炬)煤泥过滤性即是煤泥过滤的难易程度。它是由煤泥自身的粒度组成。以及固、液相的物理化学性质所决定,不同的煤泥其过滤性不。例如,粒度细泥质物含量高、粘性大的煤泥过滤时,容易发生过滤介质的堵塞。滤饼致密、透气性差的现象,因而过滤效果就比较差。由此可见,了解煤泥过滤性是十分必要的,它不仅有利于选煤厂过滤脱水的日常生产管理,查找影响过滤效果的因素,改进过滤操作技术,而且对于科研、设计部门研制新型结构的过滤机以及在选煤厂过滤车间的设计中为设备选型和过滤面积的确定提供重要依据。
2制定本标准的依据
自本世纪70年代以来,国内外学者经过大量研究确定,以滤饼阻力作为过滤性系数表表征悬浮液过滤性的好坏,并在现代过滤操作技术中得到了验证。滤饼阻力通常是指滤饼体积比阻,或者滤饼质量比阻,前者称刘易斯比阻,后者称各斯比阻。滤饼体积比阻r是表征过滤性的一个参数,其数值相当于使悬浮液中粘度为1Pa·s的液相以1m/s的速度通过1m厚的滤饼层时所需压力差,其量纲为1 /m。滤饼质量比阻rm的概念与体积比阻概念的不同之处是使悬浮液以单位滤速通过单位质量的滤饼和单位面积的滤机时所需压力差。rm值越小,过滤越容易,。值越大则过滤越困难。鉴于滤饼体积比阻,前苏联及东欧国家近年来已经在煤泥悬浮液过滤的研究和生产实际中应用,本标准选择以滤饼体积比阻r,(1/m\)做为煤泥过滤性参数。滤饼体积比阻的计算式是由过滤方程式经卡尔曼等人的推导及验证而来。过滤方程的一般形式可写为:
dt=u(zro+R)
式中;——单位过滤面积的滤液量,m,t-—过滤时间,s,
力——过滤时的压力差,N/m\,μ—液相的动力粘度,Pa· s;
工———液饼体积和滤液体积之比 r,—滤饼体积比阻,1/m\;
R—过滤介质(滤布)的阻力,1/m。将武(1)积分变化后得:
式(3)中令 M=
t/V=urV+uR
或:t/V=MV+N
(2)
(4)
以V和t/V为坐标画图得一直线(式③)M为直线的斜率。z可由实验确定,也可由式(5)计算。pc
p2(100-M-C)
式中:or—滤液密度,kg/m;
P2—湿滤饼密度,kg/m~;
M滤饼水分,%;
C—煤浆浓度,%。
3对标准方法的验证
不同产地的煤泥,其比阻数值各不相同,如表1所示,表1
r,(10),1/m2
不同产地煤泥滤饼体积比阴
(5)
滤饼体积比阻的大小能否体现过滤性的好坏,国内外一些学者做过许多描述,并把它应用在操作及过滤设备研制上。本标准课题组也作了大量试验,其中最具代表性的试验为:试验1:取干煤样1按不同浓度配制成煤浆,按本标准测定方法测定其比阻,结果如图1。C
谋浆浓度·g / L
图1浓度与比阻的关系
试验2:取于煤样2用0.045mm的筛子进行筛分,然后按不同比例将士0.045mm的煤样进行掺合,并配制成相同浓度的煤浆,按本标准测定方法测定其体积比阻。结果如图2。试验3;取浓度为300g/L的煤样3,加人不同剂量的助滤剂进行比阻测定。结果如图3。结论:众所周知,增大煤泥级配。添加助滤剂,提高煤浆浓度均能够改善煤泥的过滤性。通过以上试验表明,采取同样手段也能降低滤饼比阻,所以我们认为:用滤饼体积比阻作为过滤性参数是科学的。641
小提示:此标准内容仅展示完整标准里的部分截取内容,若需要完整标准请到上方自行免费下载完整标准文档。
选煤厂煤泥过滤性测定方法
1主题内容与适用范围
本标准规定了以滤饼体积比阻作为煤泥过滤性的指标。本标准适用于选煤厂浮选精煤、浮选尾煤和原生煤泥过滤性的测定方法。2引用标准
GB211煤中全水分的测定方法
GB265石油产品运动粘度测定法和动力粘度计算法GB477煤炭筛分试验方法
MT190选煤厂煤泥沉降试验方法
3术语
MT 260-91
滤饼体积比阻r表征过滤性的-个参数,其数值相当于使悬浮体中粘度为1Pa·s的液相,以1m/s[1 m/(m2·s))的速度通过1 m厚的滤饼层所需的压力差。4试样的采取和缩制
4.1试样的采取
试样应在正常生产情况下采取。采样时按相等时间间隔采取子样,每份子样的容积为1~2L,采样的总时间应不少于4 h,并记录采样日期和时间。4.1.1浮选精煤煤浆试样的采取
在浮选精煤过滤机入料口处或其他具有代表性的地点采样,其数量不少于20L。4.1.2浮选尾煤试样的采取
尾煤试样按MT190的规定采取,经静置、沉淀使之浓缩,其浓度应与选煤厂浓缩设备的底流浓度相一致或接近,其数量不少于20L。4.1.3原生煤泥试样的采取
原生煤泥试样按GB477的规定采取,分别缩取自然级和破碎级中小于0.5mm粒度级,按其占原煤比例掺和,然后将试样干燥至空气干燥状态称重,其质量不少于10kg。测定时,配制成煤浆。4.2试样缩制
用湿式分样机缩分煤浆试样,按试验要求缩取所需份数,每份为800mL,将其分别注入量简内备用。
5滤饼体积比阻的测定
5.1设备和仪器见表1
中华人民共和国能源部1992-01-20批准536
1992-07-01实施
布氏漏斗
滤液计量管
吸滤瓶
真空泵
真空表
调节阀
橡胶管
硬质橡胶管
T型管
二通活塞
三通活塞
电子天平
分析天平
电热板
干燥器
凝式分样机
深度游标卡尺
电热干燥箱
测定步骤
过滤试验
5. 2. 1. 1
MT 260—91
设备和仪器明细表
单位数量
见图2
滤网孔径0.038mm,材质为尼龙
容积700mL
容积1500mL
极限真空度0.05P起
最小分度值2666Pa(20mmHg)
暖气片用放气阀
直径15mm
直径9mm
直径8mm
直径8mm
直径8mm
容积1000ml
最小分度值 0. 1 5
最大称量 2 kg.感量 10 mg
最大称量200g,感量0.1mg
直径300mm,底部效置变色硅胶
容积1000mL
容积1000mL
分样误差小于2%
最小分度值0. 02mm
调温范围 25~200℃
按图1装好过滤装置。布式漏斗的构造尺寸见图2~图2-5。关闭活塞5和8,接通真空泵,调整二通活塞11和调节阀9,使真空度达到(4士0.1)×10*Pa。3
接真空泵
图1过滤装置示意图
1架子;2—滤液计最管;3—橡皮塞,4—布氏漏斗(备用),5—二通活塞:6—架子;?真空表,8—三通活塞;9调节阀;10—吸滤瓶:11—二通活塞537
MT260-91
技术要求
1.漏斗壁将滤布压平压紧。
2.漏斗壁和滞斗座连接不漏气和不漏水。图2布氏漏斗
1--斗壁;2—滤板;3滤布;4—漏斗座,5~0型密封图16—0 型密封图;7-支管;8—套管凌花m 0.5
镶花m0.5
MT 260—91
M96 × 2. 5
图2-1漏斗壁
M96 × 2. 5
M15×2
- $22 -
漏斗座
图2-2
厚1.5*9.1
M15 × 2
图2-4套管
MT 260-91
图2-3滤板
图2-5支管
5.2.1.3将装有试样的量简上、下翻转5次后,一次注入布氏漏斗4,同时打开二通活塞5,并从滤液计量管读取并记录滤液等体积(V)间隔的时闻(t),直到滤饼表面可见水分消失时,立即打开三通活塞8,使之与大气相通。
5.2.2滤饼密度测定
用深度游标卡尺测量滤饼不同对称位置8个点的厚度,并称重。滤饼密度按式(1)计算:540
式中:i-
滤饼密度,kg/m;
一滤饼面积(即滤板面积),m2;A
MT260—91
H-8个测点滤饼厚度的平均值,m;G
滤饼质量,kg。
5.2.3煤浆试样质量浓度的测定
用湿式分样机缩取约500mL煤浆试样,称重后放入1000mL烧杯中,用电热板加热,待大部分水蒸干后,放入电热干燥箱(温度105~110℃)干燥1~1.5h,然后取出放入干燥器中冷却至室温,再称量干试样质量。试样质量浓度按式(2)计算:G
式中:C-试样质量浓度,%,
G,——干试样质量,kg;
G -煤浆试样质量,kg。
5.3结果计算
5.3.1滤饼体积和滤液体积比值(X)的计算比值(X)按式(3)计算:
式中:e2——滤液密度,取值1012kg/m2100
p(100 - M, - c)
M,-滤饼全水分(按GB211测定),%。5.3.2T./V-V,图的斜率M的计算
按式(4)和式(5)校正5.2.1.3条中记录的滤液体积(V.)及间隔的时间(t)V
T, = t; - t
式中i1,2,3,4,.…
-校正后的单位过滤面积上的过滤体积,m;T,校正后的过滤时间,。
T./VV图为一直线,用最小二乘法求直线的斜率M。Zv.>(r/V.)
5.3.3滤饼体积比阻的计算
比阻按式(7)计算:
(2)
(3)
(4)
(5)
(6)
式中:M—斜率,s/m\
r—滤饼体积比阻,m-2,
P—压力差即真空度,Pa;
MT260-91
μ——滤液动力粘度(在过滤试验温度相同下按GB265 测定),Pa· s。5.4精密度
两次平行测定结果的相对允许差不应超过0.6%,并取两次测定结果的算术平均值做为最终测定结果。
A1布氏漏斗过滤试验
A1.1试验来源
采样日期
测定日期
A1.2过滤试验条件
MT 260—91
附录A
选煤厂煤泥过滤性测定示例
(参考件)
试样名称
采样间隔时间
滤板面积60cm;真空度(4±0.1)×10*Pa;水温20℃,滤液动力粘度u=1.135×10-3Pa·s;每份试样体积800mL,煤浆浓度约300g/L。A1.3测定数据
测定数据见表 A1、表A2。
滤液体积
过滤时间(t)
校正后
过滤体积
注:「、II为平行测定两个试样(以下同)。过滤体积和过滤时间
校正后过滤时间
测定点
厚度,mm
试验结果计算
A2.7滤饼体积和滤液体积比值X的计算a.
滤液密度pz取1012kg/m2。
滤饼密度e,计算如下:
滤饼厚度
V?×105
MT 260—91
称量试样I重G11=336.1g;试样IⅡI重G1,n=334.8g。按式(1)求得
60×41.83X10-7=1 339 kg/m2
336. 1X10-3
334.8X10-3
60X41. 30X10-7=1 348 kg/m3
煤浆质量浓度c计算如下:
称重Gz=305.2gGs=1122.9g
按式(2)求得:
滤饼全水分M.(%)的测定
经测得M.t.1=31.90下载标准就来标准下载网
Mt.- 31. 86
将上述计算结果代入式(3)求得XX 100 = 27. 18
1 012 X 27. 18
1 339 × (100 31. 90 27. 18)0.5020
1 012× 27.18
1 348 × (100 31.86 - 27. 18)0.4982
A2.2斜率 M的计算
按式(6)求得:
0. 12 X 75 150 - 8 × 1 236. 890. 014 4-8 × 2. 266 7 × 10~3—234926
M. m 0.12 X74 763 = 8 X1 229. 91—232408
0.0144-8×2.2667×10-3
A2.3滤饼体积比阻r的计算
按式(7)求得:
2×4×10*×234926
1.135×10-3×0.5020
2×4×10*×.232408
1. 135 × 10-3 × 0. 498 2
A3精密度
相对允许差为:
32. 99 X 1012
32. 88 × 1012
32. 99 X 1012 + 32. 88 X 10182
= 32. 94 × 1012
32.99×1012—32.94X1012
×100% =0. 15%
32.94X101
32.88×102-32.94X10z
×100%=0. 18%
32.94X1012
附加说明:
本标准由煤炭科学研究总院提出。MT260-91
本标准由煤炭科学研究总院唐山分院归口和起草。本标准主要起草人万宝骅、邓筠、刘传炬。本标准委托煤炭科学研究总院唐山分院负责解释。545
1概述
选煤厂煤泥过滤性测定方法
(MT260-91)宣贯说明
(煤炭科学研究总院唐山分院刘传炬)煤泥过滤性即是煤泥过滤的难易程度。它是由煤泥自身的粒度组成。以及固、液相的物理化学性质所决定,不同的煤泥其过滤性不。例如,粒度细泥质物含量高、粘性大的煤泥过滤时,容易发生过滤介质的堵塞。滤饼致密、透气性差的现象,因而过滤效果就比较差。由此可见,了解煤泥过滤性是十分必要的,它不仅有利于选煤厂过滤脱水的日常生产管理,查找影响过滤效果的因素,改进过滤操作技术,而且对于科研、设计部门研制新型结构的过滤机以及在选煤厂过滤车间的设计中为设备选型和过滤面积的确定提供重要依据。
2制定本标准的依据
自本世纪70年代以来,国内外学者经过大量研究确定,以滤饼阻力作为过滤性系数表表征悬浮液过滤性的好坏,并在现代过滤操作技术中得到了验证。滤饼阻力通常是指滤饼体积比阻,或者滤饼质量比阻,前者称刘易斯比阻,后者称各斯比阻。滤饼体积比阻r是表征过滤性的一个参数,其数值相当于使悬浮液中粘度为1Pa·s的液相以1m/s的速度通过1m厚的滤饼层时所需压力差,其量纲为1 /m。滤饼质量比阻rm的概念与体积比阻概念的不同之处是使悬浮液以单位滤速通过单位质量的滤饼和单位面积的滤机时所需压力差。rm值越小,过滤越容易,。值越大则过滤越困难。鉴于滤饼体积比阻,前苏联及东欧国家近年来已经在煤泥悬浮液过滤的研究和生产实际中应用,本标准选择以滤饼体积比阻r,(1/m\)做为煤泥过滤性参数。滤饼体积比阻的计算式是由过滤方程式经卡尔曼等人的推导及验证而来。过滤方程的一般形式可写为:
dt=u(zro+R)
式中;——单位过滤面积的滤液量,m,t-—过滤时间,s,
力——过滤时的压力差,N/m\,μ—液相的动力粘度,Pa· s;
工———液饼体积和滤液体积之比 r,—滤饼体积比阻,1/m\;
R—过滤介质(滤布)的阻力,1/m。将武(1)积分变化后得:
式(3)中令 M=
t/V=urV+uR
或:t/V=MV+N
(2)
(4)
以V和t/V为坐标画图得一直线(式③)M为直线的斜率。z可由实验确定,也可由式(5)计算。pc
p2(100-M-C)
式中:or—滤液密度,kg/m;
P2—湿滤饼密度,kg/m~;
M滤饼水分,%;
C—煤浆浓度,%。
3对标准方法的验证
不同产地的煤泥,其比阻数值各不相同,如表1所示,表1
r,(10),1/m2
不同产地煤泥滤饼体积比阴
(5)
滤饼体积比阻的大小能否体现过滤性的好坏,国内外一些学者做过许多描述,并把它应用在操作及过滤设备研制上。本标准课题组也作了大量试验,其中最具代表性的试验为:试验1:取干煤样1按不同浓度配制成煤浆,按本标准测定方法测定其比阻,结果如图1。C
谋浆浓度·g / L
图1浓度与比阻的关系
试验2:取于煤样2用0.045mm的筛子进行筛分,然后按不同比例将士0.045mm的煤样进行掺合,并配制成相同浓度的煤浆,按本标准测定方法测定其体积比阻。结果如图2。试验3;取浓度为300g/L的煤样3,加人不同剂量的助滤剂进行比阻测定。结果如图3。结论:众所周知,增大煤泥级配。添加助滤剂,提高煤浆浓度均能够改善煤泥的过滤性。通过以上试验表明,采取同样手段也能降低滤饼比阻,所以我们认为:用滤饼体积比阻作为过滤性参数是科学的。641
小提示:此标准内容仅展示完整标准里的部分截取内容,若需要完整标准请到上方自行免费下载完整标准文档。
标准图片预览:





- 其它标准
- 热门标准
- 煤炭行业标准(MT)
- MZ/T149-2020 行政区域界桩数据交换格式
- MT/T765-1997 液压支架用自动喷雾控制阀通用技术条件
- MT157-1996 煤矿用隔爆水槽和隔爆水袋通用技术条件
- MT/T467-1996 煤矿用带式输送机设计计算
- MZ/T150-2020 行政区域界线数据交换格式
- MT754-2005 小型煤矿地面用抽出式轴流通风机技术条件
- MT717-1997 煤矿重要用途在用钢丝绳性能测定方法及判定规则
- MT/T311-1992 采煤机牵引液压系统滤油器型式和基本参数
- MT/T1105-2009 锚杆钻机用玻璃钢支腿
- MT/T659-1997 GXS细粒分级筛
- MT/T341.1-1994 冶金焦用大屯煤电公司煤技术条件
- MT/T107.5-1995 冶金焦用永荣矿务局煤技术条件
- MT/T510.2-1995 冶金焦用乌达矿务局煤技术条件
- MT/T1010-2006 矿井生产检查煤样采取方法
- MT/T187.10-1996 刮板输送机紧固件 E型螺栓
- 行业新闻
请牢记:“bzxz.net”即是“标准下载”四个汉字汉语拼音首字母与国际顶级域名“.net”的组合。 ©2025 标准下载网 www.bzxz.net 本站邮件:bzxznet@163.com
网站备案号:湘ICP备2025141790号-2
网站备案号:湘ICP备2025141790号-2