- 您的位置:
- 标准下载网 >>
- 标准分类 >>
- 电子行业标准(SJ) >>
- SJ 2672.5-1986 电子器件详细规范 3DA305型175MHz管壳额定的低电压双极型功率晶体管

【电子行业标准(SJ)】 电子器件详细规范 3DA305型175MHz管壳额定的低电压双极型功率晶体管
本网站 发布时间:
2024-07-13 17:24:09
- SJ2672.5-1986
- 现行
- 点击下载此标准
标准号:
SJ 2672.5-1986
标准名称:
电子器件详细规范 3DA305型175MHz管壳额定的低电压双极型功率晶体管
标准类别:
电子行业标准(SJ)
标准状态:
现行-
发布日期:
1986-02-17 -
实施日期:
1987-06-01 出版语种:
简体中文下载格式:
.rar.pdf下载大小:
536.54 KB

点击下载
标准简介:
标准下载解压密码:www.bzxz.net
SJ 2672.5-1986 电子器件详细规范 3DA305型175MHz管壳额定的低电压双极型功率晶体管 SJ2672.5-1986

部分标准内容:
中华人民共和国电子工业部部标准电子元器件详细规范
3DA305型
SJ2672.5-86
175MHZ管壳额定的低电压双极型功率晶体管中国电子技术标准化研究所
电子元器件质评定是根据
GB4936.1-85
《半导体分立器件总规范》
SJ2672.5-86
3DA305型75M日z管壳额定的低电压双极型功率晶体管。定货资料:见本规范71机械说明
电子工业部1986-02-17发布
简略说明
该管系NPN外延平面晶体管,在低压电台中作末前级和未级功率放大。材料:硅NN+外延片
封装:金属陶瓷封装
质量评定类别
参考数据
f-175MHz
Vce=12.5V
Pont>5W
Gp≥9dB
1986-06-01实施
SJ2672.5-86
4极限值(绝对最大额定值制,使用的极限条件,,不作检验用。
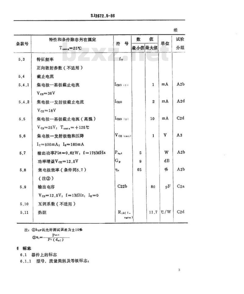
条款号
电特性:
条款号
工作管壳温度
贮存温度
最大集电极一基极连续(直流)电压最大集电极一发射极连续(直流)电压最大发射极一基极(直流)反向电压最大集电极(直流)电流
最大集电极(峰值)电流
最大基极电流(不适用)
耗散功率
最大集电极耗散功率T。。一25℃T....>25℃85mW/℃
最高有效结温
安全工作区(见10.1)
失谐持续时间(不适用)
检验要求(A组和C组),见本规范8。特性和条件除非另有规定
共发射极正向电流传输比(直流)的静态值(注①)
Vce=5V.I,=500mA
共发射极正向电流传输比(直流)的静态值(注①)
Vce=5V,Ic=1mA
Vce=-5V:Ic-100mA
hzieu)
h,IE(2)
hze(s)
最小值
最小值
最大值
最大值
条款号
SJ2672.5-86
特性和条件除非另有规定
T..-25℃
特征频率
正向散射参数(不适用)
截止电流
集电极一基极截止电流
VeB36V
集电极一发射极截止电流
Vee=-18V
集电极一基极截止电流(高温)Vcs-25V:T....+125c
集电极一发射极饱和压降
Ic=800mA:Ig=160mA
输出功率Pin=0.62W,f=175MHz
功率增益Vce=12.5V
集电极效率(条件同5.7)
(注②)
输出电容
Vc-12.5V,f=1MHz;Ig=0
互调系数(不适用)
注:①hEF的允许测试误差为士10%n.
6标志
6.1器件上的标志
6.1.1型号、质量类别及等级标志;符
IcBO(2)
VcE(sat)
最小值最大值
6,1.2制造厂厂名、代号或商标;检验批识别代码:
6.1.4认证合格标志(适用时)
6.2包装箱上的标志
重复器件上的标志:
SJ2672.5-86
按GB191-73《包装储运指示标志》标上“防湿”等标志:6.2.3
特殊供货时,标上“协议”编号。7定货资料
7.1型号:
7.2本详细规范号;
7.3其他技术协议号或工程代号(适用时)。8试验条件和检验要求
在本章中除非另有规定,引用的条款号对应于GB4936,1-85的条款号,测试方法引自GB4587-84的6.1.1款。
A组—逐批
全部试验都是非破坏性的(见GB4936.1-85的3.6.6)检验
A1分组
外观检验
A2a分组
A3分组
VcE(Lt)
hpE( 2)
不工作器
heeti)
IcEO()
A2b分组
IcBou)
-85的5.1.1
除非另有规定。T。=25℃
(见GB4936.1-85的4)
Vce-5V.Ic=500mA
VcB=36V
Vce=18V
Vc-36V,IE=0
Vce=18V,Ig-0
VcE=5V.Ic500mA
V.12.5V.f175MHz
Pin-0.62W
Vc-12.5V.f=175MHz
Pin=0.62W
I.=800mA.Ig=160mA
Vce=-5V, I,-1mA
最小值最大值
SJ2672.5-86
一逐批
只有标明(D)的试验是破坏性的(见GB4936.185的3.6.6)检验
B1分组
B3分组
引线弯曲
B4分组
可焊性
B5分组
温度快速
继之以
最后测试
IcBot)
GB4936.1-
85的5.2和
附录C
GB-85的
GB4937-85
GB4937-85
GB4937-85
GB4937-85
除非另有规定,T..=25℃
(见GB4936.1-8的4)
本试验采用方法1:
受试引出端数;4
本试验采用方法b:
受试引出端数:4
冷槽温度:-55℃
热槽温度:+125℃
循环次数:5次
严格度:2
细检漏采用方法1
粗检漏采用方法3
试验液体:氟油
干燥时间:3±1min
方法3的第2步温度,+125℃
Vcn-36V、Ig=0
Vce-5V.Ic500mA
极限值
最小值最大值
无损坏
润湿良好
18分组
电耐久性
最后测试
B9分组
高温贮存
最后测试
GRBL分
GB4938-85
GB4937-85
SJ2672.5-86
除非另有规定,T。—25℃
(见GB4936-85的4)
时间:168h
Vce-12.5V、Pc=8.5W
Tc=+75℃
VcB=36V、Ig=0
Vce5V.Ic-500mA
T..=+150℃
时间:168h
同B8分组
B3、B4、B5、B8、B9分组的属性资料一周期
C组一
极限值
最小值最大值
只有标明(D)的试验是破坏性的(见GB4936.1-86的3.6.6)检验
c1分组
-85的5.2和
附录C
除非另有规定,T。.。25℃
(见GB4936.1-85的4)
极限值
续上表
最小值最大值
C2a分组
C2b分组
IcBO(2)
C2d分组
C3分组
转矩(D)
C4分组
耐焊接热
最后测试
C6分组
IcBotn
GB4937-85
GB4937-85
GB4937-85
SJ2672.5-86
除非另有规定。T。a*。=25℃
(见GB4936.1-85的4)
Vc=12.5V.f-1MHz
Vcn=36V
T。*=+125℃
严格度:1
本试验采用方法1A
浸润时间:10士1s
恢复时间30min
(周期为6个月)
VcB=36V
VcE-5V.Ic-500mA
本试验采用程序B4
振动方向:X、Y、Z
安装方法,引线和本体
同时固定
频率范围:100~2000Hz
加速度,196m/s2(20g)
极限值
最小值最大值
续上表
继之以
恒定加速
最后测试
GB4937-85
IcBon)
C8分组
电耐久性
最后测试
IcBo()
C9分组
高温贮存
最后测试
CRRL分
GB4938-85
GB4937-85
SJ2672.5-86
除非另有规定,T....=25℃
(见GB4936.1-85的4)
时间:3个方向、各进行4次www.bzxz.net
循环、每次8.5min
严格度:196000m/s,
续上表
检验要求
极限值
最小值最大值
(20000g)
加速度轴和方向:X、Y方
向、Y方向为管脚向内
同C4分组
过间:1000h
Vce-12.5V、Pc=8.5W
Tc=+75℃
同B8分组
T.=+150℃
时间:1000h
同B8分组
C3、C6和C9分组的属性资料、C8分组前后的测试数据单
鉴定批准试验
9D组—
D组试验每2年至少进行一次,项目为电耐久性试验,试验时间至少为3000h。可以用任一批C8分组的样管,将时间由1000h延长到3000h本试验不作为验收依据。8
10附加资料(非检验用)
10.1特性曲线:
SJ2672.5-86
制造厂至少应给出下列特性曲线(曲型值)Pout~V.曲线:
Pontpin曲线:
C22b~VcB曲线;
f.~Vce曲线。
10.2输出功率P。的测试电路和要求45
图中:
130×6
C1电容量为3~33p号
C2电容量为5~47pF
C3电容量为5~47pF;
C4电容量为5~47pF:
C5电容量为0.01uF
C6电容量为3300pF
C7电容量为100pF;
C8电容量为100pF:
L1、12电感量材料为漆包线、线径为1mm、外径为6mm、质数为8;L3电感量材料为漆包线、线径为0.6mm、外径为4mm、匝数为1.5;San
LA、LB、Lc微带介质板衬底材料为聚四氟乙烯、相对介电常数81=2.55、厚度为1.5mm;
La长度为156mm;宽度为6mm;
L长度为78mm;宽度为6mm;
Lc长度为18mm;宽度为6mm,
附加说明:
本标准由电子工业部标准化研究所提出。本标准由北京电子管厂负责起草。9
小提示:此标准内容仅展示完整标准里的部分截取内容,若需要完整标准请到上方自行免费下载完整标准文档。
3DA305型
SJ2672.5-86
175MHZ管壳额定的低电压双极型功率晶体管中国电子技术标准化研究所
电子元器件质评定是根据
GB4936.1-85
《半导体分立器件总规范》
SJ2672.5-86
3DA305型75M日z管壳额定的低电压双极型功率晶体管。定货资料:见本规范71机械说明
电子工业部1986-02-17发布
简略说明
该管系NPN外延平面晶体管,在低压电台中作末前级和未级功率放大。材料:硅NN+外延片
封装:金属陶瓷封装
质量评定类别
参考数据
f-175MHz
Vce=12.5V
Pont>5W
Gp≥9dB
1986-06-01实施
SJ2672.5-86
4极限值(绝对最大额定值制,使用的极限条件,,不作检验用。
条款号
电特性:
条款号
工作管壳温度
贮存温度
最大集电极一基极连续(直流)电压最大集电极一发射极连续(直流)电压最大发射极一基极(直流)反向电压最大集电极(直流)电流
最大集电极(峰值)电流
最大基极电流(不适用)
耗散功率
最大集电极耗散功率T。。一25℃T....>25℃85mW/℃
最高有效结温
安全工作区(见10.1)
失谐持续时间(不适用)
检验要求(A组和C组),见本规范8。特性和条件除非另有规定
共发射极正向电流传输比(直流)的静态值(注①)
Vce=5V.I,=500mA
共发射极正向电流传输比(直流)的静态值(注①)
Vce=5V,Ic=1mA
Vce=-5V:Ic-100mA
hzieu)
h,IE(2)
hze(s)
最小值
最小值
最大值
最大值
条款号
SJ2672.5-86
特性和条件除非另有规定
T..-25℃
特征频率
正向散射参数(不适用)
截止电流
集电极一基极截止电流
VeB36V
集电极一发射极截止电流
Vee=-18V
集电极一基极截止电流(高温)Vcs-25V:T....+125c
集电极一发射极饱和压降
Ic=800mA:Ig=160mA
输出功率Pin=0.62W,f=175MHz
功率增益Vce=12.5V
集电极效率(条件同5.7)
(注②)
输出电容
Vc-12.5V,f=1MHz;Ig=0
互调系数(不适用)
注:①hEF的允许测试误差为士10%n.
6标志
6.1器件上的标志
6.1.1型号、质量类别及等级标志;符
IcBO(2)
VcE(sat)
最小值最大值
6,1.2制造厂厂名、代号或商标;检验批识别代码:
6.1.4认证合格标志(适用时)
6.2包装箱上的标志
重复器件上的标志:
SJ2672.5-86
按GB191-73《包装储运指示标志》标上“防湿”等标志:6.2.3
特殊供货时,标上“协议”编号。7定货资料
7.1型号:
7.2本详细规范号;
7.3其他技术协议号或工程代号(适用时)。8试验条件和检验要求
在本章中除非另有规定,引用的条款号对应于GB4936,1-85的条款号,测试方法引自GB4587-84的6.1.1款。
A组—逐批
全部试验都是非破坏性的(见GB4936.1-85的3.6.6)检验
A1分组
外观检验
A2a分组
A3分组
VcE(Lt)
hpE( 2)
不工作器
heeti)
IcEO()
A2b分组
IcBou)
-85的5.1.1
除非另有规定。T。=25℃
(见GB4936.1-85的4)
Vce-5V.Ic=500mA
VcB=36V
Vce=18V
Vc-36V,IE=0
Vce=18V,Ig-0
VcE=5V.Ic500mA
V.12.5V.f175MHz
Pin-0.62W
Vc-12.5V.f=175MHz
Pin=0.62W
I.=800mA.Ig=160mA
Vce=-5V, I,-1mA
最小值最大值
SJ2672.5-86
一逐批
只有标明(D)的试验是破坏性的(见GB4936.185的3.6.6)检验
B1分组
B3分组
引线弯曲
B4分组
可焊性
B5分组
温度快速
继之以
最后测试
IcBot)
GB4936.1-
85的5.2和
附录C
GB-85的
GB4937-85
GB4937-85
GB4937-85
GB4937-85
除非另有规定,T..=25℃
(见GB4936.1-8的4)
本试验采用方法1:
受试引出端数;4
本试验采用方法b:
受试引出端数:4
冷槽温度:-55℃
热槽温度:+125℃
循环次数:5次
严格度:2
细检漏采用方法1
粗检漏采用方法3
试验液体:氟油
干燥时间:3±1min
方法3的第2步温度,+125℃
Vcn-36V、Ig=0
Vce-5V.Ic500mA
极限值
最小值最大值
无损坏
润湿良好
18分组
电耐久性
最后测试
B9分组
高温贮存
最后测试
GRBL分
GB4938-85
GB4937-85
SJ2672.5-86
除非另有规定,T。—25℃
(见GB4936-85的4)
时间:168h
Vce-12.5V、Pc=8.5W
Tc=+75℃
VcB=36V、Ig=0
Vce5V.Ic-500mA
T..=+150℃
时间:168h
同B8分组
B3、B4、B5、B8、B9分组的属性资料一周期
C组一
极限值
最小值最大值
只有标明(D)的试验是破坏性的(见GB4936.1-86的3.6.6)检验
c1分组
-85的5.2和
附录C
除非另有规定,T。.。25℃
(见GB4936.1-85的4)
极限值
续上表
最小值最大值
C2a分组
C2b分组
IcBO(2)
C2d分组
C3分组
转矩(D)
C4分组
耐焊接热
最后测试
C6分组
IcBotn
GB4937-85
GB4937-85
GB4937-85
SJ2672.5-86
除非另有规定。T。a*。=25℃
(见GB4936.1-85的4)
Vc=12.5V.f-1MHz
Vcn=36V
T。*=+125℃
严格度:1
本试验采用方法1A
浸润时间:10士1s
恢复时间30min
(周期为6个月)
VcB=36V
VcE-5V.Ic-500mA
本试验采用程序B4
振动方向:X、Y、Z
安装方法,引线和本体
同时固定
频率范围:100~2000Hz
加速度,196m/s2(20g)
极限值
最小值最大值
续上表
继之以
恒定加速
最后测试
GB4937-85
IcBon)
C8分组
电耐久性
最后测试
IcBo()
C9分组
高温贮存
最后测试
CRRL分
GB4938-85
GB4937-85
SJ2672.5-86
除非另有规定,T....=25℃
(见GB4936.1-85的4)
时间:3个方向、各进行4次www.bzxz.net
循环、每次8.5min
严格度:196000m/s,
续上表
检验要求
极限值
最小值最大值
(20000g)
加速度轴和方向:X、Y方
向、Y方向为管脚向内
同C4分组
过间:1000h
Vce-12.5V、Pc=8.5W
Tc=+75℃
同B8分组
T.=+150℃
时间:1000h
同B8分组
C3、C6和C9分组的属性资料、C8分组前后的测试数据单
鉴定批准试验
9D组—
D组试验每2年至少进行一次,项目为电耐久性试验,试验时间至少为3000h。可以用任一批C8分组的样管,将时间由1000h延长到3000h本试验不作为验收依据。8
10附加资料(非检验用)
10.1特性曲线:
SJ2672.5-86
制造厂至少应给出下列特性曲线(曲型值)Pout~V.曲线:
Pontpin曲线:
C22b~VcB曲线;
f.~Vce曲线。
10.2输出功率P。的测试电路和要求45
图中:
130×6
C1电容量为3~33p号
C2电容量为5~47pF
C3电容量为5~47pF;
C4电容量为5~47pF:
C5电容量为0.01uF
C6电容量为3300pF
C7电容量为100pF;
C8电容量为100pF:
L1、12电感量材料为漆包线、线径为1mm、外径为6mm、质数为8;L3电感量材料为漆包线、线径为0.6mm、外径为4mm、匝数为1.5;San
LA、LB、Lc微带介质板衬底材料为聚四氟乙烯、相对介电常数81=2.55、厚度为1.5mm;
La长度为156mm;宽度为6mm;
L长度为78mm;宽度为6mm;
Lc长度为18mm;宽度为6mm,
附加说明:
本标准由电子工业部标准化研究所提出。本标准由北京电子管厂负责起草。9
小提示:此标准内容仅展示完整标准里的部分截取内容,若需要完整标准请到上方自行免费下载完整标准文档。

标准图片预览:





- 热门标准
- 电子行业标准(SJ)
- SJ50065.6-1998 JMW-270M型有可靠性指标的微型密封磁保持继电器详细规范
- SJ/T31264-1994 WSG-4951型流延机完好要求和检查评定方法
- SJ/T31280-1994 隧道式电容器清洗机完好要求和检查评定方法
- SJ/T10980-1996 电子器件详细规范 2CC23、2CC28型硅调谐变容二极管(可供认证用)
- SJ993-75 双动冲床引伸模 固定板定位板
- SJ1011-1975 手柄翻开式钻模 压板
- SJ/T10978-1996 电子器件详细规范 2CC21、2CC26型硅调谐变容二极管(可供认证用)
- SJ796-74 3DG160型NPN硅平面高频小功率高反压三极管
- SJ3039.1-1988 组合冲模 90°特形弯曲刃口合件
- SJ20740-1999 战场侦察雷达性能试验方法
- SJ/T31226-1994 液压剪刀机完好要求和检查评定方法
- SJ/T10519.13-1994 塑料注射模零件 矩形顶杆
- SJ797-74 3DG161型NPN硅平面高频小功率高反压三极管
- SJ991-75 双动冲床引伸模 底座
- SJ1486-79 3CG180型PNP硅外延平面高频小功率高反压三极管
- 行业新闻
请牢记:“bzxz.net”即是“标准下载”四个汉字汉语拼音首字母与国际顶级域名“.net”的组合。 ©2009 标准下载网 www.bzxz.net 本站邮件:bzxznet@163.com
网站备案号:湘ICP备2023016450号-1
网站备案号:湘ICP备2023016450号-1