- 您的位置:
- 标准下载网 >>
- 标准分类 >>
- 电子行业标准(SJ) >>
- SJ 2672.4-1986 电子器件详细规范 3DA304型175MHz管壳额定的低电压双极型功率晶体管

【电子行业标准(SJ)】 电子器件详细规范 3DA304型175MHz管壳额定的低电压双极型功率晶体管
本网站 发布时间:
2024-07-13 17:25:06
- SJ2672.4-1986
- 现行
- 点击下载此标准
标准号:
SJ 2672.4-1986
标准名称:
电子器件详细规范 3DA304型175MHz管壳额定的低电压双极型功率晶体管
标准类别:
电子行业标准(SJ)
标准状态:
现行-
发布日期:
1986-02-17 -
实施日期:
1987-06-01 出版语种:
简体中文下载格式:
.rar.pdf下载大小:
542.71 KB

点击下载
标准简介:
标准下载解压密码:www.bzxz.net
SJ 2672.4-1986 电子器件详细规范 3DA304型175MHz管壳额定的低电压双极型功率晶体管 SJ2672.4-1986

部分标准内容:
中华人民共和国电子工业部部标准电子元器件详细规范
3DA304型
SJ2672.4-86
175MHz管壳额定的低电压双极型功率晶体管中国电子技术标准化研究所
电子元器件质量评定是根据:
GB4936.1-85
《半导体分立器件总规范》
SJ2672.4-86
3DA304型175MHz管壳额定的低电压双极型功率晶体管。定货资料:见本规范71机械说明:
中5mer
电子工业部1986-02-17发布
简略说明
该管系NPN外延平面晶体管,在低压电台中作末前级和末级功率放大。材料:硅NN+外延片
封装:塑料封装
质量评定类别
参考数据
fo-175MHz
VcE-12.5V
Pout≥6W
G,≥6dB
1987-06-01实施
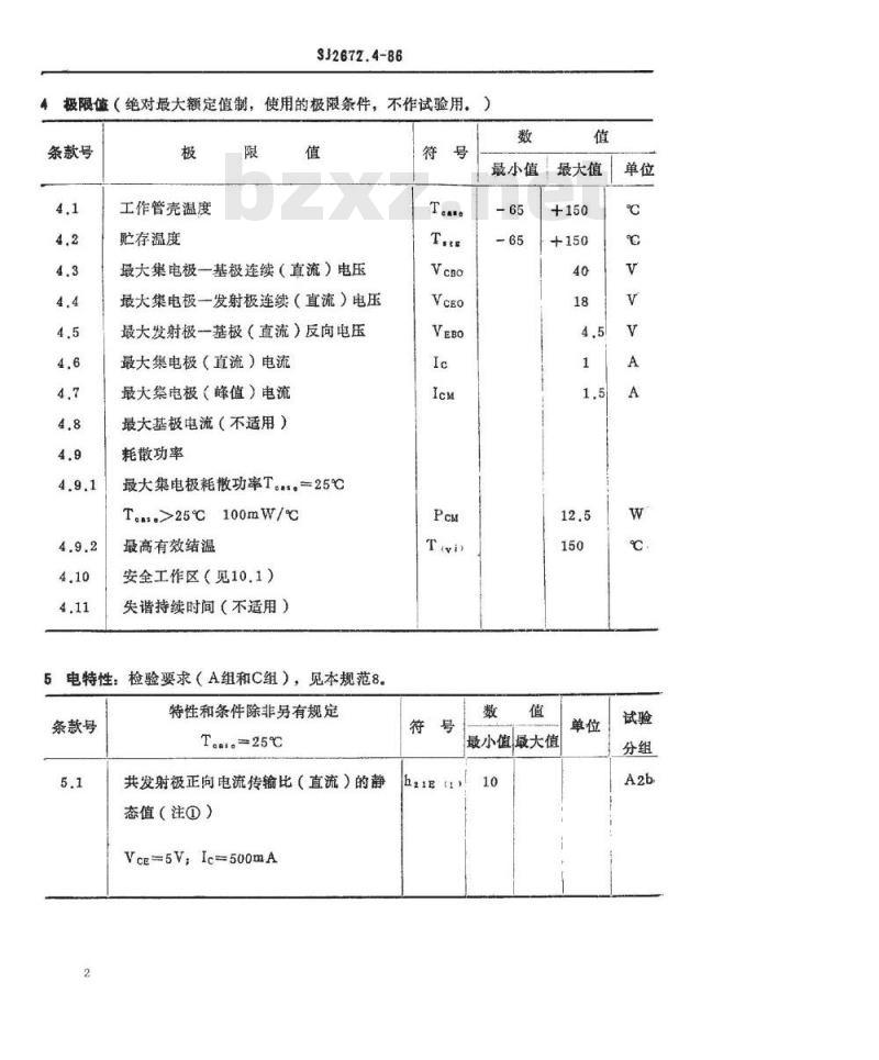
极限值(绝对最大额定值制,
条款号
工作管壳温度
贮存温度
SJ2672.4-86
使用的极限条件,不作试验用。)值
最大集电极一基极连续(直流)电压最大集电极一发射极连续(直流)电压最大发射极一基极(直流)反向电压最大集电极(直流)电流
最大集电极(峰值)电流
最大基极电流(不适用)
耗散功率
最大集电极耗散功率T。。25
T.s.>25℃100mW/℃
最高有效结温
安全工作区(见10.1)
失谐持续时间(不适用)
5电特性:检验要求(A组和C组),见本规范8条款号
特性和条件除非另有规定
Tens.=25℃
共发射极正向电流传输比(直流)的静态值(注①)
Vce=5V.Ic-500mA
最小值
最大值
最小值最大值
条款号
SJ2672.4-86
特性和条件除非另有规定
T....25℃
共发射极正向电流传输比(直流)的静态值(注①)
VcE-5V.I,-1A
Vc=5V:Ic=100mA
特征频率
正向散射参数(不适用)
截止电流
集电极一基极截止电流
VcB=40V
集电极一发射极截止电流
Vee-18V
集电极一基极截止电流(高温)Vc--25V,T.a..+125℃
集电极一发射极饱和压降
Ic=800mAIg=160mA
输出功率Pin=1.5W:f=175MHz
功率增益VcE=12.5V
集电极效率(条件同5.7)(注②)输出电容
Vc=12.5V,f=1MH.Ie=0
互调系数(不适用)
注:①hp的充许测试误差为士10%②n
hie(s)
最小值最大值
haiE(3)
IcBo()
Icgo(2)
VcE(at)
i℃/w
6标志
6.1器件上的标志
SJ2672.4-86
6.1.1型号、质量类别及等级标志:6.1.2
制造厂厂名、代号或商标:
检验批识别代码:
认证合格标志(适用时),
6.2包装箱上的标志
重复器件上的标志
按GB191—73《包装储运指示标志》标上“防湿”等标志;特殊供货时,标上“协议”编号。6.2.3
7定货资料
7.1型号:
7.2本详细规范号;
7.3,其他技术协议号或工程代号(适用时)。8试验条件和检验要求
在本章中除非另有规定,引用的条款号对应于GB4936.1-85的条款号,测试方法引自GB4587-84的6.1.1款。
A组——逐批
全部试验都是非破坏性的(见GB4936.1-85的3.6.6)检验
A1分组
外观检验
A2a分组
不工作器E
A2b分组
-85的5.1.1
T—006
T—009
T—001
除非另有规定,T。a.。—25℃Www.bzxZ.net
(见GB4936.1—85的4)
VcE-5VIc=500mA
Vca=40V
VcE=18V
Vca=40VIE=0
VcE18V、Ig=0
VcE-5V、I。=500mA
最小值最大值
A2b分组
A3分组
VcEteat
hFE(2)
T—003
SJ2672.4-86
除非另有规定,Tc.=25℃
(见GB4936.1-85的4)
V.=12.5V、f-175MHz
Vc=12.5Vf-175MHz
I.=800mA,Ig=160mA
VcE-5V,Ic-1A
一逐批
最小值最大值
只有标明(D)的试验是破坏性的(见GB4936.1-85的3.6.6)检验
B1分组
B3分组
引线弯曲
B4分组
可焊性
GB4936.1-
85的5.2和
附录C
GB4937-85
GB4937-85
除非另有规定,T。..=25℃
(见GB4936.1-85的4)
本试验采用方法1;
受试引出端数:4
本试验采用方法b;
受试引出端数:4
极限值
最小值最大值
无损坏
润湿良好
续上表
B5分组
温度快速
继之以
交变湿热
最后测试
B8分组
电耐久性
最后测试
B9分组
高温贴存
最后测试
CRRL分
GB4937-85
IEC68-2-
GB4938-85
GB4937-85
SJ2672.4-86
除非另有规定,T。..。—25℃
(见GB4936.1-85的4)
冷槽温度:~55℃
热槽温度:+125℃
循环次数:5次
严格度:2
试验Db,方式2
严酷度55℃
循环次数2次
Vcn=40V、Ie-0
Vc==5V,Ic=500mA
时间:168h
VcE=12.5V、Pc=7.5W
Tc=+75℃
Vcg=40V、Iz=0
Vce=5V.Ic=500mA
T.+*-150℃
时间:168h
同B8分组
B3、B4、B5、B8、B9分组的属性资料检验
极限值
最小值最大值
续上表
C1分组
SJ2672.4-86
C组一
一周期
只有标明(D)的试验是破坏性的(见GB4936.1-85的3.6.6)引用
GB4936-85
的5.2和
附录C
C2a分组
C2b分组
C2d分组
C3分组
转矩(D)
C4分组
耐焊接热
最后测试
T—007
G—003
GB4937-85
GB4937-85
除非另有规定,Tea=25℃
(见GB4936.1-85的4)
Vc=12.5V、f=1MHz
Taase=+125℃
严格度:1
本试验采用方法1A
浸润时间:10±1s
恢复时间:30min
(周期要6个月)
Vca=40V
Vce=-5V.Ic-500mA
极限值
最小值最大值
C6分组
继之以恒
定加速度
最后测试
IcBo ()
C8分组
电耐久性
最后测试
C9分组
高温贮存
最后测试
CRRL分
GB4937-85
GB4937-85
GB4938-85
GB4937-85
SJ2672.4-86
除非另有规定,T。。s.=25℃
(见GB4936.1-85的4)
本试验采用程序B4
振动方向:X、Y、
安装方法:引线和本体
同时固定
频率范围:100~2000Hz
加速度:196m/s2(20g)
时间:3个方向、各进行4次循
环、每次8.5min
严格度:196000m/s2
(20000g)
加速度轴和方向:X、Y
方向、Y方向为管脚向内
同C4分组
时间:1000h
VcE=-12.5V、Pc=7.5W
Tc=+75℃
同B8分组
T...=+150℃、
时间:1000h
同B8分组
续上表
极限值
最小值最大值
C3、C6、C9分组的属性资料、C8分组前后的测试数据单
9D组一一鉴定批准试验
SJ2672.4-86
D组试验每2年至少进行一次,项目为电耐久性试验,试验时间至少为3000h。可以用任一批C8分组的样管,将时间由1000h延长到3000h。本试验不作为验收依据。10附加资料(非检验用)
10.1特性曲线:
制造厂至少应给出下列特性曲线(典型值)P。ut~V.曲线:
Pout~P曲线;
C226~VcB曲线:
~Vce曲线。
10.2输出功率P的测试电路和要求C6
图中:
150×6
C1电容量为3~33p,
C2电容量为5~47pF:
C3电容量为5~47pF
C4电容量为5~47pF
C5电容量为0.01μF;
C6电容量为3300pF;
C7电容量为100pF;
C8电容量为100μF,
L1.L2电感量材料为漆包线、线径为1mm、外径为6mm、匝数为8;L2电感量材料为漆包线、线径为0.6mm、外径为4mm、函数为1.5;3a2
LA、LB、Lc微带介质板衬底材料为聚四氟乙烯、相对介电常数8,=2.55、厚度为1.5mm
La长度为150mm;宽度为6mm;
Ls长度为78mm;
Lc长度为18mm;
附加说明:
SJ2672.4-86
宽度为6mm:
宽度为6mm:
本标准由电子工业部标准化研究所提出。本标准由北京电子管厂负责起草。10
小提示:此标准内容仅展示完整标准里的部分截取内容,若需要完整标准请到上方自行免费下载完整标准文档。
3DA304型
SJ2672.4-86
175MHz管壳额定的低电压双极型功率晶体管中国电子技术标准化研究所
电子元器件质量评定是根据:
GB4936.1-85
《半导体分立器件总规范》
SJ2672.4-86
3DA304型175MHz管壳额定的低电压双极型功率晶体管。定货资料:见本规范71机械说明:
中5mer
电子工业部1986-02-17发布
简略说明
该管系NPN外延平面晶体管,在低压电台中作末前级和末级功率放大。材料:硅NN+外延片
封装:塑料封装
质量评定类别
参考数据
fo-175MHz
VcE-12.5V
Pout≥6W
G,≥6dB
1987-06-01实施
极限值(绝对最大额定值制,
条款号
工作管壳温度
贮存温度
SJ2672.4-86
使用的极限条件,不作试验用。)值
最大集电极一基极连续(直流)电压最大集电极一发射极连续(直流)电压最大发射极一基极(直流)反向电压最大集电极(直流)电流
最大集电极(峰值)电流
最大基极电流(不适用)
耗散功率
最大集电极耗散功率T。。25
T.s.>25℃100mW/℃
最高有效结温
安全工作区(见10.1)
失谐持续时间(不适用)
5电特性:检验要求(A组和C组),见本规范8条款号
特性和条件除非另有规定
Tens.=25℃
共发射极正向电流传输比(直流)的静态值(注①)
Vce=5V.Ic-500mA
最小值
最大值
最小值最大值
条款号
SJ2672.4-86
特性和条件除非另有规定
T....25℃
共发射极正向电流传输比(直流)的静态值(注①)
VcE-5V.I,-1A
Vc=5V:Ic=100mA
特征频率
正向散射参数(不适用)
截止电流
集电极一基极截止电流
VcB=40V
集电极一发射极截止电流
Vee-18V
集电极一基极截止电流(高温)Vc--25V,T.a..+125℃
集电极一发射极饱和压降
Ic=800mAIg=160mA
输出功率Pin=1.5W:f=175MHz
功率增益VcE=12.5V
集电极效率(条件同5.7)(注②)输出电容
Vc=12.5V,f=1MH.Ie=0
互调系数(不适用)
注:①hp的充许测试误差为士10%②n
hie(s)
最小值最大值
haiE(3)
IcBo()
Icgo(2)
VcE(at)
i℃/w
6标志
6.1器件上的标志
SJ2672.4-86
6.1.1型号、质量类别及等级标志:6.1.2
制造厂厂名、代号或商标:
检验批识别代码:
认证合格标志(适用时),
6.2包装箱上的标志
重复器件上的标志
按GB191—73《包装储运指示标志》标上“防湿”等标志;特殊供货时,标上“协议”编号。6.2.3
7定货资料
7.1型号:
7.2本详细规范号;
7.3,其他技术协议号或工程代号(适用时)。8试验条件和检验要求
在本章中除非另有规定,引用的条款号对应于GB4936.1-85的条款号,测试方法引自GB4587-84的6.1.1款。
A组——逐批
全部试验都是非破坏性的(见GB4936.1-85的3.6.6)检验
A1分组
外观检验
A2a分组
不工作器E
A2b分组
-85的5.1.1
T—006
T—009
T—001
除非另有规定,T。a.。—25℃Www.bzxZ.net
(见GB4936.1—85的4)
VcE-5VIc=500mA
Vca=40V
VcE=18V
Vca=40VIE=0
VcE18V、Ig=0
VcE-5V、I。=500mA
最小值最大值
A2b分组
A3分组
VcEteat
hFE(2)
T—003
SJ2672.4-86
除非另有规定,Tc.=25℃
(见GB4936.1-85的4)
V.=12.5V、f-175MHz
Vc=12.5Vf-175MHz
I.=800mA,Ig=160mA
VcE-5V,Ic-1A
一逐批
最小值最大值
只有标明(D)的试验是破坏性的(见GB4936.1-85的3.6.6)检验
B1分组
B3分组
引线弯曲
B4分组
可焊性
GB4936.1-
85的5.2和
附录C
GB4937-85
GB4937-85
除非另有规定,T。..=25℃
(见GB4936.1-85的4)
本试验采用方法1;
受试引出端数:4
本试验采用方法b;
受试引出端数:4
极限值
最小值最大值
无损坏
润湿良好
续上表
B5分组
温度快速
继之以
交变湿热
最后测试
B8分组
电耐久性
最后测试
B9分组
高温贴存
最后测试
CRRL分
GB4937-85
IEC68-2-
GB4938-85
GB4937-85
SJ2672.4-86
除非另有规定,T。..。—25℃
(见GB4936.1-85的4)
冷槽温度:~55℃
热槽温度:+125℃
循环次数:5次
严格度:2
试验Db,方式2
严酷度55℃
循环次数2次
Vcn=40V、Ie-0
Vc==5V,Ic=500mA
时间:168h
VcE=12.5V、Pc=7.5W
Tc=+75℃
Vcg=40V、Iz=0
Vce=5V.Ic=500mA
T.+*-150℃
时间:168h
同B8分组
B3、B4、B5、B8、B9分组的属性资料检验
极限值
最小值最大值
续上表
C1分组
SJ2672.4-86
C组一
一周期
只有标明(D)的试验是破坏性的(见GB4936.1-85的3.6.6)引用
GB4936-85
的5.2和
附录C
C2a分组
C2b分组
C2d分组
C3分组
转矩(D)
C4分组
耐焊接热
最后测试
T—007
G—003
GB4937-85
GB4937-85
除非另有规定,Tea=25℃
(见GB4936.1-85的4)
Vc=12.5V、f=1MHz
Taase=+125℃
严格度:1
本试验采用方法1A
浸润时间:10±1s
恢复时间:30min
(周期要6个月)
Vca=40V
Vce=-5V.Ic-500mA
极限值
最小值最大值
C6分组
继之以恒
定加速度
最后测试
IcBo ()
C8分组
电耐久性
最后测试
C9分组
高温贮存
最后测试
CRRL分
GB4937-85
GB4937-85
GB4938-85
GB4937-85
SJ2672.4-86
除非另有规定,T。。s.=25℃
(见GB4936.1-85的4)
本试验采用程序B4
振动方向:X、Y、
安装方法:引线和本体
同时固定
频率范围:100~2000Hz
加速度:196m/s2(20g)
时间:3个方向、各进行4次循
环、每次8.5min
严格度:196000m/s2
(20000g)
加速度轴和方向:X、Y
方向、Y方向为管脚向内
同C4分组
时间:1000h
VcE=-12.5V、Pc=7.5W
Tc=+75℃
同B8分组
T...=+150℃、
时间:1000h
同B8分组
续上表
极限值
最小值最大值
C3、C6、C9分组的属性资料、C8分组前后的测试数据单
9D组一一鉴定批准试验
SJ2672.4-86
D组试验每2年至少进行一次,项目为电耐久性试验,试验时间至少为3000h。可以用任一批C8分组的样管,将时间由1000h延长到3000h。本试验不作为验收依据。10附加资料(非检验用)
10.1特性曲线:
制造厂至少应给出下列特性曲线(典型值)P。ut~V.曲线:
Pout~P曲线;
C226~VcB曲线:
~Vce曲线。
10.2输出功率P的测试电路和要求C6
图中:
150×6
C1电容量为3~33p,
C2电容量为5~47pF:
C3电容量为5~47pF
C4电容量为5~47pF
C5电容量为0.01μF;
C6电容量为3300pF;
C7电容量为100pF;
C8电容量为100μF,
L1.L2电感量材料为漆包线、线径为1mm、外径为6mm、匝数为8;L2电感量材料为漆包线、线径为0.6mm、外径为4mm、函数为1.5;3a2
LA、LB、Lc微带介质板衬底材料为聚四氟乙烯、相对介电常数8,=2.55、厚度为1.5mm
La长度为150mm;宽度为6mm;
Ls长度为78mm;
Lc长度为18mm;
附加说明:
SJ2672.4-86
宽度为6mm:
宽度为6mm:
本标准由电子工业部标准化研究所提出。本标准由北京电子管厂负责起草。10
小提示:此标准内容仅展示完整标准里的部分截取内容,若需要完整标准请到上方自行免费下载完整标准文档。

标准图片预览:





- 热门标准
- 电子行业标准(SJ)
- SJ/T31421-1994 双推板式电热隧道窑完好要求和检查评定方法
- SJ/T10407-1993 摄像管外形图的绘制
- SJ/T11349-2006 二维条码 网格矩阵码
- SJ50065.6-1998 JMW-270M型有可靠性指标的微型密封磁保持继电器详细规范
- SJ993-75 双动冲床引伸模 固定板定位板
- SJ1011-1975 手柄翻开式钻模 压板
- SJ/T10304-1992 68XW1215型录像机用主导轴电动机
- SJ796-74 3DG160型NPN硅平面高频小功率高反压三极管
- SJ3039.1-1988 组合冲模 90°特形弯曲刃口合件
- SJ20740-1999 战场侦察雷达性能试验方法
- SJ/T31226-1994 液压剪刀机完好要求和检查评定方法
- SJ/T10519.13-1994 塑料注射模零件 矩形顶杆
- SJ797-74 3DG161型NPN硅平面高频小功率高反压三极管
- SJ991-75 双动冲床引伸模 底座
- SJ1486-79 3CG180型PNP硅外延平面高频小功率高反压三极管
- 行业新闻
请牢记:“bzxz.net”即是“标准下载”四个汉字汉语拼音首字母与国际顶级域名“.net”的组合。 ©2009 标准下载网 www.bzxz.net 本站邮件:bzxznet@163.com
网站备案号:湘ICP备2023016450号-1
网站备案号:湘ICP备2023016450号-1