- 您的位置:
- 标准下载网 >>
- 标准分类 >>
- 国家标准(GB) >>
- GB/T 11545-1996 汽车V带疲劳试验方法
标准号:
GB/T 11545-1996
标准名称:
汽车V带疲劳试验方法
标准类别:
国家标准(GB)
标准状态:
已作废-
发布日期:
1996-10-28 -
实施日期:
1997-06-01 -
作废日期:
2009-02-01 出版语种:
简体中文下载格式:
.rar.pdf下载大小:
189.55 KB
替代情况:
替代GB/T 11545-1989;被GB/T 11545-2008代替采标情况:
ISO 5287-85
点击下载
标准简介:
标准下载解压密码:www.bzxz.net
本标准规定了用于检验汽车V带耐疲劳性能的试验方法。本标准适用于汽车内燃附属设备的传动装置使用的V带。 GB/T 11545-1996 汽车V带疲劳试验方法 GB/T11545-1996
部分标准内容:
GB/T11545--1996
经过长期试验实践发现,GB/T11545一89部分内容已不适应前汽车V带质量日益提高的要求。另外,一些引进设备的企业要求等效采用国际标准试验方法,所以对原标准进行修订。修订后的新标准是等效采用国际标准ISO5287:1985《汽车工业用窄V带传动-一疲劳试验》,对该国际标准缺少的型号和部分参数,等效采用日本汽车协会标准JASOE107一83《汽车V带》加以补充。由于国际标准没有规定汽车V带疲劳寿命,我国的汽车V带产品标准等效采用日本汽车协会标准的疲劳寿命,同时,本标准对国际标准没有规定试验用传动功率也是采用了日本汽车协会标准,为了我国V带疲劳寿命与国外先进标准具有较高的可比性,本标准张紧轮施加的张紧力也相应地采用了日本汽车协会标准规定,而未采用国际标准规定的较低的张紧力。对于适应于长度800mm以下V带的两轮试验机试验方法,国际标准是放在正文中,但由于部分参数目前缺少规定依据,故本标准将该方法作为标准的附录在附录A中给出。本标准从生效之日起,代替GB/T11545-—89。本标准由中华人民共和国化学工业部提出。本标准由青岛橡胶工业研究所归口。本标准起草单位:青岛橡胶工业研究所、开封恩达橡胶(集团)有限公司、江西宜春市橡胶厂、江西万载橡胶厂、常熟大象橡胶工业有限公司。本标准主要起草人:韩德深、张玉本、易建华、黄松、杨剑良。188
GB/T11545—1996
ISO前言
ISO(国际标准化组织)是一个由各国标准化机构(ISO成员团体)组成的世界性联合组织。制定国际标准的工作般由ISO的各技术委员会组织进行。各成员团体如果对已建立技术委员会的某个方面感兴趣,就有权派代表参加该技术委员会组织的会议。一些与ISO有联系的国际组织(政府的或非政府的)也参加有关工作。
被各技术委员会采纳的国际标准草案,在由ISO理事会批准为国际标准以前,都要分发给各成员团体进行表态投票。按照ISO章程,在成员团体的表态投票中如果有至少75%的赞成票,则该国际标准就算通过了。
国际标准ISO5287是由ISO/TC41技术委员会带轮与带(包括V带)”制定的。国际标准ISO5287首次出版于1978年。本版是第二版,它作为一个技术修订本取代了第一版。189
1范围
中华人民共和国国家标准
汽车V带疲劳试验方法
V-belt drives for the automotive industry--Fatigue test-1996
GB/T11545
eqv ISO 5287:1985
代替GB/T11545---89
本标准规定了用于检验汽车V带(以下简称V带)耐疲劳性能的试验方法。本标准适用于汽车内燃附属设备的传动装置使用的V带。2引用标准
下列标准所包含的条文,通过在本标准中引用而构成为本标准的条文。本标准出版时,所示版本均为有效。所有标准都会被修订,使用本标准的各方应探讨使用下列标准最新版本的可能性。GB/T11357--89带轮的材质、表面粗糙度及平衡(eqvISO254:1981)3方法提要
在本标准规定的条件下,用三轮疲劳试验机测定V带的疲劳寿命。疲劳寿命是指当V带达到终止条件时所累积的正常运转小时数。4试验装置
4.1疲劳试验机(见图1)
4.1.1本标准所采用的疲劳试验机包括以下几个部分:a)一个主动轮和驱动它的适当装置,b)一个从动轮和与之相连的功率消耗张置;c)一个可以对V带施加张力的张紧轮和张紧装置;d)~一个测量 V带滑动量的装置,测量精度为土1%。4.1.2试验机的结构应牢固、稳定,所有的部件在所承受的应力下不应发生显著变形。4.1.3为能方便地对V带施加张紧力,并允许V带伸长,三轮试验机的张紧轮及其轴承装置应能在支架上沿拉力作用线方向自由滑动(见图1)。4.1.4为了适用各种不同的带长,主动轮和(或)从动轮、张紧轮及支架装置应可调节位置并可加以紧固(见图1)。
4.1.5V带安装在带轮上后应加以调整,使V带的对称面与各轮的对称面的夹角小于15°。4.1.6张紧力作用线应穿过张紧轮中心线而平分V带在张紧轮上弯曲处所构成的夹角,并位于张紧轮槽的对称面内。
4.1.7功率消耗装置的消耗功率可调节并显示。4.1.8试验机应装有测定时间、转速、传动功率的仪表。4.1.9试验机主动轮转速应可调至表1的规定值。国家技术监督局1996~10-28批准190
1997-06-01实施
GB/T11545—1996
从动轮调节方向
从动轮(与功率吸收装量相联)
主动轮
主动轮调节方向
张紧轮(装于滑道中)
一带张力
张紧轮及其支
架的调节方向
注:1)45°是对初始试验布局的规定,由于试验期间V带的再张紧,这个角度可能发生微小的变化。图1三轮试验机的平面布局
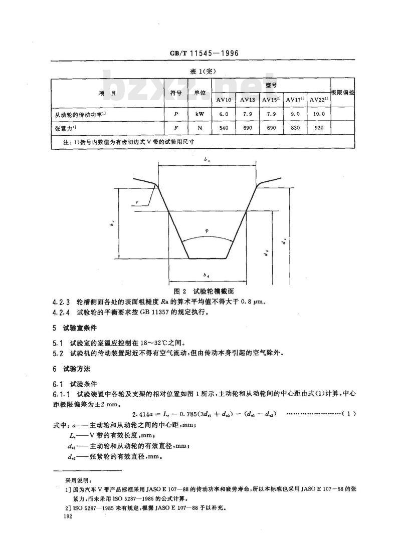
4.2试验轮
4.2.1试验轮采用45号钢制作,并调质处理。4.2.2试验轮尺寸和传动参数如表1和图2所示。表1
主动轮和从动轮的有效直径
张紧轮的有效直径.
槽的有效宽度
主动轮和从动轮的槽角
张紧轮的槽角
最小槽深
槽项圆角最小曲率半径
主动轮转速
AV1521
AV1723
90(80))
AV2221
极限偏差
从动轮的传动功率1]
张紧力
GB/T 11545—1996
表1(完)
注:1)括号内数值为有齿切边式√带的试验用尺寸b
图2试验轮糖截面bzxz.net
AV1527
AV172]
4.2.3轮槽侧面各处的表面粗糙度Ra的算术平均值不得大于0.8μum。4.2.4试验轮的平衡要求按GB11357的规定执行。5试验室条件
5.1试验室的室温应控制在18~32℃之间。5.2试验机的传动装置附近不得有空气流动,但由传动本身引起的空气除外。6试验方法
6.1试验条件
极限偏差
6.1.1试验装置中各轮及支架的相对位置如图1所示,主动轮和从动轮间的中心距由式(1)计算,中心距极限偏差为土2mm。
2. 414a = L. - 0. 785(3de + de2) - (de de2)式中α主动轮和从动轮之间的中心距,mm,LeV带的有效长度,mm,
det-—主动轮和从动轮的有效直径,mm,de2
~张紧轮的有效直径,mm。
采用说明:
**( 1 )
1]因为汽车V带产品标准采用 JASO E107—88的传动功率和疲劳寿命,所以本标准也采用JASO E 107-88的张紧力,而未采用1SO5287—-1985的公式计算。2]ISO5287-—1985未有规定,根据JASOE107——88予以补充。192
GB/T115451996
6.1.2主动轮的转速、从动轮的传动功率以及作用在张紧轮上的张紧力如表1所示。6.1.3试验用V带长度应在800mm以上,对长度小于800mm的V带,可按附录A(标准的附录)用两轮疲劳试验机进行试验。
6.2试验程序
6.2.1试验准备
6.2.1.1将V带安装在带轮上,对张紧轮施加规定的张紧力,让张紧轮在滑道中自由移动,开动试验机使之达到规定的转速,将规定的负荷迅速施加在从动轮上,让试验装置在上述条件下运转5min士15s(不包括开机和停机时间),然后让试验机至少停机10min。6.2.1.2用手使V带转动数圈,用安装在张紧轮支架上的圆盘式位移测定仪测量张紧轮移动的最大范围并记录下来,然后将张紧轮支架紧固在上述最大移动范围的中点处。6.2.2试验
6.2.2.1重新开动试验机达到规定的转速,将规定的负荷迅速施加到从动轮上,记录主动轮和从动轮之间的初始滑动率,让试验装置在上述条件下连续运转,直至V带达到终止条件。6.2.2.2当滑动率与初始滑动率之差(即滑动率增量)达到4%时,立即关闭试验机,停机20min,然后松开张紧轮支架的紧固装置,重新对V带施加张紧力,用手使V带转动2~~3圈,再按6.2.1.2所述将张紧轮紧固在最大移动范围的中点处,随后继续试验。对V带进行再张紧的操作时间不得超过30min。6.2.2.3当滑动率增量达到4%时,就重复一次6.2.2.2所述操作,直至V带达到终止条件。6.2.3滑动率增量计算
滑动率增量△e可以用测定时的滑动率与初始滑动率相减而得到,也可按式(2)计算:Ae =(i。— it) × 100
()×100
式中:△e—滑动率增量,%;
no-——开始试验时从动轮转速,r/min;nr——测定e值时的从动轮转速,r/min;N。一开始试验时主动轮转速,r/min;N—-测定e值时主动轮转速,r/min。注:所有转速的测定均应在带有试验负荷的情况下进行。6.2.4试验的终止
当试验中出现V带失效现象(即带体翻转、断裂等)而无法运转或V带滑动率增量第三次达到4%时,终止试验并记录连续正常运转的累积小时数,作为疲劳寿命试验结果。7试验报告
试验报告应包括以下内容:
a)试验依据的标准号;
b)试验V带的型号和长度,
c)试验机的型号,
d)疲劳寿命,
e)结束试验的理由;
f)主动轮转速、从动轮传动功率、张紧轮的张紧力;g)再张紧次数和每次再张紧时的运转时间,h)偶然情况,
1)试验期间的平均室温,
i)试验日期、试验人员及试验单位。GB/T11545—1996
附录A
(标准的附录)
汽车V带两轮疲劳试验方法
A1疲劳试验机
两轮试验机的两带轮之一(主动轮或从动轮)应可移动(见图A1),试验机上应装有紧固装置,它能在V带承受规定张力的情况下固定可移动带轮的位置。其余要求与三轮试验机相同。
V带张力(施加到可移动轮上)
从动轮(与功率
吸收装量相联)
可移动轮
调节方向
主动轮
注:安装在带轮上的V带与由各带轮中所确定的平面的夹角应小于15'°。图A1两轮试验机的布置
A2试验带轮及传动参数
主动轮和从动轮有效直径d:对AV10型V带为63士0.2mm,对AV13型V带为76士0.2mm。
其余要求及传动参数与三轮试验机带轮相同。194
A3张紧力
GB/T11545—1996
施加在可移动带轮上的张紧力按下式计算:F=K×P
式中:F-施加在V带上的张紧力,N,P-一从动轮的传动功率,kW,传动功率约为使用三轮试验机的70%K系数,K=110N/kw。
4试验条件和程序
每次试验中各带轮的初始位置如图A1所示,试验条件和程序与三轮试验机相同,仅将试验机的“张紧轮”改为“可移动带轮”即可。195
小提示:此标准内容仅展示完整标准里的部分截取内容,若需要完整标准请到上方自行免费下载完整标准文档。
经过长期试验实践发现,GB/T11545一89部分内容已不适应前汽车V带质量日益提高的要求。另外,一些引进设备的企业要求等效采用国际标准试验方法,所以对原标准进行修订。修订后的新标准是等效采用国际标准ISO5287:1985《汽车工业用窄V带传动-一疲劳试验》,对该国际标准缺少的型号和部分参数,等效采用日本汽车协会标准JASOE107一83《汽车V带》加以补充。由于国际标准没有规定汽车V带疲劳寿命,我国的汽车V带产品标准等效采用日本汽车协会标准的疲劳寿命,同时,本标准对国际标准没有规定试验用传动功率也是采用了日本汽车协会标准,为了我国V带疲劳寿命与国外先进标准具有较高的可比性,本标准张紧轮施加的张紧力也相应地采用了日本汽车协会标准规定,而未采用国际标准规定的较低的张紧力。对于适应于长度800mm以下V带的两轮试验机试验方法,国际标准是放在正文中,但由于部分参数目前缺少规定依据,故本标准将该方法作为标准的附录在附录A中给出。本标准从生效之日起,代替GB/T11545-—89。本标准由中华人民共和国化学工业部提出。本标准由青岛橡胶工业研究所归口。本标准起草单位:青岛橡胶工业研究所、开封恩达橡胶(集团)有限公司、江西宜春市橡胶厂、江西万载橡胶厂、常熟大象橡胶工业有限公司。本标准主要起草人:韩德深、张玉本、易建华、黄松、杨剑良。188
GB/T11545—1996
ISO前言
ISO(国际标准化组织)是一个由各国标准化机构(ISO成员团体)组成的世界性联合组织。制定国际标准的工作般由ISO的各技术委员会组织进行。各成员团体如果对已建立技术委员会的某个方面感兴趣,就有权派代表参加该技术委员会组织的会议。一些与ISO有联系的国际组织(政府的或非政府的)也参加有关工作。
被各技术委员会采纳的国际标准草案,在由ISO理事会批准为国际标准以前,都要分发给各成员团体进行表态投票。按照ISO章程,在成员团体的表态投票中如果有至少75%的赞成票,则该国际标准就算通过了。
国际标准ISO5287是由ISO/TC41技术委员会带轮与带(包括V带)”制定的。国际标准ISO5287首次出版于1978年。本版是第二版,它作为一个技术修订本取代了第一版。189
1范围
中华人民共和国国家标准
汽车V带疲劳试验方法
V-belt drives for the automotive industry--Fatigue test-1996
GB/T11545
eqv ISO 5287:1985
代替GB/T11545---89
本标准规定了用于检验汽车V带(以下简称V带)耐疲劳性能的试验方法。本标准适用于汽车内燃附属设备的传动装置使用的V带。2引用标准
下列标准所包含的条文,通过在本标准中引用而构成为本标准的条文。本标准出版时,所示版本均为有效。所有标准都会被修订,使用本标准的各方应探讨使用下列标准最新版本的可能性。GB/T11357--89带轮的材质、表面粗糙度及平衡(eqvISO254:1981)3方法提要
在本标准规定的条件下,用三轮疲劳试验机测定V带的疲劳寿命。疲劳寿命是指当V带达到终止条件时所累积的正常运转小时数。4试验装置
4.1疲劳试验机(见图1)
4.1.1本标准所采用的疲劳试验机包括以下几个部分:a)一个主动轮和驱动它的适当装置,b)一个从动轮和与之相连的功率消耗张置;c)一个可以对V带施加张力的张紧轮和张紧装置;d)~一个测量 V带滑动量的装置,测量精度为土1%。4.1.2试验机的结构应牢固、稳定,所有的部件在所承受的应力下不应发生显著变形。4.1.3为能方便地对V带施加张紧力,并允许V带伸长,三轮试验机的张紧轮及其轴承装置应能在支架上沿拉力作用线方向自由滑动(见图1)。4.1.4为了适用各种不同的带长,主动轮和(或)从动轮、张紧轮及支架装置应可调节位置并可加以紧固(见图1)。
4.1.5V带安装在带轮上后应加以调整,使V带的对称面与各轮的对称面的夹角小于15°。4.1.6张紧力作用线应穿过张紧轮中心线而平分V带在张紧轮上弯曲处所构成的夹角,并位于张紧轮槽的对称面内。
4.1.7功率消耗装置的消耗功率可调节并显示。4.1.8试验机应装有测定时间、转速、传动功率的仪表。4.1.9试验机主动轮转速应可调至表1的规定值。国家技术监督局1996~10-28批准190
1997-06-01实施
GB/T11545—1996
从动轮调节方向
从动轮(与功率吸收装量相联)
主动轮
主动轮调节方向
张紧轮(装于滑道中)
一带张力
张紧轮及其支
架的调节方向
注:1)45°是对初始试验布局的规定,由于试验期间V带的再张紧,这个角度可能发生微小的变化。图1三轮试验机的平面布局
4.2试验轮
4.2.1试验轮采用45号钢制作,并调质处理。4.2.2试验轮尺寸和传动参数如表1和图2所示。表1
主动轮和从动轮的有效直径
张紧轮的有效直径.
槽的有效宽度
主动轮和从动轮的槽角
张紧轮的槽角
最小槽深
槽项圆角最小曲率半径
主动轮转速
AV1521
AV1723
90(80))
AV2221
极限偏差
从动轮的传动功率1]
张紧力
GB/T 11545—1996
表1(完)
注:1)括号内数值为有齿切边式√带的试验用尺寸b
图2试验轮糖截面bzxz.net
AV1527
AV172]
4.2.3轮槽侧面各处的表面粗糙度Ra的算术平均值不得大于0.8μum。4.2.4试验轮的平衡要求按GB11357的规定执行。5试验室条件
5.1试验室的室温应控制在18~32℃之间。5.2试验机的传动装置附近不得有空气流动,但由传动本身引起的空气除外。6试验方法
6.1试验条件
极限偏差
6.1.1试验装置中各轮及支架的相对位置如图1所示,主动轮和从动轮间的中心距由式(1)计算,中心距极限偏差为土2mm。
2. 414a = L. - 0. 785(3de + de2) - (de de2)式中α主动轮和从动轮之间的中心距,mm,LeV带的有效长度,mm,
det-—主动轮和从动轮的有效直径,mm,de2
~张紧轮的有效直径,mm。
采用说明:
**( 1 )
1]因为汽车V带产品标准采用 JASO E107—88的传动功率和疲劳寿命,所以本标准也采用JASO E 107-88的张紧力,而未采用1SO5287—-1985的公式计算。2]ISO5287-—1985未有规定,根据JASOE107——88予以补充。192
GB/T115451996
6.1.2主动轮的转速、从动轮的传动功率以及作用在张紧轮上的张紧力如表1所示。6.1.3试验用V带长度应在800mm以上,对长度小于800mm的V带,可按附录A(标准的附录)用两轮疲劳试验机进行试验。
6.2试验程序
6.2.1试验准备
6.2.1.1将V带安装在带轮上,对张紧轮施加规定的张紧力,让张紧轮在滑道中自由移动,开动试验机使之达到规定的转速,将规定的负荷迅速施加在从动轮上,让试验装置在上述条件下运转5min士15s(不包括开机和停机时间),然后让试验机至少停机10min。6.2.1.2用手使V带转动数圈,用安装在张紧轮支架上的圆盘式位移测定仪测量张紧轮移动的最大范围并记录下来,然后将张紧轮支架紧固在上述最大移动范围的中点处。6.2.2试验
6.2.2.1重新开动试验机达到规定的转速,将规定的负荷迅速施加到从动轮上,记录主动轮和从动轮之间的初始滑动率,让试验装置在上述条件下连续运转,直至V带达到终止条件。6.2.2.2当滑动率与初始滑动率之差(即滑动率增量)达到4%时,立即关闭试验机,停机20min,然后松开张紧轮支架的紧固装置,重新对V带施加张紧力,用手使V带转动2~~3圈,再按6.2.1.2所述将张紧轮紧固在最大移动范围的中点处,随后继续试验。对V带进行再张紧的操作时间不得超过30min。6.2.2.3当滑动率增量达到4%时,就重复一次6.2.2.2所述操作,直至V带达到终止条件。6.2.3滑动率增量计算
滑动率增量△e可以用测定时的滑动率与初始滑动率相减而得到,也可按式(2)计算:Ae =(i。— it) × 100
()×100
式中:△e—滑动率增量,%;
no-——开始试验时从动轮转速,r/min;nr——测定e值时的从动轮转速,r/min;N。一开始试验时主动轮转速,r/min;N—-测定e值时主动轮转速,r/min。注:所有转速的测定均应在带有试验负荷的情况下进行。6.2.4试验的终止
当试验中出现V带失效现象(即带体翻转、断裂等)而无法运转或V带滑动率增量第三次达到4%时,终止试验并记录连续正常运转的累积小时数,作为疲劳寿命试验结果。7试验报告
试验报告应包括以下内容:
a)试验依据的标准号;
b)试验V带的型号和长度,
c)试验机的型号,
d)疲劳寿命,
e)结束试验的理由;
f)主动轮转速、从动轮传动功率、张紧轮的张紧力;g)再张紧次数和每次再张紧时的运转时间,h)偶然情况,
1)试验期间的平均室温,
i)试验日期、试验人员及试验单位。GB/T11545—1996
附录A
(标准的附录)
汽车V带两轮疲劳试验方法
A1疲劳试验机
两轮试验机的两带轮之一(主动轮或从动轮)应可移动(见图A1),试验机上应装有紧固装置,它能在V带承受规定张力的情况下固定可移动带轮的位置。其余要求与三轮试验机相同。
V带张力(施加到可移动轮上)
从动轮(与功率
吸收装量相联)
可移动轮
调节方向
主动轮
注:安装在带轮上的V带与由各带轮中所确定的平面的夹角应小于15'°。图A1两轮试验机的布置
A2试验带轮及传动参数
主动轮和从动轮有效直径d:对AV10型V带为63士0.2mm,对AV13型V带为76士0.2mm。
其余要求及传动参数与三轮试验机带轮相同。194
A3张紧力
GB/T11545—1996
施加在可移动带轮上的张紧力按下式计算:F=K×P
式中:F-施加在V带上的张紧力,N,P-一从动轮的传动功率,kW,传动功率约为使用三轮试验机的70%K系数,K=110N/kw。
4试验条件和程序
每次试验中各带轮的初始位置如图A1所示,试验条件和程序与三轮试验机相同,仅将试验机的“张紧轮”改为“可移动带轮”即可。195
小提示:此标准内容仅展示完整标准里的部分截取内容,若需要完整标准请到上方自行免费下载完整标准文档。
标准图片预览:





- 其它标准
- 热门标准
- 国家标准(GB)
- GB/T18204.4-2000 公共场所毛巾、床上卧具微生物检验方法细菌总数测定
- GB/T11839-1989 二氧化铀芯块中硼的测定 姜黄素萃取光度法
- GB/T5738-1995 瓶装酒、饮料塑料周转箱
- GB/T21238-2007 玻璃纤维增强塑料夹砂管
- GB/T28809-2012 轨道交通 通信、信号和处理系统 信号用安全相关电子系统
- GB/T15917.3-1995 金属镝及氧化镝化学分析方法 对氯苯基荧光酮--溴化十六烷基三甲基胺分光光度法测定钽量
- GB5793-1986 字鼓式行式打印机色带卷轴基本尺寸
- GB/T11813-2008 压水堆燃料棒氦质谱检漏
- GB/T38780-2020 竹席
- GB/T10827.5-2023 工业车辆 安全要求和验证 第5部分:步行式车辆
- GB/T14652.2-2001 小艇﹐非耐火燃油软管
- GB12528.1-1990 交流额定电压3 kV及以下铁路机车车辆用电缆(电线) 一般规定
- GB/T3907-1983 工业无线电干扰基本测量方法
- GB/T15969.5-2002 可编程序控制器 第5部分: 通信
- GB19148.2-2003 插脚式灯座的型式和尺寸
- 行业新闻
请牢记:“bzxz.net”即是“标准下载”四个汉字汉语拼音首字母与国际顶级域名“.net”的组合。 ©2025 标准下载网 www.bzxz.net 本站邮件:bzxznet@163.com
网站备案号:湘ICP备2025141790号-2
网站备案号:湘ICP备2025141790号-2