- 您的位置:
- 标准下载网 >>
- 标准分类 >>
- 国家标准(GB) >>
- GB 18241.4-2006 橡胶衬里 第4部分: 烟气脱硫衬里
标准号:
GB 18241.4-2006
标准名称:
橡胶衬里 第4部分: 烟气脱硫衬里
标准类别:
国家标准(GB)
标准状态:
现行-
发布日期:
2006-03-14 -
实施日期:
2006-12-01 出版语种:
简体中文下载格式:
.rar.pdf下载大小:
1.36 MB

点击下载
标准简介:
标准下载解压密码:www.bzxz.net
GB 18241的本部分规定了烟气脱硫衬里的分类和标记、要求、试验方法、检验规则及标志、包装、运输与贮存。 本部分主要适用于贴合在湿法工艺烟气脱硫装置上,防止装置受到湿热的二氧化硫烟气、冷凝硫酸、石灰水悬浮液、氯化钙溶液等介质的腐蚀的衬里。 GB 18241.4-2006 橡胶衬里 第4部分: 烟气脱硫衬里 GB18241.4-2006

部分标准内容:
ICS83.140.99
中华人民共和国国家标准
GB18241.4—2006
橡胶衬里
第4部分:烟气脱硫衬里
Rubber lining-Part 4:Anticorrosion lining for flue gas desulfurization2006-03-14发布
中华人民共和国国家质量监督检验检疫总局数码防伪
中国国家标准化管理委员会
2006-12-01实施
GB18241.4—2006
本部分第4章第4.2条中粘合强度项、第4.3条、第4.4条、第4.5条和第4.6条为强制性的,其余为推荐性的。
GB18241《橡胶衬里》分为四个部分:第1部分:设备防腐衬里;
一第2部分:磨机衬里;
一第3部分:浮选机衬里;
一第4部分:烟气脱硫衬里。
本部分为CB18241的第4部分
本部分参考德国动力技术协会标准《烟道气脱硫工厂用软橡胶衬里检测规范》,结合烟气脱硫装置对防腐材料的要求及国内衬里的实际生产水平而制定。本部分的附录A、附录B、附录C为规范性附录。本部分由中国石油和化学工业协会提出。本部分由全国橡胶与橡胶制品标准化技术委员会橡胶杂品分技术委员会(SAC/TC35/SC7)归口。
本部分负责起草单位:西格里防腐技术(武汉)有限公司。本部分参加起草单位:杭州顺豪橡胶工程有限公司、湖北华宁防腐技术有限公司等。本部分主要起草人:郭洁、彭高桥、宋宝清、张庆虎、胡大红。本部分为首次发布。
1范围
橡胶衬里
第4部分:烟气脱硫衬里
GB18241.4—2006
GB18241的本部分规定了烟气脱硫衬里(以下简称衬里)的分类和标记、要求、试验方法、检验规则及标志、包装、运输与贮存。
本部分主要适用于贴合在湿法工艺烟气脱硫装置上,防止装置受到湿热的二氧化硫烟气、冷凝硫酸、石灰水悬浮液、氯化钙溶液等介质的腐蚀的村里。本部分也适用于其他类似爆法脱硫工况条件的烟气脱硫装置HIN
规范性引用文件
下列文件中的条款通量GB18241的本部分的引
件,其随后所有的修改单不包括勘误的内用而成为本部分的条款。凡是注日期的引用文版均不适用
用于本部分然而,鼓励根据本部分达成容)或修订
协议的各方研究是
使用这些文
文件的最新版本
部分。
GB/T528
GB/T531
凡是不注日期的引用文件,其最新版本适用于本橡股袖珍硬度计压人硬度试验方法(GB/T531-1999,idtISO7619:1986)GB/T1690
neqISO18171985
化橡胶耐液体试验方法(GB/T1690-1992
GB/T7760
硬质板材粘合强度的测定
化橡胶或热塑性橡胶与
2003ISO813:1997MOD
GB/T8923
3产品分类和标
90剥离法(GB/T7760-
涂装前钢材表面锈蚀等级和除锈等级(eqvISO85011:1988)衬里按橡胶的种
类见表1
胶种名称
氢化丁基橡胶
注:复合衬里的分类根据防腐层(面层)橡胶的种类而定3.2衬里按硫化方式分类见表
3.3衬里的标记
预硫化衬里
澳化丁基橡胶
自硫化衬里
丁基橡胶
加热硫化衬里(软胶)
制造者应以适当的方式在产品标识上标注烟气脱硫用途或在产品说明书、技术文件上详细说明村里的用途。
4要求
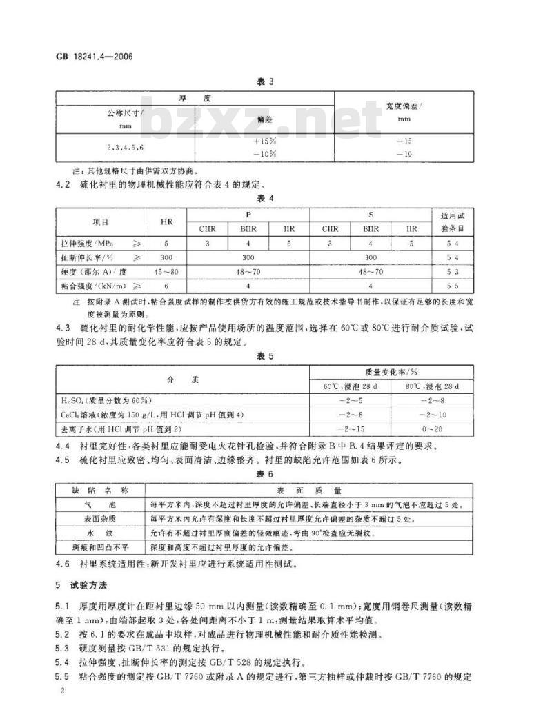
规格尺寸见表3。
GB18241.4—2006
公称尺寸!
2.3,4.5.6
汪:其他规格尺于由供需双方协商。4.2
硫化衬里的物理机械性能应符合表4的规定。表4
拉伸强度/MPa
扯断伸长率/%
硬度(邵尔A)/度
粘合强度/(kN/m)≥
宽度偏差!
适用试
验条目
注按附录A测试时,粘合强度试样的制作按供货方有效的施工规范或技术指导书制作,以保证有足够的长度和宽度被测量为原则。
4.3硫化衬里的耐化学性能,应按产品使用场所的温度范围,选择在60℃或80℃进行耐介质试验,试验时间28d其质量变化率应符合表5的规定。表5
HzSO.(质量分数为60%)
CuCL.溶液(浓度为150g/L,用HCI调节pH值到4)去离子水(用HCI调节pH值到2)
质量变化率/%
60℃,浸泡28d
—2~15www.bzxz.net
80℃浸包28d
4.4衬里完好性·各类衬里应能耐受电火花针孔检验,并符合附录B中B.4结果评定的要求。4.5
硫化衬里应致密、均匀、表面清洁、边缘整齐。衬里的缺陷允许范围如表6所示。表6
缺陷名称
表面杂质
斑痕和凹凸不平
表面质量
每平方米内,深度不超过衬里厚度的允许偏差、长端直径小于3mm的气泡不应超过5处。每平方米内允许有深度和长度不超过衬里厚度允许偏差的杂质不超过5处。允许有不超过衬里厚度偏差的轻微痕迹,弯曲90°检查应无裂纹深度和高度不超过衬里厚度的允许偏差。4.6衬单系统适用性:新开发衬里应进行系统适用性测试。5试验方法
5.1厚度用厚度计在距衬里边缘50mm以内测量(读数精确至0.1mm):宽度用钢卷尺测量(读数精确至1mm),由端部起取3处,各处间距离不小于1m,测量结果取算术平均值。5.2按6.1的要求在成品中取样,对成品进行物理机械性能和耐介质性能检测。5.3硬度测量按GB/T531的规定执行。5.4拉伸强度、扯断伸长率的测定按GB/T528的规定执行。5.5粘合强度的测定按GB/T7760或附录A的规定进行,第三方抽样或仲裁时按GB/T7760的规定2
进行。
GB18241.4—2006
5.6耐化学性能的测定按GB/T1690的规定执行。复合型胶板可去掉粘合层,对防腐层按GB/T1690的规定进行测试。
5.7完好性的测定按附录B规定的方法进行5.8衬里的适用性测定按附录C规定的方法进行。5.9表面质量用目测和量具进行检测。6检验规则
6.1组批与取样
衬里以连生产的、小于5200m(约30t)的同类对里为批,在规格尺寸、表面质量检验合格的产品中随机抽取-卷,从端部30cm起向里取足够的试样进行性能测试。如第三方抽样检则,生产方的硫化制样应在第三方抽检人员监督下进行,然后由第三方带回检测。6.2检验分类
6.2.1出厂检验
出厂前应对规格尺寸、表面质量进行百分之百检验:物理性能按批进行检验,每批抽取一卷进行衬里完好性检验。
6.2.2型式检验
本部分所列全部技术要求为型式检验项目,通常在下列情况之一时应进行型式检验:a)新产品的试制定型鉴定;
b)产品的结构、设计、工艺、材料、生产装置、管理等方面有重大改变,可能影响产品性能时;转产、转厂、停产后复产;
合同规定;
出厂检验结果与上次型式检验有较大差异时;e
国家质量监督机构提出进行该项试验的要求。f
在正常情况下,全部项目每半年进行一次检验。6.3判定规则
规格尺寸或表面质量如有一项不符合要求,则该卷衬里为不合格品。物理机械性能、耐化学性能如有一项不符合要求,则应在同批衬里内另外取双倍试样进行该项复试,复试结果如仍不合格,则该批产品为不合格品。衬里的完好性检测,如有一处不合格,则该卷为不合格品。并在同批衬里内另外取双倍试样进行复试,如测试结果仍不合格,则对每卷进行测试,并根据测试结果判定每卷是否合格。7标志、包装、运输与贴存
7.1加热硫化衬里、自然硫化衬里用塑料薄膜作隔离层卷于芯轴上,悬置于包装箱中。预硫化衬里按生产厂家要求执行或由供需双方协商解决7.2每批产品附有产品合格证,每卷村里有产品标签,并注有产品标记、数量、商标、制造厂名、厂址、生产日期、执行标准号。每个包装箱应标有“不许倒放”标志。7.3衬里在运输与贮存时,应保持清洁,避免阳光直射,远离火源,并应禁止与汽油、煤油等有机溶剂及酸、碱等有害物质接触。
7.4衬里的运输与贮存温度及贮存时间应符合制造厂产品标识或产品技木文件规定的要求。7.5在遵守本部分7.3、7.4条规定的条件下,自生产日期起一年内,预硫化衬里性能应符合本部分的规定。其他衬里在供销合同规定的保质期内性能也应符合本部分的规定。3
GB18241.4—2006
A.1仪器
附录A
(规范性附录)
衬里粘合强度(90°剥离法)的测定范围为0~200N或0~300N的弹簧秤及试样夹紧装置。A.2试样
按有效的施工规范制作试样,推荐的试样宽度为加热硫化衬里:20mm自
硫化衬里:20mm;预硫化衬里:30mm。HINA
测试前的处置
加热硫化衬里和自梳化村里试样在硫化结束后,在室温下至少放置16h后进行测试。胶完成后,在室温下至少放置48h后进行测试。
预硫化衬里在社
A.4检测
将试样夹在
5个,平均拉力除
个错台上,把试样自由端夹在夹紧装置上,将弹簧秤钩在夹具上以90°的角度,按力,代表同一性能的试样数不少于100mm,记下匀速拉伸时的拉
样宽度为粘合强度。初始拉
和最后
伸的20mm内的拉力可以忽略。
B.1原理
附录B
(规范性附录)
衬里的完好性试验
GB18241.4—2006
利用高频电压击穿针孔或裂缝间空气产生电火花的原理,检测橡胶衬里的完好性。B.2仪器
电火花检测仪最大输出电压至少应达到20kV电压应稳定在其土10%以内,最好使用带有缺陷报警功能的电火花检测仪以提高效率,减少漏检。电火花检测仪的
B.3.1检测电压
礼或缝等缺陷而又不损坏衬里为原则。正常情况下,每靠米厚胶板的检测电压为以能发现针孔
3kV,特殊情况由供需双方协商选定B.3.2检测
B.3.2.1检测前
测电压,检测探头
的停留时间不宜
在进行
保持衬里表面清洁、干燥。按仪器说明书和B.1的要求装好检测探头,调节好检大于100mm/s的速度
步的检测时(即进行第
的检测电压一般
受不高手
3kv。
结果评定
处扫描检测。检测时探头在任一位置次、第三次检测时)可适当调低检测电压,每毫米厚胶板B.4.1有报警功能的检测仪器
检测时,探头与村量间无火花出现且无报警,则认为衬里完好;如某处产生火花且报警,则认为该处o
有针孔缺陷。
B.4.2无报警功能的检测必器
检测时,探头与衬里间无化则认为村里完好:如某处产生火花,则认为该处有针孔缺陷。GB18241.4—2006
C.1试样制备
附录C
(规范性附录)
衬里的适用性试验
C.1.1至少取3块300mmX200mm钢板,对钢板进行表面喷砂,达到GB/T8923—1988规定的Sa2级。
C.1.2按产品的施工规范或技术要求,在钢板上贴上衬里并硫化(预硫化衬里可不再进行硫化)。C.2试验步骤
C.2.1应用试验:将试样浸泡在洗涤塔顶部、喷淋区、洗涤池的液体中,至少28d。C.2.2模拟试验:将衬好胶的试样悬于试验介质液面上方和液面中,至少进行28d的侧试。结果表示
C.3.1外观变化:观察试样表面有无裂纹、气泡、是否发黏。物理性能变化:按附录A的方法在室温条件下测试粘合强度。C.3.2
4适用性评定
试样表面无裂纹、气泡、不发黏且粘合强度变化率≤40%,则为适用。若有一项不符合则为不适用。6
GB18241 4-2006
中华人民共和国
国家标准
橡胶衬里
第4部分:烟气脱硫村里
GB18241.4—2006
中国标准出版社出版发行
北京复兴门外三里河北街16号
邮政编码:100045
网址spc.net.cn
电话:68523946
68517548
中国标准出版社秦皇岛印刷厂印刷各地新华书店经销
开本880×12301/16
0.75字数14千字
2006年11月第一版
2006年11月第一次印刷
书号:155066·1-28321
定价10.00元
如有印装差错由本社发行中心调换版权专有侵权必究
举报电话:(010)68533533
小提示:此标准内容仅展示完整标准里的部分截取内容,若需要完整标准请到上方自行免费下载完整标准文档。
中华人民共和国国家标准
GB18241.4—2006
橡胶衬里
第4部分:烟气脱硫衬里
Rubber lining-Part 4:Anticorrosion lining for flue gas desulfurization2006-03-14发布
中华人民共和国国家质量监督检验检疫总局数码防伪
中国国家标准化管理委员会
2006-12-01实施
GB18241.4—2006
本部分第4章第4.2条中粘合强度项、第4.3条、第4.4条、第4.5条和第4.6条为强制性的,其余为推荐性的。
GB18241《橡胶衬里》分为四个部分:第1部分:设备防腐衬里;
一第2部分:磨机衬里;
一第3部分:浮选机衬里;
一第4部分:烟气脱硫衬里。
本部分为CB18241的第4部分
本部分参考德国动力技术协会标准《烟道气脱硫工厂用软橡胶衬里检测规范》,结合烟气脱硫装置对防腐材料的要求及国内衬里的实际生产水平而制定。本部分的附录A、附录B、附录C为规范性附录。本部分由中国石油和化学工业协会提出。本部分由全国橡胶与橡胶制品标准化技术委员会橡胶杂品分技术委员会(SAC/TC35/SC7)归口。
本部分负责起草单位:西格里防腐技术(武汉)有限公司。本部分参加起草单位:杭州顺豪橡胶工程有限公司、湖北华宁防腐技术有限公司等。本部分主要起草人:郭洁、彭高桥、宋宝清、张庆虎、胡大红。本部分为首次发布。
1范围
橡胶衬里
第4部分:烟气脱硫衬里
GB18241.4—2006
GB18241的本部分规定了烟气脱硫衬里(以下简称衬里)的分类和标记、要求、试验方法、检验规则及标志、包装、运输与贮存。
本部分主要适用于贴合在湿法工艺烟气脱硫装置上,防止装置受到湿热的二氧化硫烟气、冷凝硫酸、石灰水悬浮液、氯化钙溶液等介质的腐蚀的村里。本部分也适用于其他类似爆法脱硫工况条件的烟气脱硫装置HIN
规范性引用文件
下列文件中的条款通量GB18241的本部分的引
件,其随后所有的修改单不包括勘误的内用而成为本部分的条款。凡是注日期的引用文版均不适用
用于本部分然而,鼓励根据本部分达成容)或修订
协议的各方研究是
使用这些文
文件的最新版本
部分。
GB/T528
GB/T531
凡是不注日期的引用文件,其最新版本适用于本橡股袖珍硬度计压人硬度试验方法(GB/T531-1999,idtISO7619:1986)GB/T1690
neqISO18171985
化橡胶耐液体试验方法(GB/T1690-1992
GB/T7760
硬质板材粘合强度的测定
化橡胶或热塑性橡胶与
2003ISO813:1997MOD
GB/T8923
3产品分类和标
90剥离法(GB/T7760-
涂装前钢材表面锈蚀等级和除锈等级(eqvISO85011:1988)衬里按橡胶的种
类见表1
胶种名称
氢化丁基橡胶
注:复合衬里的分类根据防腐层(面层)橡胶的种类而定3.2衬里按硫化方式分类见表
3.3衬里的标记
预硫化衬里
澳化丁基橡胶
自硫化衬里
丁基橡胶
加热硫化衬里(软胶)
制造者应以适当的方式在产品标识上标注烟气脱硫用途或在产品说明书、技术文件上详细说明村里的用途。
4要求
规格尺寸见表3。
GB18241.4—2006
公称尺寸!
2.3,4.5.6
汪:其他规格尺于由供需双方协商。4.2
硫化衬里的物理机械性能应符合表4的规定。表4
拉伸强度/MPa
扯断伸长率/%
硬度(邵尔A)/度
粘合强度/(kN/m)≥
宽度偏差!
适用试
验条目
注按附录A测试时,粘合强度试样的制作按供货方有效的施工规范或技术指导书制作,以保证有足够的长度和宽度被测量为原则。
4.3硫化衬里的耐化学性能,应按产品使用场所的温度范围,选择在60℃或80℃进行耐介质试验,试验时间28d其质量变化率应符合表5的规定。表5
HzSO.(质量分数为60%)
CuCL.溶液(浓度为150g/L,用HCI调节pH值到4)去离子水(用HCI调节pH值到2)
质量变化率/%
60℃,浸泡28d
—2~15www.bzxz.net
80℃浸包28d
4.4衬里完好性·各类衬里应能耐受电火花针孔检验,并符合附录B中B.4结果评定的要求。4.5
硫化衬里应致密、均匀、表面清洁、边缘整齐。衬里的缺陷允许范围如表6所示。表6
缺陷名称
表面杂质
斑痕和凹凸不平
表面质量
每平方米内,深度不超过衬里厚度的允许偏差、长端直径小于3mm的气泡不应超过5处。每平方米内允许有深度和长度不超过衬里厚度允许偏差的杂质不超过5处。允许有不超过衬里厚度偏差的轻微痕迹,弯曲90°检查应无裂纹深度和高度不超过衬里厚度的允许偏差。4.6衬单系统适用性:新开发衬里应进行系统适用性测试。5试验方法
5.1厚度用厚度计在距衬里边缘50mm以内测量(读数精确至0.1mm):宽度用钢卷尺测量(读数精确至1mm),由端部起取3处,各处间距离不小于1m,测量结果取算术平均值。5.2按6.1的要求在成品中取样,对成品进行物理机械性能和耐介质性能检测。5.3硬度测量按GB/T531的规定执行。5.4拉伸强度、扯断伸长率的测定按GB/T528的规定执行。5.5粘合强度的测定按GB/T7760或附录A的规定进行,第三方抽样或仲裁时按GB/T7760的规定2
进行。
GB18241.4—2006
5.6耐化学性能的测定按GB/T1690的规定执行。复合型胶板可去掉粘合层,对防腐层按GB/T1690的规定进行测试。
5.7完好性的测定按附录B规定的方法进行5.8衬里的适用性测定按附录C规定的方法进行。5.9表面质量用目测和量具进行检测。6检验规则
6.1组批与取样
衬里以连生产的、小于5200m(约30t)的同类对里为批,在规格尺寸、表面质量检验合格的产品中随机抽取-卷,从端部30cm起向里取足够的试样进行性能测试。如第三方抽样检则,生产方的硫化制样应在第三方抽检人员监督下进行,然后由第三方带回检测。6.2检验分类
6.2.1出厂检验
出厂前应对规格尺寸、表面质量进行百分之百检验:物理性能按批进行检验,每批抽取一卷进行衬里完好性检验。
6.2.2型式检验
本部分所列全部技术要求为型式检验项目,通常在下列情况之一时应进行型式检验:a)新产品的试制定型鉴定;
b)产品的结构、设计、工艺、材料、生产装置、管理等方面有重大改变,可能影响产品性能时;转产、转厂、停产后复产;
合同规定;
出厂检验结果与上次型式检验有较大差异时;e
国家质量监督机构提出进行该项试验的要求。f
在正常情况下,全部项目每半年进行一次检验。6.3判定规则
规格尺寸或表面质量如有一项不符合要求,则该卷衬里为不合格品。物理机械性能、耐化学性能如有一项不符合要求,则应在同批衬里内另外取双倍试样进行该项复试,复试结果如仍不合格,则该批产品为不合格品。衬里的完好性检测,如有一处不合格,则该卷为不合格品。并在同批衬里内另外取双倍试样进行复试,如测试结果仍不合格,则对每卷进行测试,并根据测试结果判定每卷是否合格。7标志、包装、运输与贴存
7.1加热硫化衬里、自然硫化衬里用塑料薄膜作隔离层卷于芯轴上,悬置于包装箱中。预硫化衬里按生产厂家要求执行或由供需双方协商解决7.2每批产品附有产品合格证,每卷村里有产品标签,并注有产品标记、数量、商标、制造厂名、厂址、生产日期、执行标准号。每个包装箱应标有“不许倒放”标志。7.3衬里在运输与贮存时,应保持清洁,避免阳光直射,远离火源,并应禁止与汽油、煤油等有机溶剂及酸、碱等有害物质接触。
7.4衬里的运输与贮存温度及贮存时间应符合制造厂产品标识或产品技木文件规定的要求。7.5在遵守本部分7.3、7.4条规定的条件下,自生产日期起一年内,预硫化衬里性能应符合本部分的规定。其他衬里在供销合同规定的保质期内性能也应符合本部分的规定。3
GB18241.4—2006
A.1仪器
附录A
(规范性附录)
衬里粘合强度(90°剥离法)的测定范围为0~200N或0~300N的弹簧秤及试样夹紧装置。A.2试样
按有效的施工规范制作试样,推荐的试样宽度为加热硫化衬里:20mm自
硫化衬里:20mm;预硫化衬里:30mm。HINA
测试前的处置
加热硫化衬里和自梳化村里试样在硫化结束后,在室温下至少放置16h后进行测试。胶完成后,在室温下至少放置48h后进行测试。
预硫化衬里在社
A.4检测
将试样夹在
5个,平均拉力除
个错台上,把试样自由端夹在夹紧装置上,将弹簧秤钩在夹具上以90°的角度,按力,代表同一性能的试样数不少于100mm,记下匀速拉伸时的拉
样宽度为粘合强度。初始拉
和最后
伸的20mm内的拉力可以忽略。
B.1原理
附录B
(规范性附录)
衬里的完好性试验
GB18241.4—2006
利用高频电压击穿针孔或裂缝间空气产生电火花的原理,检测橡胶衬里的完好性。B.2仪器
电火花检测仪最大输出电压至少应达到20kV电压应稳定在其土10%以内,最好使用带有缺陷报警功能的电火花检测仪以提高效率,减少漏检。电火花检测仪的
B.3.1检测电压
礼或缝等缺陷而又不损坏衬里为原则。正常情况下,每靠米厚胶板的检测电压为以能发现针孔
3kV,特殊情况由供需双方协商选定B.3.2检测
B.3.2.1检测前
测电压,检测探头
的停留时间不宜
在进行
保持衬里表面清洁、干燥。按仪器说明书和B.1的要求装好检测探头,调节好检大于100mm/s的速度
步的检测时(即进行第
的检测电压一般
受不高手
3kv。
结果评定
处扫描检测。检测时探头在任一位置次、第三次检测时)可适当调低检测电压,每毫米厚胶板B.4.1有报警功能的检测仪器
检测时,探头与村量间无火花出现且无报警,则认为衬里完好;如某处产生火花且报警,则认为该处o
有针孔缺陷。
B.4.2无报警功能的检测必器
检测时,探头与衬里间无化则认为村里完好:如某处产生火花,则认为该处有针孔缺陷。GB18241.4—2006
C.1试样制备
附录C
(规范性附录)
衬里的适用性试验
C.1.1至少取3块300mmX200mm钢板,对钢板进行表面喷砂,达到GB/T8923—1988规定的Sa2级。
C.1.2按产品的施工规范或技术要求,在钢板上贴上衬里并硫化(预硫化衬里可不再进行硫化)。C.2试验步骤
C.2.1应用试验:将试样浸泡在洗涤塔顶部、喷淋区、洗涤池的液体中,至少28d。C.2.2模拟试验:将衬好胶的试样悬于试验介质液面上方和液面中,至少进行28d的侧试。结果表示
C.3.1外观变化:观察试样表面有无裂纹、气泡、是否发黏。物理性能变化:按附录A的方法在室温条件下测试粘合强度。C.3.2
4适用性评定
试样表面无裂纹、气泡、不发黏且粘合强度变化率≤40%,则为适用。若有一项不符合则为不适用。6
GB18241 4-2006
中华人民共和国
国家标准
橡胶衬里
第4部分:烟气脱硫村里
GB18241.4—2006
中国标准出版社出版发行
北京复兴门外三里河北街16号
邮政编码:100045
网址spc.net.cn
电话:68523946
68517548
中国标准出版社秦皇岛印刷厂印刷各地新华书店经销
开本880×12301/16
0.75字数14千字
2006年11月第一版
2006年11月第一次印刷
书号:155066·1-28321
定价10.00元
如有印装差错由本社发行中心调换版权专有侵权必究
举报电话:(010)68533533
小提示:此标准内容仅展示完整标准里的部分截取内容,若需要完整标准请到上方自行免费下载完整标准文档。

标准图片预览:





- 热门标准
- 国家标准(GB)
- GB/T23373-2009 食品中抗氧化剂丁基羟基茴香醚(BHA)、二丁基羟基甲苯(BHT)与特丁基对苯二酚(TBHQ)的测定
- GB/T41386-2022 杏仁油
- GB/T997-1981 电机结构及安装型式代号
- GB4806.1-2016 食品安全国家标准 食品接触材料及制品通用安全要求
- GB/T38446-2020 微机电系统(MEMS)技术 带状薄膜抗拉性能的试验方法
- GB/T41415-2022 纺织品 干湿热条件下尺寸变化率的测定
- GB/T29887-2013 染色棉
- GB/T38729-2020 表面活性剂 工业伯烷基硫酸钠试验方法
- GB/T39768-2021 人类生物样本分类与编码
- GB475-2008 商品煤样人工采取方法
- GB/T42220-2022 金镶玉镶嵌工艺质量评价
- GB4623-1994 环形预应力混凝土电杆
- GB/T25478-2010 色谱数据工作站
- GB/T39504-2020 病媒生物综合管理技术规范 机场
- GB/T22973-2008 牛奶和奶粉中醋酸美仑孕酮、醋酸氯地孕酮和醋酸甲地孕酮残留量的测定 液相色谱-串联质谱法
- 行业新闻
请牢记:“bzxz.net”即是“标准下载”四个汉字汉语拼音首字母与国际顶级域名“.net”的组合。 ©2009 标准下载网 www.bzxz.net 本站邮件:bzxznet@163.com
网站备案号:湘ICP备2023016450号-1
网站备案号:湘ICP备2023016450号-1