- 您的位置:
- 标准下载网 >>
- 标准分类 >>
- 国家标准(GB) >>
- GB/T 1143-1984 60°,90°,120°锥柄锥面锪钻
标准号:
GB/T 1143-1984
标准名称:
60°,90°,120°锥柄锥面锪钻
标准类别:
国家标准(GB)
标准状态:
已作废-
发布日期:
1984-03-28 -
实施日期:
1985-01-01 -
作废日期:
2004-10-21 出版语种:
简体中文下载格式:
.rar.pdf下载大小:
33.44 KB
替代情况:
GB 1143-1973;被GB/T 1143-2004代替采标情况:
ISO 3293-1975 NEQ
复审日期:
2004-10-14起草单位:
成都工具所相关标签:
锥面

部分标准内容:
中华人民共和国国家标准
60°、90°120°锥柄锥面钻
Countersinks with morse taper shanksfor angles 60°90°and 120°inclusiveUDC 621.914.22
GB1143--84
代替GB1143—73
本标准是参照国际标准ISO3293—1975《60°、90°和120°锥柄锥面钻》制订的。型式和尺寸
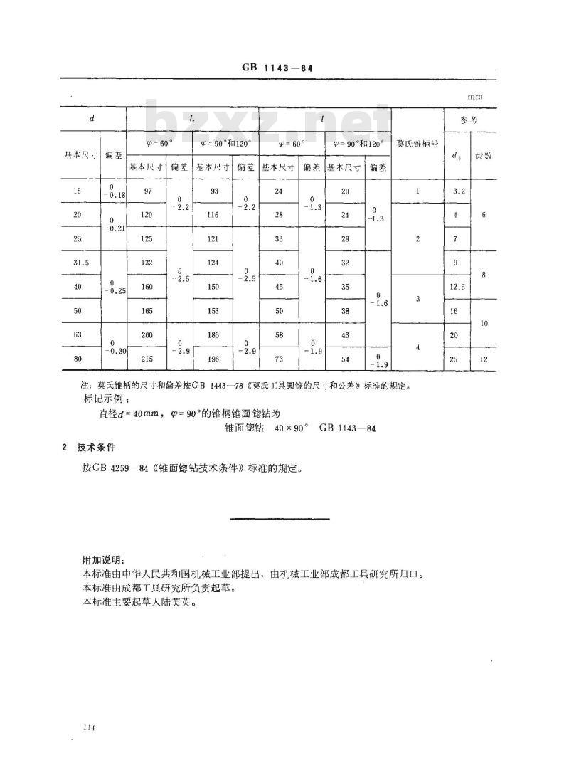
钻的型式和尺寸按图和表。
莫氏锥柄
A-A旋转
注:图中角度值仅供参考。
国家标准局1984-0328发布
1985-01-01实施
基本尺小!
基本尺寸
GB 1143—84
Φ= 90 和120°
基本尺寸bzxZ.net
p= 60°
基本尺寸
90°和120°
基本尺寸
莫氏锥柄号
注:莫氏锥柄的尺寸和偏差按GB1443~一78《莫氏1.具圆锥的尺寸和公差》标准的规定。标记示例:
直径d=40mm,@=90°的锥柄锥面钻为锥面钻40×90°
GB 1143-84
2技术条件
按GB4259—84《锥面锶钻技术条件》标准的规定。附加说明:
本标准由中华人民共和国机械工业部提出,由机械工业部成都工具研究所归口。本标准由成都工具研究所负责起草。本标准主要起草人陆美英。
小提示:此标准内容仅展示完整标准里的部分截取内容,若需要完整标准请到上方自行免费下载完整标准文档。
60°、90°120°锥柄锥面钻
Countersinks with morse taper shanksfor angles 60°90°and 120°inclusiveUDC 621.914.22
GB1143--84
代替GB1143—73
本标准是参照国际标准ISO3293—1975《60°、90°和120°锥柄锥面钻》制订的。型式和尺寸
钻的型式和尺寸按图和表。
莫氏锥柄
A-A旋转
注:图中角度值仅供参考。
国家标准局1984-0328发布
1985-01-01实施
基本尺小!
基本尺寸
GB 1143—84
Φ= 90 和120°
基本尺寸bzxZ.net
p= 60°
基本尺寸
90°和120°
基本尺寸
莫氏锥柄号
注:莫氏锥柄的尺寸和偏差按GB1443~一78《莫氏1.具圆锥的尺寸和公差》标准的规定。标记示例:
直径d=40mm,@=90°的锥柄锥面钻为锥面钻40×90°
GB 1143-84
2技术条件
按GB4259—84《锥面锶钻技术条件》标准的规定。附加说明:
本标准由中华人民共和国机械工业部提出,由机械工业部成都工具研究所归口。本标准由成都工具研究所负责起草。本标准主要起草人陆美英。
小提示:此标准内容仅展示完整标准里的部分截取内容,若需要完整标准请到上方自行免费下载完整标准文档。

标准图片预览:


- 其它标准
- 热门标准
- 国家标准(GB)
- GB50256-2014 电气装置安装工程 起重机电气装置施工及验收规范
- GB6403.3-1986 滚花
- GB/T8260-2008 卡箍式柔性管接头 型式与尺寸
- GB/T35608-2024 绿色产品评价 绝热材料
- GB/T42544-2023 铝及铝合金阳极氧化膜及有机聚合物膜的腐蚀评定 栅格法
- GB/T42403-2023 激光器和激光相关设备 激光光谱特性测量方法
- GB/T11383-1989 信息处理 信息交换用八位代码结构和编码规则
- GB/T18362-2001 直燃型溴化锂吸收式冷(温)水机组
- GB/T14294-2008 组合式空调机组
- GB19578-2021 乘用车燃料消耗量限值
- GB/T15063-2020 复合肥料
- GB/Z43482-2023 液压传动 软管和软管总成 收集流体样本分析清洁度的方法
- GB/T12449-1990 以专用连接线方式互连的声音和电视广播发射设备与监控设备之间的接口
- GB4444-1984 船用钢质斜梯
- GB/T20026-2005 橡胶和塑料软管 内衬层耐磨性测定
- 行业新闻
请牢记:“bzxz.net”即是“标准下载”四个汉字汉语拼音首字母与国际顶级域名“.net”的组合。 ©2009 标准下载网 www.bzxz.net 本站邮件:bzxznet@163.com
网站备案号:湘ICP备2023016450号-1
网站备案号:湘ICP备2023016450号-1