- 您的位置:
- 标准下载网 >>
- 标准分类 >>
- 国家标准(GB) >>
- GB/T 10760.1-1989 小型风力发电机技术条件
标准号:
GB/T 10760.1-1989
标准名称:
小型风力发电机技术条件
标准类别:
国家标准(GB)
标准状态:
已作废-
发布日期:
1989-03-31 -
实施日期:
1990-01-01 -
作废日期:
2003-09-01 出版语种:
简体中文下载格式:
.rar.pdf下载大小:
305.93 KB
替代情况:
被GB/T 10760.1-2003代替
部分标准内容:
中华人民共和国国家标准
型风力发电机
Specification for small wind generators生题内容与适用范围
GB 10760. 189
本标准规定了风轮直接驱动的充电型小型风力发电机的产品品种基本参数、技术要求、检验规则、试验方法以及标志和包装的要求。本标准适用于风轮直接驱动的充电型小型风力发电机(以下简称发电机)。本标准不适用于感应子式小型风力发电机。引用标准
包装储运图示标志
旋转电机基本技术要求
电机结构及安装型式代号
三相同步电机试验方法
电机冷却方法
电工电子产品基本环境试验规程试验J:长霉试验方法
电工电子产品基本环境试验规程GB
试验Ka,盐募试验方法
GB4772.1电机尺寸及公差机座号36~400凸缘号FF55~FF1080或FT55~FT1080的电机GB4942.1电机外壳防护分级
3产品品种及基本参数
发电机应按下列额定功率制造:50,100,200,300,500,1000W。3.2发电机功率与额定转速、电压的对应关系按表1规定。表1
功率,W
转速,/min
电压,V
注:发电机额定电压指发电机在额定工况下运行,其端子电压为整流后并扣除连接线压降的直流输出电压,应优先采用不措括号者。连接线的长度与直径按本标准6.7条的规定。中华人民共和国机械电子工业部1989-03-10批准1990-01-01实施
GB10760.1—89
3.3发电机的安装尺寸(见图1)及其公差应符合表2的规定,其他结构安装型式的安装尺寸应由制道厂在企业标准中规定。
300,500
基本尺寸
基本尺寸
安装尺及公差
极限偏差
基本尺寸
基本尺寸
极限偏差位置度公差
基本尺寸
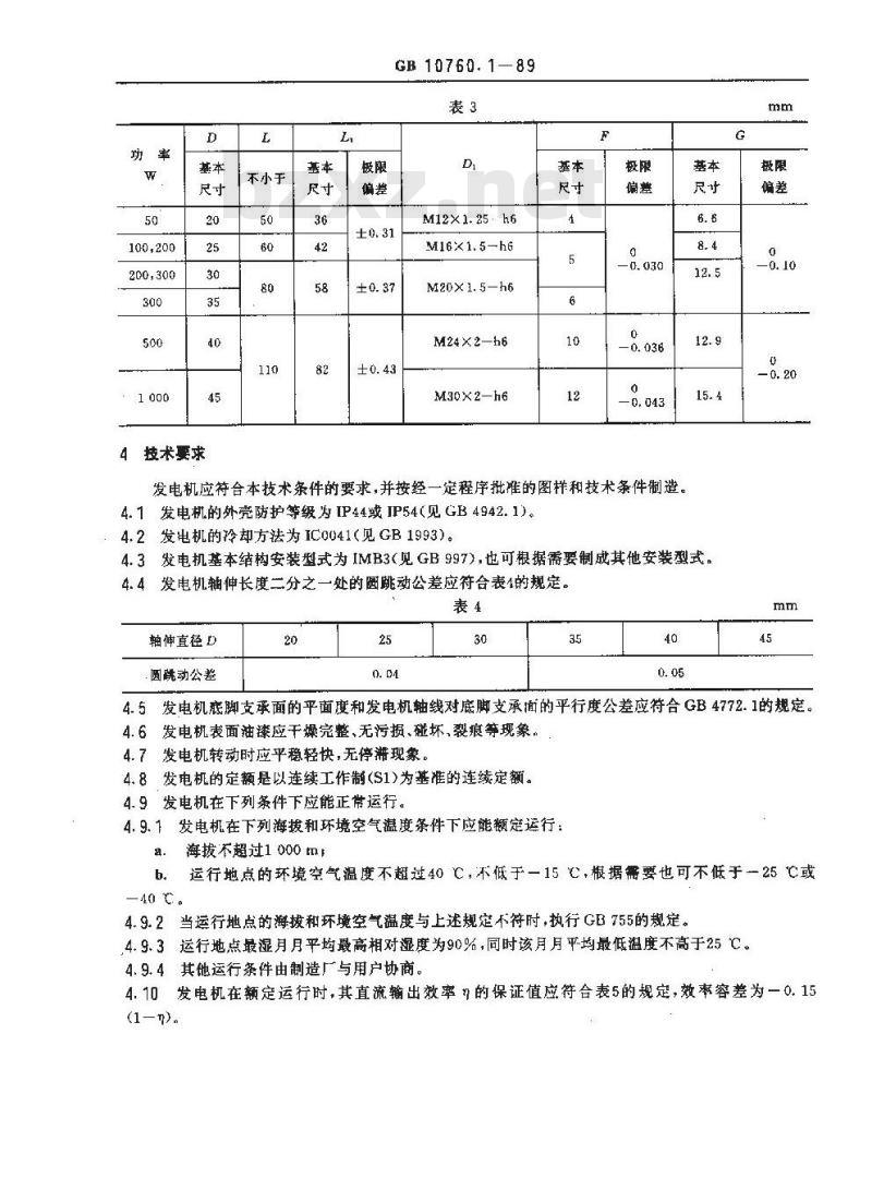
3.4发电机轴仲采用锥度为1:10的圆锥形轴伸。可按图2所示的A型或B型制造。尺寸应符合表3规定。
100,200
200,300
技术要求
不小于
GB 10760. 189
M12×1.25h6
M16X1.5-h6
M20×1.5—h6
M24×2—h6
M30X2—h6
发电机应符合本技术条件的要求,并按经一定程序批准的图样和技术条件制造。4.1发电机的外壳防护等级为IP44或IP54(见GB4942.1)。4.2发电机的冷却方法为IC0041(见GB1993)。基本
4.3发电机基本结构安装型式为IMB3(见GB997),也可根据需要制成其他安装型式。4.4发电机轴伸长度二分之一处的圈跳动公差应符合表4的规定。表4
轴伸直径D
圆跳动公差
4.5发电机底脚支承面的平面度和发电机轴线对底脚支承面的平行度公差应符合GB4772.1的规定。4.6发电机表面油漆应干燥完整、无污损、碰坏,裂痕等现象。发电机转动时应平稳轻快,无停滞现象。4.7
4.8发电机的定额是以连续工作制(S1)为基准的连续定额。4.9发电机在下列条件下应能正常运行。4.9.1发电机在下列海拨和环境空气度条件下应能额定运行:海拨不超过1000m
—40c
运行地点的环境空气温度不超过40℃,不低于一15℃,根据需要也可不低于一25℃或4.9.2当运行地点的海拔和环境空气温度与上述规定不符时,执行GB755的规定。,4.9.3运行地点最湿月月平均最高相对湿度为90%,同时该月月平均最低温度不高于25℃。4.9.4其他运行条件由制造厂与用户协商。4.10发电机在额定运行时,其直流输出效率的保证值应符合表5的规定,效率容差为一0.15(1-n)。
效率n
GB 10760.1—89
注:效率用直接法确定(冷却空气温度应换算到25℃)。200
4.11发电机应能承受短路机械强度试验而不发生损坏及有害变形,试验应在当电机空载转速为额定转速时进行,在交流侧短路,短路应历时3s。4.12发电机的正带工作转速范围为65%~150%额定转速。4.12.1在65%额定转速下,发电机的空载裁电压应不低于额定电压。4.12.2当发电机在额定电压并输出额定功率时,其转速应不大于105%额定转速。4.12.3在150%额定转速下,发电机在额定电压下应能过载运行2min。4.13发电机在空载情况下,应能承受2倍额转速,历时2min。转子结构应不发生损坏及有害变形。4.14发电机各绕组来用E级或B级绝缘,当海拔和环境空气温度符合第4.9条规定时,各绕组的温升(电阻法)应分别不超过75K和80K。轴承的温度(温度计法)应不超过95℃C,如试验地点的海拔或环境空气温度与本标准4.9.1条的规定不同时,温升限值应按GB755修正。4.15发电机在规定的环境空气最低温度下运行时,塑料件、橡胶件,金属件等均应无断裂现象。4.16发电机各绕组的热态绝缘电阻应不低于0.23M。防潮试验后发电机绕组绝缘电阻应不低于0.23 Mn
4.17发电机的起动阻力矩应符合表6的规定。表6
最大起动阻力矩
4.18发电机各绕组应能承受1min的耐电压试验而不发生击穿。试验电压的频率为50Hz,波形尽可能接近正弦波,试验电压的有效值对功率小于1kW且额定电压低于100V的发电机为500V加2倍额定电压,其余为1500V。
注:半导体馨件不做此项试验。5检验规则
5.1每台发电机须经检验合格后才能出厂,并应附有产品合格证。5.2每台发电机应经过检查试验,检查试验项目包括:a。机械检查,其中包括:转动检查、外观检查,安装尺寸检查,发电机轴伸圆跳动检查和轴线对底脚支承面平行度及底脚支承面的平面度检查,b各独立电路对机壳及其相互间绝缘电阻的测定(检查试验时可测量冷态绝缘电阻,但应保证热态绝缘电阻不低于本标准第4.8条的规定);c.
绕组在实际冷态下直流电阻的测定;d.
空载特性的测定:
发电机输出功率的测定,
超速试验;
耐电压试验:
起动阻力矩测定。
G 10760.1-89
5.3凡遐下列情况之一者,必须进行型式试验:a
新产品试制完成时:
发电机设计或工艺材料上的变更足以引起某些特性和参数发生变化时:b.
当检查试验结果和以前进行的型式试验结果发生不可容许的偏差时:C
成批生产的发电机的定期抽试,每年至少一次,型式试验每次至少两台,在试验中如有一项不d.
合格,则应在同一批发电机中另抽加倍的数量对该项重试·如仍有不合格时,则该批发电机必须对该项进行逐台试验,
5.4发电机的型式试验项目包括:a.
检查试验的全部项目,
温升试验及热态绝缘电阻的测定;效率的测定,
短路机械强度试验:
不同转速下,发电机的输出功率曲线的测定;不同转速下.发电机的效率曲线的测定:防潮试验,
防霉试验仅对有此项要求的发电机):防盐雾试验(仅对有此项要求的发电机);低温试验;
外壳防护等级试验。
法:B、h、i、.k项仅在新产品试制完成时或当设计或工艺材料上的变更足以引起某些特性和参数发生变化时进行。6试验方法
6.1绕组对机壳绝缘电阻的测定
绕组对机壳绝缘电阻的测定按GB1029的规定逝行,试验前必须将整流元件可靠短接或断开,以免揽坏,
6. 2绕组在实际冷态下直流电阻的测定绕组在实际冷态下直流电粗的测定按GB1029的规定进行。6.3超速试验
超速试验参照GB1029规定的方法进行。6.4 耐电压试验
耐电压试验参照GB1029规定的方法进行,试验前必须将整流元件可靠短接或断开,以免损坏。6.5温升试验及热态绝缘电阻的测定温升试验及热态绝缘电阻的测定按GB1029的规定进行。6.6短路机械强度试验
短路机械强度试验参照GB1029的规定进行,试验前必须将整流元件可靠短接或断开,以免摄坏。6.7效率测定
效率测定采用直接法。发电机在额定电压,额定功率下运行,此时发电机转速应不大于110%额定转速,当各部分温度基本上达到稳定以后,测定发电机输入功率、直流输出功率、电流、绕组热态电以及冷却空气温度。
将绕组的损耗按式(1)换算到冷却空气温度为25时的数值。235 + 40. + 25
X(RR)
235+0+t
式中:△6——绕组的温升值,K,I发电机输出电流,A;
R——绕组热态电阻,a;
t——冷却空气蕴度,℃。
GB10760.189
换算到冷却空气温度为25℃时的发电机效率按式(2)计算:×100%
P=P-(R)2+(R)
式中;P,—发电机输人功率,;
2——换算后的发电机输出功率,W;P——发电机直流输出功率,W。
--( 3)
发电机效率测定时,应包括整流桥和连接线的损耗,连接线长度为25m,直径按电流密度1.5A/mm选取。
6.8不同工作转速下发电机空载电压的测定发电机在65%、80%、100%、120%额定转速下空裁运行,用电磁式电压表测量发电机空载整流后的直流电压。
6.9发电机输出功率的测定
发电机输出端用本标准6.7条规定的连接线连接,并经整流后加电阻负载,保持发电机的电压为额定电压,当发电机的输出功率为额定值时,其转速应符合4.12.2条的规定。6.10起动阻力矩的测定
发电机轴伸上固定安装一已知直径的圆盘,在圆盘的切线方向加力,读出圆盘开始转动时所加力的读数,转动圆盘一周,其最大读数与圆盘半径的乘积即为起动阻力矩。一周的测点应不少于3点。6.11输出功率和效率与转速关系曲线的测定发电机分别在65%、80%、100%、120%、150%额定转速和额定电压下运行,用直接负载法(电阻负载)测定此时发电机的输出功率和发电机的实测效率,以转速为横坐标,效率和输出功率为纵坐标作出关系曲线,测定时的连接线应符合本标准6.7条的规定。6.12低温试验
发电机在规定的最低环境温度下静置不少于4万,测定发电机的起动阻力矩,此时阻力矩应不大于常温下的2.5倍最大阻力矩。然后拖动发电机,使其转速为65%额定转速,测量发电机空载电压。发电机空载电压应不低于额定值,停机后检查外观、塑料件、橡胶件、金件及润滑油等。6.13防潮试验
防潮试验按国家标准《电机在一般环境条件下使用的湿热试验要求》进行,试验后成检查绝缘电阻,绝缘电阻应符合本标准4.16条的规定,并能承受耐电压试验而不击穿,试验屯压应为规定值的855%。6.14防需试验
防霉试验按GB2423.16的规定进行,发电机外露于空气中的绝缘和塑料零件或材料试品每种3件;试验后长等级应不超过3级,但其长霉面积最大不得超过50%。6.15外壳防护等级试验
发电机外壳防护等级的试验按GB4942.1的规定进行。6.16防盐雾试验
盐雾试验按GB2423.17的规定进行。电镀件试品每种3件,试验的持续时间和外观合格要求应按表7规定。
底金属和镀层类别
钢镀锌
钢镀装饰路
铜及铜合金镁镍络
铜及铜台金镀镶
铜及铜合金镀银
铜及铜合金嫂幅
标志和包装
GB 10760.189
试验持续时间
7.1发电机应有铭牌,铭牌上的字迹应清楚、牢固。7.2免费标准bzxz.net
铭牌应牢固地固定在发电机机座的明显位置,牌的内容包括:a.
制造厂名称;
发电机名称:
发电机型号:
额定转速:
额定功率,
额定电压,
绝缘等级;
外壳防护等级;
制造厂产品编号:
出厂年月,
重量。
合格标准
未出现白色,灰黑色,棕色等颜色的腐蚀产物
未出现棕色或其他顏色的蚀产物未出现灰白或绿的腐蚀产萄
未出现黑色的腐烛产物
发电机的包装应能保证在正常的储运条件下,不致因包装不善而导致受潮与损坏。包装箱外壁的文字和标志应清楚整齐,内容如下:7.4
发货站及制造厂名称!
收货站及收货单位名称;
发电机型号及出品编号:
发电机的净重及连同包装箱的毛重:包装箱尺寸;
在包装箱外的适当位置应标有“小心轻放”、“防混”等字样,其图形应符合GB191的规定。7.5发电机的使用维护说明书,产品合格证应随同每台发电机供给用户。7.6在用户按照制造厂的使用维护说明书的规定,正确使用与存放发电机的情况下,制造厂应保证发电机在使用一年内,但自制造厂起运两年的时间内能良好地运行。如在此规定时间内电机因制造质量不良而发生损坏或不能正常工作时,制造厂应无偿地为用户修理或更换零件或发电机。1760.1-
态标准自全国风力机械标准化委员会楼出进旧本药信上海电料科学研究收贵责算,本标榨要享人庄月定意、文气张粥摄光
小提示:此标准内容仅展示完整标准里的部分截取内容,若需要完整标准请到上方自行免费下载完整标准文档。
型风力发电机
Specification for small wind generators生题内容与适用范围
GB 10760. 189
本标准规定了风轮直接驱动的充电型小型风力发电机的产品品种基本参数、技术要求、检验规则、试验方法以及标志和包装的要求。本标准适用于风轮直接驱动的充电型小型风力发电机(以下简称发电机)。本标准不适用于感应子式小型风力发电机。引用标准
包装储运图示标志
旋转电机基本技术要求
电机结构及安装型式代号
三相同步电机试验方法
电机冷却方法
电工电子产品基本环境试验规程试验J:长霉试验方法
电工电子产品基本环境试验规程GB
试验Ka,盐募试验方法
GB4772.1电机尺寸及公差机座号36~400凸缘号FF55~FF1080或FT55~FT1080的电机GB4942.1电机外壳防护分级
3产品品种及基本参数
发电机应按下列额定功率制造:50,100,200,300,500,1000W。3.2发电机功率与额定转速、电压的对应关系按表1规定。表1
功率,W
转速,/min
电压,V
注:发电机额定电压指发电机在额定工况下运行,其端子电压为整流后并扣除连接线压降的直流输出电压,应优先采用不措括号者。连接线的长度与直径按本标准6.7条的规定。中华人民共和国机械电子工业部1989-03-10批准1990-01-01实施
GB10760.1—89
3.3发电机的安装尺寸(见图1)及其公差应符合表2的规定,其他结构安装型式的安装尺寸应由制道厂在企业标准中规定。
300,500
基本尺寸
基本尺寸
安装尺及公差
极限偏差
基本尺寸
基本尺寸
极限偏差位置度公差
基本尺寸
3.4发电机轴仲采用锥度为1:10的圆锥形轴伸。可按图2所示的A型或B型制造。尺寸应符合表3规定。
100,200
200,300
技术要求
不小于
GB 10760. 189
M12×1.25h6
M16X1.5-h6
M20×1.5—h6
M24×2—h6
M30X2—h6
发电机应符合本技术条件的要求,并按经一定程序批准的图样和技术条件制造。4.1发电机的外壳防护等级为IP44或IP54(见GB4942.1)。4.2发电机的冷却方法为IC0041(见GB1993)。基本
4.3发电机基本结构安装型式为IMB3(见GB997),也可根据需要制成其他安装型式。4.4发电机轴伸长度二分之一处的圈跳动公差应符合表4的规定。表4
轴伸直径D
圆跳动公差
4.5发电机底脚支承面的平面度和发电机轴线对底脚支承面的平行度公差应符合GB4772.1的规定。4.6发电机表面油漆应干燥完整、无污损、碰坏,裂痕等现象。发电机转动时应平稳轻快,无停滞现象。4.7
4.8发电机的定额是以连续工作制(S1)为基准的连续定额。4.9发电机在下列条件下应能正常运行。4.9.1发电机在下列海拨和环境空气度条件下应能额定运行:海拨不超过1000m
—40c
运行地点的环境空气温度不超过40℃,不低于一15℃,根据需要也可不低于一25℃或4.9.2当运行地点的海拔和环境空气温度与上述规定不符时,执行GB755的规定。,4.9.3运行地点最湿月月平均最高相对湿度为90%,同时该月月平均最低温度不高于25℃。4.9.4其他运行条件由制造厂与用户协商。4.10发电机在额定运行时,其直流输出效率的保证值应符合表5的规定,效率容差为一0.15(1-n)。
效率n
GB 10760.1—89
注:效率用直接法确定(冷却空气温度应换算到25℃)。200
4.11发电机应能承受短路机械强度试验而不发生损坏及有害变形,试验应在当电机空载转速为额定转速时进行,在交流侧短路,短路应历时3s。4.12发电机的正带工作转速范围为65%~150%额定转速。4.12.1在65%额定转速下,发电机的空载裁电压应不低于额定电压。4.12.2当发电机在额定电压并输出额定功率时,其转速应不大于105%额定转速。4.12.3在150%额定转速下,发电机在额定电压下应能过载运行2min。4.13发电机在空载情况下,应能承受2倍额转速,历时2min。转子结构应不发生损坏及有害变形。4.14发电机各绕组来用E级或B级绝缘,当海拔和环境空气温度符合第4.9条规定时,各绕组的温升(电阻法)应分别不超过75K和80K。轴承的温度(温度计法)应不超过95℃C,如试验地点的海拔或环境空气温度与本标准4.9.1条的规定不同时,温升限值应按GB755修正。4.15发电机在规定的环境空气最低温度下运行时,塑料件、橡胶件,金属件等均应无断裂现象。4.16发电机各绕组的热态绝缘电阻应不低于0.23M。防潮试验后发电机绕组绝缘电阻应不低于0.23 Mn
4.17发电机的起动阻力矩应符合表6的规定。表6
最大起动阻力矩
4.18发电机各绕组应能承受1min的耐电压试验而不发生击穿。试验电压的频率为50Hz,波形尽可能接近正弦波,试验电压的有效值对功率小于1kW且额定电压低于100V的发电机为500V加2倍额定电压,其余为1500V。
注:半导体馨件不做此项试验。5检验规则
5.1每台发电机须经检验合格后才能出厂,并应附有产品合格证。5.2每台发电机应经过检查试验,检查试验项目包括:a。机械检查,其中包括:转动检查、外观检查,安装尺寸检查,发电机轴伸圆跳动检查和轴线对底脚支承面平行度及底脚支承面的平面度检查,b各独立电路对机壳及其相互间绝缘电阻的测定(检查试验时可测量冷态绝缘电阻,但应保证热态绝缘电阻不低于本标准第4.8条的规定);c.
绕组在实际冷态下直流电阻的测定;d.
空载特性的测定:
发电机输出功率的测定,
超速试验;
耐电压试验:
起动阻力矩测定。
G 10760.1-89
5.3凡遐下列情况之一者,必须进行型式试验:a
新产品试制完成时:
发电机设计或工艺材料上的变更足以引起某些特性和参数发生变化时:b.
当检查试验结果和以前进行的型式试验结果发生不可容许的偏差时:C
成批生产的发电机的定期抽试,每年至少一次,型式试验每次至少两台,在试验中如有一项不d.
合格,则应在同一批发电机中另抽加倍的数量对该项重试·如仍有不合格时,则该批发电机必须对该项进行逐台试验,
5.4发电机的型式试验项目包括:a.
检查试验的全部项目,
温升试验及热态绝缘电阻的测定;效率的测定,
短路机械强度试验:
不同转速下,发电机的输出功率曲线的测定;不同转速下.发电机的效率曲线的测定:防潮试验,
防霉试验仅对有此项要求的发电机):防盐雾试验(仅对有此项要求的发电机);低温试验;
外壳防护等级试验。
法:B、h、i、.k项仅在新产品试制完成时或当设计或工艺材料上的变更足以引起某些特性和参数发生变化时进行。6试验方法
6.1绕组对机壳绝缘电阻的测定
绕组对机壳绝缘电阻的测定按GB1029的规定逝行,试验前必须将整流元件可靠短接或断开,以免揽坏,
6. 2绕组在实际冷态下直流电阻的测定绕组在实际冷态下直流电粗的测定按GB1029的规定进行。6.3超速试验
超速试验参照GB1029规定的方法进行。6.4 耐电压试验
耐电压试验参照GB1029规定的方法进行,试验前必须将整流元件可靠短接或断开,以免损坏。6.5温升试验及热态绝缘电阻的测定温升试验及热态绝缘电阻的测定按GB1029的规定进行。6.6短路机械强度试验
短路机械强度试验参照GB1029的规定进行,试验前必须将整流元件可靠短接或断开,以免摄坏。6.7效率测定
效率测定采用直接法。发电机在额定电压,额定功率下运行,此时发电机转速应不大于110%额定转速,当各部分温度基本上达到稳定以后,测定发电机输入功率、直流输出功率、电流、绕组热态电以及冷却空气温度。
将绕组的损耗按式(1)换算到冷却空气温度为25时的数值。235 + 40. + 25
X(RR)
235+0+t
式中:△6——绕组的温升值,K,I发电机输出电流,A;
R——绕组热态电阻,a;
t——冷却空气蕴度,℃。
GB10760.189
换算到冷却空气温度为25℃时的发电机效率按式(2)计算:×100%
P=P-(R)2+(R)
式中;P,—发电机输人功率,;
2——换算后的发电机输出功率,W;P——发电机直流输出功率,W。
--( 3)
发电机效率测定时,应包括整流桥和连接线的损耗,连接线长度为25m,直径按电流密度1.5A/mm选取。
6.8不同工作转速下发电机空载电压的测定发电机在65%、80%、100%、120%额定转速下空裁运行,用电磁式电压表测量发电机空载整流后的直流电压。
6.9发电机输出功率的测定
发电机输出端用本标准6.7条规定的连接线连接,并经整流后加电阻负载,保持发电机的电压为额定电压,当发电机的输出功率为额定值时,其转速应符合4.12.2条的规定。6.10起动阻力矩的测定
发电机轴伸上固定安装一已知直径的圆盘,在圆盘的切线方向加力,读出圆盘开始转动时所加力的读数,转动圆盘一周,其最大读数与圆盘半径的乘积即为起动阻力矩。一周的测点应不少于3点。6.11输出功率和效率与转速关系曲线的测定发电机分别在65%、80%、100%、120%、150%额定转速和额定电压下运行,用直接负载法(电阻负载)测定此时发电机的输出功率和发电机的实测效率,以转速为横坐标,效率和输出功率为纵坐标作出关系曲线,测定时的连接线应符合本标准6.7条的规定。6.12低温试验
发电机在规定的最低环境温度下静置不少于4万,测定发电机的起动阻力矩,此时阻力矩应不大于常温下的2.5倍最大阻力矩。然后拖动发电机,使其转速为65%额定转速,测量发电机空载电压。发电机空载电压应不低于额定值,停机后检查外观、塑料件、橡胶件、金件及润滑油等。6.13防潮试验
防潮试验按国家标准《电机在一般环境条件下使用的湿热试验要求》进行,试验后成检查绝缘电阻,绝缘电阻应符合本标准4.16条的规定,并能承受耐电压试验而不击穿,试验屯压应为规定值的855%。6.14防需试验
防霉试验按GB2423.16的规定进行,发电机外露于空气中的绝缘和塑料零件或材料试品每种3件;试验后长等级应不超过3级,但其长霉面积最大不得超过50%。6.15外壳防护等级试验
发电机外壳防护等级的试验按GB4942.1的规定进行。6.16防盐雾试验
盐雾试验按GB2423.17的规定进行。电镀件试品每种3件,试验的持续时间和外观合格要求应按表7规定。
底金属和镀层类别
钢镀锌
钢镀装饰路
铜及铜合金镁镍络
铜及铜台金镀镶
铜及铜合金镀银
铜及铜合金嫂幅
标志和包装
GB 10760.189
试验持续时间
7.1发电机应有铭牌,铭牌上的字迹应清楚、牢固。7.2免费标准bzxz.net
铭牌应牢固地固定在发电机机座的明显位置,牌的内容包括:a.
制造厂名称;
发电机名称:
发电机型号:
额定转速:
额定功率,
额定电压,
绝缘等级;
外壳防护等级;
制造厂产品编号:
出厂年月,
重量。
合格标准
未出现白色,灰黑色,棕色等颜色的腐蚀产物
未出现棕色或其他顏色的蚀产物未出现灰白或绿的腐蚀产萄
未出现黑色的腐烛产物
发电机的包装应能保证在正常的储运条件下,不致因包装不善而导致受潮与损坏。包装箱外壁的文字和标志应清楚整齐,内容如下:7.4
发货站及制造厂名称!
收货站及收货单位名称;
发电机型号及出品编号:
发电机的净重及连同包装箱的毛重:包装箱尺寸;
在包装箱外的适当位置应标有“小心轻放”、“防混”等字样,其图形应符合GB191的规定。7.5发电机的使用维护说明书,产品合格证应随同每台发电机供给用户。7.6在用户按照制造厂的使用维护说明书的规定,正确使用与存放发电机的情况下,制造厂应保证发电机在使用一年内,但自制造厂起运两年的时间内能良好地运行。如在此规定时间内电机因制造质量不良而发生损坏或不能正常工作时,制造厂应无偿地为用户修理或更换零件或发电机。1760.1-
态标准自全国风力机械标准化委员会楼出进旧本药信上海电料科学研究收贵责算,本标榨要享人庄月定意、文气张粥摄光
小提示:此标准内容仅展示完整标准里的部分截取内容,若需要完整标准请到上方自行免费下载完整标准文档。
标准图片预览:





- 其它标准
- 热门标准
- 国家标准(GB)
- GB/T30917—2014 /ISo 29941:2010 天然胶乳橡胶避孕套中可迁移亚硝胺的测定
- GB/T12777-1999 金属波纹管膨胀节通用技术条件
- GB15193.5-2003 骨髓细胞微核试验
- GB/T29633.4-2020 南极地名 第4部分:罗马字母拼写
- GB/T39964-2021 造纸行业能源管理体系实施指南
- GB/T43929-2024 空间用纤维光学器件测试指南
- GB/T43225-2023 空间物体登记要求
- GB15985-1995 丝虫病诊断标准及处理原则
- GB19159-2003 车用液化石油气
- GB/T7407-1997 中国及世界主要海运贸易港口代码
- GB1913.2-1990 漂白浸渍绝缘纸
- GB14287.4-2014 电气火灾监控系统 第4部分:故障电弧探测器
- GB5237.3-2008 铝合金建筑型材 第3部分:电泳涂漆型材
- GB/T9771.6-2020 通信用单模光纤 第6部分:宽波长段 光传输用非零色散单模光纤特性
- GB29140-2024 纯碱单位产品能源消耗限额
- 行业新闻
请牢记:“bzxz.net”即是“标准下载”四个汉字汉语拼音首字母与国际顶级域名“.net”的组合。 ©2025 标准下载网 www.bzxz.net 本站邮件:bzxznet@163.com
网站备案号:湘ICP备2025141790号-2
网站备案号:湘ICP备2025141790号-2