- 您的位置:
- 标准下载网 >>
- 标准分类 >>
- 国家标准(GB) >>
- GB/T 622-1989 化学试剂 盐酸
标准号:
GB/T 622-1989
标准名称:
化学试剂 盐酸
标准类别:
国家标准(GB)
标准状态:
已作废-
发布日期:
1989-03-01 -
实施日期:
1989-12-01 -
作废日期:
2007-06-01 出版语种:
简体中文下载格式:
.rar.pdf下载大小:
144.10 KB
替代情况:
替代GB 622-1977;被GB/T 622-2006代替采标情况:
NEQ ISO 6353-2:1983R13
点击下载
标准简介:
标准下载解压密码:www.bzxz.net
本标准规定了化学试剂盐酸的技术要求、试验方法、检验规则、包装及标志。本标准适用于化学试剂盐酸的检验。 GB/T 622-1989 化学试剂 盐酸 GB/T622-1989
部分标准内容:
中华人民共和国国家标准
化学试剂
Chemical reagent
Hydrochlori c aci d
本标准参照采用国际标准ISO6353/2—1983《化学分析试剂中R13“盐酸”
GB 622--89
代替GB622-77
第2部分:规格-
-第一批》
本试剂为无色透明的氯化氢水溶液,在空气中发烟,有刺激臭味,其密度为1.18g/mL。分子式:HC1
相对分子质量:36.46(按1987年国际原子量)主题内容与适用范围
本标准规定了化学试剂盐酸的技术要求、试验方法、检验规则、包装及标志。本标准适用于化学试剂盐酸的检验。2引用标准
GB 601
滴定分析(容量分析)用标准溶液的制备化学试剂
化学试剂
化学试剂
杂质测定用标准溶液的制备
试验方法中所用制剂及制品的制备化学试剂色度测定通用方法
化学试剂砷测定通用方法(砷斑法)GB 619
GB 6682
GB9723
化学试剂采样及验收规则
实验室用水规格
化学试剂火焰原子吸收光谱法通则HG 3—119
化学试剂包装及标志
3技术要求
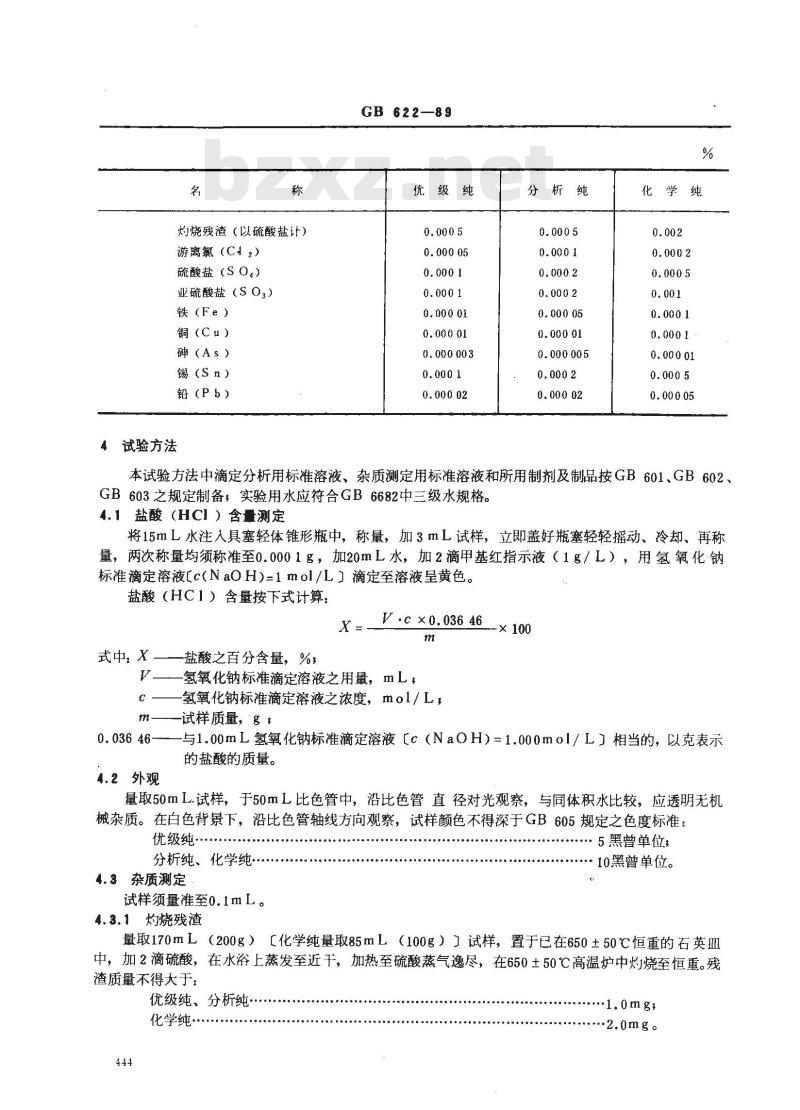
3.1盐酸(HC1)含量:36%~38%。3.2外观:合格。
3.3杂质最高含量(指标以百分含量计):中华人民共和国化学工业部1989-03-01批准1989-12-01实施
灼烧残渣(以硫酸盐计)
游离氯(C12)
硫酸盐(SO)
业硫酸盐(SO,)
铁(Fe)
铜(Cu)
砷(As)
锡(Sn)
铅(Pb)
4试验方法
GB 622—89
优级纯
分析纯
化学纯
本试验方法中滴定分析用标准溶液、杂质测定用标准溶液和所用制剂及制品按GB601、GB602、GB603之规定制备,实验用水应符合GB6682中三级水规格。4.1盐酸(HCI)含量测定
将15mL水注人具塞轻体锥形瓶中,称量,加3mL试样,立即盖好瓶塞轻轻摇动、冷却、再称量,两次称量均须称准至0.0001g,加20mL水,加2滴甲基红指示液(1g/L),用氢氧化钠标准滴定溶液[c(NaOH)=1mol /L]滴定至溶液呈黄色。盐酸(HC1)含量按下式计算:
式中:X
盐酸之百分含量,%;
0.036 46-
4.2外观
V.c x0.036 46
氢氧化钠标准滴定溶液之用量,mL氢氧化钠标准滴定溶液之浓度,mol/L,试样质量,‘g,
与1.00mL氢氧化钠标准滴定溶液【c(NaOH)=1.000mo1l/L]相当的,以克表示的盐酸的质量。
量取50mL-试样,于50mL比色管中,沿比色管直径对光观察,与同体积水比较,应透明无机械杂质。在白色背景下,沿比色管轴线方向观察,试样颜色不得深于GB605规定之色度标准:优级纯
分析纯、化学纯
4.3杂质测定
试样须量准至0.1mL。
4.3.1灼烧残渣
·5黑曾单位;
10黑曾单位。
量取170mL(200g)【化学纯量取85mL(100g)]试样,置于已在650±50℃恒重的石英Ⅲ中,加2滴硫酸,在水浴上蒸发至近于,加热至硫酸蒸气逸尽,在650±50℃高温炉中灼烧至恒重。残渣质量不得大于;
优级纯、分析纯
化学纯
.2.0mg。
4.3.2游离氯
4.3.2.1制剂的制备
邻联甲苯胺溶液
GB 622--89
称取0.1g邻联甲苯胺,加3mL盐酸及少量水溶解,稀释至100mL。b.无游离氯的盐酸
盐酸按4.3.2.2条方法操作,如无色即认为无游离氯。4.3.2.2测定方法
量取8.5mL(10g)试样,加25mL水及1mL邻联甲苯胺溶液,所呈黄色不得深于标准。标准是取含下列数量游离氯的杂质标准溶液:优级纯
分析纯
化学纯·
加8.5mL(10g)无游离氯的盐酸,与试样同时同样处理。4.3.3硫酸盐
-0.005mgC1z3
.-0. 010mgC123
.0.020mg C12.
量取8.5mL(10g)试样,加0.2mL无水碳酸钠溶液(50g/L),在水浴上蒸干。残渣溶于15mL水中,加0.5mL盐酸溶液(20%)。将0.25mL硫酸钾乙醇溶液与1mL氯化钡溶液(250g/L)混合(晶种液),准确放置1min,加上述已酸化的试样溶液,稀释至25mL,摇匀,放置5min,所呈浊度不得大于标准。标准是取0.2mL无水碳酸钠溶液(50g/L)及含下列数量硫酸盐的杂质标准溶液;优级纯
分析纯
化学纯
稀释至15mL水,与同体积试样溶液同时同样处理。4.3.4亚硫酸盐
4.3.4.1碘-碘化钾溶液的制备
*+ 0. 01mg SOg3
..0.02mgS O4*
.0.05mg S O4.
称取1g碘化钾,溶于50mL无氧的水中,加人下列数量的碘标准滴定溶液c(mol /LJ:
优级纯·
分析纯·
化学纯·
加1mL淀粉指示液(10g/L),摇匀。4.3.4.2测定方法
·0.09mL3
0.90mL。
量取30mL(35g)试样,用无氧的水稀释至50mL,加到碘-碘化钾溶液中,摇匀,所呈蓝色不得褪尽。
量取17mL(20g)试样,加2滴硫酸,在水浴上蒸发至近干。残渣溶于15mL水,用氨水调节试液pH值至2,加1mL抗坏血酸溶液(20g/L)、5mL乙酸-乙酸钠缓冲溶液(pH~4.5)及1mL1,10-菲啰啉溶液(2g/L),稀释至25mL,摇匀,放置15min。所呈红色不得深于标准。标准是取含下列数量铁的杂质标准溶液:优级纯
分析纯
化学纯·
加2滴硫酸及15mL水,与同体积试样溶液同时同样处理。0.002mg Fe
0.010mg Fet
-0.020mgFe.
按火焰原于吸收光谱法测定。
4.3.6.1仪器条件
光源:铜空心阴极灯;
波长:324.7nm;
火焰:乙炔-空气。
4.3.6.2测定方法
GB 622—89
量取42.5mL(50g)试样,置于石英蒸发Ⅲ中,在水封蒸发器内,蒸发至近干,加1mL盐酸溶液(15%)及适量水溶解残渣,稀释至10mL。按GB9723第6.2.1条之规定测定。4.3.7砷
量取34mL(40g)试样,加4mL硝酸和5mL硫酸,在水浴上蒸至近干,加热至硫酸蒸气开始逸出,冷却,在搅拌下小心地加25mL水,再于水浴上蒸至近干,加热至硫酸蒸气开始逸出。加水稀释及蒸发操作重复两次,冷却。按GB610.1之规定测定。溴化汞试纸所垦棕黄色不得深于标准。标准是取含下列数量砷的杂质标准溶液:优级纯·
分析纯·
化学纯
稀释至70mL,与同体积试样溶液同时同样处理。4.3.8锡bzxZ.net
.. 0.001 2mgAs,
? 0.002 0mg As 3
· 0.004 0 mgAs.
量取1.7mL(2g)试样,加3滴硫酸及1滴硝酸,在水浴上蒸至近干,加10mL水及0.25mL30%过氧化氢,于40~50℃水浴中放置5min,加0.5mL饱和尿素溶液,用氨水溶液(10%)调节溶液pH值6~7,加0.4mL盐酸溶液(20%)及0.4mL苯基荧光酮溶液(0.1g/L),摇匀,放置45min,所呈红色不得深于标准。标准是取含下列数量锡的杂质标准溶液:优级纯
分析纯
化学纯·
与试样同时同样处理。
按火焰原子吸收光谱法测定。
4.3.9.1仪器条件
光源:铅空心阴极灯,
波长:283.3nm
火焰:乙炔-空气。
4.3.9.2测定方法
. 0.002mg Sn,
:0.004mgSn,
. 0.010mgSn.
量取59.5mL(70g)试样,置于石英蒸发皿中在水封蒸发器内蒸发至近干,加1mL盐酸溶液(15%)及适量水溶解残渣,稀释至10mL。按GB9723第6.2.1条之规定测定。5检验规则
按GB 619之规定进行采样及验收。6包装及标志
6.1包装
按HG 3-119之规定。
内包装形式:
X-1,X-4,
外包装形式:
包装单位:第4、5类。
GB 622—89
3~119之规定,并注明“腐蚀性物品”。按HG
附加说明:
本标准由全国化学标准化技术委员会化学试剂分会提出。本标准由北京化学试剂总厂归口。本标准由南京化学试剂厂负责起草。本标准主要起草人史建祥。
本标准于1965年首次发布,1977年修订。447
小提示:此标准内容仅展示完整标准里的部分截取内容,若需要完整标准请到上方自行免费下载完整标准文档。
化学试剂
Chemical reagent
Hydrochlori c aci d
本标准参照采用国际标准ISO6353/2—1983《化学分析试剂中R13“盐酸”
GB 622--89
代替GB622-77
第2部分:规格-
-第一批》
本试剂为无色透明的氯化氢水溶液,在空气中发烟,有刺激臭味,其密度为1.18g/mL。分子式:HC1
相对分子质量:36.46(按1987年国际原子量)主题内容与适用范围
本标准规定了化学试剂盐酸的技术要求、试验方法、检验规则、包装及标志。本标准适用于化学试剂盐酸的检验。2引用标准
GB 601
滴定分析(容量分析)用标准溶液的制备化学试剂
化学试剂
化学试剂
杂质测定用标准溶液的制备
试验方法中所用制剂及制品的制备化学试剂色度测定通用方法
化学试剂砷测定通用方法(砷斑法)GB 619
GB 6682
GB9723
化学试剂采样及验收规则
实验室用水规格
化学试剂火焰原子吸收光谱法通则HG 3—119
化学试剂包装及标志
3技术要求
3.1盐酸(HC1)含量:36%~38%。3.2外观:合格。
3.3杂质最高含量(指标以百分含量计):中华人民共和国化学工业部1989-03-01批准1989-12-01实施
灼烧残渣(以硫酸盐计)
游离氯(C12)
硫酸盐(SO)
业硫酸盐(SO,)
铁(Fe)
铜(Cu)
砷(As)
锡(Sn)
铅(Pb)
4试验方法
GB 622—89
优级纯
分析纯
化学纯
本试验方法中滴定分析用标准溶液、杂质测定用标准溶液和所用制剂及制品按GB601、GB602、GB603之规定制备,实验用水应符合GB6682中三级水规格。4.1盐酸(HCI)含量测定
将15mL水注人具塞轻体锥形瓶中,称量,加3mL试样,立即盖好瓶塞轻轻摇动、冷却、再称量,两次称量均须称准至0.0001g,加20mL水,加2滴甲基红指示液(1g/L),用氢氧化钠标准滴定溶液[c(NaOH)=1mol /L]滴定至溶液呈黄色。盐酸(HC1)含量按下式计算:
式中:X
盐酸之百分含量,%;
0.036 46-
4.2外观
V.c x0.036 46
氢氧化钠标准滴定溶液之用量,mL氢氧化钠标准滴定溶液之浓度,mol/L,试样质量,‘g,
与1.00mL氢氧化钠标准滴定溶液【c(NaOH)=1.000mo1l/L]相当的,以克表示的盐酸的质量。
量取50mL-试样,于50mL比色管中,沿比色管直径对光观察,与同体积水比较,应透明无机械杂质。在白色背景下,沿比色管轴线方向观察,试样颜色不得深于GB605规定之色度标准:优级纯
分析纯、化学纯
4.3杂质测定
试样须量准至0.1mL。
4.3.1灼烧残渣
·5黑曾单位;
10黑曾单位。
量取170mL(200g)【化学纯量取85mL(100g)]试样,置于已在650±50℃恒重的石英Ⅲ中,加2滴硫酸,在水浴上蒸发至近于,加热至硫酸蒸气逸尽,在650±50℃高温炉中灼烧至恒重。残渣质量不得大于;
优级纯、分析纯
化学纯
.2.0mg。
4.3.2游离氯
4.3.2.1制剂的制备
邻联甲苯胺溶液
GB 622--89
称取0.1g邻联甲苯胺,加3mL盐酸及少量水溶解,稀释至100mL。b.无游离氯的盐酸
盐酸按4.3.2.2条方法操作,如无色即认为无游离氯。4.3.2.2测定方法
量取8.5mL(10g)试样,加25mL水及1mL邻联甲苯胺溶液,所呈黄色不得深于标准。标准是取含下列数量游离氯的杂质标准溶液:优级纯
分析纯
化学纯·
加8.5mL(10g)无游离氯的盐酸,与试样同时同样处理。4.3.3硫酸盐
-0.005mgC1z3
.-0. 010mgC123
.0.020mg C12.
量取8.5mL(10g)试样,加0.2mL无水碳酸钠溶液(50g/L),在水浴上蒸干。残渣溶于15mL水中,加0.5mL盐酸溶液(20%)。将0.25mL硫酸钾乙醇溶液与1mL氯化钡溶液(250g/L)混合(晶种液),准确放置1min,加上述已酸化的试样溶液,稀释至25mL,摇匀,放置5min,所呈浊度不得大于标准。标准是取0.2mL无水碳酸钠溶液(50g/L)及含下列数量硫酸盐的杂质标准溶液;优级纯
分析纯
化学纯
稀释至15mL水,与同体积试样溶液同时同样处理。4.3.4亚硫酸盐
4.3.4.1碘-碘化钾溶液的制备
*+ 0. 01mg SOg3
..0.02mgS O4*
.0.05mg S O4.
称取1g碘化钾,溶于50mL无氧的水中,加人下列数量的碘标准滴定溶液c(mol /LJ:
优级纯·
分析纯·
化学纯·
加1mL淀粉指示液(10g/L),摇匀。4.3.4.2测定方法
·0.09mL3
0.90mL。
量取30mL(35g)试样,用无氧的水稀释至50mL,加到碘-碘化钾溶液中,摇匀,所呈蓝色不得褪尽。
量取17mL(20g)试样,加2滴硫酸,在水浴上蒸发至近干。残渣溶于15mL水,用氨水调节试液pH值至2,加1mL抗坏血酸溶液(20g/L)、5mL乙酸-乙酸钠缓冲溶液(pH~4.5)及1mL1,10-菲啰啉溶液(2g/L),稀释至25mL,摇匀,放置15min。所呈红色不得深于标准。标准是取含下列数量铁的杂质标准溶液:优级纯
分析纯
化学纯·
加2滴硫酸及15mL水,与同体积试样溶液同时同样处理。0.002mg Fe
0.010mg Fet
-0.020mgFe.
按火焰原于吸收光谱法测定。
4.3.6.1仪器条件
光源:铜空心阴极灯;
波长:324.7nm;
火焰:乙炔-空气。
4.3.6.2测定方法
GB 622—89
量取42.5mL(50g)试样,置于石英蒸发Ⅲ中,在水封蒸发器内,蒸发至近干,加1mL盐酸溶液(15%)及适量水溶解残渣,稀释至10mL。按GB9723第6.2.1条之规定测定。4.3.7砷
量取34mL(40g)试样,加4mL硝酸和5mL硫酸,在水浴上蒸至近干,加热至硫酸蒸气开始逸出,冷却,在搅拌下小心地加25mL水,再于水浴上蒸至近干,加热至硫酸蒸气开始逸出。加水稀释及蒸发操作重复两次,冷却。按GB610.1之规定测定。溴化汞试纸所垦棕黄色不得深于标准。标准是取含下列数量砷的杂质标准溶液:优级纯·
分析纯·
化学纯
稀释至70mL,与同体积试样溶液同时同样处理。4.3.8锡bzxZ.net
.. 0.001 2mgAs,
? 0.002 0mg As 3
· 0.004 0 mgAs.
量取1.7mL(2g)试样,加3滴硫酸及1滴硝酸,在水浴上蒸至近干,加10mL水及0.25mL30%过氧化氢,于40~50℃水浴中放置5min,加0.5mL饱和尿素溶液,用氨水溶液(10%)调节溶液pH值6~7,加0.4mL盐酸溶液(20%)及0.4mL苯基荧光酮溶液(0.1g/L),摇匀,放置45min,所呈红色不得深于标准。标准是取含下列数量锡的杂质标准溶液:优级纯
分析纯
化学纯·
与试样同时同样处理。
按火焰原子吸收光谱法测定。
4.3.9.1仪器条件
光源:铅空心阴极灯,
波长:283.3nm
火焰:乙炔-空气。
4.3.9.2测定方法
. 0.002mg Sn,
:0.004mgSn,
. 0.010mgSn.
量取59.5mL(70g)试样,置于石英蒸发皿中在水封蒸发器内蒸发至近干,加1mL盐酸溶液(15%)及适量水溶解残渣,稀释至10mL。按GB9723第6.2.1条之规定测定。5检验规则
按GB 619之规定进行采样及验收。6包装及标志
6.1包装
按HG 3-119之规定。
内包装形式:
X-1,X-4,
外包装形式:
包装单位:第4、5类。
GB 622—89
3~119之规定,并注明“腐蚀性物品”。按HG
附加说明:
本标准由全国化学标准化技术委员会化学试剂分会提出。本标准由北京化学试剂总厂归口。本标准由南京化学试剂厂负责起草。本标准主要起草人史建祥。
本标准于1965年首次发布,1977年修订。447
小提示:此标准内容仅展示完整标准里的部分截取内容,若需要完整标准请到上方自行免费下载完整标准文档。
标准图片预览:





- 其它标准
- 热门标准
- 国家标准(GB)
- GB/T30917—2014 /ISo 29941:2010 天然胶乳橡胶避孕套中可迁移亚硝胺的测定
- GB/T12777-1999 金属波纹管膨胀节通用技术条件
- GB15193.5-2003 骨髓细胞微核试验
- GB/T29633.4-2020 南极地名 第4部分:罗马字母拼写
- GB/T39964-2021 造纸行业能源管理体系实施指南
- GB/T43929-2024 空间用纤维光学器件测试指南
- GB/T43225-2023 空间物体登记要求
- GB15985-1995 丝虫病诊断标准及处理原则
- GB19159-2003 车用液化石油气
- GB/T7407-1997 中国及世界主要海运贸易港口代码
- GB1913.2-1990 漂白浸渍绝缘纸
- GB14287.4-2014 电气火灾监控系统 第4部分:故障电弧探测器
- GB5237.3-2008 铝合金建筑型材 第3部分:电泳涂漆型材
- GB/T9771.6-2020 通信用单模光纤 第6部分:宽波长段 光传输用非零色散单模光纤特性
- GB29140-2024 纯碱单位产品能源消耗限额
- 行业新闻
请牢记:“bzxz.net”即是“标准下载”四个汉字汉语拼音首字母与国际顶级域名“.net”的组合。 ©2025 标准下载网 www.bzxz.net 本站邮件:bzxznet@163.com
网站备案号:湘ICP备2025141790号-2
网站备案号:湘ICP备2025141790号-2