- 您的位置:
- 标准下载网 >>
- 标准分类 >>
- 机械行业标准(JB) >>
- JB/T 9266-1999 显示仪表温度测量范围
标准号:
JB/T 9266-1999
标准名称:
显示仪表温度测量范围
标准类别:
机械行业标准(JB)
标准状态:
现行-
发布日期:
1999-08-06 -
实施日期:
2000-01-01 出版语种:
简体中文下载格式:
.rar.pdf下载大小:
60.44 KB
替代情况:
ZB Y282-1984

点击下载
标准简介:
标准下载解压密码:www.bzxz.net
本标准规定了显示仪表的温度测量范围。本标准适用于配合热电偶、热电阻和辐射感温器测量温度的显示仪表。显示仪表按温度(℃)分度。必要时.允许采用其它温度测量范围。 JB/T 9266-1999 显示仪表温度测量范围 JB/T9266-1999

部分标准内容:
1CS17.020
中华人民共和国机械行业标准
JB/T 92661999
显示仪表温度测量范围
Temperature measuring range of indicating instrumentsand recording instruments
199908-06发布
国家机械工业局
2000-01-01实施
JB/T9266—1999
本标准是对ZBY282—84显示仪表温度测量范围》的修订本标准与ZBY282一84在主要技术内容上没有差异,仅对原标准作丁编辑性修改本标准自实施之日起,代替 ZB 1 282--84本标准由全国工业过程测量和控制标准化技术委员会提出并归口。本标准主要起草单位:上海工业自动化仪装研究所。本标准主要起草人:陆嘉、谷庆昭。范围
中华人民共和国机械行业标准
显示仪表温度测量范围
Temperature measuring range of indicating instrumentsand recording instruments
本标准规定了显示仪表的温度测量范周。JB/T 9266--1999
代替ZB Y282--84
本标准适用于配合热电偶、热电阻和辐射感温器测量温度的显示仪表。显示仪表按温度(℃)分度。必要时,允许采用其它温度测量范围。与热电偶配用的显示仪表的温度测量范围2
与各种热电偶配用的显示仪表,其温度测量范围应符合表1的规定。表1
热电瑪名称
镍铬、铜镍
铜/铜镍
铁/铜藻
镍终,镍铝
镍铬,镍鞋
镍铬硅镍硅
铂10%/铂
铂30%/铂6%
国家机械工业局1999~08-06批准分度号
200~600
400~800
200+300
300~600
0 ~600
0~1000
0-1300
400~800
500~1000
600~ 1200
0~1400
0 ~1600
600 ~ 1600Www.bzxZ.net
0 ~ 1600
0-1800
2000-01-01实施
JB/T 9266-1999
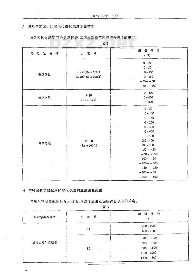
与热电阻配用的显示仪表的温度测蟹范与各种热电阻配用的显示仪表,其温度测量范圈应符合表2的规定。表?
热电阻名称
铜热电阻
铂热电阻
范热电阻
分度号
Cu50(Ro = 500)
Cu 100(Ro = 1000)
(Ro=100)
(Ro= 1002)
与辐射感温器配用的显示仪表的温度测量范围与辐射感温器配用的显示仪表.其温度测量范围应符合表3的规定。表3
暂舒感溢器名
透危式辐时您温器
分度号
浏盘范围
- 50 ~ + 50
- 50 ~ + 100
0 ~600
0~ 200
200400
200~500
- 50 ~ + 50
- 50 ~ + 100
- 100 ~ + 50
- 100 ~ + 100
- 150 ~ + 150
~ 200 ~ + 50
- 200 ~ + 500
迎量范固
4001000
600~1200
700~1400
900 - 1100
900~1800
1100~2000
1200~1800
小提示:此标准内容仅展示完整标准里的部分截取内容,若需要完整标准请到上方自行免费下载完整标准文档。
中华人民共和国机械行业标准
JB/T 92661999
显示仪表温度测量范围
Temperature measuring range of indicating instrumentsand recording instruments
199908-06发布
国家机械工业局
2000-01-01实施
JB/T9266—1999
本标准是对ZBY282—84显示仪表温度测量范围》的修订本标准与ZBY282一84在主要技术内容上没有差异,仅对原标准作丁编辑性修改本标准自实施之日起,代替 ZB 1 282--84本标准由全国工业过程测量和控制标准化技术委员会提出并归口。本标准主要起草单位:上海工业自动化仪装研究所。本标准主要起草人:陆嘉、谷庆昭。范围
中华人民共和国机械行业标准
显示仪表温度测量范围
Temperature measuring range of indicating instrumentsand recording instruments
本标准规定了显示仪表的温度测量范周。JB/T 9266--1999
代替ZB Y282--84
本标准适用于配合热电偶、热电阻和辐射感温器测量温度的显示仪表。显示仪表按温度(℃)分度。必要时,允许采用其它温度测量范围。与热电偶配用的显示仪表的温度测量范围2
与各种热电偶配用的显示仪表,其温度测量范围应符合表1的规定。表1
热电瑪名称
镍铬、铜镍
铜/铜镍
铁/铜藻
镍终,镍铝
镍铬,镍鞋
镍铬硅镍硅
铂10%/铂
铂30%/铂6%
国家机械工业局1999~08-06批准分度号
200~600
400~800
200+300
300~600
0 ~600
0~1000
0-1300
400~800
500~1000
600~ 1200
0~1400
0 ~1600
600 ~ 1600Www.bzxZ.net
0 ~ 1600
0-1800
2000-01-01实施
JB/T 9266-1999
与热电阻配用的显示仪表的温度测蟹范与各种热电阻配用的显示仪表,其温度测量范圈应符合表2的规定。表?
热电阻名称
铜热电阻
铂热电阻
范热电阻
分度号
Cu50(Ro = 500)
Cu 100(Ro = 1000)
(Ro=100)
(Ro= 1002)
与辐射感温器配用的显示仪表的温度测量范围与辐射感温器配用的显示仪表.其温度测量范围应符合表3的规定。表3
暂舒感溢器名
透危式辐时您温器
分度号
浏盘范围
- 50 ~ + 50
- 50 ~ + 100
0 ~600
0~ 200
200400
200~500
- 50 ~ + 50
- 50 ~ + 100
- 100 ~ + 50
- 100 ~ + 100
- 150 ~ + 150
~ 200 ~ + 50
- 200 ~ + 500
迎量范固
4001000
600~1200
700~1400
900 - 1100
900~1800
1100~2000
1200~1800
小提示:此标准内容仅展示完整标准里的部分截取内容,若需要完整标准请到上方自行免费下载完整标准文档。

标准图片预览:




- 热门标准
- 机械行业标准(JB)
- JB/T6882-2006 泵可靠性验证试验
- JB/T9592.2-1999 全金属12角法兰面锁紧螺母 技术条件
- JB/T4718-1992 管壳式换热器用金属包垫片
- JB8734.2-1998 额定电压 450/750V及以下聚氯乙烯绝缘电缆电线和软线第2部分: 固定布线用电缆电线
- JB/T10325-2002 锅炉除氧器 技术条件
- JB/T10187-2011 滚动轴承 深沟球轴承振动
- JB/T7991.4-2001 电镀超硬磨料制品 磨头
- JB/T8528-1997 普通型阀门电动装置 技术条件
- JBJ10-1996 机械工厂采暖通风与空气调节设计规范
- JB/T2740-2008 工业机械电气设备 电气图、图解和表的绘制
- JB/T82.1-1994 凸面对焊钢制管法兰
- JB/T6313.2-1992 电工铜编织线 斜纹编织线
- JB/T10472-2005 光轮压路机
- JB/T5917-2006 袋式除尘器用滤袋框架
- JB/T6943-1993 牧草捡拾器 弹齿
- 行业新闻
请牢记:“bzxz.net”即是“标准下载”四个汉字汉语拼音首字母与国际顶级域名“.net”的组合。 ©2009 标准下载网 www.bzxz.net 本站邮件:bzxznet@163.com
网站备案号:湘ICP备2023016450号-1
网站备案号:湘ICP备2023016450号-1