- 您的位置:
- 标准下载网 >>
- 标准分类 >>
- 机械行业标准(JB) >>
- JB/T 9499.6-1999 康铜电阻合金化学分析方法 磺基水杨酸光度法测定铁量
标准号:
JB/T 9499.6-1999
标准名称:
康铜电阻合金化学分析方法 磺基水杨酸光度法测定铁量
标准类别:
机械行业标准(JB)
标准状态:
现行-
发布日期:
1999-08-06 -
实施日期:
2000-01-01 出版语种:
简体中文下载格式:
.rar.pdf下载大小:
92.88 KB
替代情况:
原标准号ZB N05013.6-1989

点击下载
标准简介:
标准下载解压密码:www.bzxz.net
本标准适用于康铜电阻合金中铁是的测定。测定范围:0.020%~0.50% 。 JB/T 9499.6-1999 康铜电阻合金化学分析方法 磺基水杨酸光度法测定铁量 JB/T9499.6-1999

部分标准内容:
ICS 31.Q30;77.120
中华人民共和国机械行业标准
J3.T 9499.1~9499.7—1999
康铜电阻合金化学分析方法
Method far chemical annlvsts of constantan reslstance alloy1999 - 08 - 06 发布
国家机械工业局
2000 - 01 - 01 实施
JB/T9499.6---1999
本标准足对ZBN05D13.6-89(康剂电阻合金化季分折方法:债考水畅整光度法测定铁量的修订。本标准程据CB/TI.1对原标确作了响举、文字上的能改,主要技术内容没有化。本标准自实施之日起,代替23N05 013,6一89。本标准由仪表块能材料标准化势术委员会提出并妇口:本标差由重庆仪表材料研究所总革。本标准主要起至人:桑培德。
本标准 [989甲 3 月首次基布。20
1范围
中华人民共租国邦械行业标准
康铜电阻合金化学分析方法
磺基水酸光度法测定铁量
Method for chemdcal analyds af constantan resstance alloyThe snhphosallcylc adid pbotoemetric method for thedetermlngtlon of iron codent本标准适所于展销电理会金中铁量的网定。双定范函:0.的0%-0.50%。2引标准
/T9498.6—1999
代替2RN5013.6—89
下列示准所包含的条文,通过在本标准中引用而构成为本标准的案文,本标催出版时,所示版本均为,育效,新有标造都会效修订,位用本标准的各方应探讨使用下列标准原新版本的可能性。CB/T1467—-1978冶金产品化学分析方法标准的总则段一般现3方清摄骤
试群月税硝酸落解,用氯水和硫酸调节较魔,在pH1.8~pH2.5的酸性溶减中失与碳基水杨醛生求会启的红色合物,测量其吸充要。本标准所月分析天半、分折用水、试剂和仪部,以及有效效字和允许整的应用,均应符含/T14的的规定。wwW.bzxz.Net
4试剂和位器
4.1纯铜(9.9%以上),
4.2钝锁(99.9%以上)
4.3 硝酸 (1+ 1)s
4.4硫酸(1+4)。
4.6 机水1 + J)。
4.6横基水杨酸溶液(100g/1):弥取10g磺基水杨酸溶于约7lol水中,用氮水(4.5)调节为pH1.8-H2.5,加水至100ral,混勺。
4.7缺示准磨滴:称取D.2000g纯缺(99.9%以上)量于125ml三角烧杯中,加人15ml确酸(4.3),加热使其溶解;或加入10nl硫酸(4.4),加热至基本解时,再加人5l硝酸(4.3)便其完全率解,煮粥以驱腺需的氧化钩,冷都至室温,种入1D00ml容量:瓶中,用水帮种至刻皮,混勾。此溶症 1ml含0.20mg铁。5分析步要
5.1试样量
尽家机械工业局1999-08-06批准2000-01-01实施
按表上称取站样两份。
0.020~0.10
> 0. 10- 6. 20
>0.20 ~0. 50
5.2空白试啦
随尚试样做空白试验。
5.3泌定
B/T 9499.61989
将两份试分别置于125ml三角瓷杯中,接表2加人硝激(4.3),邀热至试样完全溶期后,宽沸以5.3.1
驱氧的再比物,冷却至室温。用水洗渠表面谨和烧杯内壁,移人100ml容量瓶中,同水稀舜至约50nl,混表2
醛型(4.3)的加人量
5.3.2消加氨水(4. 5)至网生成少量氨率化物沉淀,热后滴硫酸(4.4)至落液清充,并过量 2 ~3滴,此形溶滤的 pH应为 1. 8 - 2. 5, 以后两份液液分别按 5 3. 3及 5 3.4进行。5.3.3显每源液;加人3.0ml硬范水杨壁溶较「4.6).肝水稀翠至亮,混均。5.3.4比落滋:用本端择至!度,混与,53.5在室温下放受10mun-15ma.格部分溶液移人1cm或2cm比色血中,以多比得液为垒比,于分光光度计就长处通量其吸光质,减去随向试样空自试股的级此受后,以工作曲端上出相应的快54工作拍线的会制
5.4.1转表3称欧纯铜(4.1和离的范媒[4.2]六份接5,3.1进行5.4.2分别加人0,00ml,100mL,2.00l。3.00l、4.Cml,5.00ml铁示准(4. 7)、以下接5.3.2及5.3.3进行。
0.020 ~G.EO
> 0. 10 - 0. 20
0.20 -0.50
5.4.3以未加铁标准资滤之显色带落为季比,病5.3.5测量其要光,以快量为横坐标,受光度为款学标,绘制工作出载,
6分析站果的计算
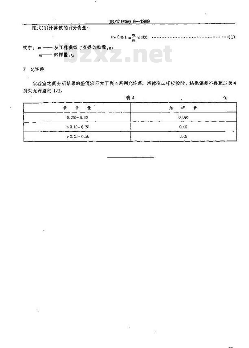
接式(1)计算缺的百分含量:
式中:m
7充许差
TB/ 9499.6-1999
Fe(α) -x100
以工作阅载上查得的快量,多;位样量:6
实验室之间分析结果的考值应不大于表4所列允许整。用标准试样校验时,结果偏差不得超逆表4所烈充许差的1/2。
0.020 ~0.10
> 0.10 - 0. 21
> G.211 .SG
小提示:此标准内容仅展示完整标准里的部分截取内容,若需要完整标准请到上方自行免费下载完整标准文档。
中华人民共和国机械行业标准
J3.T 9499.1~9499.7—1999
康铜电阻合金化学分析方法
Method far chemical annlvsts of constantan reslstance alloy1999 - 08 - 06 发布
国家机械工业局
2000 - 01 - 01 实施
JB/T9499.6---1999
本标准足对ZBN05D13.6-89(康剂电阻合金化季分折方法:债考水畅整光度法测定铁量的修订。本标准程据CB/TI.1对原标确作了响举、文字上的能改,主要技术内容没有化。本标准自实施之日起,代替23N05 013,6一89。本标准由仪表块能材料标准化势术委员会提出并妇口:本标差由重庆仪表材料研究所总革。本标准主要起至人:桑培德。
本标准 [989甲 3 月首次基布。20
1范围
中华人民共租国邦械行业标准
康铜电阻合金化学分析方法
磺基水酸光度法测定铁量
Method for chemdcal analyds af constantan resstance alloyThe snhphosallcylc adid pbotoemetric method for thedetermlngtlon of iron codent本标准适所于展销电理会金中铁量的网定。双定范函:0.的0%-0.50%。2引标准
/T9498.6—1999
代替2RN5013.6—89
下列示准所包含的条文,通过在本标准中引用而构成为本标准的案文,本标催出版时,所示版本均为,育效,新有标造都会效修订,位用本标准的各方应探讨使用下列标准原新版本的可能性。CB/T1467—-1978冶金产品化学分析方法标准的总则段一般现3方清摄骤
试群月税硝酸落解,用氯水和硫酸调节较魔,在pH1.8~pH2.5的酸性溶减中失与碳基水杨醛生求会启的红色合物,测量其吸充要。本标准所月分析天半、分折用水、试剂和仪部,以及有效效字和允许整的应用,均应符含/T14的的规定。wwW.bzxz.Net
4试剂和位器
4.1纯铜(9.9%以上),
4.2钝锁(99.9%以上)
4.3 硝酸 (1+ 1)s
4.4硫酸(1+4)。
4.6 机水1 + J)。
4.6横基水杨酸溶液(100g/1):弥取10g磺基水杨酸溶于约7lol水中,用氮水(4.5)调节为pH1.8-H2.5,加水至100ral,混勺。
4.7缺示准磨滴:称取D.2000g纯缺(99.9%以上)量于125ml三角烧杯中,加人15ml确酸(4.3),加热使其溶解;或加入10nl硫酸(4.4),加热至基本解时,再加人5l硝酸(4.3)便其完全率解,煮粥以驱腺需的氧化钩,冷都至室温,种入1D00ml容量:瓶中,用水帮种至刻皮,混勾。此溶症 1ml含0.20mg铁。5分析步要
5.1试样量
尽家机械工业局1999-08-06批准2000-01-01实施
按表上称取站样两份。
0.020~0.10
> 0. 10- 6. 20
>0.20 ~0. 50
5.2空白试啦
随尚试样做空白试验。
5.3泌定
B/T 9499.61989
将两份试分别置于125ml三角瓷杯中,接表2加人硝激(4.3),邀热至试样完全溶期后,宽沸以5.3.1
驱氧的再比物,冷却至室温。用水洗渠表面谨和烧杯内壁,移人100ml容量瓶中,同水稀舜至约50nl,混表2
醛型(4.3)的加人量
5.3.2消加氨水(4. 5)至网生成少量氨率化物沉淀,热后滴硫酸(4.4)至落液清充,并过量 2 ~3滴,此形溶滤的 pH应为 1. 8 - 2. 5, 以后两份液液分别按 5 3. 3及 5 3.4进行。5.3.3显每源液;加人3.0ml硬范水杨壁溶较「4.6).肝水稀翠至亮,混均。5.3.4比落滋:用本端择至!度,混与,53.5在室温下放受10mun-15ma.格部分溶液移人1cm或2cm比色血中,以多比得液为垒比,于分光光度计就长处通量其吸光质,减去随向试样空自试股的级此受后,以工作曲端上出相应的快54工作拍线的会制
5.4.1转表3称欧纯铜(4.1和离的范媒[4.2]六份接5,3.1进行5.4.2分别加人0,00ml,100mL,2.00l。3.00l、4.Cml,5.00ml铁示准(4. 7)、以下接5.3.2及5.3.3进行。
0.020 ~G.EO
> 0. 10 - 0. 20
0.20 -0.50
5.4.3以未加铁标准资滤之显色带落为季比,病5.3.5测量其要光,以快量为横坐标,受光度为款学标,绘制工作出载,
6分析站果的计算
接式(1)计算缺的百分含量:
式中:m
7充许差
TB/ 9499.6-1999
Fe(α) -x100
以工作阅载上查得的快量,多;位样量:6
实验室之间分析结果的考值应不大于表4所列允许整。用标准试样校验时,结果偏差不得超逆表4所烈充许差的1/2。
0.020 ~0.10
> 0.10 - 0. 21
> G.211 .SG
小提示:此标准内容仅展示完整标准里的部分截取内容,若需要完整标准请到上方自行免费下载完整标准文档。

标准图片预览:





- 热门标准
- 机械行业标准(JB)
- JB/T6882-2006 泵可靠性验证试验
- JB/T10398-2004 离网型风力发电系统售后技术服务规范
- JB/T9592.2-1999 全金属12角法兰面锁紧螺母 技术条件
- JB/T4718-1992 管壳式换热器用金属包垫片
- JB/T2436.1-1992 导线用铜压接端头 第一部分: 0.5~6.0mm2导线用铜压接端头
- JB8734.2-1998 额定电压 450/750V及以下聚氯乙烯绝缘电缆电线和软线第2部分: 固定布线用电缆电线
- JB/T10325-2002 锅炉除氧器 技术条件
- JB/T10187-2011 滚动轴承 深沟球轴承振动
- JB/T7991.4-2001 电镀超硬磨料制品 磨头
- JB2901-2020 汽轮机防锈技术条件
- JB/T8854.2-2001 GⅡCL型、GⅡCLZ型鼓形齿式联轴器
- JBJ10-1996 机械工厂采暖通风与空气调节设计规范
- JB/T2740-2008 工业机械电气设备 电气图、图解和表的绘制
- JB/T6313.2-1992 电工铜编织线 斜纹编织线
- JB/T10472-2005 光轮压路机
- 行业新闻
请牢记:“bzxz.net”即是“标准下载”四个汉字汉语拼音首字母与国际顶级域名“.net”的组合。 ©2009 标准下载网 www.bzxz.net 本站邮件:bzxznet@163.com
网站备案号:湘ICP备2023016450号-1
网站备案号:湘ICP备2023016450号-1