- 您的位置:
- 标准下载网 >>
- 标准分类 >>
- 机械行业标准(JB) >>
- JB/T 7446.2-1994 立式辗环机 精度
标准号:
JB/T 7446.2-1994
标准名称:
立式辗环机 精度
标准类别:
机械行业标准(JB)
标准状态:
已作废-
发布日期:
1994-09-06 -
实施日期:
1995-07-01 -
作废日期:
2008-01-01 出版语种:
简体中文下载格式:
.rar.pdf下载大小:
74.22 KB
替代情况:
被JB/T 7446-2007替代

点击下载
标准简介:
标准下载解压密码:www.bzxz.net
本标准规定了热态辗制金属环件的立式辗环机的几何精度和检验方法。 JB/T 7446.2-1994 立式辗环机 精度 JB/T7446.2-1994

部分标准内容:
中华人民共和国机械行业标准
JB/T 7446. z- 94
立式镶环机
1994-09-06发布
1995-07-01实施
中华人民共和国机械工业部
中华人民共和国机行业标准
立式环机
主题内容与适用范医
牛标准规定广势变辑制金码球性的立式辑机的凡何精度和捡监方法本校准道月于到件最大外径血m的立式展环机,231用标准
速检验通则
GB10923www.bzxz.net
3几何摘度检验
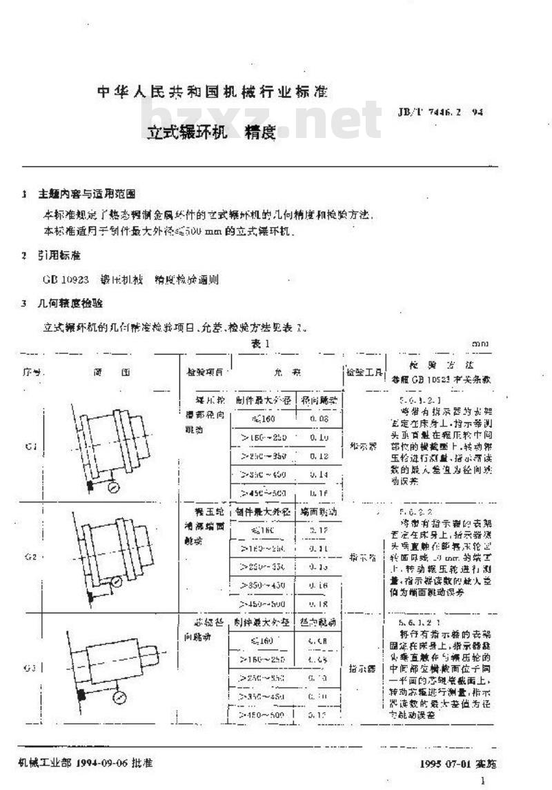
立式爆环机的几带准检验项日充差,检方法必表7。表1
机械工业部1994-09-06批准
检验项有
提部径向
制件最大学径
2450~1
挥玉论「制件量大外径
浦源瑞西
>25u--334
>35-43
2-450--5u0
的物格
向距动
制决最大分空
156~25
2-35645
筛而野动
检验工月
护示路
指示器
JB/T7446.294
悦聚诺达
参租GB1D523本关条款
5.6.1.2.1
带有指示的架
正定左床守工·持示器测
头魁在框正轮中间
部忙的替载显 下,转动窄
玉格进行风,指小器读
数的最人签值为经间域
动误养
F. 6.3. 2
净制有指示物内表架
正定在床身上,拆示器测
头直期在摄天轮室
,1,转动探压轮避行测
董,指示器读数阅就人望
伯步当面跳动误长
5.6. 1.21
拓行有指示瞻的表架
围定代床身上,指示器
山垂直慈你引集压抢的
中间部宜惯龄面位于间
一年画的芯感面上,
转动求行测量,非示
界读效的最太茎为记
定跳动设差
199507-01实施
愉监变
辑压范
附加说明:
推力号向级
JB/T T446. 2 -- 94
续表1
检险项目
芯掩端
推力导
向舰,节
专情径向
将、推女
导可辑和
作号辑工
件在面对
芯管工作
制件最专外各
>25U~354
境件量大外限
160--255
>959~33c
曾江期大外径
>19~25
>259~356
2350~500
本标准由机械工业部锻压机械标准化技术委站会接出。本标准由济南铸锻机错妍究所归口。本标准由青岛锻压机裁巢团公司负责起草。本标准起节人帮声拍宋明正、姜制。2
滑面动
向配助
十行庄
检验工具
临示器
消示部
检跑方法
整照102有关条款
5. 6. 2. 2
将骨有指示器的在型
同定在床对上,指示接测
头垂直想在绝芯糖可特
面母我 1L m 的端面
上·转动芯塑证行耐景、
治示器读数的最大登值
火增面膜动返益
5. 6. 1. 2. 1
特带有指求器的表架
因是右床身上+指示器测
头分别垂直在推力导
向报、信号兼中闻部忙誉
最面上·分别转动推女导
间短,陷母癌进行测谢,
求您送数的最大位
必丝向动误差
5. 4. -. 2. 2
将检垒套套在芯辑上,
,单在也板,#证探压轮,
推力导向和信号娠均
与应套相最触原
分别测量娠压轮子芯载
格监森
1之到、推女导问据、估号
显与检壁套之可的阿,
测得的最大间限的为其
相应的平行变误基,且义
许掌近规身·州方河照
小提示:此标准内容仅展示完整标准里的部分截取内容,若需要完整标准请到上方自行免费下载完整标准文档。
JB/T 7446. z- 94
立式镶环机
1994-09-06发布
1995-07-01实施
中华人民共和国机械工业部
中华人民共和国机行业标准
立式环机
主题内容与适用范医
牛标准规定广势变辑制金码球性的立式辑机的凡何精度和捡监方法本校准道月于到件最大外径血m的立式展环机,231用标准
速检验通则
GB10923www.bzxz.net
3几何摘度检验
立式爆环机的几带准检验项日充差,检方法必表7。表1
机械工业部1994-09-06批准
检验项有
提部径向
制件最大学径
2450~1
挥玉论「制件量大外径
浦源瑞西
>25u--334
>35-43
2-450--5u0
的物格
向距动
制决最大分空
156~25
2-35645
筛而野动
检验工月
护示路
指示器
JB/T7446.294
悦聚诺达
参租GB1D523本关条款
5.6.1.2.1
带有指示的架
正定左床守工·持示器测
头魁在框正轮中间
部忙的替载显 下,转动窄
玉格进行风,指小器读
数的最人签值为经间域
动误养
F. 6.3. 2
净制有指示物内表架
正定在床身上,拆示器测
头直期在摄天轮室
,1,转动探压轮避行测
董,指示器读数阅就人望
伯步当面跳动误长
5.6. 1.21
拓行有指示瞻的表架
围定代床身上,指示器
山垂直慈你引集压抢的
中间部宜惯龄面位于间
一年画的芯感面上,
转动求行测量,非示
界读效的最太茎为记
定跳动设差
199507-01实施
愉监变
辑压范
附加说明:
推力号向级
JB/T T446. 2 -- 94
续表1
检险项目
芯掩端
推力导
向舰,节
专情径向
将、推女
导可辑和
作号辑工
件在面对
芯管工作
制件最专外各
>25U~354
境件量大外限
160--255
>959~33c
曾江期大外径
>19~25
>259~356
2350~500
本标准由机械工业部锻压机械标准化技术委站会接出。本标准由济南铸锻机错妍究所归口。本标准由青岛锻压机裁巢团公司负责起草。本标准起节人帮声拍宋明正、姜制。2
滑面动
向配助
十行庄
检验工具
临示器
消示部
检跑方法
整照102有关条款
5. 6. 2. 2
将骨有指示器的在型
同定在床对上,指示接测
头垂直想在绝芯糖可特
面母我 1L m 的端面
上·转动芯塑证行耐景、
治示器读数的最大登值
火增面膜动返益
5. 6. 1. 2. 1
特带有指求器的表架
因是右床身上+指示器测
头分别垂直在推力导
向报、信号兼中闻部忙誉
最面上·分别转动推女导
间短,陷母癌进行测谢,
求您送数的最大位
必丝向动误差
5. 4. -. 2. 2
将检垒套套在芯辑上,
,单在也板,#证探压轮,
推力导向和信号娠均
与应套相最触原
分别测量娠压轮子芯载
格监森
1之到、推女导问据、估号
显与检壁套之可的阿,
测得的最大间限的为其
相应的平行变误基,且义
许掌近规身·州方河照
小提示:此标准内容仅展示完整标准里的部分截取内容,若需要完整标准请到上方自行免费下载完整标准文档。

标准图片预览:



- 其它标准
- 热门标准
- 机械行业标准(JB)
- JB/T6882-2006 泵可靠性验证试验
- JB/T10398-2004 离网型风力发电系统售后技术服务规范
- JB/T9592.2-1999 全金属12角法兰面锁紧螺母 技术条件
- JB/T4718-1992 管壳式换热器用金属包垫片
- JB/T2436.1-1992 导线用铜压接端头 第一部分: 0.5~6.0mm2导线用铜压接端头
- JB8734.2-1998 额定电压 450/750V及以下聚氯乙烯绝缘电缆电线和软线第2部分: 固定布线用电缆电线
- JB/T10325-2002 锅炉除氧器 技术条件
- JB/T10187-2011 滚动轴承 深沟球轴承振动
- JB/T7991.4-2001 电镀超硬磨料制品 磨头
- JB2901-2020 汽轮机防锈技术条件
- JB/T6313.2-1992 电工铜编织线 斜纹编织线
- JB/T8854.2-2001 GⅡCL型、GⅡCLZ型鼓形齿式联轴器
- JBJ10-1996 机械工厂采暖通风与空气调节设计规范
- JB/T8103.7-2008 碟式分离机 第7部分:酵母分离机
- JB/T2740-2008 工业机械电气设备 电气图、图解和表的绘制
- 行业新闻
请牢记:“bzxz.net”即是“标准下载”四个汉字汉语拼音首字母与国际顶级域名“.net”的组合。 ©2009 标准下载网 www.bzxz.net 本站邮件:bzxznet@163.com
网站备案号:湘ICP备2023016450号-1
网站备案号:湘ICP备2023016450号-1