- 您的位置:
- 标准下载网 >>
- 标准分类 >>
- 机械行业标准(JB) >>
- JB/T 6342-1992 数控插齿机 技术条件
标准号:
JB/T 6342-1992
标准名称:
数控插齿机 技术条件
标准类别:
机械行业标准(JB)
标准状态:
已作废-
发布日期:
1992-07-01 -
实施日期:
1993-01-01 -
作废日期:
2007-02-01 出版语种:
简体中文下载格式:
.rar.pdf下载大小:
106.05 KB
替代情况:
被JB/T 6342.2-2006代替
点击下载
标准简介:
标准下载解压密码:www.bzxz.net
本标准规定了数控插齿机制造和验收的要求。本标准适用于最大工件直径200~3150mm普通精度级的数控插齿机。 JB/T 6342-1992 数控插齿机 技术条件 JB/T6342-1992
部分标准内容:
中华人民共和国机械行业标准
数控插齿机
主题内容与适用范围
技术条件
本标准规定了数控插齿机制造和验收的要求。本标准适用于最大工件直径200~3150mm普通精度级的数控插齿机。引用标准
GB2894
GB5226
GB9061
JB4139
JB5572
安全标志
机床电气设备通用技术条件
金属切削机床通用技术条件
金属切削机床及机床附件安全防护技术条件数控插齿机精度
ZBJ50002机床数字控制系统通用技术条件金属切削机床清洁度的定
ZB J50 003
2BnJ50008.1金属切削机床机械加工件通用技术条件ZBnJ50008.3金属切削机床装配通用技术条件3
一般要求
JB/T6342-—92
本标准是对GB9061,ZBnJ50008.1,ZBnJ50008.3等的具体化和补充。按本标准验收机床时,必须同时对上述标准中未经本标准具体化的其余验收项目进行检验。机床的数控系统必须符合ZBJ50002的规定。
4附件和工具
应随机供应表1所列附件和工具。4.1
地脚蝶钉
调整垫铁或其他调整装置
交换齿轮”》
螺钉或螺母
连接套
安装机床用
调整机床用
安装刀具用
中华人民共和国机械电子工业部1992-07-01批准数
1993-01-01实施
法兰盘
垫和螺母
JB/T6342—92
表1(续)
安装工件用
注:1)机床因结构原因无交换齿轮时,则不供应。4.2按协议供应特殊附件。
5 安全卫生
5.1在机床上必须有遮盖加工区的挡板,以防止切屑和冷却液的飞溅。数
5.2遮盖交换齿轮、曲柄连杆等传动装置的门应设有联锁装置,使打开门时能自动断开相应的机床电源;或者将门的内面涂成浅色,门的外面按GB2894中图2-1固定一个警告标志。5.3观察读数的测量装置,其读数机构的安装高度均按“不经常使用”的读数机构的要求考核。5.4当操作者需要临时站在机床部件上调整机床时,应在机床相应的部位设置防滑脚踏板。5.5床身与工作台底座(或立柱)导轨副容易被尘屑磨损的部位应设有防护装置。5.6机动进给的工作台(或立柱)必须装有限位开关、挡铁等灵敏可靠的限位保护装置。5.7机床噪声测量应在低、中、高三级速度的空运转条件下进行,整机噪声声压级不得超过83dB(A)。5.8按本标准验收机床时,必须同时对JB4139,GB5226等中未经本标准具体化的其余验收项目进行检验。
6加工和装配质量
6.1刀架蜗轮、工作台蜗轮、刀架中的滑块、固定导轨(或螺旋导轨)、床身、立柱、工作台体、中床身、工件主轴及刀架体等为重要铸件,必须在粗加工后进行时效处理。6.2床身与工作台底座(或立柱)导轨副、刀架中的固定导轨(或螺旋导轨)与滑块导轨副为重要导轨副,应采取耐磨措施。
刀架蜗杆副、工作台蜗杆副、刀具主轴、刀轴套(或齿条体)、让刀凸轮及径向进给丝杠副等为主要零件,也应采取耐磨措施。
6.3下列结合面按“重要固定结合面”的要求考核:驱动箱与立柱的结合面;bzxZ.net
刀架蜗杆体与刀架体的结合面;b.
C。工作台蜗杆体与工作台底座的结合面。6.4下列结合面按“特别重要固定结合面”的要求考核:立柱与床身的结合面;
b,中床身与床身的结合面。
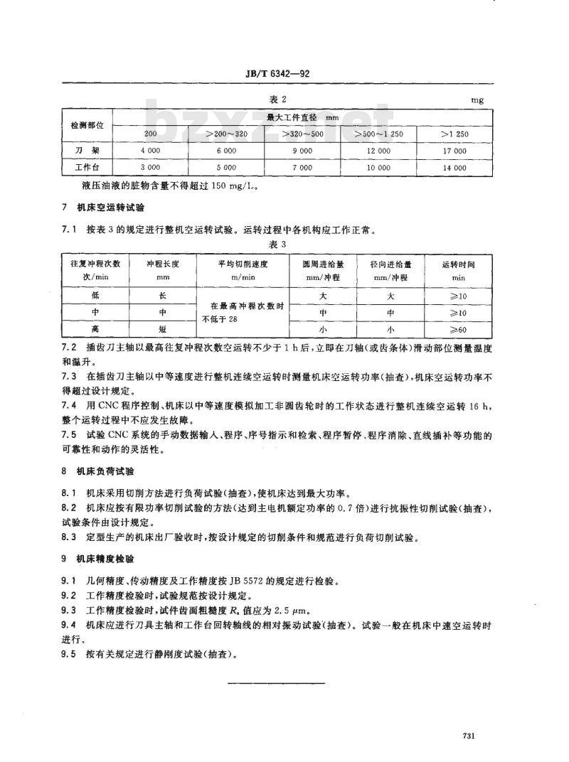
注:对于结构偏重的机床,允许只在紧固后进行塞尺检验。6.5下列导轨按“滑动导轨”的要求考核:a。刀架中的固定导轨(或螺旋导轨))与滑块的导轨面;b。工作台底座(或立柱)与床身的导轨面。6.6立柱与中床身相配的表面按“移置导轨”的要求考核。6.7清洁度按ZBJ50003规定的方法检验,一般用目测、手感法检查。刀架和工作台内部清洁度采用重量法进行检测时,其清洁度限值不得超过表2的规定。730
检测部位
工作台
JB/T 6342—92
最大工件直径
>200~320
液压油液的脏物含量不得超过150 mg/1。7机床空运转试验
>320~500
>500~1 250
7.1按表3的规定进行整机空运转试验。运转过程中各机构应工作正常。表3
往复冲程次数
次/min
冲程长度
平均切削速度
在最高冲程次数时
不低于28
圆周进给量
mm/冲程
径向进给量
mtn/冲程
运转时间
7.2插齿刀主轴以最高往复冲程次数空运转不少于1h后,立即在刀轴(或齿条体)滑动部位测量温度和温升。
7.3在插齿刀主轴以中等速度进行整机连续空运转时测量机床空运转功率(抽查),机床空运转功率不得超过设计规定。
7.4用CNC程序控制、机床以中等速度模拟加工非圆齿轮时的工作状态进行整机连续空运转16h,整个运转过程中不应发生故障。7.5试验CNC系统的手动数据输入,程序、序号指示和检索、程序暂停、程序消除、直线插补等功能的可靠性和动作的灵活性。
8机床负荷试验
8.1机床采用切削方法进行负荷试验(抽查),使机床达到最大功率。8.2机床应按有限功率切削试验的方法(达到主电机额定功率的0.7倍)进行抗振性切削试验(抽查),试验条件由设计规定。
8.3定型生产的机床出厂验收时,按设计规定的切削条件和规范进行负荷切削试验。9机床精度检验
9.1几何精度、传动精度及工作精度按JB5572的规定进行检验。9.2工作精度检验时,试验规范按设计规定。9.3工作精度检验时,试件齿面粗糙度R。值应为2.5μm9.4机床应进行刀具主轴和工作台回转轴线的相对振动试验(抽查)。试验一般在机床中速空运转时进行。
9.5按有关规定进行静刚度试验(抽查)。731
附加说明:
JB/T6342—92
本标准由全国金属切削机床标准化技术委员会提出。本标准由天津齿轮机床研究所归口。本标准由天津齿轮机床研究所负责起草。732
小提示:此标准内容仅展示完整标准里的部分截取内容,若需要完整标准请到上方自行免费下载完整标准文档。
数控插齿机
主题内容与适用范围
技术条件
本标准规定了数控插齿机制造和验收的要求。本标准适用于最大工件直径200~3150mm普通精度级的数控插齿机。引用标准
GB2894
GB5226
GB9061
JB4139
JB5572
安全标志
机床电气设备通用技术条件
金属切削机床通用技术条件
金属切削机床及机床附件安全防护技术条件数控插齿机精度
ZBJ50002机床数字控制系统通用技术条件金属切削机床清洁度的定
ZB J50 003
2BnJ50008.1金属切削机床机械加工件通用技术条件ZBnJ50008.3金属切削机床装配通用技术条件3
一般要求
JB/T6342-—92
本标准是对GB9061,ZBnJ50008.1,ZBnJ50008.3等的具体化和补充。按本标准验收机床时,必须同时对上述标准中未经本标准具体化的其余验收项目进行检验。机床的数控系统必须符合ZBJ50002的规定。
4附件和工具
应随机供应表1所列附件和工具。4.1
地脚蝶钉
调整垫铁或其他调整装置
交换齿轮”》
螺钉或螺母
连接套
安装机床用
调整机床用
安装刀具用
中华人民共和国机械电子工业部1992-07-01批准数
1993-01-01实施
法兰盘
垫和螺母
JB/T6342—92
表1(续)
安装工件用
注:1)机床因结构原因无交换齿轮时,则不供应。4.2按协议供应特殊附件。
5 安全卫生
5.1在机床上必须有遮盖加工区的挡板,以防止切屑和冷却液的飞溅。数
5.2遮盖交换齿轮、曲柄连杆等传动装置的门应设有联锁装置,使打开门时能自动断开相应的机床电源;或者将门的内面涂成浅色,门的外面按GB2894中图2-1固定一个警告标志。5.3观察读数的测量装置,其读数机构的安装高度均按“不经常使用”的读数机构的要求考核。5.4当操作者需要临时站在机床部件上调整机床时,应在机床相应的部位设置防滑脚踏板。5.5床身与工作台底座(或立柱)导轨副容易被尘屑磨损的部位应设有防护装置。5.6机动进给的工作台(或立柱)必须装有限位开关、挡铁等灵敏可靠的限位保护装置。5.7机床噪声测量应在低、中、高三级速度的空运转条件下进行,整机噪声声压级不得超过83dB(A)。5.8按本标准验收机床时,必须同时对JB4139,GB5226等中未经本标准具体化的其余验收项目进行检验。
6加工和装配质量
6.1刀架蜗轮、工作台蜗轮、刀架中的滑块、固定导轨(或螺旋导轨)、床身、立柱、工作台体、中床身、工件主轴及刀架体等为重要铸件,必须在粗加工后进行时效处理。6.2床身与工作台底座(或立柱)导轨副、刀架中的固定导轨(或螺旋导轨)与滑块导轨副为重要导轨副,应采取耐磨措施。
刀架蜗杆副、工作台蜗杆副、刀具主轴、刀轴套(或齿条体)、让刀凸轮及径向进给丝杠副等为主要零件,也应采取耐磨措施。
6.3下列结合面按“重要固定结合面”的要求考核:驱动箱与立柱的结合面;bzxZ.net
刀架蜗杆体与刀架体的结合面;b.
C。工作台蜗杆体与工作台底座的结合面。6.4下列结合面按“特别重要固定结合面”的要求考核:立柱与床身的结合面;
b,中床身与床身的结合面。
注:对于结构偏重的机床,允许只在紧固后进行塞尺检验。6.5下列导轨按“滑动导轨”的要求考核:a。刀架中的固定导轨(或螺旋导轨))与滑块的导轨面;b。工作台底座(或立柱)与床身的导轨面。6.6立柱与中床身相配的表面按“移置导轨”的要求考核。6.7清洁度按ZBJ50003规定的方法检验,一般用目测、手感法检查。刀架和工作台内部清洁度采用重量法进行检测时,其清洁度限值不得超过表2的规定。730
检测部位
工作台
JB/T 6342—92
最大工件直径
>200~320
液压油液的脏物含量不得超过150 mg/1。7机床空运转试验
>320~500
>500~1 250
7.1按表3的规定进行整机空运转试验。运转过程中各机构应工作正常。表3
往复冲程次数
次/min
冲程长度
平均切削速度
在最高冲程次数时
不低于28
圆周进给量
mm/冲程
径向进给量
mtn/冲程
运转时间
7.2插齿刀主轴以最高往复冲程次数空运转不少于1h后,立即在刀轴(或齿条体)滑动部位测量温度和温升。
7.3在插齿刀主轴以中等速度进行整机连续空运转时测量机床空运转功率(抽查),机床空运转功率不得超过设计规定。
7.4用CNC程序控制、机床以中等速度模拟加工非圆齿轮时的工作状态进行整机连续空运转16h,整个运转过程中不应发生故障。7.5试验CNC系统的手动数据输入,程序、序号指示和检索、程序暂停、程序消除、直线插补等功能的可靠性和动作的灵活性。
8机床负荷试验
8.1机床采用切削方法进行负荷试验(抽查),使机床达到最大功率。8.2机床应按有限功率切削试验的方法(达到主电机额定功率的0.7倍)进行抗振性切削试验(抽查),试验条件由设计规定。
8.3定型生产的机床出厂验收时,按设计规定的切削条件和规范进行负荷切削试验。9机床精度检验
9.1几何精度、传动精度及工作精度按JB5572的规定进行检验。9.2工作精度检验时,试验规范按设计规定。9.3工作精度检验时,试件齿面粗糙度R。值应为2.5μm9.4机床应进行刀具主轴和工作台回转轴线的相对振动试验(抽查)。试验一般在机床中速空运转时进行。
9.5按有关规定进行静刚度试验(抽查)。731
附加说明:
JB/T6342—92
本标准由全国金属切削机床标准化技术委员会提出。本标准由天津齿轮机床研究所归口。本标准由天津齿轮机床研究所负责起草。732
小提示:此标准内容仅展示完整标准里的部分截取内容,若需要完整标准请到上方自行免费下载完整标准文档。
标准图片预览:




- 其它标准
- 热门标准
- 机械行业标准(JB)
- JB/T7893.1-1999 立式振动离心机
- JB/T7899-1999 填充聚四氟乙烯软带导轨 技术条件
- JB/T7938-1999 液压泵站油箱公称容量系列
- JB/T7850-1995 手夹快换接头
- JB/T7952-1995 空气净化器
- JB/T8009.4-1999 机床夹具零件及部件 弧形压块
- JB/T1625-2002 工业锅炉焊接管孔
- JB/T7936-1999 直廓环面蜗杆减速器
- JB/T7939-1999 单活塞杆液压缸两腔面积比
- JB/T7941.2-1995 旋入式圆形油杯
- JB/T7946.2-1999 铸造铝硅合金过烧
- JB/T7948.11-1999 熔炼焊剂化学分析方法 燃烧-碘量法测定硫量
- JB/T7925.2-1995 滑动轴承 多层轴承减摩合金硬度检验方法
- JB/T6375-1992 气动阀用橡胶密封圈 尺寸系列和公差
- JB/T7828-1995 继电器及其装置包装贮运技术条件
- 行业新闻
请牢记:“bzxz.net”即是“标准下载”四个汉字汉语拼音首字母与国际顶级域名“.net”的组合。 ©2025 标准下载网 www.bzxz.net 本站邮件:bzxznet@163.com
网站备案号:湘ICP备2025141790号-2
网站备案号:湘ICP备2025141790号-2