- 您的位置:
- 标准下载网 >>
- 标准分类 >>
- 国家标准(GB) >>
- GB/T 18885-2002 生态纺织品技术要求
标准号:
GB/T 18885-2002
标准名称:
生态纺织品技术要求
标准类别:
国家标准(GB)
标准状态:
现行-
发布日期:
2002-11-22 -
实施日期:
2003-03-01 出版语种:
简体中文下载格式:
.rar.pdf下载大小:
371.25 KB
标准ICS号:
纺织和皮革技术>>59.080纺织产品中标分类号:
纺织>>纺织综合>>W09卫生、安全、劳动保护

点击下载
标准简介:
标准下载解压密码:www.bzxz.net
本标准规定了生态纺织品的分类、要求及检测方法。本标准适用于各类纺织品及其附件、皮革制品可参照执行。本标准不适用于化学品、助剂和染料。 GB/T 18885-2002 生态纺织品技术要求 GB/T18885-2002

部分标准内容:
ICS 59. 080
中华人民共和国国家标准
GB/T18885—2002
生态纺织品技术要求
Technical specification for ecological textiles2002—11—22发布
中华人民共和国銀
国家质量监督检验检疫总局
2003—09—01实施
本标准的产品分类和要求采用国际生态方织品研究与检验协会 0eko-Tex 100-2002 &生态纺织品通用及特殊技术要求》,对生态纺织品进行了分类,规定了各项指标限量值及检测方法,并增加了婴幼儿用品耐睡液色牢度的具体指标和生态纺织品的定义,本标准的附录 A、附腺 B、附录C、附录 D、附腺 E、附录 F 为避规范性腺本标准由中国织工业协会提出。本标准由全国织品标准化技术委员会归口。本标准由纺织工业标准化研究所负责起草,浙江丝绸科学研究院协助起草。本标准主要起草人:李治恩、王宝军、李纯、崔怀珠、卢莺、陈海相本标准首次发布。
1范围
生态纺织品技术要求
本标准规定了生态纺织品的分类、要求及检测方法。本标准适用于各类纺织品及其附件,皮革制品可参照执行。本标准不适用于化学品、助剂和染料。2规范性引用文件
GB/T 18886-2002
下列标准文件中的条款通过本标准的引用而成为本标准的条款。凡是注日期的引用文件,其随后所有的修改单(不包括勘误的内容)或修订版均不适用于本标准,然而,鼓励根据本标准达成协议的各方研究是否可使用这些文件的最新版本。凡是不注日期的引用文件,其最新版本适用于本标准。GB/T2912.1纺织品甲醛的测定 第1部分:游离水解的甲醛(水萃取法)(eqvIS0/FDIS14184.1)
GB/T3920纺织品色牢度试验耐摩擦色牢度(eQV1S0105/X12GB/T8922纺织品耐汗渍色牢度试验方法(eqISO105/E04)GB/T5713纺织品色牢度试验耐水色牢度(eqrIS0105/E01)GB/T573纺织品水萃职液PH值的测定(idtIS09071)GB/T17592.1纺织品禁用偶染料检测方法气相色谱/质谱法GB/T17592.2纺织品禁用偶氮染料检测方法高效液相色谱法GBT17592.3 纺织品禁用偶氮染料检测方法 薄层层析法GB/T17593纺织品重金属离子检测方法原子吸收分光光度法GB / T 18412 纺织品 有机氯条虫剂留量的测定方法GB T 18414.1 纺织品 五氯苯酚残留量的测定 第 1部分:气相色谱一质谱法G/T 18414.2 纺织品 五氯苯酷残留量的测定 第 2 部分:气相色谱法GB T 18886 纺织品 色牢度试验 耐睡液色牢度S0704出口皮革手套中铬(六价)含量的检测方法分光光度法Oeko-Tex200检测程序
3术语和定文
下列术语和定义适用于本标准
生态纺织品ecological teztiles采用对环境无害或少害的原料和生产过程所生产的对人体健康无害的纺织品。4产品分类
按照产品(包括生产过程各阶段的中间产品)的最终用途,分为四类4.1婴幼儿用品:供年龄在2岁及以下的婴幼儿使用的产品。4。2直接接触皮肤用品:在穿着或使用时,其大部分面积与人体皮肤直接接触的产品(如衬衫、内衣,毛巾、床单等)。
4.3非直接接触皮肤用品:在穿或使用时,不直接接触皮肤或其小部分面积与人体皮肤直接接触的产品(如外衣等)。4.4装饰材料:用于装饰的产品(如桌布、墙布、窗帘、地毯等)。5要求
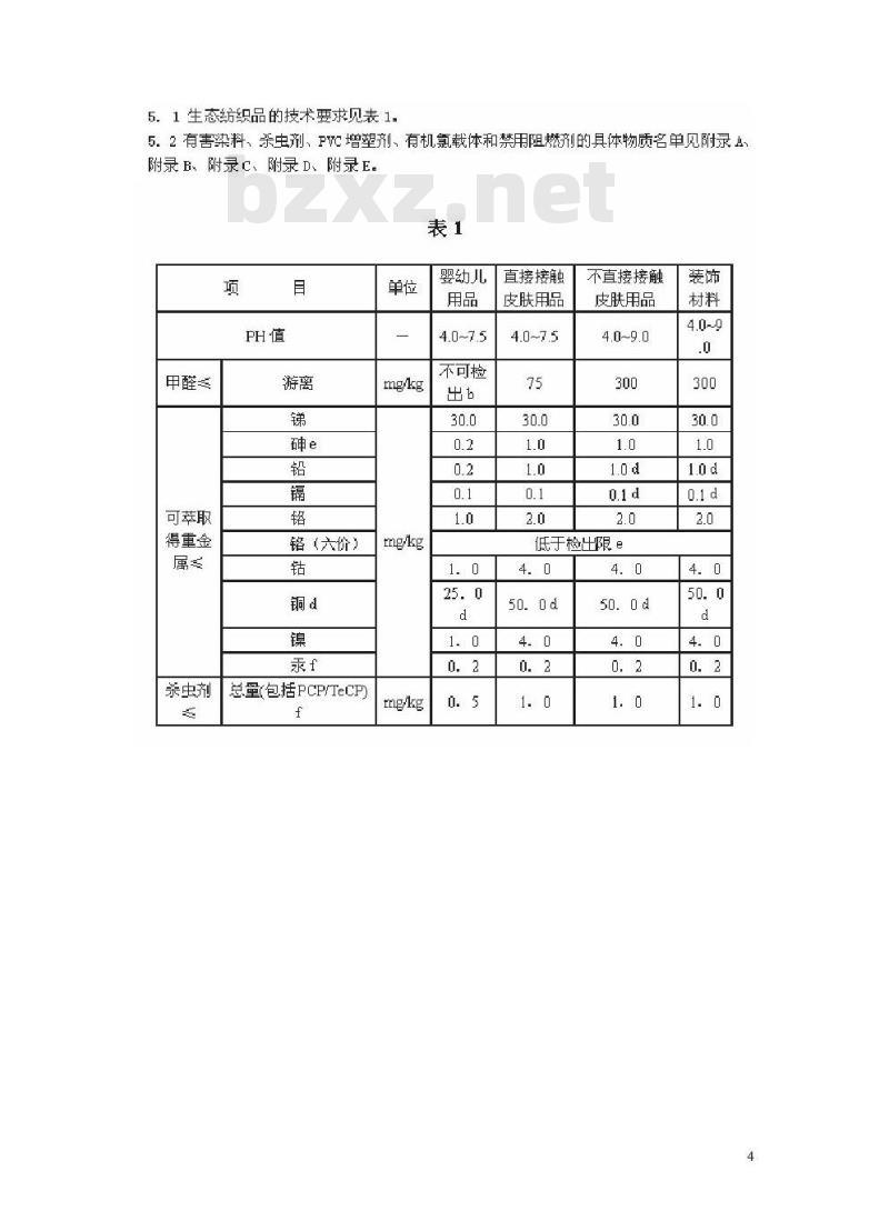
5.1生态纺织品的技术要求见表1。5.2 有害染料、杀虫剂、PC 增塑剂、有机氯载体和禁用阻燃剂的具体物质名单见附录 附录 B、附录C、附录 D、附录E.表1
甲醛≤
可萃取
得重金
杀虫剂
铬(六价)
总量(包括PCP/TeCP)
rng/kg
rng/kg
rng/kg
婴幼儿
不可检
直接接虫
皮肤用品
不直接接触
皮肤用品
低于检出限
含氯酚
度(沾
挥发性
物质释
五氯苯酚(PCP)
2,3,5,6四氯苯酚
(TecP)
邻苯基苯酚(OPP)
有机氨载体多
D INP,DNOP,DEHP
DDPBBP,DBP/总量
三丁基锡(TBT)
二丁基锡(DBT)
可分解芳香胺染料
致癌染料
致敏染料
抗菌整理
PBB,TRIS,TEPA
耐酸汗液
耐碱汗液
耐干摩擦 i
耐唾液
苯乙烯
乙烯基环己烷
4一苯基环己烷
丁二烯
氯乙烯
芳香化合物
挥发性有机物
异常气味;j
一般气味k
婴幼儿
婴动儿
直接接触
皮肤用品
不直接接触
皮肤用品
禁用 e
禁用:
禁止g
禁止8
直接接触
皮肤用品
不直接接触
皮肤用品
a后续加工工艺中必须要经过湿处理的产品,PH值可放宽至 4.0~10.6之间,产品分类为装饰材料的皮革产品,涂层或层压(复合)产品,其 PH 值允许在 3.5 ~9.0 之间。
b相当于按GB/2911.1测试方法低于20mg/kg.c仅对于天然材料(包括木质材料)及金属辅料。d 对无机材料制成的附件不要求。e 合格限量值:对 Cr (VI)为 0. 5mg/kg, 对芳香胺为 20mg/kg,对致敏染料为 0. 006%。f仅对于天然纤维。
符合本技术要求的整理除外。
h对洗涤褪色型产品不要求。
i对于颜色、还原染料或硫化染料:其最低的耐干摩擦色牢度允许为3级。j针对除纺织地板覆盖物以外的所有制品,异常气味的种类见附录F。k适用于纺织地毯、床垫以及发泡和有大面积涂层的非用于穿着的物品,6 试验方法
6. 1PH 值按 GB/T 7573执行,
6. 2 游离甲醛含量按 GB/T 2912.1 执行,释放甲醛含量安 Oeko-Tex 200 执行。6.3可萃职重金属按GB/T17593执行,并采用人造性汗液提取重金属,其中六价铬参照SN0704执行。
6.4 有机氯杀虫剂按 GB/ T 18412执行,其他种类杀虫剂参照 GB/ T 18412执行。6. 5 含氯酚按 GB / T 18414. L 和 GB / T 18414. 2 执行。6.6有机氯载体按0eko一Tex200执行.6. 7 PC 增塑剂按 0eko—Tex200 执行。6.8 挥发性物质释放按 0eko-Tex200执行。6.9纺织地板覆盖物的气味按0eko-200执行,其他所有制品的异常气味按本标准附录F执行。
6. 10 可分解芳香胺染料按 GB/ T 17592.1、GB/T 17592. 2、GB/ T 17592.3执行致癌染料和致敏染料按 0eko一Tex 200 执行,6.11有机锡化合物按0eko-Tex200执行6.12耐摩擦色牢度按 GB/ T 8920执行。6.19耐汗清色牢度按CB/T3922执行。6. 14 耐水色牢度按 GB/ T 5713执行。6.15 耐睡液色牢度按 CB / T 18886 执行。7职样
7.1按有关标准规定或双方协议执行,否则按7.2~7.4执行。7.2从每批产品中随机抽取有代表性样品:试样数量应满足第6章中全部试途方法的要求。
7.3样品抽取后,应密封放置,不应进行任何处理,7.4布匹试样:至少从距布端2m以上取样,每个样品尺寸为1m×全幅:服装或制品试样则以一个单件为一个样品。
8判定规则
如果测试结果中有一项超出表1 规定的限量值,则判定该批产品不合格6
附录A
(规范性附录)
有害染料
1 还原条件下染料中不允许分解出的有毒芳胺A.1.1第一类:对人体有致癌性的芳胺,见表直.1.表.1
中文名称
4一氨基联苯
联苯胺
4一氯一邻甲基苯胺
2—萘胺
英文名称
4-arninobiphenyl
Benzi dine
4-chl oro-o-toludine
2-naphthylamine
A. 1. 2 第一类: 对人体有致癌性的芳胺,见表 A. 2.表.2
中文名称
邻氨基偶氮甲苯
2-氨基-4-硝基甲苯
对氯苯胺
2,4-二氨基苯甲醚
4,4--二氨基二苯甲烷
3,3°-二氯联苯胺
3,8°-二甲氧基联苯胺
3,8.-二甲基联苯胺
3,3+-二甲基-4,4r-二氮
对甲酚定
英文名
aninoazotoluene
2-anino-d-nitrotoluene
p-chloroaniline
2, 4-dianinoanisole
4, 4--diaminobiphenymethane
3, 3-dichlorobenzidine
3, 3- -dimethoxybenzidine
3, $+-dimethylbenzidine
化学文摘编号
92-67-1
92-87-5
95-69-2
91-59-8
化学文摘编号
97-56-3
99-65-8
106-47-8
615-05-4
101-77-9
91-94-1
119-90-4
119-93-7
3, 3--dinethyl-4, 4r-dianinobiphePcresidine
4, 4 -亚甲基-二-(2-氯
4, 4--methylene-bis-(2-chloroamil4,4-二氨基二苯
4,4-二氨基二苯硫醚
邻甲苯胺
2.4-二氨基甲苯
2,4,5-三甲基苯胺
邻甲氧基苯胺
2,4-二甲基苯胺
2,6-二甲基苯胺
4, 4--oxydianiline
d,4--thiodianiline
toluidine
2, 4-toluylendianine
2, 4, 5-trimethylaniline
anisidine
2, 4-xylidine
2, 6-xylindine
838-88-0
120-71-8
101-14-4
101-80-4
159-65-1
95-53-4
95-80-7
137-17-7
90-04-0
95-68-1
87-62-7
. 2 致癌染料
见表A.3。
中文名
碱性红26
碱性红9
直接黑38
直接蓝6
直接红28
分散1
分散黄3
血。 5 致皱染料
见表A.4.
染料索引商品名
英文名
Acid Red 26
Basic Red 9
Direct Blue 38
Direct Blue 6
Direct Red 28
Disperse Blue 1
Disperse Yellow 3
染料索引商品名
分散蓝 1
分散蓝 3
分散蓝 7
分散蓝26
分散蓝35
分散蓝102
分散蓝 106
分散蓝 124
分散橙1
分散橙3
分散橙37
分散橙76
分散红1
分散红11
分散红17
分散黄 1
分散黄3
分散黄9
分散黄39
分散黄49
英文名
Disperse Blue 1
Disperse Blue 3
Disperse Blue 7
Disperse Blue 26
Disperse Blue 35
染料索引结构号
染料索引结构号
Disperse Blue 102
Disperse Blue 106
Disperse Blue 124
Disperse Orange 1
Disperse Oranige 3
Disperse Orange 37
Disperse Orange 76
Disperse Red 1免费标准下载网bzxz
Disperse Red 11
Disperse Red 17
Disperse Yellow 1
Disperse Yellow 3
Disperse Yellow 9
Disperse Yellow 39
Disperse Yellow49
化学文摘号
3761-53-3
25620-784
1937-37-7
260246-2
573-58-0
2475-45-8
2832-40-8
化学文摘号
247545-8
2475-46-9
3179-90-6
2581-69-3
730-40-5
2872-52-8
287248-2
3179-89-3
2832-40-8
6373-73-5
B.1杀虫剂见表 B.1.
中文名
2,4,5涕
2,4滴
艾氏剂
甲氨甲酸蒸酯
二羟二蔡基二硫醚
滴滴意
滴滴递
狄氏剂
α硫丹
B硫丹
异狄氏剂
七氯环氧化物
六氯苯
中文名称
-六六六
B-六六六
8-六六六
高丙体六六六
甲氧滴滴涕
灭蚁灵
毒杀芬
谷硫磷
乙基谷塞昂
乙基溴硫磷
敌菌丹
毒虫畏,杀螺威
附录B
(规范性附录)
杀虫剂
英文名称
2,4,5-T
2,4-D
aldrine
carbary
diedrine
α-endosulfan
-endosulfan
endrine
heptachlor
heptachloroepoxide
hexachlorobenzene
表B.1(续)
英文名称
d-hexachlorcylohexane
B -hexachlorcylohexane
Y-hexachlorcylohexane
lindane
methoxychilor
tozaphene
trifluralin
azinopho srnethyl
azinophosethyl
bromophos ethyl
captafol
chlordane
chilorfenvinphos
,库马福司
香豆磷,蝇毒磷,
coumaphos
化学文摘编号
93-76-5
97-75-7
309-00-2
63-25-3
53-19-0, 72-54-8
3424-82-6, 72-55-9
50-29-3,789-02-6
60-57-1
115-29-7
33213-65-9
72-20-8
76-44-8
1024-57-3
118-74-1
化学文摘编号
319-84-6
319-85-7
319-86-8
58-89-9
72-43-5
2358-85-5
8001-35-2
1582-09-8
86-50-0
2642-71-9
4824-78-6
2425-06-1
57-74-9
470-90-6
56-72-4
C. 1 PVC 增塑剂见表 C. 1.
中文名称
邻苯二甲酸二异王酯
邻苯二甲酸二辛酯
邻苯二甲酸二(2一乙基)己酯
邻苯二甲酸二异癸酯
邻苯二甲酸丁基苄基酯
邻苯二甲酸二丁酯
D. 1 有机氰载体见表 P. 1。
中文名國
二氯苯类化合物
三氯苯类化合物
四氯苯类化合物
五氯苯类化合物
六氯苯类化合物
氯甲苯类化合物
二氯甲苯类化合物
三氯甲苯类化合物
四氯甲苯类化合物
五氯甲苯类化合物
E. 1 阻燃剂见表 E. 1.
中文名称
多溴联苯
三(2,3-二溴丙基)-磷酸酯
三-(氨氮环丙基)-麟化氧
附录c
(规范性附录)
PVC增塑剂
英文名
di-iso-nonyl phthalateDINF
di-n-octyl phthalate DNOP
di( 2-ethyl hexyl)-phtha late DEHFdisodecyl phthalate DIDP
butylbenzyl phthalate BB P
dibutuyl phthalate DBP
附录D
(规范性附录)
有机氯载体
化学文摘编号
28553-12-0
117-84-0
117-81-7
26761-40-0
85-68-7
84-74-2
英文名称
di chl orobenzenes
tichloroberizenes
tetrachlorobenzenes
pentachlorobenzenes
hexachlorobenzenes
chlorotoluenes
di chl orotoluene s
trichlorotoluenes
tetrachl orotoluenes
pentachlorotoluenes
附录E
(规范性附录)
禁止使用阻染剂
英文名称
PBB polybrorrinated biphenylesTRIS t-(2,3-dibromo-propy)-phosphateTEPA tris(azir-idinyl)-phos-phinoxi de化学文摘编号
59536-65-1
126-72-7
5455-55-1
国际纺织品生态学研究与检测协会oko-Tex
生态纺织品标准100
(0ko-Tex Standard 100)
通用及特别技术条件
2005年版
1.目的
2.适用范围
授权使用0ko-Tex100标志的通用及特别技术条件目录
3.术语及定义
4.1产品的特别要求
4.2关于生物活性产品的要求
4.3关于使用阻燃产品的要求
4.4申请
4.5样品材料
4.6承诺书
4.7检测
4.8质量控制
4.9质量保证
4.10遵守
5.标志
5.1授权的获得
5.2授权的限制
5.3授权的撤销
5.4标志的类型
小提示:此标准内容仅展示完整标准里的部分截取内容,若需要完整标准请到上方自行免费下载完整标准文档。
中华人民共和国国家标准
GB/T18885—2002
生态纺织品技术要求
Technical specification for ecological textiles2002—11—22发布
中华人民共和国銀
国家质量监督检验检疫总局
2003—09—01实施
本标准的产品分类和要求采用国际生态方织品研究与检验协会 0eko-Tex 100-2002 &生态纺织品通用及特殊技术要求》,对生态纺织品进行了分类,规定了各项指标限量值及检测方法,并增加了婴幼儿用品耐睡液色牢度的具体指标和生态纺织品的定义,本标准的附录 A、附腺 B、附录C、附录 D、附腺 E、附录 F 为避规范性腺本标准由中国织工业协会提出。本标准由全国织品标准化技术委员会归口。本标准由纺织工业标准化研究所负责起草,浙江丝绸科学研究院协助起草。本标准主要起草人:李治恩、王宝军、李纯、崔怀珠、卢莺、陈海相本标准首次发布。
1范围
生态纺织品技术要求
本标准规定了生态纺织品的分类、要求及检测方法。本标准适用于各类纺织品及其附件,皮革制品可参照执行。本标准不适用于化学品、助剂和染料。2规范性引用文件
GB/T 18886-2002
下列标准文件中的条款通过本标准的引用而成为本标准的条款。凡是注日期的引用文件,其随后所有的修改单(不包括勘误的内容)或修订版均不适用于本标准,然而,鼓励根据本标准达成协议的各方研究是否可使用这些文件的最新版本。凡是不注日期的引用文件,其最新版本适用于本标准。GB/T2912.1纺织品甲醛的测定 第1部分:游离水解的甲醛(水萃取法)(eqvIS0/FDIS14184.1)
GB/T3920纺织品色牢度试验耐摩擦色牢度(eQV1S0105/X12GB/T8922纺织品耐汗渍色牢度试验方法(eqISO105/E04)GB/T5713纺织品色牢度试验耐水色牢度(eqrIS0105/E01)GB/T573纺织品水萃职液PH值的测定(idtIS09071)GB/T17592.1纺织品禁用偶染料检测方法气相色谱/质谱法GB/T17592.2纺织品禁用偶氮染料检测方法高效液相色谱法GBT17592.3 纺织品禁用偶氮染料检测方法 薄层层析法GB/T17593纺织品重金属离子检测方法原子吸收分光光度法GB / T 18412 纺织品 有机氯条虫剂留量的测定方法GB T 18414.1 纺织品 五氯苯酚残留量的测定 第 1部分:气相色谱一质谱法G/T 18414.2 纺织品 五氯苯酷残留量的测定 第 2 部分:气相色谱法GB T 18886 纺织品 色牢度试验 耐睡液色牢度S0704出口皮革手套中铬(六价)含量的检测方法分光光度法Oeko-Tex200检测程序
3术语和定文
下列术语和定义适用于本标准
生态纺织品ecological teztiles采用对环境无害或少害的原料和生产过程所生产的对人体健康无害的纺织品。4产品分类
按照产品(包括生产过程各阶段的中间产品)的最终用途,分为四类4.1婴幼儿用品:供年龄在2岁及以下的婴幼儿使用的产品。4。2直接接触皮肤用品:在穿着或使用时,其大部分面积与人体皮肤直接接触的产品(如衬衫、内衣,毛巾、床单等)。
4.3非直接接触皮肤用品:在穿或使用时,不直接接触皮肤或其小部分面积与人体皮肤直接接触的产品(如外衣等)。4.4装饰材料:用于装饰的产品(如桌布、墙布、窗帘、地毯等)。5要求
5.1生态纺织品的技术要求见表1。5.2 有害染料、杀虫剂、PC 增塑剂、有机氯载体和禁用阻燃剂的具体物质名单见附录 附录 B、附录C、附录 D、附录E.表1
甲醛≤
可萃取
得重金
杀虫剂
铬(六价)
总量(包括PCP/TeCP)
rng/kg
rng/kg
rng/kg
婴幼儿
不可检
直接接虫
皮肤用品
不直接接触
皮肤用品
低于检出限
含氯酚
度(沾
挥发性
物质释
五氯苯酚(PCP)
2,3,5,6四氯苯酚
(TecP)
邻苯基苯酚(OPP)
有机氨载体多
D INP,DNOP,DEHP
DDPBBP,DBP/总量
三丁基锡(TBT)
二丁基锡(DBT)
可分解芳香胺染料
致癌染料
致敏染料
抗菌整理
PBB,TRIS,TEPA
耐酸汗液
耐碱汗液
耐干摩擦 i
耐唾液
苯乙烯
乙烯基环己烷
4一苯基环己烷
丁二烯
氯乙烯
芳香化合物
挥发性有机物
异常气味;j
一般气味k
婴幼儿
婴动儿
直接接触
皮肤用品
不直接接触
皮肤用品
禁用 e
禁用:
禁止g
禁止8
直接接触
皮肤用品
不直接接触
皮肤用品
a后续加工工艺中必须要经过湿处理的产品,PH值可放宽至 4.0~10.6之间,产品分类为装饰材料的皮革产品,涂层或层压(复合)产品,其 PH 值允许在 3.5 ~9.0 之间。
b相当于按GB/2911.1测试方法低于20mg/kg.c仅对于天然材料(包括木质材料)及金属辅料。d 对无机材料制成的附件不要求。e 合格限量值:对 Cr (VI)为 0. 5mg/kg, 对芳香胺为 20mg/kg,对致敏染料为 0. 006%。f仅对于天然纤维。
符合本技术要求的整理除外。
h对洗涤褪色型产品不要求。
i对于颜色、还原染料或硫化染料:其最低的耐干摩擦色牢度允许为3级。j针对除纺织地板覆盖物以外的所有制品,异常气味的种类见附录F。k适用于纺织地毯、床垫以及发泡和有大面积涂层的非用于穿着的物品,6 试验方法
6. 1PH 值按 GB/T 7573执行,
6. 2 游离甲醛含量按 GB/T 2912.1 执行,释放甲醛含量安 Oeko-Tex 200 执行。6.3可萃职重金属按GB/T17593执行,并采用人造性汗液提取重金属,其中六价铬参照SN0704执行。
6.4 有机氯杀虫剂按 GB/ T 18412执行,其他种类杀虫剂参照 GB/ T 18412执行。6. 5 含氯酚按 GB / T 18414. L 和 GB / T 18414. 2 执行。6.6有机氯载体按0eko一Tex200执行.6. 7 PC 增塑剂按 0eko—Tex200 执行。6.8 挥发性物质释放按 0eko-Tex200执行。6.9纺织地板覆盖物的气味按0eko-200执行,其他所有制品的异常气味按本标准附录F执行。
6. 10 可分解芳香胺染料按 GB/ T 17592.1、GB/T 17592. 2、GB/ T 17592.3执行致癌染料和致敏染料按 0eko一Tex 200 执行,6.11有机锡化合物按0eko-Tex200执行6.12耐摩擦色牢度按 GB/ T 8920执行。6.19耐汗清色牢度按CB/T3922执行。6. 14 耐水色牢度按 GB/ T 5713执行。6.15 耐睡液色牢度按 CB / T 18886 执行。7职样
7.1按有关标准规定或双方协议执行,否则按7.2~7.4执行。7.2从每批产品中随机抽取有代表性样品:试样数量应满足第6章中全部试途方法的要求。
7.3样品抽取后,应密封放置,不应进行任何处理,7.4布匹试样:至少从距布端2m以上取样,每个样品尺寸为1m×全幅:服装或制品试样则以一个单件为一个样品。
8判定规则
如果测试结果中有一项超出表1 规定的限量值,则判定该批产品不合格6
附录A
(规范性附录)
有害染料
1 还原条件下染料中不允许分解出的有毒芳胺A.1.1第一类:对人体有致癌性的芳胺,见表直.1.表.1
中文名称
4一氨基联苯
联苯胺
4一氯一邻甲基苯胺
2—萘胺
英文名称
4-arninobiphenyl
Benzi dine
4-chl oro-o-toludine
2-naphthylamine
A. 1. 2 第一类: 对人体有致癌性的芳胺,见表 A. 2.表.2
中文名称
邻氨基偶氮甲苯
2-氨基-4-硝基甲苯
对氯苯胺
2,4-二氨基苯甲醚
4,4--二氨基二苯甲烷
3,3°-二氯联苯胺
3,8°-二甲氧基联苯胺
3,8.-二甲基联苯胺
3,3+-二甲基-4,4r-二氮
对甲酚定
英文名
aninoazotoluene
2-anino-d-nitrotoluene
p-chloroaniline
2, 4-dianinoanisole
4, 4--diaminobiphenymethane
3, 3-dichlorobenzidine
3, 3- -dimethoxybenzidine
3, $+-dimethylbenzidine
化学文摘编号
92-67-1
92-87-5
95-69-2
91-59-8
化学文摘编号
97-56-3
99-65-8
106-47-8
615-05-4
101-77-9
91-94-1
119-90-4
119-93-7
3, 3--dinethyl-4, 4r-dianinobiphePcresidine
4, 4 -亚甲基-二-(2-氯
4, 4--methylene-bis-(2-chloroamil4,4-二氨基二苯
4,4-二氨基二苯硫醚
邻甲苯胺
2.4-二氨基甲苯
2,4,5-三甲基苯胺
邻甲氧基苯胺
2,4-二甲基苯胺
2,6-二甲基苯胺
4, 4--oxydianiline
d,4--thiodianiline
toluidine
2, 4-toluylendianine
2, 4, 5-trimethylaniline
anisidine
2, 4-xylidine
2, 6-xylindine
838-88-0
120-71-8
101-14-4
101-80-4
159-65-1
95-53-4
95-80-7
137-17-7
90-04-0
95-68-1
87-62-7
. 2 致癌染料
见表A.3。
中文名
碱性红26
碱性红9
直接黑38
直接蓝6
直接红28
分散1
分散黄3
血。 5 致皱染料
见表A.4.
染料索引商品名
英文名
Acid Red 26
Basic Red 9
Direct Blue 38
Direct Blue 6
Direct Red 28
Disperse Blue 1
Disperse Yellow 3
染料索引商品名
分散蓝 1
分散蓝 3
分散蓝 7
分散蓝26
分散蓝35
分散蓝102
分散蓝 106
分散蓝 124
分散橙1
分散橙3
分散橙37
分散橙76
分散红1
分散红11
分散红17
分散黄 1
分散黄3
分散黄9
分散黄39
分散黄49
英文名
Disperse Blue 1
Disperse Blue 3
Disperse Blue 7
Disperse Blue 26
Disperse Blue 35
染料索引结构号
染料索引结构号
Disperse Blue 102
Disperse Blue 106
Disperse Blue 124
Disperse Orange 1
Disperse Oranige 3
Disperse Orange 37
Disperse Orange 76
Disperse Red 1免费标准下载网bzxz
Disperse Red 11
Disperse Red 17
Disperse Yellow 1
Disperse Yellow 3
Disperse Yellow 9
Disperse Yellow 39
Disperse Yellow49
化学文摘号
3761-53-3
25620-784
1937-37-7
260246-2
573-58-0
2475-45-8
2832-40-8
化学文摘号
247545-8
2475-46-9
3179-90-6
2581-69-3
730-40-5
2872-52-8
287248-2
3179-89-3
2832-40-8
6373-73-5
B.1杀虫剂见表 B.1.
中文名
2,4,5涕
2,4滴
艾氏剂
甲氨甲酸蒸酯
二羟二蔡基二硫醚
滴滴意
滴滴递
狄氏剂
α硫丹
B硫丹
异狄氏剂
七氯环氧化物
六氯苯
中文名称
-六六六
B-六六六
8-六六六
高丙体六六六
甲氧滴滴涕
灭蚁灵
毒杀芬
谷硫磷
乙基谷塞昂
乙基溴硫磷
敌菌丹
毒虫畏,杀螺威
附录B
(规范性附录)
杀虫剂
英文名称
2,4,5-T
2,4-D
aldrine
carbary
diedrine
α-endosulfan
-endosulfan
endrine
heptachlor
heptachloroepoxide
hexachlorobenzene
表B.1(续)
英文名称
d-hexachlorcylohexane
B -hexachlorcylohexane
Y-hexachlorcylohexane
lindane
methoxychilor
tozaphene
trifluralin
azinopho srnethyl
azinophosethyl
bromophos ethyl
captafol
chlordane
chilorfenvinphos
,库马福司
香豆磷,蝇毒磷,
coumaphos
化学文摘编号
93-76-5
97-75-7
309-00-2
63-25-3
53-19-0, 72-54-8
3424-82-6, 72-55-9
50-29-3,789-02-6
60-57-1
115-29-7
33213-65-9
72-20-8
76-44-8
1024-57-3
118-74-1
化学文摘编号
319-84-6
319-85-7
319-86-8
58-89-9
72-43-5
2358-85-5
8001-35-2
1582-09-8
86-50-0
2642-71-9
4824-78-6
2425-06-1
57-74-9
470-90-6
56-72-4
C. 1 PVC 增塑剂见表 C. 1.
中文名称
邻苯二甲酸二异王酯
邻苯二甲酸二辛酯
邻苯二甲酸二(2一乙基)己酯
邻苯二甲酸二异癸酯
邻苯二甲酸丁基苄基酯
邻苯二甲酸二丁酯
D. 1 有机氰载体见表 P. 1。
中文名國
二氯苯类化合物
三氯苯类化合物
四氯苯类化合物
五氯苯类化合物
六氯苯类化合物
氯甲苯类化合物
二氯甲苯类化合物
三氯甲苯类化合物
四氯甲苯类化合物
五氯甲苯类化合物
E. 1 阻燃剂见表 E. 1.
中文名称
多溴联苯
三(2,3-二溴丙基)-磷酸酯
三-(氨氮环丙基)-麟化氧
附录c
(规范性附录)
PVC增塑剂
英文名
di-iso-nonyl phthalateDINF
di-n-octyl phthalate DNOP
di( 2-ethyl hexyl)-phtha late DEHFdisodecyl phthalate DIDP
butylbenzyl phthalate BB P
dibutuyl phthalate DBP
附录D
(规范性附录)
有机氯载体
化学文摘编号
28553-12-0
117-84-0
117-81-7
26761-40-0
85-68-7
84-74-2
英文名称
di chl orobenzenes
tichloroberizenes
tetrachlorobenzenes
pentachlorobenzenes
hexachlorobenzenes
chlorotoluenes
di chl orotoluene s
trichlorotoluenes
tetrachl orotoluenes
pentachlorotoluenes
附录E
(规范性附录)
禁止使用阻染剂
英文名称
PBB polybrorrinated biphenylesTRIS t-(2,3-dibromo-propy)-phosphateTEPA tris(azir-idinyl)-phos-phinoxi de化学文摘编号
59536-65-1
126-72-7
5455-55-1
国际纺织品生态学研究与检测协会oko-Tex
生态纺织品标准100
(0ko-Tex Standard 100)
通用及特别技术条件
2005年版
1.目的
2.适用范围
授权使用0ko-Tex100标志的通用及特别技术条件目录
3.术语及定义
4.1产品的特别要求
4.2关于生物活性产品的要求
4.3关于使用阻燃产品的要求
4.4申请
4.5样品材料
4.6承诺书
4.7检测
4.8质量控制
4.9质量保证
4.10遵守
5.标志
5.1授权的获得
5.2授权的限制
5.3授权的撤销
5.4标志的类型
小提示:此标准内容仅展示完整标准里的部分截取内容,若需要完整标准请到上方自行免费下载完整标准文档。

标准图片预览:





- 热门标准
- 国家标准(GB)
- GB/T43771-2024 电子气体 一氧化碳
- GB/T33814-2017 焊接H型钢
- GB/T17972-2000 信息处理系统 数据通信 局域网中使用X.25包级协议
- GB/T19250-2013 聚氨酯防水涂料
- GB/T12113-2023 接触电流和保护导体电流的测量方法
- GB/T23344-2009 纺织品 4-氨基偶氮苯的测定
- GB/T37319-2019 电梯节能逆变电源装置
- GB51131-2016 燃气冷热电联供工程技术规范
- GB/T22089-2008 电水壶性能要求及试验方法
- GB/T27888.3-2011 船舶与海上技术 船舶与海上结构物的排水系统 第3部分:真空系统的卫生水排放及排放管道
- GB/T40442-2021 纸、纸板和纸浆纤维组成分析中质量因子的测定
- GB/T3765-2008 卡套式管接头技术条件
- GB/T44103-2024 轮滑课程学生运动能力测评规范
- GB/T18878-2008 滑道设计规范
- GB/T23349-2009 肥料中砷、镉、铅、铬、汞生态指标
- 行业新闻
请牢记:“bzxz.net”即是“标准下载”四个汉字汉语拼音首字母与国际顶级域名“.net”的组合。 ©2009 标准下载网 www.bzxz.net 本站邮件:bzxznet@163.com
网站备案号:湘ICP备2023016450号-1
网站备案号:湘ICP备2023016450号-1