- 您的位置:
- 标准下载网 >>
- 标准分类 >>
- 国家标准(GB) >>
- GB/T 18888-2002 亚麻棉
标准号:
GB/T 18888-2002
标准名称:
亚麻棉
标准类别:
国家标准(GB)
标准状态:
现行-
发布日期:
2002-11-22 -
实施日期:
2003-05-01 出版语种:
简体中文下载格式:
.rar.pdf下载大小:
216.72 KB
首发日期:
2002-11-22复审日期:
2004-10-14起草人:
时凤芹、龙国华、李学勤、史家强、姜广双、范嘉槟起草单位:
黑龙江省纤维检验局归口单位:
中国纤维检验局提出单位:
中国纤维检验局发布部门:
中华人民共和国国家质量监督检验检疫总局主管部门:
国家质量监督检验检疫总局相关标签:
亚麻棉
点击下载
标准简介:
标准下载解压密码:www.bzxz.net
本标准规定了亚麻棉的术语和定义、产品分类、试验方法、检验规则、标志、包装、运输和贮存。本标准适用于亚麻棉的质量等级评定。 GB/T 18888-2002 亚麻棉 GB/T18888-2002
部分标准内容:
ICS_59. D60. 10
中华人民共和国国家标准
GB/T18888—2002
亚麻棉
Cotton flax
2002-11-22发布
中华人民共和国
国家质量监督检验检疫总局
2003-05-01实施
本标准山中国纤维检验局捉出。本标准出中国红维检验局归口。前言
iiKAoNrKAca=
GB/T18888—2002
本标准由黑龙江省纤维检验局负责起草.黑龙江省纺织工业研究所、黑龙江圆宝纺织股份有限公可参起草。
本标准主要起草人:时凤片、龙国华李学勤、史家强、姜广双、范嘉槟。1范围
亚麻棉
GB/T188882002
本标准规定了亚麻棉的术语和定义、产品分类.要求.试验方法、检验规则、标志、包装、运输和存。本标准适用于亚麻棉的质量等级评定。2规范性引用文件
下列文件中的条款通过本标准的引用而成为本标准的条款,凡是注H期的引用文件,其随后所有的修改单(不包括勘误的内容)或修订版均不适用于本标准·然商,鼓励根据本标准达成协议的各方研究是否可使用这些文件的最新版本。凡是不注日期的引用文件,其最新版本适用于本标准。GB/T3291.1纺织纺织材料性能和试验术语第1部分:纤维和纱线G1/T5707纺织名词术语(麻部分)G13 6529纺织品的调湿和试验用标准人气GB/T 8I70数值修约规则
GB3/T 9995纺织材料含水率和回潮率的测定烘箱干燥法3术语和定义
GB/T 3291.1、GI3/T5707中确立的以及下列术语和定义适用本标准,3. 1
亚麻棉collonTlax
亚麻二粗及其他亚麻纤维(如精梳落麻,联梳落麻等)经深加工、可以直接用于纺纱的亚麻纤维。3.2
棉型纤维cotton type fibre
平均长度在 40 mm以下的亚麻棉纤维。3.3
中长型纤维mid length fihre
平均长度在40mm~55mm之间的亚麻棉纤维。3.4
短纤维 short fihre
长度在 16 mm 及以下的亚麻棉纤维。3.5
超倍长纤维multiple length staple fibre棉型:长度在70 mm及以上的亚麻棉纤维。中长型:长度在115 mm 及以上的亚廉棉纤维。4产品分类
亚麻棉的加工分为机械法和化学法。其品分为棉型和中长型两种规格。5要求
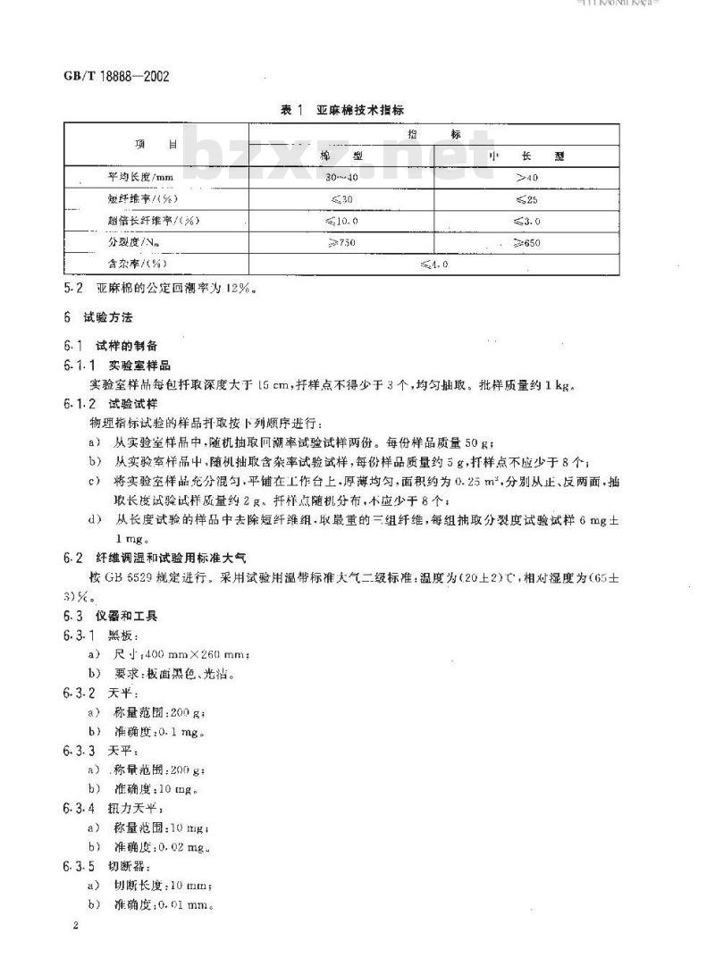
5.1业麻棉技术指标见表1。
GB/T 18888—2002
均长度/mm
短纤维率/《%)
超倍长纤维率/(%)
分裂度/N%
含杂率%)
亚麻棉的公定回澈率为12%。
6试验方法
6.1试样的制备
6-1.1实验室样品
亚麻棉技术指标
30--40
实验室样品每包扦深度大于[5 cm,打样点不得少于3个,均匀抽取。批样质量约1k。6.1. 2 试验试样
物理指标试验的样品托取按下列顺序进行:a)从实验室样品中,随机抽取回潮率试验试样两份。每份样品质量50gTiKAoNrKAca
b)从实验室样品中,随机抽取含杂率试验试样,每份样品质量约5g,打样点不应少于8个;将实验空样品充分混勾.平铺在工作台上、厚薄均匀,面积约为0.25m,分别从止、反两面,抽)
取长度试验试样质量约2&。扦样点随机分布,不应少于8个:从长度试验的样品中去除短纤维组,取最重的三组纤维,每组抽取分裂度试验试样6m土d)
1mg。
6.2纤维调湿和试验用标准大气
按GB6529规定进行,采用试验用温带标准火气二级标准:温度为(20土2)亡,相对湿度为(65士3)%。
6.3仪器和工具
6.3.1黑板:
a)尺小:400mmx26mm:bzxZ.net
b)要求:板面黑色、光洁。
6.3.2天平:
a)称量范围:200g:
b)准确度:0.1mg。
6.3.3天平:
a)称量范围:200g:
b)准确度:10 (ng。
6.3.4扭力天平,
a)称量范围:10 mg:
准确度:0.02mg
6.3.5切断器:
切断长度:10 tt1;
b)推确度:0.01 mm。
6.3.6 梳针
稀梳密度:10针/cm。
6. 3.7 镊子。
6.4程序
6. 4. 1回潮率试验
按GB/T9995规定进行。
6.4.2手栋含杂率试验
6.4.2.1栋杂
用镊子栋出杂质,并防止杂质丢失。注:杂质包括亚麻屑、草、灰尘等非亚麻棉物质。6.4.2.2称重
用犬平(准确度:10 mg)称量出杂质和纤维的质量。6.4.2.3结果计算
结果按式(1)计算:
式中:
P一含杂率,为;
W——杂质的质量,单位为克(g);W.
试样的质量,单位为克(g)。
6.4.3长度试验
6.4.3.1除杂
用双于轻轻抖动,并摘除试样中的麻屑等杂质。6.4.3.2开松
用镖子将试样中的麻结展平。
6.4.3.3整理
GB/T 18888--2002
将试样分成若十便于操作的小样,用双手反复整理出儿组麻束,每组麻束的纤维应顺直,-端平齐。游离纤维不能丢弃。
6.4.3.4分组
将麻束不整齐一端依次抽出、放在黑板上:按 0 mm~16 mm,16 mm~~25 mm,25 mm~40 mm、40mm~-55mm,55mm~-70mm.70mm~85mm,85mm~100mm.100ml115mml.115m~130mm.130 mm-~160 mm、160mm~~190 mm以上的档次排列成一端平齐的儿组麻束。6.4.3.5称量
用天平(准确度:().1 ng)称景每组纤维的质量。6. 4. 3. 6结果计算
6.4.3.6-1平均长度
平均长度按式(2)计算:
-质量加权平均长度,单位为毫米(mm);L
第组纤维长度的组中值(L,-d/2),单位为毫米(mm):第1组纤维的质量,单位为克(g):(2)
GB/T 188882002
纤维长度组数;
--第组纤维的组距,单位为毫米(rI)6.4.3.6.2短纤维率
短纤维率接式(3)计算:
式中:
Ws短纤维率,%·
G.-…短纤维质量,单位为克()G,--第组纤维的质量,单位为克(g);纤维长度组数。
6.4.3.6.3超倍长纤维率
超倍长纤维率按(1)计算:
式中:
W,一--超倍长纤维率,%,
G.第纽纤维的质量,单位为克g);i-—纤维长度组数;
3·超信长纤维组顺序数;
第i组纤维的质量,单位为克(g)。6.4.4分裂度试验
6.4.4.1梳理
× 100
TiiKAoNrKAca
从每组纤维试样中抽出部分纤维,经整埋端整齐后.用梳针梳理纤维试样,清除麻束中的游离纤维。
6.4.4.2切断
用划断器切断每组纤维,棉型麻束整埋端应露出夹板外约5mm,中长型露出夹板外约7Inm,6.4.4.3称重
用镊子拔掉筹组两边部分的纤维.用扭力大平按本标推6.1.2d)的规定称其质量。6.4.4.4数根数
按下述方法记录纤维根数:
a)一根纤维上分劈若干红维.其长度在5mm 以上的,逐根记录;b)大于 5 的纤维记作根;
c)两根5mm长的纤维记作--根
6.4.4.5结果计算
6.4.4.5.1分裂度按式(5)计算:N
式中:
分裂度(用公制支数表示),单位为公支(N.);I..--中断纤维长度,单位为毫浆(mm);中断纤维质量,单位为毫克(mg);n
纤继椒数,单位为根(根。
(5)
6.4.4.5.2平均分裂度按算术平均值计算。6.4.5数值修约
GB/T 18888—2002
物埋指标的计算结果应按GB/T 8170 的规定进行修约。含杂率、超倍长纤维率结果修约至位小数,回潮率结果修约牟二位小数,其余均修约牟整数,7检验规则
7.1抽样规定
以同一品种、同一品等、同一交货时间(或入库量)为一批鼓一验收单位,每批受检产品按10%随机抽取,不足10包按10包计算;者超过200包,则每增加50包取2包,不足50包按50包计算。7.2质量评定
机械亚麻棉的物理指标均符合本标准5.1规建,则判定该批产品为合格品:否则为不合格品,化学亚麻棉的质量评定参照本标谁规定执行。7.3验收规定
7. 3. 1出厂检验
产品经检验合格,并附有检验合格证出厂。7.3.2验收检验
购销双方对产品进行质量验收时,按本标准规定的试验方法,技术要求评定质量。产品内不得混人异性纤维。
7.3.3复验规定
购销双方出现质量争议.由购销双方协商解决。若需要复验,应按本标谁或合同执行,取样数量加倍。
7.4成包净重的验收
成包净重应折算成公定回潮率时的实际质量,依据本标准5.1的规定按实测含杂值扣补,8标志、包装、运输和购存
8.1标志
8. 1. 1产品标志应明确、清楚、使于识别。8.1.2产品包装上应有产品标志,标志内容包括:产品名称,规格、质量(重量)、生产【期、厂名、厂证、批或包号。
8.2包装
8.2.1包装应保证产品质最利于运输储存。8.2.2成包亚麻棉应有外包装。包装材料应是棉或麻制品,8.3运输
8.3.1保证产品不受损失,安全稳妥。8.3.2选输工具应清洁,不污染产品。8.3.3运输应有防雨设施。
8.4贮存
贮存场所应防潮、防雨.防火、防葬变。GB/T 18888-2002
TiiKAoNrKAca
中华人民其和国
国家标准
亚麻棉
GB/T 18888 - 2002
中国标准出版社出版
北京复兴门外三里河北街16号
邮政编码:100045
电话:685231668517518
中国标准出版社案皇岛印刷厂印刷新华书店北京发行所发行
各地新华书店经售
开本880×12301/16印张3/4字数13千字2003年3月第-次印刷
2003年3月第--版
印数1—1500
书号:155065119166
链价10.00元
网址bzcbs.com
版权专有侵权必究
举报电话:010)68533533
208888
小提示:此标准内容仅展示完整标准里的部分截取内容,若需要完整标准请到上方自行免费下载完整标准文档。
中华人民共和国国家标准
GB/T18888—2002
亚麻棉
Cotton flax
2002-11-22发布
中华人民共和国
国家质量监督检验检疫总局
2003-05-01实施
本标准山中国纤维检验局捉出。本标准出中国红维检验局归口。前言
iiKAoNrKAca=
GB/T18888—2002
本标准由黑龙江省纤维检验局负责起草.黑龙江省纺织工业研究所、黑龙江圆宝纺织股份有限公可参起草。
本标准主要起草人:时凤片、龙国华李学勤、史家强、姜广双、范嘉槟。1范围
亚麻棉
GB/T188882002
本标准规定了亚麻棉的术语和定义、产品分类.要求.试验方法、检验规则、标志、包装、运输和存。本标准适用于亚麻棉的质量等级评定。2规范性引用文件
下列文件中的条款通过本标准的引用而成为本标准的条款,凡是注H期的引用文件,其随后所有的修改单(不包括勘误的内容)或修订版均不适用于本标准·然商,鼓励根据本标准达成协议的各方研究是否可使用这些文件的最新版本。凡是不注日期的引用文件,其最新版本适用于本标准。GB/T3291.1纺织纺织材料性能和试验术语第1部分:纤维和纱线G1/T5707纺织名词术语(麻部分)G13 6529纺织品的调湿和试验用标准人气GB/T 8I70数值修约规则
GB3/T 9995纺织材料含水率和回潮率的测定烘箱干燥法3术语和定义
GB/T 3291.1、GI3/T5707中确立的以及下列术语和定义适用本标准,3. 1
亚麻棉collonTlax
亚麻二粗及其他亚麻纤维(如精梳落麻,联梳落麻等)经深加工、可以直接用于纺纱的亚麻纤维。3.2
棉型纤维cotton type fibre
平均长度在 40 mm以下的亚麻棉纤维。3.3
中长型纤维mid length fihre
平均长度在40mm~55mm之间的亚麻棉纤维。3.4
短纤维 short fihre
长度在 16 mm 及以下的亚麻棉纤维。3.5
超倍长纤维multiple length staple fibre棉型:长度在70 mm及以上的亚麻棉纤维。中长型:长度在115 mm 及以上的亚廉棉纤维。4产品分类
亚麻棉的加工分为机械法和化学法。其品分为棉型和中长型两种规格。5要求
5.1业麻棉技术指标见表1。
GB/T 18888—2002
均长度/mm
短纤维率/《%)
超倍长纤维率/(%)
分裂度/N%
含杂率%)
亚麻棉的公定回澈率为12%。
6试验方法
6.1试样的制备
6-1.1实验室样品
亚麻棉技术指标
30--40
实验室样品每包扦深度大于[5 cm,打样点不得少于3个,均匀抽取。批样质量约1k。6.1. 2 试验试样
物理指标试验的样品托取按下列顺序进行:a)从实验室样品中,随机抽取回潮率试验试样两份。每份样品质量50gTiKAoNrKAca
b)从实验室样品中,随机抽取含杂率试验试样,每份样品质量约5g,打样点不应少于8个;将实验空样品充分混勾.平铺在工作台上、厚薄均匀,面积约为0.25m,分别从止、反两面,抽)
取长度试验试样质量约2&。扦样点随机分布,不应少于8个:从长度试验的样品中去除短纤维组,取最重的三组纤维,每组抽取分裂度试验试样6m土d)
1mg。
6.2纤维调湿和试验用标准大气
按GB6529规定进行,采用试验用温带标准火气二级标准:温度为(20土2)亡,相对湿度为(65士3)%。
6.3仪器和工具
6.3.1黑板:
a)尺小:400mmx26mm:bzxZ.net
b)要求:板面黑色、光洁。
6.3.2天平:
a)称量范围:200g:
b)准确度:0.1mg。
6.3.3天平:
a)称量范围:200g:
b)准确度:10 (ng。
6.3.4扭力天平,
a)称量范围:10 mg:
准确度:0.02mg
6.3.5切断器:
切断长度:10 tt1;
b)推确度:0.01 mm。
6.3.6 梳针
稀梳密度:10针/cm。
6. 3.7 镊子。
6.4程序
6. 4. 1回潮率试验
按GB/T9995规定进行。
6.4.2手栋含杂率试验
6.4.2.1栋杂
用镊子栋出杂质,并防止杂质丢失。注:杂质包括亚麻屑、草、灰尘等非亚麻棉物质。6.4.2.2称重
用犬平(准确度:10 mg)称量出杂质和纤维的质量。6.4.2.3结果计算
结果按式(1)计算:
式中:
P一含杂率,为;
W——杂质的质量,单位为克(g);W.
试样的质量,单位为克(g)。
6.4.3长度试验
6.4.3.1除杂
用双于轻轻抖动,并摘除试样中的麻屑等杂质。6.4.3.2开松
用镖子将试样中的麻结展平。
6.4.3.3整理
GB/T 18888--2002
将试样分成若十便于操作的小样,用双手反复整理出儿组麻束,每组麻束的纤维应顺直,-端平齐。游离纤维不能丢弃。
6.4.3.4分组
将麻束不整齐一端依次抽出、放在黑板上:按 0 mm~16 mm,16 mm~~25 mm,25 mm~40 mm、40mm~-55mm,55mm~-70mm.70mm~85mm,85mm~100mm.100ml115mml.115m~130mm.130 mm-~160 mm、160mm~~190 mm以上的档次排列成一端平齐的儿组麻束。6.4.3.5称量
用天平(准确度:().1 ng)称景每组纤维的质量。6. 4. 3. 6结果计算
6.4.3.6-1平均长度
平均长度按式(2)计算:
-质量加权平均长度,单位为毫米(mm);L
第组纤维长度的组中值(L,-d/2),单位为毫米(mm):第1组纤维的质量,单位为克(g):(2)
GB/T 188882002
纤维长度组数;
--第组纤维的组距,单位为毫米(rI)6.4.3.6.2短纤维率
短纤维率接式(3)计算:
式中:
Ws短纤维率,%·
G.-…短纤维质量,单位为克()G,--第组纤维的质量,单位为克(g);纤维长度组数。
6.4.3.6.3超倍长纤维率
超倍长纤维率按(1)计算:
式中:
W,一--超倍长纤维率,%,
G.第纽纤维的质量,单位为克g);i-—纤维长度组数;
3·超信长纤维组顺序数;
第i组纤维的质量,单位为克(g)。6.4.4分裂度试验
6.4.4.1梳理
× 100
TiiKAoNrKAca
从每组纤维试样中抽出部分纤维,经整埋端整齐后.用梳针梳理纤维试样,清除麻束中的游离纤维。
6.4.4.2切断
用划断器切断每组纤维,棉型麻束整埋端应露出夹板外约5mm,中长型露出夹板外约7Inm,6.4.4.3称重
用镊子拔掉筹组两边部分的纤维.用扭力大平按本标推6.1.2d)的规定称其质量。6.4.4.4数根数
按下述方法记录纤维根数:
a)一根纤维上分劈若干红维.其长度在5mm 以上的,逐根记录;b)大于 5 的纤维记作根;
c)两根5mm长的纤维记作--根
6.4.4.5结果计算
6.4.4.5.1分裂度按式(5)计算:N
式中:
分裂度(用公制支数表示),单位为公支(N.);I..--中断纤维长度,单位为毫浆(mm);中断纤维质量,单位为毫克(mg);n
纤继椒数,单位为根(根。
(5)
6.4.4.5.2平均分裂度按算术平均值计算。6.4.5数值修约
GB/T 18888—2002
物埋指标的计算结果应按GB/T 8170 的规定进行修约。含杂率、超倍长纤维率结果修约至位小数,回潮率结果修约牟二位小数,其余均修约牟整数,7检验规则
7.1抽样规定
以同一品种、同一品等、同一交货时间(或入库量)为一批鼓一验收单位,每批受检产品按10%随机抽取,不足10包按10包计算;者超过200包,则每增加50包取2包,不足50包按50包计算。7.2质量评定
机械亚麻棉的物理指标均符合本标准5.1规建,则判定该批产品为合格品:否则为不合格品,化学亚麻棉的质量评定参照本标谁规定执行。7.3验收规定
7. 3. 1出厂检验
产品经检验合格,并附有检验合格证出厂。7.3.2验收检验
购销双方对产品进行质量验收时,按本标准规定的试验方法,技术要求评定质量。产品内不得混人异性纤维。
7.3.3复验规定
购销双方出现质量争议.由购销双方协商解决。若需要复验,应按本标谁或合同执行,取样数量加倍。
7.4成包净重的验收
成包净重应折算成公定回潮率时的实际质量,依据本标准5.1的规定按实测含杂值扣补,8标志、包装、运输和购存
8.1标志
8. 1. 1产品标志应明确、清楚、使于识别。8.1.2产品包装上应有产品标志,标志内容包括:产品名称,规格、质量(重量)、生产【期、厂名、厂证、批或包号。
8.2包装
8.2.1包装应保证产品质最利于运输储存。8.2.2成包亚麻棉应有外包装。包装材料应是棉或麻制品,8.3运输
8.3.1保证产品不受损失,安全稳妥。8.3.2选输工具应清洁,不污染产品。8.3.3运输应有防雨设施。
8.4贮存
贮存场所应防潮、防雨.防火、防葬变。GB/T 18888-2002
TiiKAoNrKAca
中华人民其和国
国家标准
亚麻棉
GB/T 18888 - 2002
中国标准出版社出版
北京复兴门外三里河北街16号
邮政编码:100045
电话:685231668517518
中国标准出版社案皇岛印刷厂印刷新华书店北京发行所发行
各地新华书店经售
开本880×12301/16印张3/4字数13千字2003年3月第-次印刷
2003年3月第--版
印数1—1500
书号:155065119166
链价10.00元
网址bzcbs.com
版权专有侵权必究
举报电话:010)68533533
208888
小提示:此标准内容仅展示完整标准里的部分截取内容,若需要完整标准请到上方自行免费下载完整标准文档。
标准图片预览:





- 热门标准
- 国家标准(GB)
- GB/T2828.1-2012 计数抽样检验程序 第1部分:按接收质量限(AQL)检索的逐批检验抽样计划
- GB/T18204.4-2000 公共场所毛巾、床上卧具微生物检验方法细菌总数测定
- GB/T23892.3-2009 滑动轴承 稳态条件下流体动压可倾瓦块止推轴承 第3部分:可倾瓦块止推轴承计算的许用值
- GB/T11839-1989 二氧化铀芯块中硼的测定 姜黄素萃取光度法
- GB/T6122.1-2002 圆角铣刀 第1部分:型式和尺寸
- GB/T7433-1987 对称电缆载波通信系统抗无线电广播和通信干扰的指标
- GB/T21238-2007 玻璃纤维增强塑料夹砂管
- GB/T28809-2012 轨道交通 通信、信号和处理系统 信号用安全相关电子系统
- GB/T9124.1-2019 钢制管法兰 第1部分:PN 系列
- GB17945-2024 消防应急照明和疏散指示系统
- GB15603-2022 危险化学品仓库储存通则
- GB6819-1996 溶解乙炔
- GB/T9239-1988 刚性转子平衡品质 许用不平衡的确定
- GB/T15917.3-1995 金属镝及氧化镝化学分析方法 对氯苯基荧光酮--溴化十六烷基三甲基胺分光光度法测定钽量
- GB/T5738-1995 瓶装酒、饮料塑料周转箱
- 行业新闻
请牢记:“bzxz.net”即是“标准下载”四个汉字汉语拼音首字母与国际顶级域名“.net”的组合。 ©2025 标准下载网 www.bzxz.net 本站邮件:bzxznet@163.com
网站备案号:湘ICP备2025141790号-2
网站备案号:湘ICP备2025141790号-2