- 您的位置:
- 标准下载网 >>
- 标准分类 >>
- 国家标准(GB) >>
- GB 10409-2001 防盗保险柜
标准号:
GB 10409-2001
标准名称:
防盗保险柜
标准类别:
国家标准(GB)
标准状态:
现行-
发布日期:
2001-12-24 -
实施日期:
2002-04-01 出版语种:
简体中文下载格式:
.rar.pdf下载大小:
460.66 KB
替代情况:
GB 10409-1989
首发日期:
1989-02-22复审日期:
2004-10-14起草人:
徐志伟、牟晓生、江昌洪、卢轰法、顾菊兴起草单位:
公安与警用电子产品检测中心归口单位:
全国安全防范报警系统标准化技术委员会提出单位:
中华人民共和国公安部发布部门:
中华人民共和国国家质量监督检验检疫总局主管部门:
公安部相关标签:
防盗
点击下载
标准简介:
标准下载解压密码:www.bzxz.net
本标准规定了防盗保险柜的分类、技术要求、试验方法、检验规则及标志、包装、运输和贮存。本标准使用于防盗保险柜的生产和检验。也适用于附有报警、防火及遥控等功能的防盗保险柜。 GB 10409-2001 防盗保险柜 GB10409-2001
部分标准内容:
GB10409—2001
本标准的全部技术内容为强制性。前言
本标准是对GB10409-1989的修订。本标准不再规定防瓷保险柜必须安装报警装置;对防盗保险柜的安全性能进行了分级,而不再对产品划分合格品、一等品和优等品;对原标准的技术要求和试验方法的内容进行了细化和补充,如:对原标准的A类产品细分为A1、A2,B类产品细分为B1、B2、B3对柜门与门框之间的间隙按柜体高度分别做出了规定;对电子密码锁的密钥量,增加了“可任意变码”的要求和“抗电磁干扰”要求与实验方法,增加了“检验项目表”等。
本标准自实施之日起同时代替GB10409—1989。本标准由中华人民共和国公安部提出。本标准由全国安全防范报警系统标准化技术委员会归口。本标准由上海迪堡大王保险箱有限公司、公安部安全防范报警系统产品质量监督检验测试中心、中国安防产品行业协会秘书处联合起草。本标推主要起草人:徐志伟、牟晓生、江昌洪、卢鑫法、顾菊兴。本标准于1989年首次发布。
1范围
中华人民共和国国家标准
防盗保险柜
Burglary resistant safes
GB 10409—2001
代替GB10409-1989
本标准规定了防盗保险柜的分类、技术要求、试验方法、检验规则及标志、包装、运输和贮存。本标准适用于防盗保险柜的生产和检验。也适用于附有报警、防火及遥控等功能的防盗保险柜。2 引用标准
下列标准所包含的条文,通过在本标准中引用而构成为本标准的条文。本标准出版时,所示版本均为有效。所有标准都会被修订,使用本标准的各方应探讨使用下列标准最新版本的可能性。GB/T1720—1979漆膜附着力测定法GB/T6461-1986金属覆盖层对底材为阴极的覆盖层腐蚀试验后的电镀试样的评级(eqv ISO 4540:1980)
GB/T10125-1997人造气氛腐蚀试验盐雾试验(eqvIS()9227:1990)GB/T12335--1990金属覆盖层对底材呈阳极性的覆盖层腐蚀试验后的试样的评级GB/T15211—1994报警系统环境试验GB/T15482--1995产品质量监督小总体计数一次抽样检验程序及抽样表GB/T 17626.2--1998
电磁兼容试验和测量技术静电放电抗扰度试验(idt IEC 61000-4-2:1995)
GB/T17626.3--1998电磁兼容试验和测量技术射频电磁场辐射抗扰度试验
(idtIEC61000-4-3:1995)
GB/T17626.4—1998电磁兼容试验和测量技术电快速瞬变脉冲群抗扰度试验(idt IEC 61000-4-4:1995)
GB/T17626.51999电磁兼容试验和测量技术浪涌(冲击)抗扰度试验(idt IEC 61000-4-5:1995)
GB/T17626.11一1999电磁兼容试验和测量技术电压暂降、短时中断和电压变化的抗扰度试验(idt IEC 61000-4-11:1995)GA/T73--1994机械防盗锁
3定义
本标准采用下列定义。
3.1防盗保险柜burglary resistant safes在规定时间内抵抗规定条件下非正常进人装有机械、电子锁具(包括密码锁,IC卡锁等)的柜体。3.2安全级别safety class
防盗保险柜抗破坏能力的分级。以在规定的破坏工具作用下,防盗保险柜最薄弱环节能抵抗非正常中华人民共和国国家质量监督检验检疫总局2001-10-24批准574
2002-04-01实施
进入的净工作时间的长短求分级。3.3进入entry
GB10409—2001
在抗破坏试验中,各类防盗保险柜在指定的净工作时间内,打开柜门或在柜门、柜体上开出一个不小于规定面积的开口:A类防盗保险柜为38cm2.B类、C类防盗保险柜为13cm。3.4普通手工工具commonhandtools包括凿子、冲头、楔子、螺丝刀、钢锯、扳手、钳子、质量不大于3.6kg的铁锤、长度不大于1.5m的撬扒工具和通用的凿挖工具。
3.5便携式电动工具portable electrictools钻头直径不大于12.5mm的手电钻、冲头直径不大于25mm的冲击电钻及加压装置。3.6磨头grinding point
转速为14000转/分22000转/分的模具电磨驱动的锥形、盘形、圆柱形及类似形状的磨削工具。3.7专用便携式电动工具specific portableelectrictoois砂轮直径不大于200mm的便携式砂轮切割机、电锯及钻头直径不大于25mm的电锤。3.8 割炬cutting torch
氧-乙炔割炬,规格不大于G01-30射吸式割炬。3.9爆炸物explosives
标准梯恩梯(TNT)炸药或具有相当爆炸能量的其他炸药。3.10机械密码锁machine combination locks通过机械方式输人密码与设置密码比对,以控制柜门(锁舌)启闭的锁具。3.11电子密码锁 electronic combination locks通过电子系统输人密码与设置密码比对,由机电执行机构控制柜门(锁舌)启闭的锁具。3. 12 38 cm\ 的开 thirty-eight square centimeter opening面积为38cm的开口:指最小边长为38mm的矩形开口,或最小高为51mm的三角形开口,或直径为70 mm的圆形开口。
3. 13 13 cm*的开n thirteen square centimeter opening面积为13cm的开1:指最小边长为25mm的矩形开口,或最小高为25mm的三角形开口,或直径为41 mm的圆形开口
3.14净工作时间net working time指实际的破坏攻击时间,不包括试验准备时间及试验过程中可能延误的时间。3.15附加装置additional unit
防盗保险柜按需要装人的监控、报警等装置。4产品分类和标记
4.1产品分类
防盗保险柜产品根据安全级别分为6类。4.1.1A1类防盗保险柜
应能阻止用普通手工工具、便携式电动工具和磨头以及这些工具相互配合使用,在净工作时间15 min以内进人的防盗保险柜。4.1.2A2类防盗保险柜
应能阻止破坏A1类防盗保险柜所采用的工具和专用便携式电动工具以及这紫工具相互配合使用,在净工作时间30min以内进人的防盗保险柜。4.1.3B1类防盗保险柜
应能阻止破坏A2类防盗保险柜所采用的工具和割炬以及这些工具相互配合使用,在净工作时间575
15 min以内进人的防盗保险柜。4.1.4B2类防盗保险柜
GB10409--2001
应能阻止破坏B1类防盗保险柜所采用的工具以及这些工具相互配合使用,在净工作时间30min以内进人的防盗保险柜。
4.1.5B3类防盗保险柜
应能阻止破坏B1类防盗保险柜所采用的工具以及这些工具相互配合使用,在净工作时间60min以内进入的防盗保险柜。
4.1.6C类防盗保险柜
应能阻止破坏B1类防盗保险柜所采用的工具和爆炸物以及这些工具、材料相互配合使用,在净工作时间60 min以内进人的防盗保险柜。4.2产品标记
防盗保险柜产品按下述方式进行标记:FDG-
示例:
以厘米表示的柜体高度
锁具类别:J一机械,D一电子
产品分类(A1、A2、B1、B2、B3及C)-防盗保险柜
FDG-A1/J-85
高度为85cm的A1类机械锁具防盗保险柜FDG-B2/D-50
高度为50cm的B2类电子锁具防盗保险柜5技术要求
5.1—般要求
5.1.1所有的钢铁零、部件表面(轴承、不锈钢、抛光件和用于混凝土中的零件除外)都应采取防腐措施。防腐措施包括氧化、电镀、喷漆等各种防腐处理。5.1.2应有可以指导生产的图纸、检验规范和安装、使用说明书。5.1.3防盗保险柜的功能,包括安装、柜门的开启和锁闭、密码的更换、附加装置的使用、欠压指示等应符合本标准和产品使用说明书的要求。5.1.4外形尺寸偏差应符合表1、表2的规定。5.1.5柜体高度不大于600mm的防盗保险柜,外表面平面度不大于4mm;柜体高度大于600mm的防盗保险柜,外表面平面度不大于6mm。5.1.6零件的表面镀层应均勾一致,外露部位不得有明显的焦斑、起泡、剥落、划痕等缺陷。应能按GB/T10125,经受24h的中性盐雾试验,并按GB/T6461判定阴极性的覆盖层不低于5级;按GB/T12335判定阳极性的覆盖层不低于F4级。表1外形尺寸偏差
外形尺寸α
α<500
500a800
800a1000
a≥1 000
对角线长!
GB 10409—2001
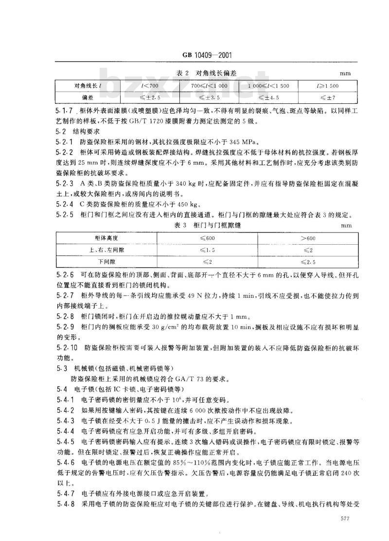
表2对角线长偏差
700/1000
1 000≤<1 500
t≥1500
≤±7
5.1.7,柜体外表面漆膜(或喷塑膜)应色泽均匀一致,不得有明显的裂痕、气泡、斑点等缺陷。以同样工艺制作的样板,不低于按GB/T1720漆膜附着力测定法测定的5级。5.2结构要求
5.2.1防盗保险柜采用的钢材,其抗拉强度极限应不小于345MPa。5.2.2柜体可采用铸造或钢板装配焊接结构。焊缝抗拉强度应不低于母体材料的抗拉强度。若钢板厚度达到25mm时,则连续焊缝深度应不小于6mm。采用其他材料和工艺制作时,应充分考虑该类别防盗保险柜的抗破坏要求。
5.2.3A类、B类防盗保险柜质量小于340kg时,应配备固定件,并应有指导防盗保险柜固定在混凝土上,或较大保险柜内,或房间内的说明书。5.2.4C类防盗保险柜的质量应不小于450kg。5.2.5柜门和门框之间应没有进入柜内的直接通道。柜门与门框的隙缝最大处应符合表3的规定。表3柜门与门框隙缝
柜体高度
上、右、左间隙
下间隙
5.2.6可在防盗保险柜的顶部、侧面、背面、底部开--个直径不大于6mm的孔,以便穿入导线。但开孔位置应不能直接看到柜门的锁闭机构。5.2.7柜外导线的每条引线均应能承受49N拉力,持续1min,引线不应受损,也不能使拉力传到内部接线端子上。
5.2.8柜门锁闭时,柜门在开启边的推拉幌动量应不大于1mm。5.2.9柜门内的搁板应能承受30g/cm2的均布载荷放置10min,搁板及相应设施不应有损坏和明显的变形。
5.2.10防盗保险柜按需要可装人报警等附加装置,但附加装置的装人不应降低防盗保险柜的抗破坏功能。
5.3机械锁(包括磁锁、机械密码锁等)防盗保险柜上采用的机械锁应符合GA/T73的要求。5.4电子锁(包括IC卡锁、电子密码锁等)5.4.1电子密码锁的密钥量应不小于10°,并可任意变码。5.4.2如果用按键输人密码,其按键在连续6000次撤按动作中不应出现故障。5.4.3电子锁在经受不大于0.5J能量的撞击时,应不产生误动作和损坏现象。5.4.4电子密码锁应有应急开启功能,并可有多级、多组开启密码。5.4.5电子密码锁密码输人应有提示。连续3次输人错码或误操作,电子密码锁应有限时锁定、报警等功能。但在限时锁定、报警过后,恢复正确操作应能正常开启。5.4.6电子锁的电源电压在额定值的85%~110%范围内变化时,电子锁应能正常工作。当电源电压低于规定的告警电压时.应有欠压告警指示。欠压告警后,电源容量应仍能满足电子锁正常启闭240次以上。
5.4.7电子锁应有外接电源接口或应急开启装置。5.4.8采用电子锁的防盗保险柜应对电子锁的关键部位进行保护。在键盘、导线、机电执行机构等处受577
GB 10409--- 2001
到破坏攻击时,应能承受相应类别防盗保险柜的抗破坏试验。5.4.9电子锁的环境适应性应符合GB/T15211--1994中A-1/2A-2/5;A-3/3;A-4/1;A-6/3;A-18/3的要求。
电子锁的抗扰度要求应符合GB/T17626.2中(1级)、GB/T17626.3中(1级)5.4.10
GB/T17626.4中(1级)、GB/T17626.5中(1级)、GB/T17626.11中(等级40,持续时间5周期)的试验要求。
5.5电源
5.5.1电源的功率、能耗以及环境适应性与安全要求,应满足相应的产品技术要求。5.5.2在使用交流220V供电方式为主电源时,应有备用电源(可充电蓄电池或一次性电池)。在主电源额定电压值的85%~110%范围内工作正常,在供电部分应有过流保护装置。5.5.3电源插头或电源引人端子与外壳或外壳裸露金属部件之间的绝缘电阻在正常大气条件下不应小于100Mα。
5.5.4电源插头或电源引端子与外壳或外壳裸露金属部件之间应能承受表4规定的50Hz交流电压的抗电强度试验,历时1min应无击穿和飞弧现象。表4额定电压与试验电压
额定电压,V
直流或正弦交流有效值
0~60
61~130
131~~250
交流峰值或合成电压
86~184
185~354
试验电压
5.5.5在主电源停止供电时,应能自动转换到备用电源,并能正常工作,在主电源恢复供电时,应能自动恢复主电源工作,转换过程中不应产生误动作。5.5.6备用电源的额定容量应足够36h的正常操作。5.5.7防盗保险柜使用直流供电时,在电源电压降至规定的告警电压时应能发出欠压告警。在欠压告警后,电源应仍能满足36h的正常操作。5.6附加装置
5.6.1报警等附加装置应符合各自的技术标准,性能稳定,不应产生误动作。5.6.2附加装置的电源应与5.5相适配。采用单独电源时,应符合5.5的要求。5.7抗破坏要求
各类防盗保险柜抗破坏能力应能符合本标准4.1的要求,见表5。表5防盗保险柜的分类和抗破坏要求防盗保险柜
抗破坏试验使用工具
普通手工工具、便携式电动工具和磨头破坏方式
(进人方式)
打开柜门或在柜门、柜体上造成38cm2的通孔
打开柜门或在柜门、柜体上造成38cm2普通手丁工T具、便携式电动工具、磨头和专用便携式电动工具
的通孔
普通手工工具、便携式电动工具、磨头和专「打开柜门或在柜门、柜体上造成13cm2用便携式电动工具和割炬
普通手工工具、便携式电动工具、磨头和专用便携式电动工具和割炬
的通孔
打开柜门或在柜门、柜体上造成13cm的通孔
净工作时间
防盗保险柜
6试验方法
GB 10409—2001
表5(完)
抗破坏试验使用工具
破坏方式
(进入方式)
1打开柜门或在柜门、柜体上造成13cm普通手工工具、便携式电动工具、磨头和专用便携式电动工具和割炬
普通手工工具、便携式电动工具、磨头和专用便携式电动工具、割炬和炸药6.1一般要求检验
6.1.1文件检查
的通孔
打开柜门或在柜门、柜体上造成13cm的通孔
检查样品的技术文件及包装,应符合5.1.2和4.2的要求。6.1.2防腐措施检查
检查样品的防腐措施,应符合5.1.1的要求。6.1.3功能试验
净工作时间
按使用说明书,对样品各项功能进行试验,包括柜门的开启与锁闭、密码的更换、附加装置的使用、欠压告警等。每项试验不少于5次,均应符合产品标准的要求。6.1.4表面质量检查
目视检查样品的表面质量,应符合5.1.6和5.1.7的要求。6.1.5表面镀(涂)层检验
在样品上提取有表面镀层的零件,制作与样品表面漆膜(喷塑膜)同样工艺的试验样板,分别按GB/T10125与GB/T1720进行试验,结果应符合5.1.6和5.1.7的要求。6.1.6尺寸检验
使用钢卷尺、钢板尺、精度为0.02mm的游标卡尺检验样品的外形尺寸、表面平面度应符合5.1.4和5.1.5的要求。
6.2结构要求检验
6.2.1材料检验
检验样品采用的钢材·查钢材的质量保证书,并以同样的钢材制作拉力样板;以同样的工艺制作焊接拉力样板,以精度不低于1%的材料试验机试验。当焊接钢板厚度不小于25mm时,应剖切检验焊缝深度。结果应符合5.2.1与5.2.2的要求。6.2.2质量检验
用磅秤称量样品质量,应符合5.2.3和5.2.4的要求。6.2.3固定装置检查
A类、B类防盗保险柜样品的质量小于340kg的,应符合5.2.3的要求。6.2.4隙缝及孔检验
使用精度为0.02mm的游标卡尺及制作宽度为20mm土1mm、精度不低于士0.1mm的塞块,对柜门与柜框的隙缝和通道、导线孔进行检验。结果应符合5.2.5与5.2.6的要求。6.2.5导线拉力检验
用手持弹簧拉力计试验柜外导线,施加49N拉力,持续1min,结果应符合5.2.7的要求。6.2.6柜门幌动量检验
使用精度为0.02mm的游标卡尺,测量柜门在锁闭时推拉柜门的幌动量,结果应符合5.2.8的要求。
6.2.7搁板承重检验此内容来自标准下载网
GB 10409-2001
在柜内搁板上均勾放置30g/cm2的砂质重物,搁板的承载能力应符合5.2.9的要求。6.3机械锁检验
检查机械锁的检测报告,或按GA/T73中的相关要求进行检验或重点复检,结果应符合5.3的要求。
6.4电子锁检验
6.4.1电子锁密钥量检查
检查或计算电子密码锁的密钥量,结果应符合5.4.1的要求。6.4.2按键耐久性试验
在耐久性试验装置上,以不大于15次/min的速率按动每个按键各6000次,再将受试键盘与电子锁相联.进行按键操作和电手锁功能试验,结果应符合5.4.2的要求。6.4.3抗撞击试验
将电子锁及按键或其他操作装置固定在50mm厚的木板上,使电子锁处于工作状态。用质量为500g的实心钢球从100mm高处自由跌落,撞击按键防护外壳四周各三次,观察电子锁有否误动作。撞击后进行电子锁功能试验,试验结果应符合5.4.3的要求。6.4.4密码锁功能检验
按产品的说明书对电子密码锁的功能进行试验,包括改变密码、多组密码开启、应急开启、错码输人、各种误操作及附加装置(监控、报警等)的联动试验(6.1.3中已试验的项目,可不重复)。结果应符合5.4.4和5.4.5的要求。
6.4.5电压适应性试验
用精度0.5级,量程1.5倍于电源电压的电压表和精度0.5级量程1.5倍于额定电流值的电流表监测,分别在额定电源电压的85%、110%和规定的告警电压时进行试验,结果应符合5.4.6的要求。6.4.6电源接口应急开启检查
检查电子锁外接电源接I1或应急开启装置,结果应符合5.4.7的要求。6.4.7环境适应性试验
电子锁的环境适应性试验按GB/T15211的要求进行试验,结果应符合5.4.9的要求。6.4.8抗扰度试验
电子锁的抗扰度试验按GB/T17626.2~17626.5和GB/T17626.11的要求进行试验。结果应符合5.4.10的要求。
6.5电源检验
6.5.1电源电压适应性试验
用精度0.5级,量程1.5倍于电源电压的电压表和精度0.5级,量程1.5倍于额定电流值的电流表监测,电源接上负载(或模拟负载),分别在额定电源电压的85%、100%和110%时进行试验,应符合5.5.1和5.5.2的要求。
6.5.2电源绝缘电阻试验
用500V精度1.0级的兆欧表,测量受试样品的电插头或电源引入端与外壳或外壳裸露金属部件之间的绝缘电阻。受试样品的电源开关处在接通位置,但电源插头不接入电网,施加试验电压稳定5s后、读取绝缘电阻值,应符含5.5.3的要求。试验后受试样品应能正常工作。6.5.3电源抗电强度试验
在受试样品的电源插头或电源引人端与外壳或外壳裸露金属部件之间,用功率不小于500VA,50Hz可调电源馈给试验电压,试验电压以200V/min速率升至5.5.4中表4的规定值并保持1min结果应符合5.5.4的要求。
6.5.4电源过流保护试验
GB 10409—2001
检查电源电路应装有断路器或保险丝,其额定电流应与最大工作电流相适应;对不要求区分极性的接线柱与相邻接线柱短路或引线成对反接并保持60s士2s,应不使电路损坏,符合5.5.2的要求。6.5.5电源转换试验
接上主电源,接上负载(或模拟负载)使电源正常工作。然后,做主电源通、断试验,结果应符合5.5.5的要求。
6.5.6备用电源试验
电源接上负载(或模拟负载),在主电源正常工作状态中切断主电源,由备用电源单独供电,负载正常工作时间应符合5.5.6的要求。6.5.7欠压告警试验
直流电源接上负载(或模拟负载),用精度0.5级,量程1.5倍于额定电压值的电压表监测,当电源电压降至规定的告警电压时,应发出欠压指示。并符合5.5.7的要求。6.5.8电源外接检查
在外接电源接口接上相应的电源,应符合5.5的要求。6.6附加装置检验
6.6.1附加装置功能检验
按厂商说明书的规定,止常操作样品,试验附加装置的功能。也可由生产广制作与产品同样功能的试样进行试验,结果应能符合5.6.1的要求。6.6.2附加装置电源试验
附加装置电源按6.5进行试验,结果应符合5.6.2的要求。6.7抗破坏试验
6.7.1试验的目的是对防盗保险柜的抗破坏能力作出评价。由两名具有熟练操作技能、通晓防盗保险柜结构的试验人员组成试验小组。试验小组应根据产品图纸和对样品的实际观察和对结构的分析、研究,找出薄弱环节,制定试验方案。6.7.2按各类防盗保险柜规定的使用工具,对样品进行攻击。未能在规定的净工作时间内,进入样品柜内,则样品的抗破坏性能符合该类防盗保险柜的要求。6.7.3试验小组按本标准4.1规定的各类防盗保险柜允许使用的工具,对样品进行下列一种或全部破坏方式的试验。
a)在柜门上打孔,打到锁盒、锁舌、承载杆或机构的其他关键部位,再用拔、戳、撬、冲以及探出密码等方法,使闭锁机构失效,打开柜门。b)敲击密码盘、锁头,钻、冲锁轴或锁芯等,然后用撬拨工具松开闭锁机构,打开柜门c)破坏柜外器件或在柜门、柜体上打孔,触及电路关键部位,用更改密码或使密码失效等方法打开柜门;或施加外电源,使控制电路失效或产生误动作,打开柜门。d)使用合适的扳手、钳子、撬棒及套筒、套管,对门栓控制手把施加压力,使门栓退缩,打开柜门。e)用凿子、楔块、大锤打击门隙、扩大门隙。用撬棒、楔块、凿子等撬打柜门,破坏门体、门栓、铰链,打开柜门。
f)可在门栓对应的门框侧面打孔,使冲杆能冲及门栓,打击门栓,使门栓退出锁闭位置,再撬开柜门。
g)在柜体表面,用各类防盗保险柜规定的工具,切、钻排孔,锯、磨、气割以及撬扒、锤击等方法,打开大于规定形状和面积的通孔。6.7.4B类防盗保险柜的防破坏试验,可以使用割炬。每次试验使用的氧气和燃气的总量限制在28m3以内。
6.7.5C类防盗保险柜的防破坏试验,可以使用爆炸物。每次试验使用的总量不超过标准TNT炸药227g,爆炸物一次填充量应不多于标准TNT炸药113g。581
GB10409—2001
6.7.6C类防盗保险柜采用爆炸物、割炬和其他规定工具配合使用进行防破坏试验时,可在柜体和柜门上进行预试验,以确定爆炸破坏所需要的破坏点,再作全面试验:6.7.7抗破坏试验方式并非限于上述方式,试验小组可以选择其他方式,对薄弱部位,包括安装附加装置的部位进行攻击。
7检验规则
检验分为型式检验与出厂检验。7.1型式检验
7.1.1型式检验抽样按GB3/T15482中有关规定执行。7.1.2型式检验为全项检验,检验项目按表6。7.1.3产品有下列情况之--时,应进行型式检验。a)新产品的试制定型鉴定;
b)产品的设计、工艺,生产设备、管理等方面有较大的改变(包括人员素质的较大改变)而可能影响产品的使用性能;
c)产品达到-定数量后的周期性试验;d)出厂检验结果与上次型式检验有较大差异;e)国家质量技术监督机构提出该项的试验要求。7.1.4型式检验中需出生产厂制造试验样件。试验样件应按与产品的整体或部件相同的工艺制作,并有同等的功能
7.1.5型式检验可在由同样材料、元件、工艺制作的、仅外形尺寸不同的系列产品中,选取最薄弱的规格产品进行抽样。
表6检验项目
文件检查
防腐措施检查
功能试验
表面质量检查
表面镀(涂)层检验
尺寸检验
材料检验
质量检验
固定装置检查
隙缝及孔检验
导线拉力检验
柜门幌动量检验
搁板承重检验
机械锁检验
电子锁密钥量检查
按键耐久性试验
技术要求
5.1.6 5.1.7
5.1.65.1.7
5. 1. 45. 1. 5
5.2.15.2.2
5.2.35.2.4
5.2.55.2.6
不合格
出厂检验
抗撞击试验
密码锁功能检验
电压适应性试验
电源接口应急开启检查
环境适应性试验
抗扰度试验
电源电压适应性试验
电源绝缘电阻试验
电源抗电强度试验
电源过流保护试验
电源转换试验
备用电源试验
欠压告警试验
电源外接检查
附加装置功能试验
附加装置电源试验
抗破坏试验
出厂检验
GB 10409—2001
表6(完)
技术要求
5. 4. 45. 4. 5
5.5.15.5.2
A组检验(逐批):交收产品时、全数检验;B组检验(逐批):交收产品时,抽样检验;C组检验(周期):半年进行一次;D组检验(周期):每年进行一次。试验
不合格
出厂检验
出厂检验只对B组检验进行组批抽样。样品在A组检验合格品中抽取,抽样数按表7规定。C组和D组检验的样品数量,应在A组和B组检验的合格批中随机抽取2 台进行检验。表7逐批正常检查一次抽样表
批量选用
9~15
91~150
151~280
281~500
样本大小
合格质量水平AQL1.0
合格判定数
不合格判定数
7.3检验项目
GB10409--2001
各类检验的检验项目及不合格分类见表6。7.4判定规则
7.4.1型式检验中出现A类不合格;或一项B类项C类不合格;或二项以上C类不合格,即判定型式检验为不合格。
7.4.2出厂检验中出现不合格品,应返修或报废。7.4.3出厂检验B组抽样检验中B类和C类不合格按表7判定,不合格品经返修后可重新检验7.4.4出厂检验中出现A类或B类不合格,即应停止检验,在相应范围内采取措施,消除不合格因素后,再行检验。
8标志、包装、运输和贮存
8.1标志
产品应有清晰、牢固的标志。标志应有以下内容:a)应有商标、产品名称、执行标准及符合4.2的产品标记,并有柜体质量及容积。b)应有企业名称、原产地,并有详细的地址。c)在柜门内应牢固设置标牌,标牌应包括操作说明、警示说明及出厂编号、生产日期。8.2包装
8.2.1防盗保险柜应用泡沫塑料衬垫和塑料袋封装。外包装用纸盒,并用绳索、扎带打包。8.2.2、包装箱内应附有产品合格证、安装说明书、使用说明书、附件及装箱单。8.3运输和贮存
8.3.1包装好的产品应能确保在汽车、火车,轮船和飞机运输中的安全,运输包装应符合搬运要求。8.3.2产品应存放在空气干燥且无腐蚀性气体的仓库内,必须有防雨措施,放置应搁在离地面20cm以上。
小提示:此标准内容仅展示完整标准里的部分截取内容,若需要完整标准请到上方自行免费下载完整标准文档。
本标准的全部技术内容为强制性。前言
本标准是对GB10409-1989的修订。本标准不再规定防瓷保险柜必须安装报警装置;对防盗保险柜的安全性能进行了分级,而不再对产品划分合格品、一等品和优等品;对原标准的技术要求和试验方法的内容进行了细化和补充,如:对原标准的A类产品细分为A1、A2,B类产品细分为B1、B2、B3对柜门与门框之间的间隙按柜体高度分别做出了规定;对电子密码锁的密钥量,增加了“可任意变码”的要求和“抗电磁干扰”要求与实验方法,增加了“检验项目表”等。
本标准自实施之日起同时代替GB10409—1989。本标准由中华人民共和国公安部提出。本标准由全国安全防范报警系统标准化技术委员会归口。本标准由上海迪堡大王保险箱有限公司、公安部安全防范报警系统产品质量监督检验测试中心、中国安防产品行业协会秘书处联合起草。本标推主要起草人:徐志伟、牟晓生、江昌洪、卢鑫法、顾菊兴。本标准于1989年首次发布。
1范围
中华人民共和国国家标准
防盗保险柜
Burglary resistant safes
GB 10409—2001
代替GB10409-1989
本标准规定了防盗保险柜的分类、技术要求、试验方法、检验规则及标志、包装、运输和贮存。本标准适用于防盗保险柜的生产和检验。也适用于附有报警、防火及遥控等功能的防盗保险柜。2 引用标准
下列标准所包含的条文,通过在本标准中引用而构成为本标准的条文。本标准出版时,所示版本均为有效。所有标准都会被修订,使用本标准的各方应探讨使用下列标准最新版本的可能性。GB/T1720—1979漆膜附着力测定法GB/T6461-1986金属覆盖层对底材为阴极的覆盖层腐蚀试验后的电镀试样的评级(eqv ISO 4540:1980)
GB/T10125-1997人造气氛腐蚀试验盐雾试验(eqvIS()9227:1990)GB/T12335--1990金属覆盖层对底材呈阳极性的覆盖层腐蚀试验后的试样的评级GB/T15211—1994报警系统环境试验GB/T15482--1995产品质量监督小总体计数一次抽样检验程序及抽样表GB/T 17626.2--1998
电磁兼容试验和测量技术静电放电抗扰度试验(idt IEC 61000-4-2:1995)
GB/T17626.3--1998电磁兼容试验和测量技术射频电磁场辐射抗扰度试验
(idtIEC61000-4-3:1995)
GB/T17626.4—1998电磁兼容试验和测量技术电快速瞬变脉冲群抗扰度试验(idt IEC 61000-4-4:1995)
GB/T17626.51999电磁兼容试验和测量技术浪涌(冲击)抗扰度试验(idt IEC 61000-4-5:1995)
GB/T17626.11一1999电磁兼容试验和测量技术电压暂降、短时中断和电压变化的抗扰度试验(idt IEC 61000-4-11:1995)GA/T73--1994机械防盗锁
3定义
本标准采用下列定义。
3.1防盗保险柜burglary resistant safes在规定时间内抵抗规定条件下非正常进人装有机械、电子锁具(包括密码锁,IC卡锁等)的柜体。3.2安全级别safety class
防盗保险柜抗破坏能力的分级。以在规定的破坏工具作用下,防盗保险柜最薄弱环节能抵抗非正常中华人民共和国国家质量监督检验检疫总局2001-10-24批准574
2002-04-01实施
进入的净工作时间的长短求分级。3.3进入entry
GB10409—2001
在抗破坏试验中,各类防盗保险柜在指定的净工作时间内,打开柜门或在柜门、柜体上开出一个不小于规定面积的开口:A类防盗保险柜为38cm2.B类、C类防盗保险柜为13cm。3.4普通手工工具commonhandtools包括凿子、冲头、楔子、螺丝刀、钢锯、扳手、钳子、质量不大于3.6kg的铁锤、长度不大于1.5m的撬扒工具和通用的凿挖工具。
3.5便携式电动工具portable electrictools钻头直径不大于12.5mm的手电钻、冲头直径不大于25mm的冲击电钻及加压装置。3.6磨头grinding point
转速为14000转/分22000转/分的模具电磨驱动的锥形、盘形、圆柱形及类似形状的磨削工具。3.7专用便携式电动工具specific portableelectrictoois砂轮直径不大于200mm的便携式砂轮切割机、电锯及钻头直径不大于25mm的电锤。3.8 割炬cutting torch
氧-乙炔割炬,规格不大于G01-30射吸式割炬。3.9爆炸物explosives
标准梯恩梯(TNT)炸药或具有相当爆炸能量的其他炸药。3.10机械密码锁machine combination locks通过机械方式输人密码与设置密码比对,以控制柜门(锁舌)启闭的锁具。3.11电子密码锁 electronic combination locks通过电子系统输人密码与设置密码比对,由机电执行机构控制柜门(锁舌)启闭的锁具。3. 12 38 cm\ 的开 thirty-eight square centimeter opening面积为38cm的开口:指最小边长为38mm的矩形开口,或最小高为51mm的三角形开口,或直径为70 mm的圆形开口。
3. 13 13 cm*的开n thirteen square centimeter opening面积为13cm的开1:指最小边长为25mm的矩形开口,或最小高为25mm的三角形开口,或直径为41 mm的圆形开口
3.14净工作时间net working time指实际的破坏攻击时间,不包括试验准备时间及试验过程中可能延误的时间。3.15附加装置additional unit
防盗保险柜按需要装人的监控、报警等装置。4产品分类和标记
4.1产品分类
防盗保险柜产品根据安全级别分为6类。4.1.1A1类防盗保险柜
应能阻止用普通手工工具、便携式电动工具和磨头以及这些工具相互配合使用,在净工作时间15 min以内进人的防盗保险柜。4.1.2A2类防盗保险柜
应能阻止破坏A1类防盗保险柜所采用的工具和专用便携式电动工具以及这紫工具相互配合使用,在净工作时间30min以内进人的防盗保险柜。4.1.3B1类防盗保险柜
应能阻止破坏A2类防盗保险柜所采用的工具和割炬以及这些工具相互配合使用,在净工作时间575
15 min以内进人的防盗保险柜。4.1.4B2类防盗保险柜
GB10409--2001
应能阻止破坏B1类防盗保险柜所采用的工具以及这些工具相互配合使用,在净工作时间30min以内进人的防盗保险柜。
4.1.5B3类防盗保险柜
应能阻止破坏B1类防盗保险柜所采用的工具以及这些工具相互配合使用,在净工作时间60min以内进入的防盗保险柜。
4.1.6C类防盗保险柜
应能阻止破坏B1类防盗保险柜所采用的工具和爆炸物以及这些工具、材料相互配合使用,在净工作时间60 min以内进人的防盗保险柜。4.2产品标记
防盗保险柜产品按下述方式进行标记:FDG-
示例:
以厘米表示的柜体高度
锁具类别:J一机械,D一电子
产品分类(A1、A2、B1、B2、B3及C)-防盗保险柜
FDG-A1/J-85
高度为85cm的A1类机械锁具防盗保险柜FDG-B2/D-50
高度为50cm的B2类电子锁具防盗保险柜5技术要求
5.1—般要求
5.1.1所有的钢铁零、部件表面(轴承、不锈钢、抛光件和用于混凝土中的零件除外)都应采取防腐措施。防腐措施包括氧化、电镀、喷漆等各种防腐处理。5.1.2应有可以指导生产的图纸、检验规范和安装、使用说明书。5.1.3防盗保险柜的功能,包括安装、柜门的开启和锁闭、密码的更换、附加装置的使用、欠压指示等应符合本标准和产品使用说明书的要求。5.1.4外形尺寸偏差应符合表1、表2的规定。5.1.5柜体高度不大于600mm的防盗保险柜,外表面平面度不大于4mm;柜体高度大于600mm的防盗保险柜,外表面平面度不大于6mm。5.1.6零件的表面镀层应均勾一致,外露部位不得有明显的焦斑、起泡、剥落、划痕等缺陷。应能按GB/T10125,经受24h的中性盐雾试验,并按GB/T6461判定阴极性的覆盖层不低于5级;按GB/T12335判定阳极性的覆盖层不低于F4级。表1外形尺寸偏差
外形尺寸α
α<500
500a800
800a1000
a≥1 000
对角线长!
GB 10409—2001
表2对角线长偏差
700/1000
1 000≤<1 500
t≥1500
≤±7
5.1.7,柜体外表面漆膜(或喷塑膜)应色泽均匀一致,不得有明显的裂痕、气泡、斑点等缺陷。以同样工艺制作的样板,不低于按GB/T1720漆膜附着力测定法测定的5级。5.2结构要求
5.2.1防盗保险柜采用的钢材,其抗拉强度极限应不小于345MPa。5.2.2柜体可采用铸造或钢板装配焊接结构。焊缝抗拉强度应不低于母体材料的抗拉强度。若钢板厚度达到25mm时,则连续焊缝深度应不小于6mm。采用其他材料和工艺制作时,应充分考虑该类别防盗保险柜的抗破坏要求。
5.2.3A类、B类防盗保险柜质量小于340kg时,应配备固定件,并应有指导防盗保险柜固定在混凝土上,或较大保险柜内,或房间内的说明书。5.2.4C类防盗保险柜的质量应不小于450kg。5.2.5柜门和门框之间应没有进入柜内的直接通道。柜门与门框的隙缝最大处应符合表3的规定。表3柜门与门框隙缝
柜体高度
上、右、左间隙
下间隙
5.2.6可在防盗保险柜的顶部、侧面、背面、底部开--个直径不大于6mm的孔,以便穿入导线。但开孔位置应不能直接看到柜门的锁闭机构。5.2.7柜外导线的每条引线均应能承受49N拉力,持续1min,引线不应受损,也不能使拉力传到内部接线端子上。
5.2.8柜门锁闭时,柜门在开启边的推拉幌动量应不大于1mm。5.2.9柜门内的搁板应能承受30g/cm2的均布载荷放置10min,搁板及相应设施不应有损坏和明显的变形。
5.2.10防盗保险柜按需要可装人报警等附加装置,但附加装置的装人不应降低防盗保险柜的抗破坏功能。
5.3机械锁(包括磁锁、机械密码锁等)防盗保险柜上采用的机械锁应符合GA/T73的要求。5.4电子锁(包括IC卡锁、电子密码锁等)5.4.1电子密码锁的密钥量应不小于10°,并可任意变码。5.4.2如果用按键输人密码,其按键在连续6000次撤按动作中不应出现故障。5.4.3电子锁在经受不大于0.5J能量的撞击时,应不产生误动作和损坏现象。5.4.4电子密码锁应有应急开启功能,并可有多级、多组开启密码。5.4.5电子密码锁密码输人应有提示。连续3次输人错码或误操作,电子密码锁应有限时锁定、报警等功能。但在限时锁定、报警过后,恢复正确操作应能正常开启。5.4.6电子锁的电源电压在额定值的85%~110%范围内变化时,电子锁应能正常工作。当电源电压低于规定的告警电压时.应有欠压告警指示。欠压告警后,电源容量应仍能满足电子锁正常启闭240次以上。
5.4.7电子锁应有外接电源接口或应急开启装置。5.4.8采用电子锁的防盗保险柜应对电子锁的关键部位进行保护。在键盘、导线、机电执行机构等处受577
GB 10409--- 2001
到破坏攻击时,应能承受相应类别防盗保险柜的抗破坏试验。5.4.9电子锁的环境适应性应符合GB/T15211--1994中A-1/2A-2/5;A-3/3;A-4/1;A-6/3;A-18/3的要求。
电子锁的抗扰度要求应符合GB/T17626.2中(1级)、GB/T17626.3中(1级)5.4.10
GB/T17626.4中(1级)、GB/T17626.5中(1级)、GB/T17626.11中(等级40,持续时间5周期)的试验要求。
5.5电源
5.5.1电源的功率、能耗以及环境适应性与安全要求,应满足相应的产品技术要求。5.5.2在使用交流220V供电方式为主电源时,应有备用电源(可充电蓄电池或一次性电池)。在主电源额定电压值的85%~110%范围内工作正常,在供电部分应有过流保护装置。5.5.3电源插头或电源引人端子与外壳或外壳裸露金属部件之间的绝缘电阻在正常大气条件下不应小于100Mα。
5.5.4电源插头或电源引端子与外壳或外壳裸露金属部件之间应能承受表4规定的50Hz交流电压的抗电强度试验,历时1min应无击穿和飞弧现象。表4额定电压与试验电压
额定电压,V
直流或正弦交流有效值
0~60
61~130
131~~250
交流峰值或合成电压
86~184
185~354
试验电压
5.5.5在主电源停止供电时,应能自动转换到备用电源,并能正常工作,在主电源恢复供电时,应能自动恢复主电源工作,转换过程中不应产生误动作。5.5.6备用电源的额定容量应足够36h的正常操作。5.5.7防盗保险柜使用直流供电时,在电源电压降至规定的告警电压时应能发出欠压告警。在欠压告警后,电源应仍能满足36h的正常操作。5.6附加装置
5.6.1报警等附加装置应符合各自的技术标准,性能稳定,不应产生误动作。5.6.2附加装置的电源应与5.5相适配。采用单独电源时,应符合5.5的要求。5.7抗破坏要求
各类防盗保险柜抗破坏能力应能符合本标准4.1的要求,见表5。表5防盗保险柜的分类和抗破坏要求防盗保险柜
抗破坏试验使用工具
普通手工工具、便携式电动工具和磨头破坏方式
(进人方式)
打开柜门或在柜门、柜体上造成38cm2的通孔
打开柜门或在柜门、柜体上造成38cm2普通手丁工T具、便携式电动工具、磨头和专用便携式电动工具
的通孔
普通手工工具、便携式电动工具、磨头和专「打开柜门或在柜门、柜体上造成13cm2用便携式电动工具和割炬
普通手工工具、便携式电动工具、磨头和专用便携式电动工具和割炬
的通孔
打开柜门或在柜门、柜体上造成13cm的通孔
净工作时间
防盗保险柜
6试验方法
GB 10409—2001
表5(完)
抗破坏试验使用工具
破坏方式
(进入方式)
1打开柜门或在柜门、柜体上造成13cm普通手工工具、便携式电动工具、磨头和专用便携式电动工具和割炬
普通手工工具、便携式电动工具、磨头和专用便携式电动工具、割炬和炸药6.1一般要求检验
6.1.1文件检查
的通孔
打开柜门或在柜门、柜体上造成13cm的通孔
检查样品的技术文件及包装,应符合5.1.2和4.2的要求。6.1.2防腐措施检查
检查样品的防腐措施,应符合5.1.1的要求。6.1.3功能试验
净工作时间
按使用说明书,对样品各项功能进行试验,包括柜门的开启与锁闭、密码的更换、附加装置的使用、欠压告警等。每项试验不少于5次,均应符合产品标准的要求。6.1.4表面质量检查
目视检查样品的表面质量,应符合5.1.6和5.1.7的要求。6.1.5表面镀(涂)层检验
在样品上提取有表面镀层的零件,制作与样品表面漆膜(喷塑膜)同样工艺的试验样板,分别按GB/T10125与GB/T1720进行试验,结果应符合5.1.6和5.1.7的要求。6.1.6尺寸检验
使用钢卷尺、钢板尺、精度为0.02mm的游标卡尺检验样品的外形尺寸、表面平面度应符合5.1.4和5.1.5的要求。
6.2结构要求检验
6.2.1材料检验
检验样品采用的钢材·查钢材的质量保证书,并以同样的钢材制作拉力样板;以同样的工艺制作焊接拉力样板,以精度不低于1%的材料试验机试验。当焊接钢板厚度不小于25mm时,应剖切检验焊缝深度。结果应符合5.2.1与5.2.2的要求。6.2.2质量检验
用磅秤称量样品质量,应符合5.2.3和5.2.4的要求。6.2.3固定装置检查
A类、B类防盗保险柜样品的质量小于340kg的,应符合5.2.3的要求。6.2.4隙缝及孔检验
使用精度为0.02mm的游标卡尺及制作宽度为20mm土1mm、精度不低于士0.1mm的塞块,对柜门与柜框的隙缝和通道、导线孔进行检验。结果应符合5.2.5与5.2.6的要求。6.2.5导线拉力检验
用手持弹簧拉力计试验柜外导线,施加49N拉力,持续1min,结果应符合5.2.7的要求。6.2.6柜门幌动量检验
使用精度为0.02mm的游标卡尺,测量柜门在锁闭时推拉柜门的幌动量,结果应符合5.2.8的要求。
6.2.7搁板承重检验此内容来自标准下载网
GB 10409-2001
在柜内搁板上均勾放置30g/cm2的砂质重物,搁板的承载能力应符合5.2.9的要求。6.3机械锁检验
检查机械锁的检测报告,或按GA/T73中的相关要求进行检验或重点复检,结果应符合5.3的要求。
6.4电子锁检验
6.4.1电子锁密钥量检查
检查或计算电子密码锁的密钥量,结果应符合5.4.1的要求。6.4.2按键耐久性试验
在耐久性试验装置上,以不大于15次/min的速率按动每个按键各6000次,再将受试键盘与电子锁相联.进行按键操作和电手锁功能试验,结果应符合5.4.2的要求。6.4.3抗撞击试验
将电子锁及按键或其他操作装置固定在50mm厚的木板上,使电子锁处于工作状态。用质量为500g的实心钢球从100mm高处自由跌落,撞击按键防护外壳四周各三次,观察电子锁有否误动作。撞击后进行电子锁功能试验,试验结果应符合5.4.3的要求。6.4.4密码锁功能检验
按产品的说明书对电子密码锁的功能进行试验,包括改变密码、多组密码开启、应急开启、错码输人、各种误操作及附加装置(监控、报警等)的联动试验(6.1.3中已试验的项目,可不重复)。结果应符合5.4.4和5.4.5的要求。
6.4.5电压适应性试验
用精度0.5级,量程1.5倍于电源电压的电压表和精度0.5级量程1.5倍于额定电流值的电流表监测,分别在额定电源电压的85%、110%和规定的告警电压时进行试验,结果应符合5.4.6的要求。6.4.6电源接口应急开启检查
检查电子锁外接电源接I1或应急开启装置,结果应符合5.4.7的要求。6.4.7环境适应性试验
电子锁的环境适应性试验按GB/T15211的要求进行试验,结果应符合5.4.9的要求。6.4.8抗扰度试验
电子锁的抗扰度试验按GB/T17626.2~17626.5和GB/T17626.11的要求进行试验。结果应符合5.4.10的要求。
6.5电源检验
6.5.1电源电压适应性试验
用精度0.5级,量程1.5倍于电源电压的电压表和精度0.5级,量程1.5倍于额定电流值的电流表监测,电源接上负载(或模拟负载),分别在额定电源电压的85%、100%和110%时进行试验,应符合5.5.1和5.5.2的要求。
6.5.2电源绝缘电阻试验
用500V精度1.0级的兆欧表,测量受试样品的电插头或电源引入端与外壳或外壳裸露金属部件之间的绝缘电阻。受试样品的电源开关处在接通位置,但电源插头不接入电网,施加试验电压稳定5s后、读取绝缘电阻值,应符含5.5.3的要求。试验后受试样品应能正常工作。6.5.3电源抗电强度试验
在受试样品的电源插头或电源引人端与外壳或外壳裸露金属部件之间,用功率不小于500VA,50Hz可调电源馈给试验电压,试验电压以200V/min速率升至5.5.4中表4的规定值并保持1min结果应符合5.5.4的要求。
6.5.4电源过流保护试验
GB 10409—2001
检查电源电路应装有断路器或保险丝,其额定电流应与最大工作电流相适应;对不要求区分极性的接线柱与相邻接线柱短路或引线成对反接并保持60s士2s,应不使电路损坏,符合5.5.2的要求。6.5.5电源转换试验
接上主电源,接上负载(或模拟负载)使电源正常工作。然后,做主电源通、断试验,结果应符合5.5.5的要求。
6.5.6备用电源试验
电源接上负载(或模拟负载),在主电源正常工作状态中切断主电源,由备用电源单独供电,负载正常工作时间应符合5.5.6的要求。6.5.7欠压告警试验
直流电源接上负载(或模拟负载),用精度0.5级,量程1.5倍于额定电压值的电压表监测,当电源电压降至规定的告警电压时,应发出欠压指示。并符合5.5.7的要求。6.5.8电源外接检查
在外接电源接口接上相应的电源,应符合5.5的要求。6.6附加装置检验
6.6.1附加装置功能检验
按厂商说明书的规定,止常操作样品,试验附加装置的功能。也可由生产广制作与产品同样功能的试样进行试验,结果应能符合5.6.1的要求。6.6.2附加装置电源试验
附加装置电源按6.5进行试验,结果应符合5.6.2的要求。6.7抗破坏试验
6.7.1试验的目的是对防盗保险柜的抗破坏能力作出评价。由两名具有熟练操作技能、通晓防盗保险柜结构的试验人员组成试验小组。试验小组应根据产品图纸和对样品的实际观察和对结构的分析、研究,找出薄弱环节,制定试验方案。6.7.2按各类防盗保险柜规定的使用工具,对样品进行攻击。未能在规定的净工作时间内,进入样品柜内,则样品的抗破坏性能符合该类防盗保险柜的要求。6.7.3试验小组按本标准4.1规定的各类防盗保险柜允许使用的工具,对样品进行下列一种或全部破坏方式的试验。
a)在柜门上打孔,打到锁盒、锁舌、承载杆或机构的其他关键部位,再用拔、戳、撬、冲以及探出密码等方法,使闭锁机构失效,打开柜门。b)敲击密码盘、锁头,钻、冲锁轴或锁芯等,然后用撬拨工具松开闭锁机构,打开柜门c)破坏柜外器件或在柜门、柜体上打孔,触及电路关键部位,用更改密码或使密码失效等方法打开柜门;或施加外电源,使控制电路失效或产生误动作,打开柜门。d)使用合适的扳手、钳子、撬棒及套筒、套管,对门栓控制手把施加压力,使门栓退缩,打开柜门。e)用凿子、楔块、大锤打击门隙、扩大门隙。用撬棒、楔块、凿子等撬打柜门,破坏门体、门栓、铰链,打开柜门。
f)可在门栓对应的门框侧面打孔,使冲杆能冲及门栓,打击门栓,使门栓退出锁闭位置,再撬开柜门。
g)在柜体表面,用各类防盗保险柜规定的工具,切、钻排孔,锯、磨、气割以及撬扒、锤击等方法,打开大于规定形状和面积的通孔。6.7.4B类防盗保险柜的防破坏试验,可以使用割炬。每次试验使用的氧气和燃气的总量限制在28m3以内。
6.7.5C类防盗保险柜的防破坏试验,可以使用爆炸物。每次试验使用的总量不超过标准TNT炸药227g,爆炸物一次填充量应不多于标准TNT炸药113g。581
GB10409—2001
6.7.6C类防盗保险柜采用爆炸物、割炬和其他规定工具配合使用进行防破坏试验时,可在柜体和柜门上进行预试验,以确定爆炸破坏所需要的破坏点,再作全面试验:6.7.7抗破坏试验方式并非限于上述方式,试验小组可以选择其他方式,对薄弱部位,包括安装附加装置的部位进行攻击。
7检验规则
检验分为型式检验与出厂检验。7.1型式检验
7.1.1型式检验抽样按GB3/T15482中有关规定执行。7.1.2型式检验为全项检验,检验项目按表6。7.1.3产品有下列情况之--时,应进行型式检验。a)新产品的试制定型鉴定;
b)产品的设计、工艺,生产设备、管理等方面有较大的改变(包括人员素质的较大改变)而可能影响产品的使用性能;
c)产品达到-定数量后的周期性试验;d)出厂检验结果与上次型式检验有较大差异;e)国家质量技术监督机构提出该项的试验要求。7.1.4型式检验中需出生产厂制造试验样件。试验样件应按与产品的整体或部件相同的工艺制作,并有同等的功能
7.1.5型式检验可在由同样材料、元件、工艺制作的、仅外形尺寸不同的系列产品中,选取最薄弱的规格产品进行抽样。
表6检验项目
文件检查
防腐措施检查
功能试验
表面质量检查
表面镀(涂)层检验
尺寸检验
材料检验
质量检验
固定装置检查
隙缝及孔检验
导线拉力检验
柜门幌动量检验
搁板承重检验
机械锁检验
电子锁密钥量检查
按键耐久性试验
技术要求
5.1.6 5.1.7
5.1.65.1.7
5. 1. 45. 1. 5
5.2.15.2.2
5.2.35.2.4
5.2.55.2.6
不合格
出厂检验
抗撞击试验
密码锁功能检验
电压适应性试验
电源接口应急开启检查
环境适应性试验
抗扰度试验
电源电压适应性试验
电源绝缘电阻试验
电源抗电强度试验
电源过流保护试验
电源转换试验
备用电源试验
欠压告警试验
电源外接检查
附加装置功能试验
附加装置电源试验
抗破坏试验
出厂检验
GB 10409—2001
表6(完)
技术要求
5. 4. 45. 4. 5
5.5.15.5.2
A组检验(逐批):交收产品时、全数检验;B组检验(逐批):交收产品时,抽样检验;C组检验(周期):半年进行一次;D组检验(周期):每年进行一次。试验
不合格
出厂检验
出厂检验只对B组检验进行组批抽样。样品在A组检验合格品中抽取,抽样数按表7规定。C组和D组检验的样品数量,应在A组和B组检验的合格批中随机抽取2 台进行检验。表7逐批正常检查一次抽样表
批量选用
9~15
91~150
151~280
281~500
样本大小
合格质量水平AQL1.0
合格判定数
不合格判定数
7.3检验项目
GB10409--2001
各类检验的检验项目及不合格分类见表6。7.4判定规则
7.4.1型式检验中出现A类不合格;或一项B类项C类不合格;或二项以上C类不合格,即判定型式检验为不合格。
7.4.2出厂检验中出现不合格品,应返修或报废。7.4.3出厂检验B组抽样检验中B类和C类不合格按表7判定,不合格品经返修后可重新检验7.4.4出厂检验中出现A类或B类不合格,即应停止检验,在相应范围内采取措施,消除不合格因素后,再行检验。
8标志、包装、运输和贮存
8.1标志
产品应有清晰、牢固的标志。标志应有以下内容:a)应有商标、产品名称、执行标准及符合4.2的产品标记,并有柜体质量及容积。b)应有企业名称、原产地,并有详细的地址。c)在柜门内应牢固设置标牌,标牌应包括操作说明、警示说明及出厂编号、生产日期。8.2包装
8.2.1防盗保险柜应用泡沫塑料衬垫和塑料袋封装。外包装用纸盒,并用绳索、扎带打包。8.2.2、包装箱内应附有产品合格证、安装说明书、使用说明书、附件及装箱单。8.3运输和贮存
8.3.1包装好的产品应能确保在汽车、火车,轮船和飞机运输中的安全,运输包装应符合搬运要求。8.3.2产品应存放在空气干燥且无腐蚀性气体的仓库内,必须有防雨措施,放置应搁在离地面20cm以上。
小提示:此标准内容仅展示完整标准里的部分截取内容,若需要完整标准请到上方自行免费下载完整标准文档。
标准图片预览:





- 热门标准
- 国家标准(GB)
- GB/T2828.1-2012 计数抽样检验程序 第1部分:按接收质量限(AQL)检索的逐批检验抽样计划
- GB/T3836.1-2021 爆炸性环境 第1部分:设备 通用要求
- GB/T18204.4-2000 公共场所毛巾、床上卧具微生物检验方法细菌总数测定
- GB/T23892.3-2009 滑动轴承 稳态条件下流体动压可倾瓦块止推轴承 第3部分:可倾瓦块止推轴承计算的许用值
- GB/T11839-1989 二氧化铀芯块中硼的测定 姜黄素萃取光度法
- GB/T6122.1-2002 圆角铣刀 第1部分:型式和尺寸
- GB/T7433-1987 对称电缆载波通信系统抗无线电广播和通信干扰的指标
- GB/T21238-2007 玻璃纤维增强塑料夹砂管
- GB/T9124.1-2019 钢制管法兰 第1部分:PN 系列
- GB50303-2015 建筑电气工程施工质量验收规范
- GB17945-2024 消防应急照明和疏散指示系统
- GB/T24974—2010 收费用手动栏杆
- GB/T9239-1988 刚性转子平衡品质 许用不平衡的确定
- GB/T15917.3-1995 金属镝及氧化镝化学分析方法 对氯苯基荧光酮--溴化十六烷基三甲基胺分光光度法测定钽量
- GB/T13985-1992 照相机操作力和强度
- 行业新闻
请牢记:“bzxz.net”即是“标准下载”四个汉字汉语拼音首字母与国际顶级域名“.net”的组合。 ©2025 标准下载网 www.bzxz.net 本站邮件:bzxznet@163.com
网站备案号:湘ICP备2025141790号-2
网站备案号:湘ICP备2025141790号-2