- 您的位置:
- 标准下载网 >>
- 标准分类 >>
- 纺织行业标准(FZ) >>
- FZ/T 90018-1991 侧开滚动轴承座尺寸
标准号:
FZ/T 90018-1991
标准名称:
侧开滚动轴承座尺寸
标准类别:
纺织行业标准(FZ)
标准状态:
现行-
发布日期:
1991-07-20 -
实施日期:
1992-07-01 出版语种:
简体中文下载格式:
.rar.pdf下载大小:
72.30 KB
标准ICS号:
纺织和皮革技术>>59.120纺织机械中标分类号:
纺织>>纺织机械与器具>>W91纺织机械零部件
替代情况:
FJ 429-1979
点击下载
标准简介:
标准下载解压密码:www.bzxz.net
本标 准 规 定了侧开滚动轴承座尺寸及技术要求。本标准适用于安装轻窄、轻宽、中窄、中宽系列滚动轴承用的侧开滚动轴承座. FZ/T 90018-1991 侧开滚动轴承座尺寸 FZ/T90018-1991
部分标准内容:
中华人民共和国纺织行业标准
侧开滚动轴承座尺寸
1 主题内容与适用范围
本标准规定了侧开滚动轴承座尺寸及技术要求。FZ/T 90018-91
代替FJ 429-79
本标准适用于安装轻窄、轻宽、中窄、中宽系列滚动轴承用的侧开滚动轴承座。2
引用标准
GB276向心球轴承外形尺寸
GB281滚动轴承调心球轴承外形尺寸GB288滚动轴承调心滚子轴承外形尺寸GB1801公差与配合尺寸至500mm孔、轴公差带与配合GB9439灰铸铁件
3型式与尺寸
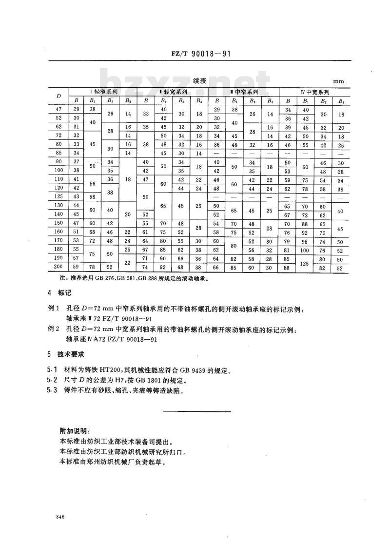
轴承座的型式、尺寸按图1、图2及下表的规定。图1适用于D≤120
中华人民共和国纺织工业部1991-07-20批准344
1992-07-01实施
FZ/T 90018—91
图2适用于D≥125
主要尺寸
B(*+*)
M10×1
12×16
14×20
18×25
1轻窄系列
FZ/T90018--91
轻宽系列
注:推荐选用GB276、GB281、GB288所规定的滚动轴承。4标记
■中窄系列
N中宽系列
孔径D=72mm中窄系列轴承用的不带油杯螺孔的侧开滚动轴承座的标记示例:轴承座I72FZ/T90018—91
孔径D=72mm中宽系列轴承用的带油杯螺孔的侧开滚动轴承座的标记示例:轴承座NA72FZ/T90018—91
5技术要求免费标准bzxz.net
5.1材料为铸铁HT200,其机械性能应符合GB9439的规定。2尺寸D的公差为H7,按GB1801的规定。5.2
3铸件不应有砂眼、缩孔、夹渣等铸造缺陷。5.3
附加说明:
本标准由纺织工业部技术装备司提出。本标准由纺织工业部纺织机械研究所归口。本标准由郑州纺织机械厂负责起草。346
小提示:此标准内容仅展示完整标准里的部分截取内容,若需要完整标准请到上方自行免费下载完整标准文档。
侧开滚动轴承座尺寸
1 主题内容与适用范围
本标准规定了侧开滚动轴承座尺寸及技术要求。FZ/T 90018-91
代替FJ 429-79
本标准适用于安装轻窄、轻宽、中窄、中宽系列滚动轴承用的侧开滚动轴承座。2
引用标准
GB276向心球轴承外形尺寸
GB281滚动轴承调心球轴承外形尺寸GB288滚动轴承调心滚子轴承外形尺寸GB1801公差与配合尺寸至500mm孔、轴公差带与配合GB9439灰铸铁件
3型式与尺寸
轴承座的型式、尺寸按图1、图2及下表的规定。图1适用于D≤120
中华人民共和国纺织工业部1991-07-20批准344
1992-07-01实施
FZ/T 90018—91
图2适用于D≥125
主要尺寸
B(*+*)
M10×1
12×16
14×20
18×25
1轻窄系列
FZ/T90018--91
轻宽系列
注:推荐选用GB276、GB281、GB288所规定的滚动轴承。4标记
■中窄系列
N中宽系列
孔径D=72mm中窄系列轴承用的不带油杯螺孔的侧开滚动轴承座的标记示例:轴承座I72FZ/T90018—91
孔径D=72mm中宽系列轴承用的带油杯螺孔的侧开滚动轴承座的标记示例:轴承座NA72FZ/T90018—91
5技术要求免费标准bzxz.net
5.1材料为铸铁HT200,其机械性能应符合GB9439的规定。2尺寸D的公差为H7,按GB1801的规定。5.2
3铸件不应有砂眼、缩孔、夹渣等铸造缺陷。5.3
附加说明:
本标准由纺织工业部技术装备司提出。本标准由纺织工业部纺织机械研究所归口。本标准由郑州纺织机械厂负责起草。346
小提示:此标准内容仅展示完整标准里的部分截取内容,若需要完整标准请到上方自行免费下载完整标准文档。
标准图片预览:



- 其它标准
- 上一篇: FZ/T 90015-1991 管夹技术条件
- 下一篇: FZ/T 90019-1991 带耳端盖
- 热门标准
- 纺织行业标准(FZ)
- FZ/T32006-2016 苎麻本色线
- FZ/T92037-1995 P型齿链式无级变速器
- FZ/T62005-2003 被、被套
- FZ/T90069-1995 零件表面交接处图形所代表的圆角半径尺寸要求
- FZ/T92042-1995 边字提花装置
- FZ/T92024-2006 LZ系列下罗拉轴承
- FZ/T24024-2017 精梳单经单纬毛织品
- FZ/T64058-2016 汽车隔音隔热垫用再加工纤维毡
- FZ/T50001-2005 合成纤维长丝网络度试验方法
- FZ/T14003-1994 棉印染起毛绒布
- FZ/T20018-2000 毛纺织品中二氯甲烷可溶性物质的测定
- FZ/T54001-2012 丙纶膨体长丝(BCF)
- FZ/T81018-2014 机织人造革服装
- FZ/T93053-2019 转杯纺纱机转杯
- FZ/T42007-2001 生丝/氨纶包缠丝
- 行业新闻
请牢记:“bzxz.net”即是“标准下载”四个汉字汉语拼音首字母与国际顶级域名“.net”的组合。 ©2025 标准下载网 www.bzxz.net 本站邮件:bzxznet@163.com
网站备案号:湘ICP备2025141790号-2
网站备案号:湘ICP备2025141790号-2