- 您的位置:
- 标准下载网 >>
- 标准分类 >>
- 国家标准(GB) >>
- GB/T 7434-1987 架空明线载波通信系统抗无线电广播和通信干扰的指标
标准号:
GB/T 7434-1987
标准名称:
架空明线载波通信系统抗无线电广播和通信干扰的指标
标准类别:
国家标准(GB)
标准状态:
已作废-
发布日期:
1987-03-17 -
实施日期:
1987-01-01 -
作废日期:
2005-10-14 出版语种:
简体中文下载格式:
.rar.pdf下载大小:
123.47 KB
标准ICS号:
电信、音频和视频技术>>33.100电磁兼容性(EMC)中标分类号:
电子元器件与信息技术>>电子元器件与信息技术综合>>L06电磁兼容
替代情况:
作废;
点击下载
标准简介:
标准下载解压密码:www.bzxz.net
本标准规定了架空明线载波通信系统受无线电广播和通信干扰的允许值。本标准适用于架空明线载波通信系统和载波通信设备,以及明线线路。 GB/T 7434-1987 架空明线载波通信系统抗无线电广播和通信干扰的指标 GB/T7434-1987
部分标准内容:
中华人民共和国国家标准
架空明线载波通信系统抗无线
电广播和通信干扰的指标
Immunlty speciflcation of open wire carrler systemto the interference from .the radio broadcastingand telecommunlcation
本标准规定了架空明线载波通信系统受无线电广播和通信干扰的允许值。本标准适用于架空明线载波通信系统和载波通信设备,以及明线线路。1名词含义及频段划分
1.1名词含义
Udc 621.315
.2:621.391
GB 7434—87
“干扰防卫度”定义为:被测点信号电平减去干扰电平的电平差值,单位为分贝(dB)。1.2频段划分
本标准中所使用的频段划分如下:长波段30~300kHz
2架空明线载波通信系统抗无线电广播和通信于扰的指标2.1一个话路内
总干扰功率电平:<-53dBm0p
干扰防卫度:>53dB
当架空明线载波通信系统沿线多处出现环境干扰场强接近允许值或沿线尚有其它干扰源存在时,在工程建设中应根据实际情况对所用设备加以选择,对设备安装及布线等应作妥善安排,或对线路和载波设备辅以防护措施。同时应于工程峻工验收时,在现场进行调测,以使全系统达到干扰防卫度允许值的要求。
2.2架空明线载波设备(含终端机及增音机)抗无线电广播和通信干扰防卫度允许值及其环境干扰场强和传导干扰电流允许值见表1。表1
终端机增音机
环境干扰场强
长波段
110dB(μV/m)
防卫度
注:测试方法,采用模拟测试法,其测试布置见附录A中A.1,1条。传导干扰
传导干扰电流
防卫度
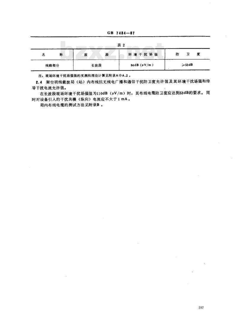
2.8架空明线线路部分(任--增音段长度范围内)抗无线电广播和通信干扰防卫度允许值及其环境干扰场强允许值见表2。
国家标准局1987-03-17批准
1987-11-01实施
线路部分
长波段
GB7434—87
环境干扰场强
84dB(μV/m)此内容来自标准下载网
注,现场环境干扰场强值的实测和理论计算见附录A中A.2。防
2.4架空明线载波局(站)内布线抗无线电广播和通信干扰防卫度允许值及其环境干扰场强和传导干扰电流充许值。
在长波段现场环境干扰场强值为110dB(uV/m)时,其布线电缆防卫度应达到53dB的要求。同时对设备引人的干扰共模(纵向)电流应不大于1mA。局内布线电缆的测试方法见附录B。597
A.1测试方法
A.1.1模拟测试法
GB7434-87
附录A
测试方法及现场环境干扰场强值的实测和理论计算(补充件)
本方法适用于测试其载波设备抗干扰指标。模拟场发生装置和测试步骤参照GB4859一84《电气设备的抗干扰特性基本测量方法》中有关辐射敏感度测量方法第13章“框形天线法”以及第7章“射频电流传导敏感度测量”。
A.1.1.1框形天线法(DC~2MHz)测试布置图见图A1。S YV75 -2 - 2
信号源
图A1框形天线法测试布置图
A.1.1.2射频电流传导敏感度(10kHz~30MHz)测试布置图见图A2。电流探头
信号源
測鼠仪
图A2传导电流注人测试布置图
注:测试时,在被测设备机架地线汇接条对角线上注人传导十扰电流。A.1.2现场测试法
工作性能
监测仪
上作性能
监测仪
本法利用现场环境无线电广播场强对载波通信系统进行现场抗播干扰指标的测试。A.1.8测试点及测试频率
对于终端机,被测点在载波电话回路二线端,对于增音机,测试点在收信线路放大器输出端,对于外线,测试点在外线输人端。各测试点均采用符合国家标准的选频电平表或杂音测试器进行测量,并在允许的环境干扰场强值或传导干扰电流值的条件下,各被测点均应达到干扰防卫度允许值的要求。采用模拟法测试时,其干扰频率应在被测设备工作频率范围内连续测试,并记录工作频率范围内598
上、中、下三个频率点的测试值。GB 7434--87
A,2现场环境干扰场强值的实测和理论计算A,2.1当现场广播电磁波为正弦信号时,一般通过实测确定其环境干扰场强值,实测时,采用符合GB6113-85《电磁干扰测量仪》的规定。其测量仪接收天线高度:对于架空明线线路,置于架空明线平均架设高度相当的自由空间,并旋转天线方位寻找响应最强的方向进行读数,对于周(站)环境干扰场强值的测定,其接收天线应置丁离机房地面1~1.5m高度的空间。对于模拟场空间范围内的环境干扰场强值的测定,应在被测设备置于模拟场空间前进行,其接收天线应置于模拟场空间的中部位置。
A.2.2当广播干扰电磁波为脉冲信号时,可将其峰值功率换算成平均功率后,辅以计算确定其环境于扰场强值。
环境干扰场强值理论计算公式:E=24.5
p.D.ntwlmV/m
式中:E
环境干扰场强值,mV/m
电台天线位置与被计算点之间的距离,km,电台发射功率,kW;
一天线发射效率,
D—天线方向性系数
W——衰减因子。
对于通信局(站)室内干扰场强值除可根据计算外,尚应考虑机房的自然屏蔽效果。经实测统计,框架式结构机房对中波段有10dB左右的屏蔽效果。但也可通过实测确定其机房的实际屏蔽效果。599
GB743487
附录B
局(站)内布线说明
参考件)
为了确保明线载波通信系统抗无线电广播和通信干扰防卫度允许值达到53dB的要求,局内布线电缆应具有一定的抗干扰能力。为此,局内布线除应合理选择电缆型号外,还应分别比照附录A中的“框型天线法”及“射频电流传导敏感度测量”的方法,对布线电缆进行抗干扰测量。测量时,布线电缆的一端接带有屏蔽的匹配电阻,另一端接选频电平表(注意阻抗匹配),分别在空间环境干扰场强为110dB(μV/m),传导干扰电流为1mA时,其被测电缆抗广播干扰防卫度允许值应为53dB。600
GB7434-87
附录C
频率重叠范围
(参考件)
架空明线载波通信系统与无线电广播和通信频率重叠范围见表C1。表C1
无线电广播和通信频率
附加说明:
30~300kHz
架空明线载波通信系统频率范围群
本标准由中华人民共和国邮电部提出,由邮电部电信传输研究所归口。本标准由邮电部设计院起草。
本标准主要起草人叶载霞、谢锋。路
高12路
小提示:此标准内容仅展示完整标准里的部分截取内容,若需要完整标准请到上方自行免费下载完整标准文档。
架空明线载波通信系统抗无线
电广播和通信干扰的指标
Immunlty speciflcation of open wire carrler systemto the interference from .the radio broadcastingand telecommunlcation
本标准规定了架空明线载波通信系统受无线电广播和通信干扰的允许值。本标准适用于架空明线载波通信系统和载波通信设备,以及明线线路。1名词含义及频段划分
1.1名词含义
Udc 621.315
.2:621.391
GB 7434—87
“干扰防卫度”定义为:被测点信号电平减去干扰电平的电平差值,单位为分贝(dB)。1.2频段划分
本标准中所使用的频段划分如下:长波段30~300kHz
2架空明线载波通信系统抗无线电广播和通信于扰的指标2.1一个话路内
总干扰功率电平:<-53dBm0p
干扰防卫度:>53dB
当架空明线载波通信系统沿线多处出现环境干扰场强接近允许值或沿线尚有其它干扰源存在时,在工程建设中应根据实际情况对所用设备加以选择,对设备安装及布线等应作妥善安排,或对线路和载波设备辅以防护措施。同时应于工程峻工验收时,在现场进行调测,以使全系统达到干扰防卫度允许值的要求。
2.2架空明线载波设备(含终端机及增音机)抗无线电广播和通信干扰防卫度允许值及其环境干扰场强和传导干扰电流允许值见表1。表1
终端机增音机
环境干扰场强
长波段
110dB(μV/m)
防卫度
注:测试方法,采用模拟测试法,其测试布置见附录A中A.1,1条。传导干扰
传导干扰电流
防卫度
2.8架空明线线路部分(任--增音段长度范围内)抗无线电广播和通信干扰防卫度允许值及其环境干扰场强允许值见表2。
国家标准局1987-03-17批准
1987-11-01实施
线路部分
长波段
GB7434—87
环境干扰场强
84dB(μV/m)此内容来自标准下载网
注,现场环境干扰场强值的实测和理论计算见附录A中A.2。防
2.4架空明线载波局(站)内布线抗无线电广播和通信干扰防卫度允许值及其环境干扰场强和传导干扰电流充许值。
在长波段现场环境干扰场强值为110dB(uV/m)时,其布线电缆防卫度应达到53dB的要求。同时对设备引人的干扰共模(纵向)电流应不大于1mA。局内布线电缆的测试方法见附录B。597
A.1测试方法
A.1.1模拟测试法
GB7434-87
附录A
测试方法及现场环境干扰场强值的实测和理论计算(补充件)
本方法适用于测试其载波设备抗干扰指标。模拟场发生装置和测试步骤参照GB4859一84《电气设备的抗干扰特性基本测量方法》中有关辐射敏感度测量方法第13章“框形天线法”以及第7章“射频电流传导敏感度测量”。
A.1.1.1框形天线法(DC~2MHz)测试布置图见图A1。S YV75 -2 - 2
信号源
图A1框形天线法测试布置图
A.1.1.2射频电流传导敏感度(10kHz~30MHz)测试布置图见图A2。电流探头
信号源
測鼠仪
图A2传导电流注人测试布置图
注:测试时,在被测设备机架地线汇接条对角线上注人传导十扰电流。A.1.2现场测试法
工作性能
监测仪
上作性能
监测仪
本法利用现场环境无线电广播场强对载波通信系统进行现场抗播干扰指标的测试。A.1.8测试点及测试频率
对于终端机,被测点在载波电话回路二线端,对于增音机,测试点在收信线路放大器输出端,对于外线,测试点在外线输人端。各测试点均采用符合国家标准的选频电平表或杂音测试器进行测量,并在允许的环境干扰场强值或传导干扰电流值的条件下,各被测点均应达到干扰防卫度允许值的要求。采用模拟法测试时,其干扰频率应在被测设备工作频率范围内连续测试,并记录工作频率范围内598
上、中、下三个频率点的测试值。GB 7434--87
A,2现场环境干扰场强值的实测和理论计算A,2.1当现场广播电磁波为正弦信号时,一般通过实测确定其环境干扰场强值,实测时,采用符合GB6113-85《电磁干扰测量仪》的规定。其测量仪接收天线高度:对于架空明线线路,置于架空明线平均架设高度相当的自由空间,并旋转天线方位寻找响应最强的方向进行读数,对于周(站)环境干扰场强值的测定,其接收天线应置丁离机房地面1~1.5m高度的空间。对于模拟场空间范围内的环境干扰场强值的测定,应在被测设备置于模拟场空间前进行,其接收天线应置于模拟场空间的中部位置。
A.2.2当广播干扰电磁波为脉冲信号时,可将其峰值功率换算成平均功率后,辅以计算确定其环境于扰场强值。
环境干扰场强值理论计算公式:E=24.5
p.D.ntwlmV/m
式中:E
环境干扰场强值,mV/m
电台天线位置与被计算点之间的距离,km,电台发射功率,kW;
一天线发射效率,
D—天线方向性系数
W——衰减因子。
对于通信局(站)室内干扰场强值除可根据计算外,尚应考虑机房的自然屏蔽效果。经实测统计,框架式结构机房对中波段有10dB左右的屏蔽效果。但也可通过实测确定其机房的实际屏蔽效果。599
GB743487
附录B
局(站)内布线说明
参考件)
为了确保明线载波通信系统抗无线电广播和通信干扰防卫度允许值达到53dB的要求,局内布线电缆应具有一定的抗干扰能力。为此,局内布线除应合理选择电缆型号外,还应分别比照附录A中的“框型天线法”及“射频电流传导敏感度测量”的方法,对布线电缆进行抗干扰测量。测量时,布线电缆的一端接带有屏蔽的匹配电阻,另一端接选频电平表(注意阻抗匹配),分别在空间环境干扰场强为110dB(μV/m),传导干扰电流为1mA时,其被测电缆抗广播干扰防卫度允许值应为53dB。600
GB7434-87
附录C
频率重叠范围
(参考件)
架空明线载波通信系统与无线电广播和通信频率重叠范围见表C1。表C1
无线电广播和通信频率
附加说明:
30~300kHz
架空明线载波通信系统频率范围群
本标准由中华人民共和国邮电部提出,由邮电部电信传输研究所归口。本标准由邮电部设计院起草。
本标准主要起草人叶载霞、谢锋。路
高12路
小提示:此标准内容仅展示完整标准里的部分截取内容,若需要完整标准请到上方自行免费下载完整标准文档。
标准图片预览:





- 热门标准
- 国家标准(GB)
- GB/T12053-1989 光学识别用字母数字字符集 第一部分:OCR-A字符集印刷图象的形状和尺寸
- GB/T2828.1-2012 计数抽样检验程序 第1部分:按接收质量限(AQL)检索的逐批检验抽样计划
- GB/T18204.4-2000 公共场所毛巾、床上卧具微生物检验方法细菌总数测定
- GB/T23892.3-2009 滑动轴承 稳态条件下流体动压可倾瓦块止推轴承 第3部分:可倾瓦块止推轴承计算的许用值
- GB/T3836.1-2021 爆炸性环境 第1部分:设备 通用要求
- GB/T11839-1989 二氧化铀芯块中硼的测定 姜黄素萃取光度法
- GB/T6122.1-2002 圆角铣刀 第1部分:型式和尺寸
- GB/T7433-1987 对称电缆载波通信系统抗无线电广播和通信干扰的指标
- GB/T21238-2007 玻璃纤维增强塑料夹砂管
- GB17945-2024 消防应急照明和疏散指示系统
- GB/T24974—2010 收费用手动栏杆
- GB/T9239-1988 刚性转子平衡品质 许用不平衡的确定
- GB/T15917.3-1995 金属镝及氧化镝化学分析方法 对氯苯基荧光酮--溴化十六烷基三甲基胺分光光度法测定钽量
- GB/T13985-1992 照相机操作力和强度
- GB/T6397-1986 金属拉伸试验试样
- 行业新闻
请牢记:“bzxz.net”即是“标准下载”四个汉字汉语拼音首字母与国际顶级域名“.net”的组合。 ©2025 标准下载网 www.bzxz.net 本站邮件:bzxznet@163.com
网站备案号:湘ICP备2025141790号-2
网站备案号:湘ICP备2025141790号-2