- 您的位置:
- 标准下载网 >>
- 标准分类 >>
- 国家标准(GB) >>
- GB 13623-1992 铝压力锅安全及性能要求
标准号:
GB 13623-1992
标准名称:
铝压力锅安全及性能要求
标准类别:
国家标准(GB)
英文名称:
Safety and performance requirements for aluminum pressure cookers标准状态:
已作废-
发布日期:
1992-08-28 -
实施日期:
1993-01-01 -
作废日期:
2004-01-01 出版语种:
简体中文下载格式:
.rar.pdf下载大小:
304.39 KB
中标分类号:
轻工、文化与生活用品>>五金制品>>Y73日用五金制品
替代情况:
被GB 13623-2003代替采标情况:
JIS S2051-1985 NEQ
部分标准内容:
中华人民共和国国家标准
铝压力锅安全及性能要求
Safety and characterstics of aluminium pressure cooker requirement主题内容与适用范围
GB13623—92
本标准规定了铝压力锅的术语、产品分类、安全技术性能、试验方法、检验规则及标志、包装、运输、贮存等要求。
本标准适用于铝及铝合金板材制成的压力锅。2引用标准
包装储运图示标志
GB2828
GB2829
GB3562
GB4808
GB4846
逐批检查计数抽样程序及抽样表适用于连续批的检查)周期检查计数抽样程序及抽样表(适用于生产过程稳定性的检查)铝制食具容器卫生标准的分析方法食品用高压锅密封圈卫生标准
日用压力锅橡胶密封圈
食品用高压锅密封圈卫生标准的分析方法GB5009.65
GB5945
GB6388
GB6543
GB11333
3术语
3.1限压阀
轻工产品铝或铝合金氧化处理层的测试方法运输包装收发货标志
瓦楞纸箱
铝制食具容器卫生标准
限定压力锅在工作压力范围内排气,保证正常工作的装置。3.2安全阀
限定压力锅在安全压力范围内排气,保证安全使用的装置。3.3公称工作压力
限压阀设计压力。
3.4工作压力
限压阀排气时表计压力值。
3.5公称安全压力
安全阀设计压力。
3.6安全压力
安全阀排气时表计压力值。
3.7破坏压力
压力锅能承受的最大表计压力值。国家技术监督局1992-08-28批准1993-01-01实施
-com4产品分类
4.1品种规格
GB13623-92
结构分为旋合式、落盖式、压盖式。见附录A(参考件)。规格分为50~150kPa,容积不大于18L。4.2产品标记
4.2.1产品标记由产品结构型式、锅口内径、锅身容积、公称工作压力(或公称工作压力范围)及标准号表示。
产品标记中锅口内径以厘米为单位取整数,并采用偶数系列,容积以升为单位取整数,公称工作压力或公称工作压力范围以千帕为单位取整数。4.2.2标记示例
锅口内径26cm,锅身容积10L,公称工作压力100kPa的A型旋合式压力锅:A26-10-100GB13623
锅口内径24cm,锅身容积8L,公称工作压力50100kPa的C型压盖式压力锅:C24-08-50X100GB13623
5技术要求
5.1产品与手接触部位应光滑无毛刺。5.2压力锅工作时限压阀体不许自行脱落。5.3公称工作压力不同的产品(不含同一产品)应有限压阀和安全陶均不能互换的结构,并在阀上注明商标(或特殊标记)、公称工作压力。5.4公称工作压力为100kPa的产品的有关尺寸符合如下规定:易熔片式安全阀排气孔径4*9.1\mm,易熔片外径$6.7-0.15mm。易熔片式安全阀安装孔径8.2+9.58mm。限压阀安装孔径8.2+g.58mm。
5.5工作压力
工作压力为0.9~1.1倍公称工作压力。5.6安全压力
安全压力为1.4~2倍最大公称工作压力。5.7破坏压力
压力锅破坏压力不得低于最大公称工作压力的六倍。5.8密封性
锅内蒸汽压力在20kPa至工作压力区间内,不许滴水漏气。5.9耐热压
锅内蒸气压力在最大安全压力时恒压1min,仍能满足5.8条要求。5.10合盖、开盖安全性
5.10.1锅身与锅盖扣合不到位,锅内压力不得超过5kPa。5.10.2当锅内压力在5kPa以上时,应有不能开盖的装置。5.11防堵安全性
压力锅应有防止限压阀排气孔堵塞的防堵安全装置。结构型式见附录A(参考件)。5.12卫生要求
5.12.1产品与食物接触部位卫生要求应符合GB11333规定。5.12.2密封圈的卫生要求应符合GB4808规定。5.13主要零部件要求
5.13.1密封圈应符合GB4846规定。GB13623—92
5.13.2酚醛塑料件经试验后,应无裂纹、无气泡、无明显挥发性气味和变形。5.13.3钢制件需经防腐处理。
5.14氧化膜耐蚀性应符合表1规定,表1
表面处理方式
草酸氧化
草酸轻氧化
硫酸氧化
混合酸氧化
5表面质量
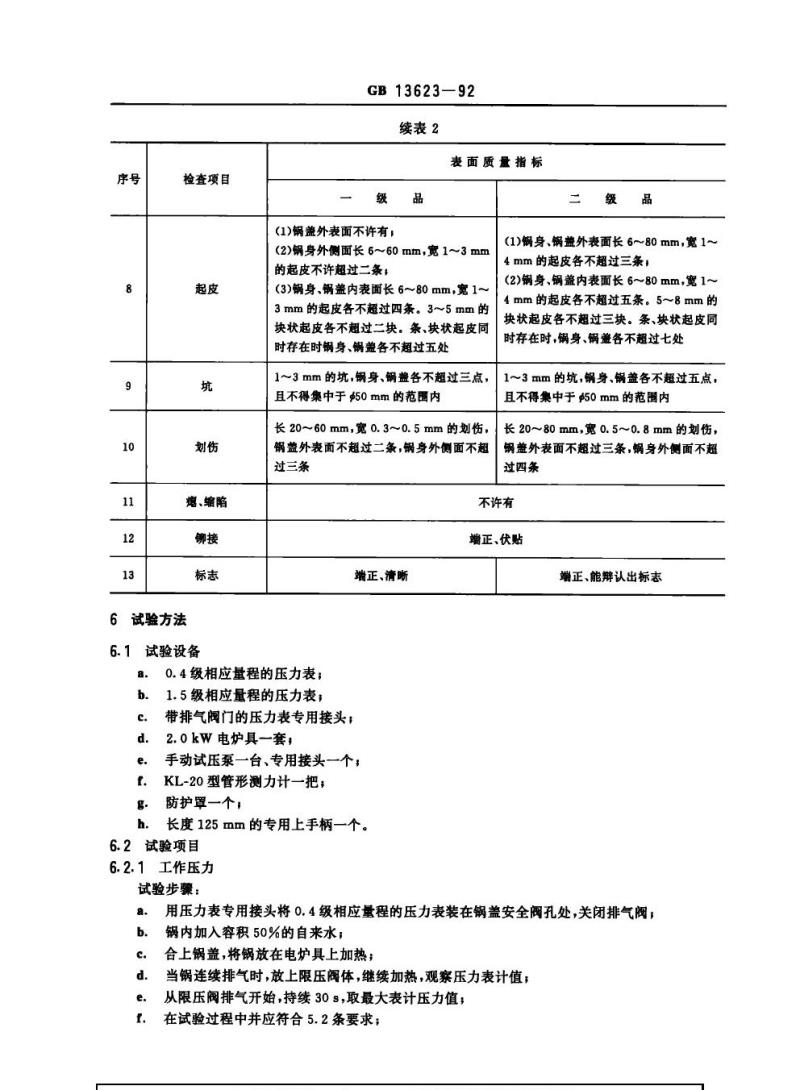
表面质量检查项目、等级要求符合表2规定,其中8、9、10项缺陷累计一级品:锅身不超过9处,锅盖不超过7处,二级品:锅身不超过13处,锅盖不超过12处。表2
检查项目
氧化色泽
电化蚀斑及电击伤
气隔面
色泽一致
细洁均匀
表面质量指标
色泽基本一致
不许露底
光亮、不许有碱痕迹和油污痕迹不许有
不许有
不许有2mm以上气泡
不许有碱痕迹和油污痕迹
1~2mm的电化腐蚀斑或电击伤不许超过一点
锅身不许有。锅盖气隔面面积不超过300mm
2~3mm气泡,锅身、锅盏各不超过二个序号
检查项目
癌、缩陷
试验方法
6.1试验设备
GB13623—92
续表2
表面质量指标
(1)锅盖外表面不许有,
(2)锅身外侧面长6~60mm,宽1~3mm的起皮不许超过二条;
(3)锅身、锅盖内表面长6~80mm,宽1~3mm的起皮各不超过四条。3~5mm的块状起皮各不超过二块。条、块状起皮同时存在时锅身、锅盖各不超过五处1~3mm的坑,锅身、锅盖各不超过三点,且不得集中于±50mm的范围内
长20~60mm,宽0.3~0.5mm的划伤,锅盖外表面不超过二条,锅身外侧面不超过三条
(1)锅身、锅盖外表面长6~80mm,宽1~4mm的起皮各不超过三条,
(2)锅身、锅盖内表面长6~80mm,宽1~4mm的起皮各不超过五条。5~8mm的块状起皮各不超过三块。条、块状起皮同时存在时,锅身、锅盖各不超过七处1~3mm的坑,锅身、盖各不超过五点,且不得集中于#50mm的范围内
长20~80mm,宽0.5~0.8mm的划伤,锅盖外表面不超过三条,锅身外侧面不超过四条
不许有
端正、伏贴
端正、清晰
0.4级相应量程的压力表;
1.5级相应量程的压力表;
带排气阀门的压力表专用接头,2.0kW电炉具一套,
手动试压泵一台、专用接头一个;KL-20型管形测力计一把,
防护罩一个,
长度125mm的专用上手柄一个。
6.2试验项目
6.2.1工作压力
试验步骤:
端正、能辩认出标志
用压力表专用接头将0.4级相应量程的压力表装在锅盖安全阀孔处,关闭排气阀,锅内加入容积50%的自来水;
合上锅盖,将锅放在电炉具上加热;当锅连续排气时,放上限压阀体,继续加热,观察压力表计值;从限压阀排气开始,持续30s,取最大表计压力值;在试验过程中并应符合5.2条要求;g.停止加热,放掉锅内气体。
6.2.2安全压力
试验步骤:
GB13623—92
a.用压力表专用接头将1.5级相应量程的压力表安装在锅盖限压阀座孔处,打开排气阀;将安全阀安装在锅盖安全阀孔处:b.
c.按6.2.1条b、c进行,
d.当排气阀连续排气20s后,关闭排气阀,继续加热并观案压力表计值直至停止加热,易熔片式安全阀至安全阀排气时停止加热。其他形式的安全阀从第一次排气开始120s后停止加热,e.如压力表计值超过安全压力上限时,打开排气阀。6.2.3破坏压力(压盖式除外)
试验步骤:
用压力表专用接头将1.5级相应量程的压力表安装在锅盖限压阀座孔上,打开排气阀,用专用接头连接试压泵给水管与锅盖安全阀孔,b.
锅内盛满水:
合上锅盖后用试压泵加压,当排气阀门有水溢出时,关闭阀门,继续加压(水流量1~1.6L/min);
当水从锅口处溢出时,读出压力表计值。6.2.4密封性
试验步骤:
a,按6.2.1条a、b.c、d进行,
b.当压力表计值达到20kPa开始观察压力锅有无滴水漏气现象,直到限压阀排气止。6.2.5耐热压
试验步骤:
用压力表专用接头将1.5级相应量程的压力表安装在锅盖限压阀座孔处,打开排气阀。用螺栓将锅盖安全阀安装孔堵死;
b.按6.2.1条b、c进行,
c.当排气阀连续排气20s后关闭排气阀,继续加热并观察压力表计值;d.当压力表计值达到最大安全压力时,恒压1min,然后打开排气阀卸压。6.2.6合盖安全性(落盖式、压盖式除外)试验步骤:
a.按6.2.1条a、b进行:
b.合上锅盖使锅身、锅盖处于扣合不到位状态;将锅放到电炉具上加热:
当限压阀排气管连续排气时,放上限压阀体e.连续观察压力表计值120s。
6.2.7开盖安全性(落盖式、压盖式除外)试验步骤:
a.按6.2.1条a、b进行;
装上专用上手柄;
合上锅盖,使锅身、锅盖处于扣合到位状态,按6.2.6条c、d进行;
当锅内压力达到5kPa以上时,将锅移开加热器具置于专用防护罩内;固定下手柄,当锅内压力降至5kPa时,用测力计在专用上手柄末端垂直于上手柄中线沿水平方向加100N拉力。
6.2.8防堵安全性
试验步骤:
试验介质:谷子和糯米;
GB13623—92
加入3/16锅身容积的谷子和1/16锅身容积的糯米,然后加水至锅深的五分之四:c.
用压力表专用接买将0.4级相应量程的压力表装在锅盖安全阀孔处,关闭排气阀;合上锅盖,将锅放在电炉具上加热:d.
当锅连续排气时,放上限压阀体,继续加热,从限压阀排气开始计时,5min时抬起一次限压阀,时间为5s;
观察压力表计值,10min内压力不得超过1.25倍公称工作压力。6.2.9酚醛塑料件耐热性
试验步骤:
将试样用中性洗涤剂洗净,
将试样放入装有水的锅中,放到电炉具上加热,水沸时计时,30min时停止加热;b.
c.取出试样立即放入冷水中,冷却后取出试样检查。6.2.10氧化膜耐蚀性
按GB5945中2.2条试验。
6.2.11卫生要求
a.产品按GB3562试验;
b.密封圈按GB5009.65试验。
6.2.12零部件尺寸
用精度为0.02mm的量具检测。
6.2.13表面质量
用目测和精度为0.05mm的量具及抛光表面粗糙度比较样块检测。7检验规则
7.1出厂检验
出厂检验按GB2828执行,采用正常检查一次抽样方案,按每百单位产品不合格品数计算,检查项目、不合格分类、检查水平及合格质量水平符合表3规定。7.2型式检验
7.2.1有下列情况之一时进行型式试验:新产品或老产品转厂生产的试制定型鉴定;a.
正式生产后,如结构、材料、工艺有较大改变,可能影响产品性能时;正常生产时,每半年应周期进行一次检验,产品停产半年后,恢复生产时;出厂检验结果与上次型式检验有较大差异时;国家质量监督机构提出进行型式检验的要求时。序号
检查项目
结构要求
氧化色泽
气隔面
电化腐蚀斑及电击伤
癌、缩陷
酚醛塑料件耐热性
氧化膜耐蚀性
工作压力
安全压力
破坏压力
密封性
耐热压
合盖安全性
开盖安全性
防堵安全性
GB13623—92
不合格分类
对应条款
5.1.5.3,5.4
检查水平
合格质量水平(AQL)
7.2.2型式检验按GB2829执行,采用判别水平耳的二次抽样方案,按每百单位产品不合格品数计算。表3所列检查项目,样本大小n1=n2=6,不合格质量水平RQL为C类80、B类65、A类50。其余检查项目、不合格分类、判别水平、样本大小及不合格质量水平符合表4规定。序号
检查项目
卫生要求
密封图
8标志、包装、运输、贮存
8.1标志
不合格分类www.bzxz.net
8.1.1产品上应有如下标志:
商标;
企业名称;
质量等级:
产品标记;
制造年月。
包装盒上应有如下标记:
商标;
企业名称,
品名:
d.产品标记。
8.1.3包装箱上应有如下标记:
GB13623—92
对应条款
判别水平
样本大小
n=ng=5
不合格质量水平
商标、品名、企业名称、许可证编号、厂址、邮政编码、产品标记、执行标准号及名称、怕湿、向上、小心轻放等标志。怕湿、向上、小心轻放标志应符合GB191规定。其余标志符合GB6388规定。8.2包装
8.2.1每个产品需单独用包装盒包装,并且锅身锅盖用中性包装物包装。8.2.2包装箱用打包带紧固。
8.2.3瓦楞纸板包装箱和包装盒应符合GB6543规定。8.2.4包装盒内应有使用说明书、合格证、装盒单。8.2.5说明书中应注明产品执行标准号及名称、许可证编号、厂址及邮政编码。8.3运输
搬运时轻拿轻放,严禁与腐蚀性物品同时运输,运输途中严防受潮。8.4贮存
8.4.1贮存条件
库房内应保持通风良好,相对湿度不大于85%,a.
b.产品存放离墙距离保持200mm,离地距离保持在100mm以上,c.严禁与有腐蚀性物品同时存放。8.4.2贮存期限
由出厂日期起,洗白和抛光产品贮存期限为一年。其他产品贮存期限为二年。压力锅的结构型式
GB13623—92
附录A
压力锅和防堵安全装置的结构型式(参考件)
按压力锅结构分为旋合式压力锅、落盖式压力锅、压盖式压力锅。A1.1旋合式压力锅
旋合式压力锅在产品标记中用英文字母A表示,其结构型式及各部位名称见图A1(示意图)。A1.2落盖式压力锅
落盖式压力锅在产品标记中用英文字母B表示,其结构型式及各部位名称见图A2(示意图)。A1.3压盖式压力锅
压盖式压力锅在产品标记中用英文字母C表示,其结构型式及各部位名称见图A3(示意图)。限压阀
安全阀
A2防堵安全装置的结构型式
A2.1防堵罩结构见图A4(示意图)。A2.2、防堵盘结构见图A5(示意图)。紫固螺母
防堵罩底座
防堵罩体
压力调节装置
排气管
压力锅盖
凸面狭缝多孔气道
压力调节装置
小提示:此标准内容仅展示完整标准里的部分截取内容,若需要完整标准请到上方自行免费下载完整标准文档。
铝压力锅安全及性能要求
Safety and characterstics of aluminium pressure cooker requirement主题内容与适用范围
GB13623—92
本标准规定了铝压力锅的术语、产品分类、安全技术性能、试验方法、检验规则及标志、包装、运输、贮存等要求。
本标准适用于铝及铝合金板材制成的压力锅。2引用标准
包装储运图示标志
GB2828
GB2829
GB3562
GB4808
GB4846
逐批检查计数抽样程序及抽样表适用于连续批的检查)周期检查计数抽样程序及抽样表(适用于生产过程稳定性的检查)铝制食具容器卫生标准的分析方法食品用高压锅密封圈卫生标准
日用压力锅橡胶密封圈
食品用高压锅密封圈卫生标准的分析方法GB5009.65
GB5945
GB6388
GB6543
GB11333
3术语
3.1限压阀
轻工产品铝或铝合金氧化处理层的测试方法运输包装收发货标志
瓦楞纸箱
铝制食具容器卫生标准
限定压力锅在工作压力范围内排气,保证正常工作的装置。3.2安全阀
限定压力锅在安全压力范围内排气,保证安全使用的装置。3.3公称工作压力
限压阀设计压力。
3.4工作压力
限压阀排气时表计压力值。
3.5公称安全压力
安全阀设计压力。
3.6安全压力
安全阀排气时表计压力值。
3.7破坏压力
压力锅能承受的最大表计压力值。国家技术监督局1992-08-28批准1993-01-01实施
-com4产品分类
4.1品种规格
GB13623-92
结构分为旋合式、落盖式、压盖式。见附录A(参考件)。规格分为50~150kPa,容积不大于18L。4.2产品标记
4.2.1产品标记由产品结构型式、锅口内径、锅身容积、公称工作压力(或公称工作压力范围)及标准号表示。
产品标记中锅口内径以厘米为单位取整数,并采用偶数系列,容积以升为单位取整数,公称工作压力或公称工作压力范围以千帕为单位取整数。4.2.2标记示例
锅口内径26cm,锅身容积10L,公称工作压力100kPa的A型旋合式压力锅:A26-10-100GB13623
锅口内径24cm,锅身容积8L,公称工作压力50100kPa的C型压盖式压力锅:C24-08-50X100GB13623
5技术要求
5.1产品与手接触部位应光滑无毛刺。5.2压力锅工作时限压阀体不许自行脱落。5.3公称工作压力不同的产品(不含同一产品)应有限压阀和安全陶均不能互换的结构,并在阀上注明商标(或特殊标记)、公称工作压力。5.4公称工作压力为100kPa的产品的有关尺寸符合如下规定:易熔片式安全阀排气孔径4*9.1\mm,易熔片外径$6.7-0.15mm。易熔片式安全阀安装孔径8.2+9.58mm。限压阀安装孔径8.2+g.58mm。
5.5工作压力
工作压力为0.9~1.1倍公称工作压力。5.6安全压力
安全压力为1.4~2倍最大公称工作压力。5.7破坏压力
压力锅破坏压力不得低于最大公称工作压力的六倍。5.8密封性
锅内蒸汽压力在20kPa至工作压力区间内,不许滴水漏气。5.9耐热压
锅内蒸气压力在最大安全压力时恒压1min,仍能满足5.8条要求。5.10合盖、开盖安全性
5.10.1锅身与锅盖扣合不到位,锅内压力不得超过5kPa。5.10.2当锅内压力在5kPa以上时,应有不能开盖的装置。5.11防堵安全性
压力锅应有防止限压阀排气孔堵塞的防堵安全装置。结构型式见附录A(参考件)。5.12卫生要求
5.12.1产品与食物接触部位卫生要求应符合GB11333规定。5.12.2密封圈的卫生要求应符合GB4808规定。5.13主要零部件要求
5.13.1密封圈应符合GB4846规定。GB13623—92
5.13.2酚醛塑料件经试验后,应无裂纹、无气泡、无明显挥发性气味和变形。5.13.3钢制件需经防腐处理。
5.14氧化膜耐蚀性应符合表1规定,表1
表面处理方式
草酸氧化
草酸轻氧化
硫酸氧化
混合酸氧化
5表面质量
表面质量检查项目、等级要求符合表2规定,其中8、9、10项缺陷累计一级品:锅身不超过9处,锅盖不超过7处,二级品:锅身不超过13处,锅盖不超过12处。表2
检查项目
氧化色泽
电化蚀斑及电击伤
气隔面
色泽一致
细洁均匀
表面质量指标
色泽基本一致
不许露底
光亮、不许有碱痕迹和油污痕迹不许有
不许有
不许有2mm以上气泡
不许有碱痕迹和油污痕迹
1~2mm的电化腐蚀斑或电击伤不许超过一点
锅身不许有。锅盖气隔面面积不超过300mm
2~3mm气泡,锅身、锅盏各不超过二个序号
检查项目
癌、缩陷
试验方法
6.1试验设备
GB13623—92
续表2
表面质量指标
(1)锅盖外表面不许有,
(2)锅身外侧面长6~60mm,宽1~3mm的起皮不许超过二条;
(3)锅身、锅盖内表面长6~80mm,宽1~3mm的起皮各不超过四条。3~5mm的块状起皮各不超过二块。条、块状起皮同时存在时锅身、锅盖各不超过五处1~3mm的坑,锅身、锅盖各不超过三点,且不得集中于±50mm的范围内
长20~60mm,宽0.3~0.5mm的划伤,锅盖外表面不超过二条,锅身外侧面不超过三条
(1)锅身、锅盖外表面长6~80mm,宽1~4mm的起皮各不超过三条,
(2)锅身、锅盖内表面长6~80mm,宽1~4mm的起皮各不超过五条。5~8mm的块状起皮各不超过三块。条、块状起皮同时存在时,锅身、锅盖各不超过七处1~3mm的坑,锅身、盖各不超过五点,且不得集中于#50mm的范围内
长20~80mm,宽0.5~0.8mm的划伤,锅盖外表面不超过三条,锅身外侧面不超过四条
不许有
端正、伏贴
端正、清晰
0.4级相应量程的压力表;
1.5级相应量程的压力表;
带排气阀门的压力表专用接头,2.0kW电炉具一套,
手动试压泵一台、专用接头一个;KL-20型管形测力计一把,
防护罩一个,
长度125mm的专用上手柄一个。
6.2试验项目
6.2.1工作压力
试验步骤:
端正、能辩认出标志
用压力表专用接头将0.4级相应量程的压力表装在锅盖安全阀孔处,关闭排气阀,锅内加入容积50%的自来水;
合上锅盖,将锅放在电炉具上加热;当锅连续排气时,放上限压阀体,继续加热,观察压力表计值;从限压阀排气开始,持续30s,取最大表计压力值;在试验过程中并应符合5.2条要求;g.停止加热,放掉锅内气体。
6.2.2安全压力
试验步骤:
GB13623—92
a.用压力表专用接头将1.5级相应量程的压力表安装在锅盖限压阀座孔处,打开排气阀;将安全阀安装在锅盖安全阀孔处:b.
c.按6.2.1条b、c进行,
d.当排气阀连续排气20s后,关闭排气阀,继续加热并观案压力表计值直至停止加热,易熔片式安全阀至安全阀排气时停止加热。其他形式的安全阀从第一次排气开始120s后停止加热,e.如压力表计值超过安全压力上限时,打开排气阀。6.2.3破坏压力(压盖式除外)
试验步骤:
用压力表专用接头将1.5级相应量程的压力表安装在锅盖限压阀座孔上,打开排气阀,用专用接头连接试压泵给水管与锅盖安全阀孔,b.
锅内盛满水:
合上锅盖后用试压泵加压,当排气阀门有水溢出时,关闭阀门,继续加压(水流量1~1.6L/min);
当水从锅口处溢出时,读出压力表计值。6.2.4密封性
试验步骤:
a,按6.2.1条a、b.c、d进行,
b.当压力表计值达到20kPa开始观察压力锅有无滴水漏气现象,直到限压阀排气止。6.2.5耐热压
试验步骤:
用压力表专用接头将1.5级相应量程的压力表安装在锅盖限压阀座孔处,打开排气阀。用螺栓将锅盖安全阀安装孔堵死;
b.按6.2.1条b、c进行,
c.当排气阀连续排气20s后关闭排气阀,继续加热并观察压力表计值;d.当压力表计值达到最大安全压力时,恒压1min,然后打开排气阀卸压。6.2.6合盖安全性(落盖式、压盖式除外)试验步骤:
a.按6.2.1条a、b进行:
b.合上锅盖使锅身、锅盖处于扣合不到位状态;将锅放到电炉具上加热:
当限压阀排气管连续排气时,放上限压阀体e.连续观察压力表计值120s。
6.2.7开盖安全性(落盖式、压盖式除外)试验步骤:
a.按6.2.1条a、b进行;
装上专用上手柄;
合上锅盖,使锅身、锅盖处于扣合到位状态,按6.2.6条c、d进行;
当锅内压力达到5kPa以上时,将锅移开加热器具置于专用防护罩内;固定下手柄,当锅内压力降至5kPa时,用测力计在专用上手柄末端垂直于上手柄中线沿水平方向加100N拉力。
6.2.8防堵安全性
试验步骤:
试验介质:谷子和糯米;
GB13623—92
加入3/16锅身容积的谷子和1/16锅身容积的糯米,然后加水至锅深的五分之四:c.
用压力表专用接买将0.4级相应量程的压力表装在锅盖安全阀孔处,关闭排气阀;合上锅盖,将锅放在电炉具上加热:d.
当锅连续排气时,放上限压阀体,继续加热,从限压阀排气开始计时,5min时抬起一次限压阀,时间为5s;
观察压力表计值,10min内压力不得超过1.25倍公称工作压力。6.2.9酚醛塑料件耐热性
试验步骤:
将试样用中性洗涤剂洗净,
将试样放入装有水的锅中,放到电炉具上加热,水沸时计时,30min时停止加热;b.
c.取出试样立即放入冷水中,冷却后取出试样检查。6.2.10氧化膜耐蚀性
按GB5945中2.2条试验。
6.2.11卫生要求
a.产品按GB3562试验;
b.密封圈按GB5009.65试验。
6.2.12零部件尺寸
用精度为0.02mm的量具检测。
6.2.13表面质量
用目测和精度为0.05mm的量具及抛光表面粗糙度比较样块检测。7检验规则
7.1出厂检验
出厂检验按GB2828执行,采用正常检查一次抽样方案,按每百单位产品不合格品数计算,检查项目、不合格分类、检查水平及合格质量水平符合表3规定。7.2型式检验
7.2.1有下列情况之一时进行型式试验:新产品或老产品转厂生产的试制定型鉴定;a.
正式生产后,如结构、材料、工艺有较大改变,可能影响产品性能时;正常生产时,每半年应周期进行一次检验,产品停产半年后,恢复生产时;出厂检验结果与上次型式检验有较大差异时;国家质量监督机构提出进行型式检验的要求时。序号
检查项目
结构要求
氧化色泽
气隔面
电化腐蚀斑及电击伤
癌、缩陷
酚醛塑料件耐热性
氧化膜耐蚀性
工作压力
安全压力
破坏压力
密封性
耐热压
合盖安全性
开盖安全性
防堵安全性
GB13623—92
不合格分类
对应条款
5.1.5.3,5.4
检查水平
合格质量水平(AQL)
7.2.2型式检验按GB2829执行,采用判别水平耳的二次抽样方案,按每百单位产品不合格品数计算。表3所列检查项目,样本大小n1=n2=6,不合格质量水平RQL为C类80、B类65、A类50。其余检查项目、不合格分类、判别水平、样本大小及不合格质量水平符合表4规定。序号
检查项目
卫生要求
密封图
8标志、包装、运输、贮存
8.1标志
不合格分类www.bzxz.net
8.1.1产品上应有如下标志:
商标;
企业名称;
质量等级:
产品标记;
制造年月。
包装盒上应有如下标记:
商标;
企业名称,
品名:
d.产品标记。
8.1.3包装箱上应有如下标记:
GB13623—92
对应条款
判别水平
样本大小
n=ng=5
不合格质量水平
商标、品名、企业名称、许可证编号、厂址、邮政编码、产品标记、执行标准号及名称、怕湿、向上、小心轻放等标志。怕湿、向上、小心轻放标志应符合GB191规定。其余标志符合GB6388规定。8.2包装
8.2.1每个产品需单独用包装盒包装,并且锅身锅盖用中性包装物包装。8.2.2包装箱用打包带紧固。
8.2.3瓦楞纸板包装箱和包装盒应符合GB6543规定。8.2.4包装盒内应有使用说明书、合格证、装盒单。8.2.5说明书中应注明产品执行标准号及名称、许可证编号、厂址及邮政编码。8.3运输
搬运时轻拿轻放,严禁与腐蚀性物品同时运输,运输途中严防受潮。8.4贮存
8.4.1贮存条件
库房内应保持通风良好,相对湿度不大于85%,a.
b.产品存放离墙距离保持200mm,离地距离保持在100mm以上,c.严禁与有腐蚀性物品同时存放。8.4.2贮存期限
由出厂日期起,洗白和抛光产品贮存期限为一年。其他产品贮存期限为二年。压力锅的结构型式
GB13623—92
附录A
压力锅和防堵安全装置的结构型式(参考件)
按压力锅结构分为旋合式压力锅、落盖式压力锅、压盖式压力锅。A1.1旋合式压力锅
旋合式压力锅在产品标记中用英文字母A表示,其结构型式及各部位名称见图A1(示意图)。A1.2落盖式压力锅
落盖式压力锅在产品标记中用英文字母B表示,其结构型式及各部位名称见图A2(示意图)。A1.3压盖式压力锅
压盖式压力锅在产品标记中用英文字母C表示,其结构型式及各部位名称见图A3(示意图)。限压阀
安全阀
A2防堵安全装置的结构型式
A2.1防堵罩结构见图A4(示意图)。A2.2、防堵盘结构见图A5(示意图)。紫固螺母
防堵罩底座
防堵罩体
压力调节装置
排气管
压力锅盖
凸面狭缝多孔气道
压力调节装置
小提示:此标准内容仅展示完整标准里的部分截取内容,若需要完整标准请到上方自行免费下载完整标准文档。
标准图片预览:





- 其它标准
- 上一篇: GB 18401-2001 纺织品甲醛含量的限定
- 下一篇: GB 1523-1993 绵羊毛
- 热门标准
- 国家标准(GB)
- GB29140-2024 纯碱单位产品能源消耗限额
- GB/T29633.4-2020 南极地名 第4部分:罗马字母拼写
- GB15193.5-2003 骨髓细胞微核试验
- GB/T15412-1994 应用电视摄像机云台通用技术条件
- GB28129-2011 乙羧氟草醚原药
- GB/T42970-2023 半导体集成电路 视频编解码电路测试方法
- GB/T18721.4-2024 印刷技术 印前数据交换 第4部分:显示用宽色域标准彩色图像数据 [Adobe RGB (1998)/SCID]
- GB/T9771.6-2020 通信用单模光纤 第6部分:宽波长段 光传输用非零色散单模光纤特性
- GB5237.3-2008 铝合金建筑型材 第3部分:电泳涂漆型材
- GB/T15773-1995 水土保持综合治理 验收规范
- GB3302-1982 日用陶瓷器验收、包装、标志、运输、储存规则
- GB/T30007-2022 船舶和海上技术 通过分析测速试航数据以确定速度和功率性能的评估导则
- GB30530-2024 二甲基硅氧烷单位产品能源消耗限额
- GB/T39249-2020 橡胶和塑料软管及非增强软管织物增强型 低温压扁试验
- GB/T17424-2019 差分全球卫星导航系统(DGNSS)技术要求
- 行业新闻
请牢记:“bzxz.net”即是“标准下载”四个汉字汉语拼音首字母与国际顶级域名“.net”的组合。 ©2025 标准下载网 www.bzxz.net 本站邮件:bzxznet@163.com
网站备案号:湘ICP备2025141790号-2
网站备案号:湘ICP备2025141790号-2