- 您的位置:
- 标准下载网 >>
- 标准分类 >>
- 国家标准(GB) >>
- GB 11887-2002 首饰贵金属纯度的规定及命名方法
标准号:
GB 11887-2002
标准名称:
首饰贵金属纯度的规定及命名方法
标准类别:
国家标准(GB)
英文名称:
Specification and naming method for purity of precious metals in jewelry标准状态:
现行-
发布日期:
2002-03-05 -
实施日期:
2002-09-01 出版语种:
简体中文下载格式:
.rar.pdf下载大小:
120.96 KB
标准ICS号:
精密机械、珠宝>>39.060珠宝中标分类号:
轻工、文化与生活用品>>工艺美术品与其他日用品>>Y88工艺美术品
替代情况:
替代GB/T 11887-2000;被GB 11887-2008代替采标情况:
ISO 9202:1991
点击下载
标准简介:
标准下载解压密码:www.bzxz.net
本标准规定了首饰中贵金属的纯度范围(不包括焊药成分,但成品含量不得低于规定的纯度范围)、印记、测定方法和贵金属首饰的命名方法。本标准适用于首饰行业和国内生产及销售的首饰。 GB 11887-2002 首饰贵金属纯度的规定及命名方法 GB11887-2002
部分标准内容:
1CS 39.060
中华人民共和国国家标准
GB11887-2002
代替GB/T11887-2000
贵金属纯度的规定及命名方法
Jewellery--Fineness of precious metal alloys and designation(ISO 9202 : 1991,Jewellery-Fineness of precious metal alloys ,NEQ)2002-03-05发布
中华人民共和国
国家质量蓝督检验检疫总局
2002-09-01实施
本标准为强制性标准。
GB 11887--2002
本标准非等效采用ISO9202:1991(E)《首饰一贵金属纯度的规定》。本标准代替GB/T11887-2000《首饰贵金属纯度的规定及命名方法》。本标准与GB/T11887—2000的主要区别如下:--取消了原标准4.3中关于“铂和钯总含量不得小于950%”的内容,与ISO9202:1991(E)保持一致。
将原标准4.4中关于“含镍量应小于0.3%”的规定改为等同采用“欧共体欧洲议会和理事会94/27/CE号指令”。
本标准由中国轻工业联合会提出。本标准由全国首饰标准化技术委员会归口。本标准起草单位:国家首饰质量监督检验中心。本标准主要起草人:沈、范积芳、李武军、李玉。本标准于1989年12月首次发布,2000年4月第一次修订,本次为第二次修订。587
GB 11887--2002
GB/T11887—2000《首饰贵金属纯度的规定及命名方法》于2000年4月发布,并于2000年9月1日实施。该标准是对GB/T11887一1989《贵金属首饰纯度的命名方法》进行的第一次修订。《首饰贵金属纯度的规定及命名方法》是首饰行业的一个重要基础标准,对促进我国首饰行业的发展、保证首饰产品的质量起到重要的作用。为不断完善标准,使标准更具有可操作性,有利于推动首饰行业的发展和规范市场,对标准进行了第二次修订。在本次修订中,将原标准4.3中关于“铂和钯含量不得少于950%的内容取消,不对贵金属非主体成分(不含有害元素)进行规定,与ISO9202:1991(E)保持-致;将原标准4.4中关于*含镍量应小于0.3%”的规定改为等同采用“欧共体欧洲议会和理事会94/27/CE号指令”,并同时实行两年过渡期的办法,即从标准发布之日起两年后,所有销售到最终消费者的商品都必须完全符合标准要求。具体过渡期如下:自标准发布之日起至发布后半年止-一生产企业和所有经销商清理库存中不符合本标准的产品;自标准发布之扫起至发布后一年正一生产企业和所有供应商提供不符合本标准产品的最后期限:
自标准发布之日起至发布后两年止一所有销售商销售不符合该标准产品的最后期限。588
1范围
贵金属纯度的规定及命名方法
GB 11887-2002
本标准规定了首饰中贵金属的纯度范围(不包括焊药成分,但成品含量不得低于规定的纯度范围)、印记、测定方法和贵金属首饰的命名方法。本标准适用于首饰行业和国内生产及销售的首饰。2规范性引用文件
下列文件中的条款通过本标准的引用而成为本标准的条款。凡是注日期的引用文件,其随后所有的修改单(不包括勘误的内容)或修订版均不适用于本标准,然而,鼓励根据本标准达成协议的各方研究是否可使用这些文件的最新版本。凡是不注日期的引用文件,其最新版本适用于本标准。GB/T9288首饰含金量分析方法(neqISO11426:1993)GB/T11886首饰含银量化学分析方法GB/T 16552 3
珠宝玉石名称
珠宝玉石鉴定
GB/T16553
钻石分级
GB/T16554
QB/T 1656
QB/T 1689免费标准下载网bzxz
3术语和定义
铂首饰化学分析方法钯、佬、铂量的测定贵金属饰品术语
下列术语和定义适用于本标准。3.1
纯度 fineness
贵金属元素的最低含量,以贵金属的含量千分数计量。4纯度范围
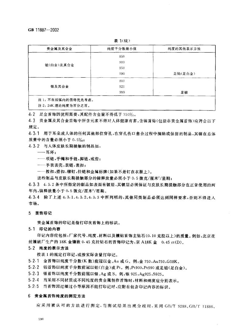
纯度以最低值表示,不得有负公差。4.1贵金属及其合金的纯度范围见表1。表
贵金属及其合金
金及其合金
纯度千分数最小值
纯度的其他表示方法
(千足金)
GB 11887--2002
贵金属及其合金
铂(白金)及其合金
银及其合金
注1:不在括弧内的值将优先考虑。注2:24K理论纯度为百分之百。表1(续)
纯度汗分数最小值
4.2足金首饰因使用需要,其配件含金量不得低于750%。。纯度的其他表示方法
足铂(足白金)
4.3贵金属及其合金首饰中所含元素不得对人体健康有害。含镍首饰(包括非贵金属首饰)应符合以下规定。
用于耳朵或人体的任何其他部位穿孔,在穿孔伤口愈合过程中摘除或保留的制品,其镍在总体4.3.1
质量中的含量必须小于0.5%
4.3.2与人体皮肤长期接触的制品如:一耳环;
项链,手镯和手链,脚链,戒指;手表表壳,表链,表扣;
按扣,搭扣,铆钉,拉链和金属标牌(如果不是钉在衣服上)。这些制品与皮肤长期接触部分的镍释放量必须小于0.5微克/厘米2/星期;4.3.34.3.2条中所指定的制品如表面有镀层,其镀层必须保证与皮肤长期接触部分在正常使用的两年内,镍释放量小于0.5微克/厘米/星期。4.3.4除了上述4.3.1、4.3.2、4.3.3中所列明的,其他同类制品必须达到同样要求,否则不得进人市场。
5首饰印记
贵金属首饰的印记是指打印在首饰上的标识。5.1印记的内容
印记内容应包括:厂家代号、纯度、材料以及镶钻首饰主钻石(0.10克拉以上)的质量。例如:北京花丝镶嵌厂生产的18K金镶嵌0.45克拉钻石的首饰印记为:京A18K金0.45ct(D)。5.2纯度的表示方法
按表1的规定打印记,或按实际含量打印记。金首饰以纯度千分数(K数)前冠以金、Au或G。例:金750.Au750,G18K。5.2.11
铂首饰以纯度千分数前冠以铂(白金)或Pt。例:Pt900,Pt990或足铂(足白金)。5.2.24
5.2.3银首饰以纯度千分数前冠以银、Ag或S。例:银925,Ag925.S925。5.2.4当采用不同材质或不同纯度的贵金属制作首饰时,材料和纯度应分别表示。5.2.5当首饰因过细过小等原因不能打印记时,应附有包含印记内容的标识。6贵金属首饰纯度的测定方法
应采用被认可的方法进行测定,当测试结果出现分歧时,采用(G3/T9288、GB/T11886、590
QB/T1656的方法进行仲裁。
命名规则
7.1贵金属首饰应按纯度、材料、宝石名称、品种的内容命名。例如:18K金红宝石戒指
贵金属首饰品种的命名依据QB/T1689的规定。GB 11887—2002
3镶嵌宝石的鉴定及命名按照GB/T16552、GB/T16553、GB/T16554进行。镶嵌首饰上的宝石的7.3
品质分级作为参考级别。
小提示:此标准内容仅展示完整标准里的部分截取内容,若需要完整标准请到上方自行免费下载完整标准文档。
中华人民共和国国家标准
GB11887-2002
代替GB/T11887-2000
贵金属纯度的规定及命名方法
Jewellery--Fineness of precious metal alloys and designation(ISO 9202 : 1991,Jewellery-Fineness of precious metal alloys ,NEQ)2002-03-05发布
中华人民共和国
国家质量蓝督检验检疫总局
2002-09-01实施
本标准为强制性标准。
GB 11887--2002
本标准非等效采用ISO9202:1991(E)《首饰一贵金属纯度的规定》。本标准代替GB/T11887-2000《首饰贵金属纯度的规定及命名方法》。本标准与GB/T11887—2000的主要区别如下:--取消了原标准4.3中关于“铂和钯总含量不得小于950%”的内容,与ISO9202:1991(E)保持一致。
将原标准4.4中关于“含镍量应小于0.3%”的规定改为等同采用“欧共体欧洲议会和理事会94/27/CE号指令”。
本标准由中国轻工业联合会提出。本标准由全国首饰标准化技术委员会归口。本标准起草单位:国家首饰质量监督检验中心。本标准主要起草人:沈、范积芳、李武军、李玉。本标准于1989年12月首次发布,2000年4月第一次修订,本次为第二次修订。587
GB 11887--2002
GB/T11887—2000《首饰贵金属纯度的规定及命名方法》于2000年4月发布,并于2000年9月1日实施。该标准是对GB/T11887一1989《贵金属首饰纯度的命名方法》进行的第一次修订。《首饰贵金属纯度的规定及命名方法》是首饰行业的一个重要基础标准,对促进我国首饰行业的发展、保证首饰产品的质量起到重要的作用。为不断完善标准,使标准更具有可操作性,有利于推动首饰行业的发展和规范市场,对标准进行了第二次修订。在本次修订中,将原标准4.3中关于“铂和钯含量不得少于950%的内容取消,不对贵金属非主体成分(不含有害元素)进行规定,与ISO9202:1991(E)保持-致;将原标准4.4中关于*含镍量应小于0.3%”的规定改为等同采用“欧共体欧洲议会和理事会94/27/CE号指令”,并同时实行两年过渡期的办法,即从标准发布之日起两年后,所有销售到最终消费者的商品都必须完全符合标准要求。具体过渡期如下:自标准发布之日起至发布后半年止-一生产企业和所有经销商清理库存中不符合本标准的产品;自标准发布之扫起至发布后一年正一生产企业和所有供应商提供不符合本标准产品的最后期限:
自标准发布之日起至发布后两年止一所有销售商销售不符合该标准产品的最后期限。588
1范围
贵金属纯度的规定及命名方法
GB 11887-2002
本标准规定了首饰中贵金属的纯度范围(不包括焊药成分,但成品含量不得低于规定的纯度范围)、印记、测定方法和贵金属首饰的命名方法。本标准适用于首饰行业和国内生产及销售的首饰。2规范性引用文件
下列文件中的条款通过本标准的引用而成为本标准的条款。凡是注日期的引用文件,其随后所有的修改单(不包括勘误的内容)或修订版均不适用于本标准,然而,鼓励根据本标准达成协议的各方研究是否可使用这些文件的最新版本。凡是不注日期的引用文件,其最新版本适用于本标准。GB/T9288首饰含金量分析方法(neqISO11426:1993)GB/T11886首饰含银量化学分析方法GB/T 16552 3
珠宝玉石名称
珠宝玉石鉴定
GB/T16553
钻石分级
GB/T16554
QB/T 1656
QB/T 1689免费标准下载网bzxz
3术语和定义
铂首饰化学分析方法钯、佬、铂量的测定贵金属饰品术语
下列术语和定义适用于本标准。3.1
纯度 fineness
贵金属元素的最低含量,以贵金属的含量千分数计量。4纯度范围
纯度以最低值表示,不得有负公差。4.1贵金属及其合金的纯度范围见表1。表
贵金属及其合金
金及其合金
纯度千分数最小值
纯度的其他表示方法
(千足金)
GB 11887--2002
贵金属及其合金
铂(白金)及其合金
银及其合金
注1:不在括弧内的值将优先考虑。注2:24K理论纯度为百分之百。表1(续)
纯度汗分数最小值
4.2足金首饰因使用需要,其配件含金量不得低于750%。。纯度的其他表示方法
足铂(足白金)
4.3贵金属及其合金首饰中所含元素不得对人体健康有害。含镍首饰(包括非贵金属首饰)应符合以下规定。
用于耳朵或人体的任何其他部位穿孔,在穿孔伤口愈合过程中摘除或保留的制品,其镍在总体4.3.1
质量中的含量必须小于0.5%
4.3.2与人体皮肤长期接触的制品如:一耳环;
项链,手镯和手链,脚链,戒指;手表表壳,表链,表扣;
按扣,搭扣,铆钉,拉链和金属标牌(如果不是钉在衣服上)。这些制品与皮肤长期接触部分的镍释放量必须小于0.5微克/厘米2/星期;4.3.34.3.2条中所指定的制品如表面有镀层,其镀层必须保证与皮肤长期接触部分在正常使用的两年内,镍释放量小于0.5微克/厘米/星期。4.3.4除了上述4.3.1、4.3.2、4.3.3中所列明的,其他同类制品必须达到同样要求,否则不得进人市场。
5首饰印记
贵金属首饰的印记是指打印在首饰上的标识。5.1印记的内容
印记内容应包括:厂家代号、纯度、材料以及镶钻首饰主钻石(0.10克拉以上)的质量。例如:北京花丝镶嵌厂生产的18K金镶嵌0.45克拉钻石的首饰印记为:京A18K金0.45ct(D)。5.2纯度的表示方法
按表1的规定打印记,或按实际含量打印记。金首饰以纯度千分数(K数)前冠以金、Au或G。例:金750.Au750,G18K。5.2.11
铂首饰以纯度千分数前冠以铂(白金)或Pt。例:Pt900,Pt990或足铂(足白金)。5.2.24
5.2.3银首饰以纯度千分数前冠以银、Ag或S。例:银925,Ag925.S925。5.2.4当采用不同材质或不同纯度的贵金属制作首饰时,材料和纯度应分别表示。5.2.5当首饰因过细过小等原因不能打印记时,应附有包含印记内容的标识。6贵金属首饰纯度的测定方法
应采用被认可的方法进行测定,当测试结果出现分歧时,采用(G3/T9288、GB/T11886、590
QB/T1656的方法进行仲裁。
命名规则
7.1贵金属首饰应按纯度、材料、宝石名称、品种的内容命名。例如:18K金红宝石戒指
贵金属首饰品种的命名依据QB/T1689的规定。GB 11887—2002
3镶嵌宝石的鉴定及命名按照GB/T16552、GB/T16553、GB/T16554进行。镶嵌首饰上的宝石的7.3
品质分级作为参考级别。
小提示:此标准内容仅展示完整标准里的部分截取内容,若需要完整标准请到上方自行免费下载完整标准文档。
标准图片预览:





- 其它标准
- 热门标准
- 国家标准(GB)
- GB/T2828.1-2012 计数抽样检验程序 第1部分:按接收质量限(AQL)检索的逐批检验抽样计划
- GB/T228.1-2021 金属材料 拉伸试验 第1部分:室温试验方法
- GB/T18204.4-2000 公共场所毛巾、床上卧具微生物检验方法细菌总数测定
- GB/T97.1-2002 平垫圈A级
- GB/T23892.3-2009 滑动轴承 稳态条件下流体动压可倾瓦块止推轴承 第3部分:可倾瓦块止推轴承计算的许用值
- GB/T11839-1989 二氧化铀芯块中硼的测定 姜黄素萃取光度法
- GB15603-2022 危险化学品仓库储存通则
- GB/T1804-2000 一般公差 未注公差的线性和角度尺寸的公差
- GB/T7433-1987 对称电缆载波通信系统抗无线电广播和通信干扰的指标
- GB/T21238-2007 玻璃纤维增强塑料夹砂管
- GB/T28809-2012 轨道交通 通信、信号和处理系统 信号用安全相关电子系统
- GB/T9239-1988 刚性转子平衡品质 许用不平衡的确定
- GB/T15917.3-1995 金属镝及氧化镝化学分析方法 对氯苯基荧光酮--溴化十六烷基三甲基胺分光光度法测定钽量
- GB/T5738-1995 瓶装酒、饮料塑料周转箱
- GB/T13985-1992 照相机操作力和强度
- 行业新闻
请牢记:“bzxz.net”即是“标准下载”四个汉字汉语拼音首字母与国际顶级域名“.net”的组合。 ©2025 标准下载网 www.bzxz.net 本站邮件:bzxznet@163.com
网站备案号:湘ICP备2025141790号-2
网站备案号:湘ICP备2025141790号-2