- 您的位置:
- 标准下载网 >>
- 标准分类 >>
- 国家标准(GB) >>
- GB/T 6139-1997 阶梯麻花钻 技术条件
标准号:
GB/T 6139-1997
标准名称:
阶梯麻花钻 技术条件
标准类别:
国家标准(GB)
标准状态:
已作废-
发布日期:
1997-08-28 -
实施日期:
1998-06-01 -
作废日期:
2007-12-01 出版语种:
简体中文下载格式:
.rar.pdf下载大小:
111.17 KB
替代情况:
替代GB 6138-1985;GB 6139-1985部分;被GB/T 6139-2007代替采标情况:
neq ISO/DIS 10899
点击下载
标准简介:
标准下载解压密码:www.bzxz.net
本标准规定了阶梯麻花钻的尺寸、材料和硬度、外观和表面粗糙度、性能试验及标志和包装的技术条件。本标准适用于按GB/T 6138.1和GB/T 6138.2生产的攻丝前钻孔用阶梯麻花钻及其他阶梯麻花钻。 GB/T 6139-1997 阶梯麻花钻 技术条件 GB/T6139-1997
部分标准内容:
GB/T6139--1997
本标准对GB6138—85《攻丝前钻孔用直柄阶梯麻花钻》和GB6139一85《攻丝前钻孔用锥柄阶梯麻花钻》标准中的“技术要求、性能试验和标志包装”部分进行了修订。本标准从生效之日起,同时代替GB6138--85和GB6139—85标准中的“技术要求、性能试验和标志包装”部分。标准编号沿用GB/T6139。本标准由中华人民共和国机械工业部提出。本标准由全国刀具标准化技术委员会归口。本标准负责起草单位:成都工具研究所。本标准主要起草人:商宏谟、俞进、夏千。50
1范围
中华人民共和国国家标准
阶梯麻花钻技术条件bzxz.net
Subland twist drills.-Technical specificationsGB/T 6139. 1997
GB6138:85部分
代营8613985m
本标推规定了阶梯麻花钻的尺寸、材料和硬度、外观和表面粗糙度、性能试验及标志和包紫的按术条件。
本标准适用于按GB/T6138.1和GB/T6138.2生产的攻丝前钻孔用阶梯麻花钻及其他阶梯称花钻。
2引用标准
下列标推所包含的条文,通过在本标准中引用而构成为本标准的条文。本标准出版时,所示版本均为有效。所有标准都会被修订,使用本标准的各方应探讨使用下列标准最新版本的可能性。GB1442-—85直柄工具用传动扁尾及套筒的尺于和公差GB/T1443--1996机床和工具柄用白夹圆锥GB/T1804---92--般公差线性尺寸的未注公差GB/r6138.1一1997攻丝前钻孔用阶梯麻花钻第1部分:直柄阶梯麻花钻的型式和尺寸GB/T6138.2—1997攻丝前钻孔用阶梯麻花钻第2部分:莫氏锥柄阶梯麻花钻的型式和只寸3符号
d,阶梯麻花钻钻孔部分直径
d。阶梯麻花钻锶孔部分直径
t阶梯麻花钻沟槽长度
12阶梯麻花钻钻孔部分长度
切削速度
f进给量
N、钻孔数
4 尺寸
4.1阶梯麻花钻钻孔部分直径(d,)公差为h9,總孔部分直径(d,)公差为h8。4.2阶梯麻花钻钻孔部分直径(d,)倒锥度:每100mm长度上为0.02~℃.08mm4.3直柄阶梯麻花钻柄部直径公差为h11,其夹持部分的圆柱度公差为0.02mm。4.4锥柄阶梯麻花钻的锥柄为带扁尾的莫氏锥柄,莫氏锥柄按GB/T1443的规定,4.5阶梯麻花钻总长及沟槽长度公差按GB/T1804最粗级的规定。特殊情况下,根据供需双方协议,阶梯麻花钻总长和沟槽长度的极限尺寸允许是上、下相邻阶梯花钻长度的基本尺寸。
国家技术监督局1997-08-28批准1998-06-01实施
GB/T 6139--1997
4.6阶梯麻花钻位置公差按表1的规定。表1
钻孔部分轴线对钩孔部分轴线的同轴度钻孔部分钻芯对锶孔部分轴线的对称度切削刃对锶孔部分轴线的斜向圆跳动4.7,阶梯麻花钻角度按下列规定di3
di≥3~6
di>6~10
4.7.1螺旋角:由制造厂自定,也可按供需双方的协议制造。dj>10~18
4.7.2顶角:通常阶梯麻花钻钻孔部分的顶角角度为118°,公差为土3°,适用于不同顶角角度的阶梯麻花钻。阶梯麻花钻锶孔部分的锥角角度和公差可按供需双方的协议制造。5材料和硬度
5.1阶梯麻花钻工作部分用W6Mo5Cr4V2或同等以上性能的其他牌号高速钢制造,直径d,≥3mm的阶梯麻花钻应经蒸汽表面处理或其他表面强化处理(如阶梯麻花钻未经表面强化处理,沟槽表面须磨光或抛光)。
5.2焊接阶梯麻花钻柄部用45钢或同等以上性能的其他钢材制造。5.3阶梯麻花钻硬度按下列规定。5.3.1淬硬范围:整体阶梯麻花钻在离钻尖(4/5)1的长度上,允许整体淬硬;焊接阶梯麻花钻在离钻尖(3/4)11的长度上。5.3.2工作部分硬度:普通高速钢(HSS):780HV~900HV;高性能高速钢(HSS-E):820HV~950HV。硬度试验载荷根据阶梯麻花钻直径选择,在刃带或靠近刃带的刃背上测量。5.3.3柄部硬度:整体阶梯麻花钻不低于240HV;焊接阶梯麻花钻不低于170HV。
柄部的最高硬度不应大于工作部分硬度。硬度试验载荷根据阶梯麻花钻直径选择。5.3.4锥柄扁尾硬度(dz10mm):不低于220HV30。6外观和表面粗糙度
6.1阶梯麻花钻切削刃不应有崩刃、钝口、裂纹、显著的凹凸以及磨削烧伤等影响使用性能的缺陷,焊接阶梯麻花钻在焊缝处不应有砂眼和未焊透现象。6.2阶梯麻花钻的表面粗糙度按表2的规定表2
性能试验
成批生产的阶梯麻花钻,每批应进行切削性能抽样试验。52
表面粗糙度数值
7.1试验条件
7.1.1机床:符合精度要求的钻床。GB/T 6139--1997
7.1.2刀具:样本大小为5件,钻削不通孔。7.1.3试坏:试坏材料为45钢,经退火或正火处理,其硬度为170~200HB,供钻孔的-面应经过加工,并应与机床主轴中心线垂直。7.1.4冷却液:乳化油水溶液。
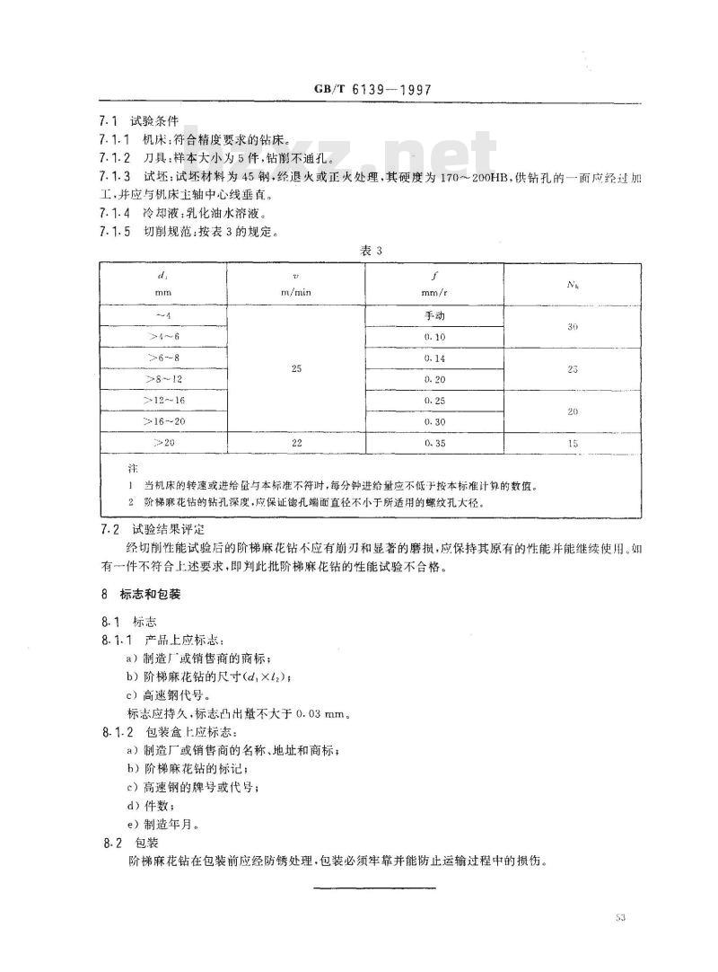
7.1.5切削规范:按表3的规定,表3
12~~16
≥16~20
当机床的转速或进给量与本标准不符时,每分钟进给量应不低于按本标准计算的数值。2阶梯麻花钻的钻孔深度,应保证镶孔端面直径不小于所适用的螺纹孔大径。7.2试验结果评定
经切削性能试验后的阶梯麻花钻不应有崩刃和显著的磨损,应保持其原有的性能并能继续使用。如有一件不符合上述要求,即判此批阶梯麻花钻的性能试验不合格。8标志和包装
8.1标志
8.1.1产品上应标志:
a)制造厂或销售商的商标;
b)阶梯麻花钻的尺寸(d,×12);c)高速钢代号。
标志应持久,标志凸出量不大于0.03mm。8.1.2包装盒上应标志:
a)制造厂或销售商的名称、地址和商标;b)阶梯麻花钻的标记;
c)高速钢的牌号或代号;
d)件数;
e)制造年月。
8.2包装
阶梯麻花钻在包装前应经防锈处理,包装必须牢靠并能防止运输过程中的损伤。53
小提示:此标准内容仅展示完整标准里的部分截取内容,若需要完整标准请到上方自行免费下载完整标准文档。
本标准对GB6138—85《攻丝前钻孔用直柄阶梯麻花钻》和GB6139一85《攻丝前钻孔用锥柄阶梯麻花钻》标准中的“技术要求、性能试验和标志包装”部分进行了修订。本标准从生效之日起,同时代替GB6138--85和GB6139—85标准中的“技术要求、性能试验和标志包装”部分。标准编号沿用GB/T6139。本标准由中华人民共和国机械工业部提出。本标准由全国刀具标准化技术委员会归口。本标准负责起草单位:成都工具研究所。本标准主要起草人:商宏谟、俞进、夏千。50
1范围
中华人民共和国国家标准
阶梯麻花钻技术条件bzxz.net
Subland twist drills.-Technical specificationsGB/T 6139. 1997
GB6138:85部分
代营8613985m
本标推规定了阶梯麻花钻的尺寸、材料和硬度、外观和表面粗糙度、性能试验及标志和包紫的按术条件。
本标准适用于按GB/T6138.1和GB/T6138.2生产的攻丝前钻孔用阶梯麻花钻及其他阶梯称花钻。
2引用标准
下列标推所包含的条文,通过在本标准中引用而构成为本标准的条文。本标准出版时,所示版本均为有效。所有标准都会被修订,使用本标准的各方应探讨使用下列标准最新版本的可能性。GB1442-—85直柄工具用传动扁尾及套筒的尺于和公差GB/T1443--1996机床和工具柄用白夹圆锥GB/T1804---92--般公差线性尺寸的未注公差GB/r6138.1一1997攻丝前钻孔用阶梯麻花钻第1部分:直柄阶梯麻花钻的型式和尺寸GB/T6138.2—1997攻丝前钻孔用阶梯麻花钻第2部分:莫氏锥柄阶梯麻花钻的型式和只寸3符号
d,阶梯麻花钻钻孔部分直径
d。阶梯麻花钻锶孔部分直径
t阶梯麻花钻沟槽长度
12阶梯麻花钻钻孔部分长度
切削速度
f进给量
N、钻孔数
4 尺寸
4.1阶梯麻花钻钻孔部分直径(d,)公差为h9,總孔部分直径(d,)公差为h8。4.2阶梯麻花钻钻孔部分直径(d,)倒锥度:每100mm长度上为0.02~℃.08mm4.3直柄阶梯麻花钻柄部直径公差为h11,其夹持部分的圆柱度公差为0.02mm。4.4锥柄阶梯麻花钻的锥柄为带扁尾的莫氏锥柄,莫氏锥柄按GB/T1443的规定,4.5阶梯麻花钻总长及沟槽长度公差按GB/T1804最粗级的规定。特殊情况下,根据供需双方协议,阶梯麻花钻总长和沟槽长度的极限尺寸允许是上、下相邻阶梯花钻长度的基本尺寸。
国家技术监督局1997-08-28批准1998-06-01实施
GB/T 6139--1997
4.6阶梯麻花钻位置公差按表1的规定。表1
钻孔部分轴线对钩孔部分轴线的同轴度钻孔部分钻芯对锶孔部分轴线的对称度切削刃对锶孔部分轴线的斜向圆跳动4.7,阶梯麻花钻角度按下列规定di3
di≥3~6
di>6~10
4.7.1螺旋角:由制造厂自定,也可按供需双方的协议制造。dj>10~18
4.7.2顶角:通常阶梯麻花钻钻孔部分的顶角角度为118°,公差为土3°,适用于不同顶角角度的阶梯麻花钻。阶梯麻花钻锶孔部分的锥角角度和公差可按供需双方的协议制造。5材料和硬度
5.1阶梯麻花钻工作部分用W6Mo5Cr4V2或同等以上性能的其他牌号高速钢制造,直径d,≥3mm的阶梯麻花钻应经蒸汽表面处理或其他表面强化处理(如阶梯麻花钻未经表面强化处理,沟槽表面须磨光或抛光)。
5.2焊接阶梯麻花钻柄部用45钢或同等以上性能的其他钢材制造。5.3阶梯麻花钻硬度按下列规定。5.3.1淬硬范围:整体阶梯麻花钻在离钻尖(4/5)1的长度上,允许整体淬硬;焊接阶梯麻花钻在离钻尖(3/4)11的长度上。5.3.2工作部分硬度:普通高速钢(HSS):780HV~900HV;高性能高速钢(HSS-E):820HV~950HV。硬度试验载荷根据阶梯麻花钻直径选择,在刃带或靠近刃带的刃背上测量。5.3.3柄部硬度:整体阶梯麻花钻不低于240HV;焊接阶梯麻花钻不低于170HV。
柄部的最高硬度不应大于工作部分硬度。硬度试验载荷根据阶梯麻花钻直径选择。5.3.4锥柄扁尾硬度(dz10mm):不低于220HV30。6外观和表面粗糙度
6.1阶梯麻花钻切削刃不应有崩刃、钝口、裂纹、显著的凹凸以及磨削烧伤等影响使用性能的缺陷,焊接阶梯麻花钻在焊缝处不应有砂眼和未焊透现象。6.2阶梯麻花钻的表面粗糙度按表2的规定表2
性能试验
成批生产的阶梯麻花钻,每批应进行切削性能抽样试验。52
表面粗糙度数值
7.1试验条件
7.1.1机床:符合精度要求的钻床。GB/T 6139--1997
7.1.2刀具:样本大小为5件,钻削不通孔。7.1.3试坏:试坏材料为45钢,经退火或正火处理,其硬度为170~200HB,供钻孔的-面应经过加工,并应与机床主轴中心线垂直。7.1.4冷却液:乳化油水溶液。
7.1.5切削规范:按表3的规定,表3
12~~16
≥16~20
当机床的转速或进给量与本标准不符时,每分钟进给量应不低于按本标准计算的数值。2阶梯麻花钻的钻孔深度,应保证镶孔端面直径不小于所适用的螺纹孔大径。7.2试验结果评定
经切削性能试验后的阶梯麻花钻不应有崩刃和显著的磨损,应保持其原有的性能并能继续使用。如有一件不符合上述要求,即判此批阶梯麻花钻的性能试验不合格。8标志和包装
8.1标志
8.1.1产品上应标志:
a)制造厂或销售商的商标;
b)阶梯麻花钻的尺寸(d,×12);c)高速钢代号。
标志应持久,标志凸出量不大于0.03mm。8.1.2包装盒上应标志:
a)制造厂或销售商的名称、地址和商标;b)阶梯麻花钻的标记;
c)高速钢的牌号或代号;
d)件数;
e)制造年月。
8.2包装
阶梯麻花钻在包装前应经防锈处理,包装必须牢靠并能防止运输过程中的损伤。53
小提示:此标准内容仅展示完整标准里的部分截取内容,若需要完整标准请到上方自行免费下载完整标准文档。
标准图片预览:




- 热门标准
- 国家标准(GB)
- GB/T2828.1-2012 计数抽样检验程序 第1部分:按接收质量限(AQL)检索的逐批检验抽样计划
- GB50367-2013 混凝土结构加固设计规范
- GB/T18204.4-2000 公共场所毛巾、床上卧具微生物检验方法细菌总数测定
- GB5009.225-2023 食品安全国家标准 酒和食用酒精中乙醇浓度的测定
- GB/T3836.1-2021 爆炸性环境 第1部分:设备 通用要求
- GB/T9145-2003 普通螺纹 中等精度、优选系列的极限尺寸
- GB/T11839-1989 二氧化铀芯块中硼的测定 姜黄素萃取光度法
- GB/T11379-2008 金属覆盖层 工程用铬电镀层
- GB/T23892.3-2009 滑动轴承 稳态条件下流体动压可倾瓦块止推轴承 第3部分:可倾瓦块止推轴承计算的许用值
- GB/T18380.33-2022 电缆和光缆在火焰条件下的燃烧试验 第33部分:垂直安装的成束电线电缆火焰垂直蔓延试验 A类
- GB/T9239-1988 刚性转子平衡品质 许用不平衡的确定
- GB/T15917.3-1995 金属镝及氧化镝化学分析方法 对氯苯基荧光酮--溴化十六烷基三甲基胺分光光度法测定钽量
- GB/T6122.1-2002 圆角铣刀 第1部分:型式和尺寸
- GB/T7433-1987 对称电缆载波通信系统抗无线电广播和通信干扰的指标
- GB/T12053-1989 光学识别用字母数字字符集 第一部分:OCR-A字符集印刷图象的形状和尺寸
- 行业新闻
请牢记:“bzxz.net”即是“标准下载”四个汉字汉语拼音首字母与国际顶级域名“.net”的组合。 ©2025 标准下载网 www.bzxz.net 本站邮件:bzxznet@163.com
网站备案号:湘ICP备2025141790号-2
网站备案号:湘ICP备2025141790号-2