- 您的位置:
- 标准下载网 >>
- 标准分类 >>
- 国家标准(GB) >>
- GB 6109.5-1988 漆包圆绕组线 第5部分:温度指数180的聚酯亚胺漆包圆铜线
标准号:
GB 6109.5-1988
标准名称:
漆包圆绕组线 第5部分:温度指数180的聚酯亚胺漆包圆铜线
标准类别:
国家标准(GB)
标准状态:
已作废-
发布日期:
1988-06-11 -
实施日期:
1989-01-01 -
作废日期:
2008-12-01 出版语种:
简体中文下载格式:
.rar.pdf下载大小:
146.45 KB
替代情况:
被GB/T 6109.5-2008代替
部分标准内容:
中华人民共和国国家标准
漆包圆绕组线
第5部分:温度指数180的
聚酯亚胺漆包圆铜线
Enamelled round winding wiresPart 5: Polyesterfmide enamelled roundcopper wires with a temperature index of 1Bo1适用范围
G B 6109.5—88
1.1本标准适用于温度指数为180的聚酯亚胺漆包圆铜绕组线,简称聚酯亚胺漆包圆铜线。1.2本标准必须与GB6109.1《漆包圆绕组线2使用特性下载标准就来标准下载网
2.1木产品其有较高热冲击性能。般规定》一起使用。
2.220000h外推寿命应不低门180%,适用于普通大气下末经漫渍处理的漆包线。当用户要求时,制造厂应提供说明漆包线符合耐热性要求的试验证明。3型号
聚酯亚胺漆包圆铜线的型号应符合表「规定。表1
QZY-2/180
温度指数180的净漆膜聚酯业胺漆包風能线温度指数180 的冶漆膜聚酚亚胺漆包圆词线聚酯业胺漆包圆铜线的规格成符合GB6109.1规定,其范围为0.018~2.500mm。5技术要求
技术要求应符合表2规定。
国家机械工业委员会1988-05-23批准1989·01·01实施
坡日名称
导体尺寸
绝缘淳度
漆包线最太外径
伸长率
回弹性
柔韧性和附着性
急拉断
剥离扭绞
热冲击
软化击穿
耐溶剂
击穿电压
室温下
高温下
漆膜连续性
耐热性
解冷冻剂
妇鼠性
热粘合或溶剂粘合
介质损失角正切
耐含水变压器油
高温失效
GB :6109.588
符合GB 6109.1 第6 条规定
符合GB6109.1第7条规定
将合GB 6109,1 第8 条规定
符合GB 61 09,1 第9 条规定
符合GB 6109.1第[D 条规定
符合GB 6109.1 第11 条规定
符合本标准第5.2. 1 条规定
符合本标准第5. 2. 2 条规定
荐合本标准第5. 2. 3 条规定
符合本标准第5. 2.4 条规定
符合本标准第5.3 条规定
符合木标准第5.4 案规定
符合本标准第5,5 条规定
符合GB 6109,1第12条规定
符合G日6109、1第13条规处
符合本标准第5.6条规定
符合GBB109.1第14条规定
符合本标准第5.7条期定
衍合本标准第6. 8条规定
不适用
不适用
不适用
在号虑i
不规定
在考堪市
符合GB 6109.1第17条规定
试验粪型
试验方法
GB 3018. 2
GB 4074.3
GB 4074. 4
GB 4074.3
GB 4071.8
GB 4074.9
GB4074.11
GB4074.13
GB4074.14
GB4074.16
GB 4074.17
GB 4074.20
GB4074.21
GB4074.28~4074.29
GB4074.31
自力检查
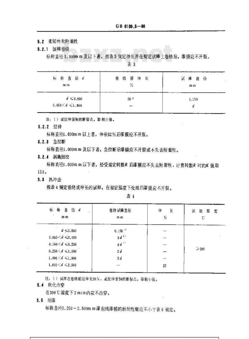
5.2柔韧性和附着性
5.2.1圆棒卷绕
GB 6109.5—88
标称直径1.600mm及以下者,按表3规定伸长并在规定试上卷绕后,漆膜应不开裂表3
标称直经站
0. 050<.d 1. 600
注:1)或拉伸至铜的断裂点,取较小值。5.2.2拉伸
卷绕前伸长
标称直径1.600mm以上者,伸长32%后漆膜应不开裂。5.2.3急拉断
标称直径1.000mm及以下者,急拉断后漆膜应不开裂或不失去附着性。5.2.4剥离扭绞
试棒直径
标称直径1.000mm以下者,经受规定转数R后漆膜应不失去附着性,计算转数R时的K值取110。
5.3热冲击
按表4规定卷绕或伸长的试样,在规定温度下处理后漆膜应不开裂。表4
标称直径d
0.040<4 <0.160
0.1600.2501.000 1.60042.500
卷绕试直径
注:1)试样在卷绕前应伸长20%,或拉伸至驹的断裂点,取较小值。5.4软化击穿
在300℃温度下2min内应不击穿。5.5刮漆
标称直价0.250~2.500mm漆包线漆膜的耐刮性能应不小于表5规定。试验温度
标称直径
S高温击穿电压
平均刮破力
GB B1 09 .5—88
三次试验中
最小刮破力
平埃刮破力
三次试验中
最小刮破力
试样在180℃温度下的击穿电压应衍合表6规定。此项试验在用户要求时才进行。5.7耐热性
GB 61 09.5—88
20000b外推寿命的相应温度应不低于180℃。当200℃时的测试寿命应不少于5000h。5.8耐冷冻剂
本试验仅适用于致冷系统用的漆包线。5.8.1用三氯乙烯或甲醇萃取
萃取物的百分数应不超过表7规定数值。溶剂由制造厂与用户协商确定。5.8.2用一氯三氟甲烷(R-22)萃取萃取物的百分数应不大于表8规定数值。5..$一氯三氟甲烷(R-22)发泡试验此试验仅在制造厂与用户协商同意后进行。试样上出现的气泡应不超过4个。如起泡处的漆膜仍能与其余部分牢固地粘着,则小于试样直径二分之一的征何气泡可忽略不计。发泡试验后,将漆包线绕在直径为4α的圆棒上,漆膜应不开裂。表6
标称直径d
最小击穿电压
(有效值)
标称直径d
1.000~2.500
最小击穿电压
(有效值)
6试验
标称直径d
0. 500<.d≤1. 000
1,000<4≤2.500
标称直径d
0.5001. 000产品应按表2规定试验。
附加说明:
本标准由上海电缆研究所归口。本标准由上海电缆研究所等起草。本标准起草负责人陈万全,贺步云。GB6109.5—88
萃取物百分数
辈取物分数
小提示:此标准内容仅展示完整标准里的部分截取内容,若需要完整标准请到上方自行免费下载完整标准文档。
漆包圆绕组线
第5部分:温度指数180的
聚酯亚胺漆包圆铜线
Enamelled round winding wiresPart 5: Polyesterfmide enamelled roundcopper wires with a temperature index of 1Bo1适用范围
G B 6109.5—88
1.1本标准适用于温度指数为180的聚酯亚胺漆包圆铜绕组线,简称聚酯亚胺漆包圆铜线。1.2本标准必须与GB6109.1《漆包圆绕组线2使用特性下载标准就来标准下载网
2.1木产品其有较高热冲击性能。般规定》一起使用。
2.220000h外推寿命应不低门180%,适用于普通大气下末经漫渍处理的漆包线。当用户要求时,制造厂应提供说明漆包线符合耐热性要求的试验证明。3型号
聚酯亚胺漆包圆铜线的型号应符合表「规定。表1
QZY-2/180
温度指数180的净漆膜聚酯业胺漆包風能线温度指数180 的冶漆膜聚酚亚胺漆包圆词线聚酯业胺漆包圆铜线的规格成符合GB6109.1规定,其范围为0.018~2.500mm。5技术要求
技术要求应符合表2规定。
国家机械工业委员会1988-05-23批准1989·01·01实施
坡日名称
导体尺寸
绝缘淳度
漆包线最太外径
伸长率
回弹性
柔韧性和附着性
急拉断
剥离扭绞
热冲击
软化击穿
耐溶剂
击穿电压
室温下
高温下
漆膜连续性
耐热性
解冷冻剂
妇鼠性
热粘合或溶剂粘合
介质损失角正切
耐含水变压器油
高温失效
GB :6109.588
符合GB 6109.1 第6 条规定
符合GB6109.1第7条规定
将合GB 6109,1 第8 条规定
符合GB 61 09,1 第9 条规定
符合GB 6109.1第[D 条规定
符合GB 6109.1 第11 条规定
符合本标准第5.2. 1 条规定
符合本标准第5. 2. 2 条规定
荐合本标准第5. 2. 3 条规定
符合本标准第5. 2.4 条规定
符合本标准第5.3 条规定
符合木标准第5.4 案规定
符合本标准第5,5 条规定
符合GB 6109,1第12条规定
符合G日6109、1第13条规处
符合本标准第5.6条规定
符合GBB109.1第14条规定
符合本标准第5.7条期定
衍合本标准第6. 8条规定
不适用
不适用
不适用
在号虑i
不规定
在考堪市
符合GB 6109.1第17条规定
试验粪型
试验方法
GB 3018. 2
GB 4074.3
GB 4074. 4
GB 4074.3
GB 4071.8
GB 4074.9
GB4074.11
GB4074.13
GB4074.14
GB4074.16
GB 4074.17
GB 4074.20
GB4074.21
GB4074.28~4074.29
GB4074.31
自力检查
5.2柔韧性和附着性
5.2.1圆棒卷绕
GB 6109.5—88
标称直径1.600mm及以下者,按表3规定伸长并在规定试上卷绕后,漆膜应不开裂表3
标称直经站
0. 050<.d 1. 600
注:1)或拉伸至铜的断裂点,取较小值。5.2.2拉伸
卷绕前伸长
标称直径1.600mm以上者,伸长32%后漆膜应不开裂。5.2.3急拉断
标称直径1.000mm及以下者,急拉断后漆膜应不开裂或不失去附着性。5.2.4剥离扭绞
试棒直径
标称直径1.000mm以下者,经受规定转数R后漆膜应不失去附着性,计算转数R时的K值取110。
5.3热冲击
按表4规定卷绕或伸长的试样,在规定温度下处理后漆膜应不开裂。表4
标称直径d
0.040<4 <0.160
0.160
卷绕试直径
注:1)试样在卷绕前应伸长20%,或拉伸至驹的断裂点,取较小值。5.4软化击穿
在300℃温度下2min内应不击穿。5.5刮漆
标称直价0.250~2.500mm漆包线漆膜的耐刮性能应不小于表5规定。试验温度
标称直径
S高温击穿电压
平均刮破力
GB B1 09 .5—88
三次试验中
最小刮破力
平埃刮破力
三次试验中
最小刮破力
试样在180℃温度下的击穿电压应衍合表6规定。此项试验在用户要求时才进行。5.7耐热性
GB 61 09.5—88
20000b外推寿命的相应温度应不低于180℃。当200℃时的测试寿命应不少于5000h。5.8耐冷冻剂
本试验仅适用于致冷系统用的漆包线。5.8.1用三氯乙烯或甲醇萃取
萃取物的百分数应不超过表7规定数值。溶剂由制造厂与用户协商确定。5.8.2用一氯三氟甲烷(R-22)萃取萃取物的百分数应不大于表8规定数值。5..$一氯三氟甲烷(R-22)发泡试验此试验仅在制造厂与用户协商同意后进行。试样上出现的气泡应不超过4个。如起泡处的漆膜仍能与其余部分牢固地粘着,则小于试样直径二分之一的征何气泡可忽略不计。发泡试验后,将漆包线绕在直径为4α的圆棒上,漆膜应不开裂。表6
标称直径d
最小击穿电压
(有效值)
标称直径d
1.000~2.500
最小击穿电压
(有效值)
6试验
标称直径d
0. 500<.d≤1. 000
1,000<4≤2.500
标称直径d
0.5001. 000
附加说明:
本标准由上海电缆研究所归口。本标准由上海电缆研究所等起草。本标准起草负责人陈万全,贺步云。GB6109.5—88
萃取物百分数
辈取物分数
小提示:此标准内容仅展示完整标准里的部分截取内容,若需要完整标准请到上方自行免费下载完整标准文档。
标准图片预览:





- 热门标准
- 国家标准(GB)
- GB/T2828.1-2012 计数抽样检验程序 第1部分:按接收质量限(AQL)检索的逐批检验抽样计划
- GB50367-2013 混凝土结构加固设计规范
- GB/T18204.4-2000 公共场所毛巾、床上卧具微生物检验方法细菌总数测定
- GB/T3836.1-2021 爆炸性环境 第1部分:设备 通用要求
- GB5009.225-2023 食品安全国家标准 酒和食用酒精中乙醇浓度的测定
- GB/T11379-2008 金属覆盖层 工程用铬电镀层
- GB/T23892.3-2009 滑动轴承 稳态条件下流体动压可倾瓦块止推轴承 第3部分:可倾瓦块止推轴承计算的许用值
- GB/T18380.33-2022 电缆和光缆在火焰条件下的燃烧试验 第33部分:垂直安装的成束电线电缆火焰垂直蔓延试验 A类
- GB/T9145-2003 普通螺纹 中等精度、优选系列的极限尺寸
- GB/T9239-1988 刚性转子平衡品质 许用不平衡的确定
- GB/T15917.3-1995 金属镝及氧化镝化学分析方法 对氯苯基荧光酮--溴化十六烷基三甲基胺分光光度法测定钽量
- GB/T11839-1989 二氧化铀芯块中硼的测定 姜黄素萃取光度法
- GB/T6122.1-2002 圆角铣刀 第1部分:型式和尺寸
- GB/T7433-1987 对称电缆载波通信系统抗无线电广播和通信干扰的指标
- GB/T12053-1989 光学识别用字母数字字符集 第一部分:OCR-A字符集印刷图象的形状和尺寸
- 行业新闻
请牢记:“bzxz.net”即是“标准下载”四个汉字汉语拼音首字母与国际顶级域名“.net”的组合。 ©2025 标准下载网 www.bzxz.net 本站邮件:bzxznet@163.com
网站备案号:湘ICP备2025141790号-2
网站备案号:湘ICP备2025141790号-2